-
申弘煤矿井下消防洒水减压阀Y42F
详细信息| 询价留言Y42F煤矿井下消防洒水减压阀 产品说明
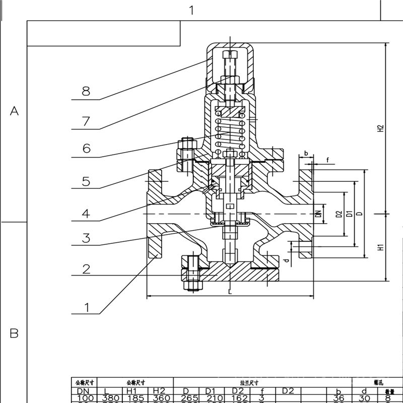
煤矿专用减压阀由主阀和导阀两部分组成。主阀主要由阀座、主阀盘、活塞、弹簧等零件组成。导阀主要由阀座、阀瓣、膜片、弹簧、调节弹簧等零件组成。通过调节调节弹簧压力设定出口压力、利用膜片传感出口压力变化,通过导阀启闭驱动活塞调节主阀节流部位过流面积的大小,实现减压稳压功能。 煤矿井下消防洒水管道的减压方式一般 有两种:一种是采用降压水池减压,另一种是采用减压阀减压。但多年来由于国内减压阀产品的研制、开发大多数针对建筑工程,而通过行业鉴定、真正能使设计人员及用户放心选用的国产矿用减压阀几乎是空白,如果采用国外同类产品从设计选型到用户订货、施工安装、维修服务等方面有诸多不便。因此,在煤矿井下消防洒水管道上普遍采用的仍是降压水池的减压方式。 近几年来,我院在进行煤矿井下消防洒水管道设计时遇到下列几个问题上海申弘阀门有限公司主营阀门有:

:(1)矿井瓦斯浓度高,井下所有电气设施必须采用防爆型。如华晋焦煤公司吕梁公司沙曲矿井,晋城矿务局寺河矿井等高瓦斯矿井采用降压水池其进水电动阀及水位控制装置必须采用防爆型
;
(2)巷道沿着煤层布置,有起伏变化,如寺河矿井在井筒采用降压水池减压后,井底车场至采区的巷道均处于上坡,减压后的管道又需增压才能满足采区用水的要求。
(3)煤层开采深度大,需多处设置降压水池,如新汶矿务局潘西矿井,井筒垂高900多米,在井筒设置了6处降压水池进行减压;
(4)为了使降压水池设置在合适的位置,增加了消防洒水管道的长度,如韩城矿务局象山矿井,其井下消防洒水管道从回风立井进入,为了满足巷道及采区的用水压力要求,降压水池不能设置在井底附近,需设置在斜井,这样增加了往返管路1000多米。上述遇到的几种情况如采用减压阀减压,则简单 方便,可根据不同的压力要求随意在干管上、支管上设置减压阀,使整个消防洒水管路简单、灵活、节水、节电,并可大大节省基建投资。鉴于这些情况,设计人员迫切希望能选到性能优良、质量可靠、能适应国情的减压阀来解决这些问题。 1996年4月,上海申弘阀门有限公司经过广泛接触,达成共识,决定联合研制、开发矿用比例减压阀产品,来满足煤矿井下消防洒水管道的减压需要。该项目被列入煤炭工业部
5九七年度煤炭工业设计科研项目计划
6,经过课题小组的不懈努力,已经完成了全部工作,并于1998年6月15日通过了煤炭部鉴定。上海申弘阀门有限公司就阀门设备的有关设计、制造、供货、指导安装、调试、生产运转及技术服务和培训业务。除合同有关条款外,经双方授权代表进一步协商,对该批阀门设备技术方面确定如下协议:
一、本技术协议选用中乙方生产的阀门设备,必须完全满足甲方井筒及井下消防洒水工程项目正常生产使用的要求。

二、Y42F煤矿井下消防洒水减压阀供货规格型号、数量,由甲方提供数据,详见附表一。
主要零件材料:
零件名称 零件材料 阀体 阀盖 底盖 WCB 阀座 2Cr13 阀瓣 2Cr13 阀杆 2Cr13 缸套 2Cr13/25(镀硬铬) 活塞 2Cr13 O型圈 丁腈橡胶 密封圈 丁腈橡胶 膜片 夹织物丁腈橡胶 调节弹簧 60Si2Mn 五、Y42X水用减压阀流量系数(Cv):
DN 15 20 25 32 40 50 65 80 100 125 150 200 250 300 350 400 500 Cv 1 2.5 4 6.5 9 16 25 36 64 100 140 250 400 570 780 1020 1500 公称通径DN 外 形 尺 寸 L H Hl 15 160 225 90 20 160 265 98 25 180 265 110 32 200 265 110 40 220 320 125 50 250 320 125 65 280 325 130 80 310 385 160 100 350 385 170 125 400 430 200 150 450 430 210 200 500 560 240 250 650 690 290 300 800 800 335 350 850 880 375 400 900 980 405 450 900 1100 455 500 950 1130 465 三、Y42F煤矿井下消防洒水减压阀技术生产要求
1、一般要求
1)阀门制作的图样及设计文件应符合国家有关标准的规定,并经规定程序予以审核、批准。
2)公称通径按GB/T1047-2005《管道元件 DN(公称尺寸)的定义和选用》优先选用。
3)公称压力系列按GB/T1048-2005《管道元件 PN(公称压力)的定义和选用》优先选用,公称压力PN后面的数字单位为(bar)。
4)压力-温度等级
阀门的压力-温度等级符合GB/T9124-2000 《钢制管法兰技术条件》
使用规定的压力为6.4mpa,阀体理应承受负荷的2倍压力保持20分钟,温度应达到甲方使用标准-5℃~425℃
5)法兰的结构形式及尺寸符合GB/T9113-2000 《整体钢制管法兰》的规定。
6)机械加工件应符合YB/T036.17《冶金设备制造通用技术条件 机械加工件》的规定。
7)热处理件应符合YB/T036.16《冶金设备制造通用技术条件 热处理件》的规定;
2、材质
阀体材质选用WCB高碳钢且化学成份、力学性能应符合YB/T036.3、GB/T700、GB/T699、GB/T3077标准的规定。主要零部件材料应根据使用温度、工作压力、介质等因素选用。使用温度在-5℃~425℃时,阀内各部件应选用耐热钢。阀杆材质采用不锈钢2Cr13;螺栓采用高强度螺栓(10.9级),且硬度与强度均大于阀杆;阀杆衬套材质为青铜套,其硬度与强度均应不大于阀杆,且在水浸泡状况下与阀杆、阀体不形成电化学腐蚀。
3、阀体铸造要求
1)阀体内外腔表面要求光滑平整、披缝飞边清理干净。
2)要求无粘砂、无夹渣、无裂纹缺陷。
3)要求无明显气孔、砂眼、少肉等其它缺陷。
4)铸造尺寸公差按照±1/2IT12级执行。
5)铸造材料、造型方法、铸造条件等符合JB/ZQ4000.5《铸件通用技术要求》的规定。
4、密封面
1)阀座密封面堆焊合金钢,用“H”表示。
2)堆焊的密封面,加工后其堆焊层厚度应不小于2mm,堆焊后应充分消除应力。
3)阀座、阀瓣&阀球密封面须经研磨,平面度误差不低于GB/T1184-1996标准5级精度的规定,表面粗糙度应不大于Ra0.8μm。
4)阀体两法兰端面应相互平行并与管道轴线垂直,其平行度和垂直度误差按GB/T1184-1996标准K级精度的规定。
5、轴端支撑及密封:
根据使用温度,轴承座应满足使用要求,并采用抗磨油性石墨密封填料。
6、尺寸要求
1)法兰的尺寸公差包括法兰厚度和法兰外径、密封面直径、螺栓孔中心圆直径、相邻两螺栓孔的弦距、任意两螺栓孔的弦距、螺栓孔直径、螺栓孔中心圆与加工密封面的同轴度公差等执行GB/T9124-2000 《钢制管法兰技术条件》的规定。
2)阀门的结构长度公差按GB/T12221-2005 《法兰连接金属阀门结构长度》的规定执行和JB2205减压阀结构长度的规定。
7、强度及安全性要求
1)阀座、阀瓣/阀球、轴及其它部件采用的材料必须满足相应工作温度强度和刚度的要求。
2)阀体应能承受介质***大压力的2倍的负荷、阀瓣/阀球应能承受1.5倍的负荷而不产生变形。

五、检验与试验
4、性能试验
1、 强度试验: 参照GB/T13927 通用阀门 压力试验进行。
a.试验前,不允许对阀门涂漆或使用其它防止渗漏的涂层,对已涂过漆的乙方库存阀门,甲方要求重做试验时,则不需除去涂层、费用由乙方承担
b.试验步骤:
阀体圆法兰两端上盲板,加密封垫,压紧填料压盖,以便保持试验压力。阀瓣&阀球处于部分开启状态。给体腔充满试验介质,逐渐加大到试验压力,然后对壳体进行检查。要求壳体承压壁及阀体各连接处不得有可见渗漏,阀体不应有结构损伤。
如无特殊规定,在壳体试验压力下,允许填料处渗漏,但当试验压力降到密封试验压力时,应无可见渗漏。
c. 试验压力为20℃时***大允许工作压力的1.5倍。
2)密封试验:
以设计给定的方式关闭阀门,封闭阀门高压侧,引入介质(水)并逐渐加压到试验压力,试验压力为阀门公称压力的1.1倍(或按甲方给定的密封压力试验)。如果甲方有特别要求,将在订货合同中另行规定。
4)压力试验及密封试验***短持续时间为10分钟。
六、检验要求:
1、每台产品必须由乙方质检部门按本协议和相关技术文件规定逐项检查,合格后方可出厂。
2、如甲方对产品有特殊要求时,检验与试验按其它约定并参照本协议进行。
七、包装要求
1、包装
1) 阀门两侧应设或轻质堵板固封。
2) 中、小口径阀门应以草绳捆扎,并以木板箱盛装。
3) 大口径阀门采用简易木条框架固体包装,按YB/T036.21-92 《冶金设备制造通用技术条件包装》标准执行。
八、Y42F煤矿井下消防洒水减压阀安装与使用
1、阀门与管道相联时,管道两端法兰要平行、同心,不得强力联接。
2、阀门要垂直安装。阀门具有方向性,不得反装。
减压阀连接示意图
九、Y42F煤矿井下消防洒水减压阀交货时应提交的技术资料
1、产品合格证、阀门校验报告及出厂合格证。
2、使用说明书1份,包含以下相关数据:阀门规格;型号;工作压力;制造标准;阀体材质;阀杆材质;密封材质;阀轴填料材质;阀杆轴套材质;操作启动方向;制造厂厂名;出厂日期;出厂编号;连接法兰盘的孔径、孔数、中心孔距;以图示方式标明整体长、宽、高的控制尺寸;阀门出厂检测的相关数据及安装、维护的注意事项等。减压阀的工作原理及选用 一、减压阀的工作原理 减压阀的工作由阀后压力进行控制。当压力感应器检测到[wiki]阀门[/wiki]压力指示升高时,减压阀阀门开度减小;当检测到减压阀后压力减小,减压阀阀门开度增 大,以满足控制要求。 蒸汽减压阀——该阀门的减压比必须在一定程度上高于系统值; 即使在***大或者***小流量时它也应该能够对正作用或者反作用控制信号做出响应。这些阀门应该针对有用控制范围选择,即***大流量的20[wiki]%[/wiki]到80%。正常为等比型或者具有等比特性。这些类型的阀门本身具有比例控制所要求的流量特性及流量范围。 减压阀的种类很多,常见的有:先导活塞式减压阀、薄膜式减压阀、[wiki]波纹管[/wiki]式减压阀、比例式减压阀、自力式减压阀、直接作用活塞式减压阀、背压调 节阀等等。它们分别适用于不同的工作介质。 不同的形式有不同的具体工作原理。但总的原理还是:减压阀是通过启闭件的节流,将进口压力减至某一需要的出口压力,并使出口压力保持稳定。但一般减压阀都要 求进出口压差必须≥0.2Mpa。(1)调压范围:它是指减压阀输出压力P2的可调范围,在此范围内要求达到规定的精度。调压范围主要与调压弹簧的刚度有关。 (2)压力特性:它是指流量g为定值时,因输入压力波动而引起输出压力波动的特性。输出压力波动越小,减压阀的特性越好。输出压力必须低于输入压力—定值才基本上不随输入压力变化而变化。 (3)流量特性:它是指输入压力—定时,输出压力随输出流量g的变化而变化的持性。当流量g发生变化时,输出压力的变化越小越好。一般输出压力越低,它随输出流量的变化波动就越小。 它可将阀前管路较高的液体压力减少至阀后管路所需的水平。这里的传输介质主要是水。减压阀广泛用于高层建筑、城市给水管网水压过高的区域、矿井及其他场合,以保证给水系统中各用水点获得适当的服务水压和流量。鉴于水的漏失率和浪费程度几乎同给水系统的水压大小成正比,因此减压阀具有改善系统运行工况和潜在节水作用,据统计其节水效果约为30%。 减压阀的构造类型很多,以往常见的有薄膜式、内弹簧活塞式等。减压阀的基本作用原理是靠阀内流道对水流的局部阻力降低水压。 JB/T2203-1999《减压阀结构长度》为主的通用类。目前国内大多数减压阀生产厂家均按本标准设计生产,但本标准也不尽完美,规格不全。气体减压阀***大公称通径为DN500,水用减压阀***大公称通径DN1000。根据厂家所生产的减压阀规格及掌握的资料来看,各厂家连接尺寸也不尽统一,建议通用机械研究所对JB/T2203-1999《减压阀结构长度》进行修订。建议设计院及用户按标准选用,减压阀生产厂家按标准设计制造。 调压步骤 1、关闭减压阀前的闸阀,开启减压阀后的闸阀,制造下游低压环境; 2、将调节螺钉 减压阀 减压阀 按逆时针旋转至***上位置(相对***低出口压力),然后关闭减压阀后闸阀; 3、慢慢开启减压阀前的闸阀至全开; 4、顺时针慢慢旋转调节螺钉,将出口压力调至所需要的压力(以阀后表压为准);调整好后,将锁紧 螺母锁紧,打开减压阀后闸阀; 5、如在调整时出口压力高于设定压力,须从*步开始重新调整,即只能从低压向高压调。 主要作用 减压阀的作用原理是靠阀内流道对水流的局部阻力降低水压,水压降的范围由连接阀瓣的薄膜或活塞两侧的进出口水压差自动调节。定比减压原理是利用阀体中浮动活塞的水压比控制,进出口端减压比与进出口侧活塞面积比成反比。这种减压阀工作平稳无振动;阀体内无弹簧,故无弹簧锈蚀、金属疲劳失效之虑;密封性能良好不渗漏,因而既减动压(水流动时)又减静压(流量为0时);特别是在减压的同时不影响水流量。 水流通过减压阀虽有很大的水头损失,但由于减少了水的浪费并使系统流量分布合理、改善了系统布局与工况,因此总体上讲仍是节能的。介质为蒸汽的场合,宜选用先导活塞式减压阀或先导波纹管式减压阀。为了操作、调整和维修的方便,减压阀一般应安装在水平管道上。

十、供货周期
1、所有阀门设备必须按合同约定交货时间运至甲方指定现场。
2、如因甲方原因,发货时间等待甲方书面传真正式通知。
十一、设备的安装,调试、验收
1、在完成供货设备的安装调试后,甲方在现场进行性能考核、验收工作,供方承认其验收结果。设备的验收在安装调试工作全部完成正式投运10天后进行。
2、设备验收依据:以商务合同和本技术协议为验收依据;由甲方在现场按甲方的验收程序对设备按照商务合同和技术协议进行详细全面的验收工作,并详细记录各参数的全部验收结果;质量要求和性能参数符合“商务合同”和“技术协议”要求时,视设备验收合格;如果检验结果不符合要求,属于乙方责任的乙方必须采取措施进行处理直至达到要求。
3、在所订设备按照甲方验收程序要求验收合格后2周内,甲方向乙方出具贰份经甲方签字盖章的验收报告。

订货须知:
一、①产品名称与型号②口径③是否带附件以便我们的为您正确选型④的使用压力⑤的使用介质的温度。
二、若已经由设计单位选定公司的型号,请按型号直接向我司销售部订购。三、当使用的场合非常重要或环境比较复杂时,请您尽量提供设计图纸和详细参数,由我们的阀门公司专家为您审核把关。如有疑问:请:我们一定会尽心尽力为您提供优质的服务。提供全面、*的“阀门系统解决方案",也十分愿意帮助用户解决生产中所遇到的难题。
-
联系方式
- 联系人:申弘阀门
- 电 话:021-59260058
- 手 机:15901754341
- 传 真:86-021-31662735
- 邮 箱:494522509@qq.com
- 邮 编:201718
- 地 址:上海市青浦区金泽工业园区
- 网 址: https://bengye.cn.goepe.com/
http://www.021-fm.com
-
产品搜索






