-
ZSY自力式减压阀组申弘
详细信息| 询价留言ZSY自力式减压阀组 产品说明
本实用新型的带来的有益效果是,解决现有技术所存在的自力式减压阀组需要管道吹扫时由于减压阀的自动减压作用,使管道吹扫压力下降,影响吹扫效果的技术问题, 提供一种结构简单、使用方便,可以使得在吹扫时关闭截止阀,则减压阀不会工作,管道正常吹扫,且执行机构膜片更换方便的自力式压力调节阀。减压阀组关键是总长L的确定,至于自力式阀门的尺寸见ZZY型自力式压力调节阀。不是孤零零安装在管道上,而是配合其他阀门或管道联合安装在系统中,通常有单路减压和双路减压两种,用户可以根据需要订购能减动压和静压,并将阀前介质传递至阀后,且阀后压力在一定范围内可以自由调节的阀门。以控制蒸汽为例,控制其它介质总长类同,当然,尺寸L用户也可根据需要定。
ZSY自力式减压阀组六大优势
随着国内阀门行业的快速发展,生产各类阀门产品商家的产业需求也是一路走高,自力式减压阀组属于阀门系列产品中的一种,从当前阀门应用趋势来看,全球阀门行业产业转移的趋势日渐明显,中国作为制造业大国和新兴市场,制造业发展具有很高的成本优势,已经发展成为全球阀门行业*重要的生产基地之一。
而调压阀组有着自身的优势,在各行各业中使用调压阀组在对管道中的压力有着极好的调节作用,可以在设置成稳压还可以用来减压增压,正是由于这些特点。调压阀组的实用性也越来越受到人们的关注,相信在以后的工作生产当中所有的占比将会逐渐增加!以一台(单路)或二台(双路)自力式压力调节阀为主体,配以安全阀、手动球阀、过滤器、旁路手动阀、压力表等组成一套完善的调压系统。
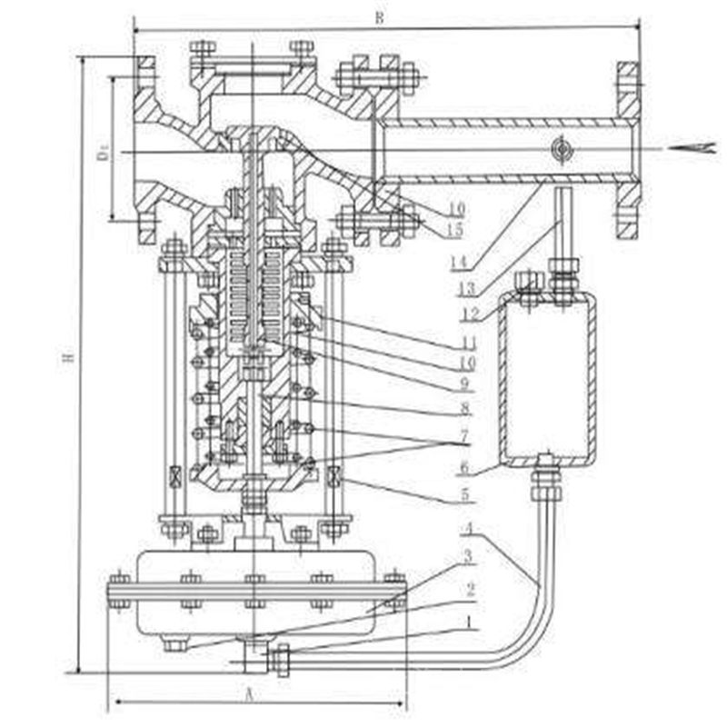
自力式阀后压力调节的工作原理:总有阀后、阀前控制两种,阀前压力P1经过阀芯、阀座的节流后,变为阀后压力P2。P2经过管线输入上膜室内作用在顶盘上,产生的作用力与弹簧的反作用力相平衡,决定了阀芯、阀座的相对位置,控制阀后压力。当P2增加时,P2作用在顶盘上的作用力也随之增加。此时,顶盘上的作用力大于弹簧的反作用力,使阀芯关向阀座的位置。这时,阀芯与阀座之间的流通面积减少,流阻变大,P2降低,直到顶盘上的作用力与弹簧反作用力相平衡为止,从而使P2降为设定值。同理,当P2降低时。作用方向与上述相反,这就是阀后压力调节的工作原理。 关于自力式压力调节阀的应用也非常的广泛,突出方面在黏度较高的介质中的应用。
二、ZSY自力式减压阀组设计特点
1、精选优质不锈钢管件制造。
2、进气和出气为法兰密封形式。
3、调节输出压力平稳顺畅,安全可靠。
4、管道整体焊接成型,并经除尘和脱脂处理。
5、与低温液体储罐及气化器配套使用。
6、可安装在室外或露天场地。
三、ZSY自力式减压阀组标准技术参数
1、型号:ZSY自力式减压阀组
2、调压阀:双减压器或单减压器
3、*高输入压力:3.0MPa
4、额定输出压力:0.1-0.8MPa
5、使用介质:氧、氮、氩、二氧化碳
6、进口连接尺寸:GB9115 DN25法兰(SUS304)
7、出口连接尺寸:GB9115 DN25法兰(SUS304)
8、工作环境温度:-20-60℃
9、压力表螺纹接口及精度:M20×1.5(2.5级)
10、管材尺寸及材质:Ø32×3.5(SUS304)
11、弯头三通尺寸及材质:Ø32(SUS304)
12、管径:DN25
13、主要密封材料:PTFE
14、外形尺寸:1270×360×450mm
ZSY自力式减压阀组主要零件材料
材料代号 C(WCB) P(304) R(316) 主要
零件阀体 WCB(ZG230-450) ZG1Cr18Ni9Ti(304) ZG1Cr18Ni12Mo2Ti(316) 阀芯、阀座 1Cr18Ni9Ti(304) 1Cr18Ni9Ti(304) 1Cr18Ni12Mo2Ti(316) 阀杆 1Cr18Ni9Ti 1Cr18Ni9Ti 1Cr18Ni12Mo2Ti 膜片 丁睛橡胶、乙丙橡胶、氯丁胶、耐油橡胶 膜盖 A3、A4钢涂四氟乙烯 填料 聚四氟乙烯、柔性石墨 弹簧 60Si2Mn 导向套 HPb59-1 
三、ZSY自力式减压阀组主要技术参数公称通径DN(mm) 20 25 32 40 50 65 80 100 125 150 200 额定流量系数Kv 额定行程(mm) 8 10 14 20 25 40 50 允许压差(MPa) 2.5 2.0 1.6 1.0 公称压力(MPa) 1.6 4.0 6.4 流量特性 快开 压力调节范围(KPa) 15~50、40~80、60~100、80~140、120~180、160~220、200~260、240~300、
280~350、330~400、380~450、430~500、480~560、540~620、600~700、680~800 780~900、880~1000、600~1500、1000~2500调节精度(%) ±5 工作温度℃ 液体≤120;气体≤80;带冷凝器和散热片≤350(适用于高温工况) 适用介质 执水、气体、蒸汽、低粘度介质 允许泄漏量 硬密封(L/h) 单座≤10-4×阀额定容量(IV级);双座、套筒≤5×10-3阀额定容量(II级 软密封(ml/min) 0.15 0.30 0.45 0.60 0.90 1.7 4.0 6.75 减压比 *大 10 *小 1.25 四、ZSY自力式减压阀组外形连接尺寸
公称通径(DN) 20 25 32 40 50 65 80 100 125 150 200 L PN16、40 150 160 180 200 230 290 310 350 400 480 600 PN64 230 230 260 260 300 340 380 430 500 550 650 B 383 512 603 862 1023 1380 1800 H 压力
调节
范围
MPa15~140 475 520 540 710 780 840 880 915 130~300 455 500 520 690 760 800 870 880 280~500 450 490 510 680 750 790 860 870 480~1000 445 480 670 740 780 850 860 600~1500 445 570 600 820 890 950 1000 1000~2500 445 570 600 820 890 950 1000 A 压力
调节
范围
MPa15~140 φ280 φ308 130~300 φ230 280~1000 φ176 φ194 φ280 600~2500 φ85 φ96 导压管接口螺纹 M16×15 减压阀组关键是总长L的确定,至于自力式阀门的尺寸见ZZYP(M、N)篇
以控制蒸汽为例,控制其它介质总长类同,当然,尺寸L用户也可根据需要定DN L PN16/25/20/40 PN50/60/100/110 20/G3/4″ 1433 1673 25 1463 1673 32 1652 1812 40 1862 2042 50 2043 2253 65 2582 2732 80 2642 2852 100 3073 3313 125 3580 3880 150 3970 4180 200 4750 4900 250 5640 5775 300 6450 自力式减压阀组有进出口法兰、截止阀、压力调节阀、安全阀、压力表、过滤器、排空阀等,适用于氧气、氩气、氮气、二氧化碳、天然气等气体的压力调节,主要特点如下:

1.阀门两端口橡胶密封面突出球墨铸铁法兰面,阀门在管道安装时无需额外的橡胶密封垫片.
2.采用衬胶结构,阀板圆周形密封面精密加工至较高的光洁度,对橡胶阀座的摩擦系数极低,阀门使用寿命较长;
3.阀门的操作机构选用灵活,外观精美耐腐蚀性好。
4.设计合理,有固定支架,安全、方便、可靠,结构紧凑,安装拆卸简单,便于维修;
5.阀板密封面流态特性呈线性状态,具有较小的流阻系数,阀组流阻小。
目前上海申弘阀门一直在减压阀组的研究之中,在提升阀组对压力的控制效果提升显著
ZSY自力式减压阀组安装时,应注意以下几点:
(1)阀在气体或低粘度液体介质中使用时,通常ZZY型自力式压力调节阀为直立安装在水平管上,当位置空间不允许时才倒装或斜装。
(2)阀在蒸汽或高粘度液体介质中使用时,通常ZZY型自力式压力调节阀为倒立安装在水平管上,冷凝器(蒸汽用自力式)应高于调压阀的执行机构而低于阀前后接管。使用前冷凝器应灌满冷水,以后约3个月灌水一次。
(3)取压点应取在调压阀适当位置,阀前调压应大于2倍管道直径,阀后调压应大于6倍管道直径。
(4)为便于现场维修及操作,调压阀四周应留有适当空间。
(5)当介质为洁净气体或液体时,阀前过滤器可不安装。
(6)调压阀通径过大(DN≥100时),应有固定支架。
(7)当确认介质很洁净时,件3可不安装。
(8)位置实在不允许时,傍通阀(手动)可以省略(我们不*)。
(9)阀组后根据需要用户可选配止回阀、安全阀等。
(10)自力式阀根据计算通径可以小于管道直径,而截止阀、切断球阀、傍通阀、过滤器则不能小于管道直径。

订货须知:
一、①产品名称与型号②口径③是否带附件以便我们的为您正确选型④的使用压力⑤的使用介质的温度。
二、若已经由设计单位选定公司的型号,请按型号直接向我司销售部订购。三、当使用的场合非常重要或环境比较复杂时,请您尽量提供设计图纸和详细参数,由我们的阀门公司专家为您审核把关。如有疑问:请:我们一定会尽心尽力为您提供优质的服务。提供全面、*的“阀门系统解决方案",也十分愿意帮助用户解决生产中所遇到的难题。
-
联系方式
- 联系人:申弘阀门
- 电 话:021-59260058
- 手 机:15901754341
- 传 真:86-021-31662735
- 邮 箱:494522509@qq.com
- 邮 编:201718
- 地 址:上海市青浦区金泽工业园区
- 网 址: https://bengye.cn.goepe.com/
http://www.021-fm.com
-
产品搜索










