-
申弘智能开关型电动对夹式衬胶蝶阀D971X
详细信息| 询价留言D971X电动软密封蝶阀 电动法兰式软密封蝶阀 电动蝶阀 气动对夹式软密封蝶阀 气动法兰式软密封蝶阀
一、D971X智能开关型电动对夹式衬胶蝶阀概述
电动软密封蝶阀的主要部件材质选用:阀体材质:铸铁、球铁、不锈钢、铜合金、铝合金;蝶板材质:球铁、不锈钢、耐蚀钢、钛钢、铜合金;阀座:丁、乙丙、氯丁、海泊伦、聚四氟乙烯、天然橡胶等。电动软密封蝶阀采用了多种零件材质配对,由双偏心对夹蝶阀与精小型电动执行器组成,其结构紧凑,90°回转开关轻松,密封可靠,电动软密封蝶阀使用寿命长,被广泛用于水厂、电厂、钢厂、造纸、化工、饮食等系统供排水中,作为调节和截止使用。

D971X电动对夹式软密封蝶阀特点
1、本阀采用双偏心结构,具有越关越紧的密封功能,密封性能可靠。
2、密封副材料选用不锈钢和丁耐油橡胶配对,使用寿命长。
3、橡胶密封圈即可位于阀体上,也可以位于蝶板上,可适用不同特点的介质,供用户选择。
4、蝶板采用框架结构,强度高,过流面积大,流阻小。
5、整体烤漆、能有效地防止锈蚀且只要更换密封阀座密封材料,就可使用于不同介质。
6、本阀具有双向密封功能,安装时不受介质流向的控制,也不受空间位置的影响,可在任何方向安装。
7、本阀结构独特,操作灵活,省力,方便。D971X智能开关型电动对夹式衬胶蝶阀工作原理
电动软密封蝶阀的蝶板安装于管道的直径方向。在蝶阀阀体圆柱形通道内,圆盘形蝶板绕着轴线旋转,旋转角度为0°~90°之间,旋转到90°时,阀门则牌全开状态。电动软密封蝶阀结构简单、体积小、重量轻,只由少数几个零件组成。而且只需旋转90°即可快速启闭,操作简单,同时该电动阀门具有良好的流体控制特性。蝶阀处于完全开启位置时,蝶板厚度是介质流经阀体时唯一的阻力,因此通过该阀门所产生的压力降很小,故具有较好的流量控制特性。蝶阀有弹密封和金属的密封两种密封型式。弹性密封阀门,密封圈可以镶嵌在阀体上或附在蝶板周边。如果要求蝶阀作为流量控制使用,主要的是正确选择阀门的尺寸和类型。蝶阀的结构原理尤其适合制作大口径阀门。蝶阀不仅在石油、煤气、化工、水处理等一般工业上得到广泛应用,而且还应用于热电站的冷却水系统。同类产品还有气动软密封蝶阀,手动软密封蝶阀。
D971X智能开关型电动对夹式衬胶蝶阀执行机构
电动软密封蝶阀操作力矩小,是所有阀类中操作力矩*小的一种,是自动化控制系统中仪表的执行单元,以AC220V、AC380V或DC24V电源电压作动力,接受来自(DCS、PLC)系统或调节仪表、操作器等输入的(4-20mA、0-10mA或1-5VDC)电流信号或电压信号,即可控制运转。以角行程输出的扭矩转动阀轴0~90°,就能完成启闭动作或调节动作。全电子式电动执行机构,采用机电一体化结构,具有机内伺服操作和开度信号位置反馈、位置指示、手动操作等功能,功能强、性能可靠、连线简单、控制精确、体积小、重量轻、流阻小、流量系数大,结构简单、密封性能好。调节范围大,通过输入电流信号或电压信号,将此转变成与输入信号相对应的位移,改变阀板的旋转角度(0-90°任意角度),因此一定的输入信号对应一定的转角,实现比例动作,故有较好的调节控制流量等参数。

D971X电动对夹式软密封蝶阀产品结构
产品名称电动蝶阀
作用形式
开关型 调节型
连接形式
法兰式 对夹式 管螺纹式
结构形式
三维偏芯型
中线型结构
二偏芯型
三维偏芯型
多层次结构
弹性座结构
阀座密封形式
软质密封、硬质合金密封
软质密封
软质密封、硬质合金密封
中线型结构,由阀体、内衬里层(聚四氟乙烯或橡胶)和(不锈钢阀板或镀铬钢阀板)、阀轴组成,其介质流线型的结构设计近似于直线,调节性能好,密封结构为居中心线型密封,密封性能可靠达到双向密封零泄漏,可以任意位置安装。D971X电动对夹式软密封蝶阀电动执行机构系列特点:
1.功能强劲:智能型、调节型、开关式。
2.体积小巧:体积仅相当于同类产品的35%左右。
3.使用方便:采用单相电源,接线简单;采用独创的球型凸出结构,使观察更方便;免加油免点检、防水防锈、任意角度安装。
4.保护装置有双重限位、过热保护、过载保护。全行程时间15秒、30秒、45秒、60秒。及带手动功能。
5.智能数控:内置模块采用先进计算机单片及智能控制软件直接接收计算机或工业仪表等输出的标准信号(4-20mA DC /1-5VDC)实现阀门开度的智能控制和精确定位。也可选用3810系列或NA系列电子式角行程执行机构.亦可选用PSQ系列或DYR系列。

D971X智能开关型电动对夹式衬胶蝶阀主要零部件材料
零件名称 材料 阀体 HT250 WCB SUS304 蝶板 球墨铸铁镀镍磷 不锈钢304、316 阀轴 2Cr13 SUS304 密封圈 NBR、EPDM、VITON、PTFE D971X智能开关型电动对夹式衬胶蝶阀 执行标准
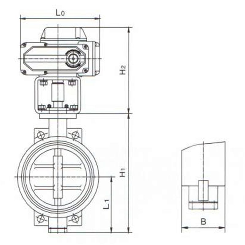
制造标准 GB/T 122387-89 法兰标准 GB9113-2000、GB17241.6-1998 结构长度标准 GB12221-89 检验标准 GB/T 13927-92 五、D971X智能开关型电动对夹式衬胶蝶阀 主要外形连接尺寸
DN L H H1 A B ФD 0.6MPa 1.0MPa 1.6MPa 50 43 77 443 125 125 88 99 99 65 46 85 463 125 125 108 118 118 80 46 95 483 125 125 124 132 132 100 52 105 498 125 125 144 156 156 125 56 129 682 325 245 174 184 184 150 56 132 736 325 245 199 211 211 200 60 165 800 325 245 254 266 266 250 68 197 895 363 313 309 319 319 300 78 234 956 363 313 363 370 370 350 78 283 1029 363 313 413 429 429 400 102 325 1103 363 313 463 480 480 450 114 369 1186 465 469 518 530 548 500 127 404 1280 546 431 568 582 609 600 154 470 1321 546 556 667 682 720 700 165 503 1431 546 556 772 794 794 800 190 571 1542 546 556 878 901 901 900 203 621 1800 617 706 978 1001 1001 1000 216 702 2363 632 706 1078 1112 1112 1200 254 818 2583 632 706 1295 1328 1328 蝶阀安装方法:
1、法兰蝶阀安装前检查气动蝶阀各部分部件无缺失,型号无误,检查阀体内无杂物,电磁阀和消音器内无阻塞。
2、将阀门和汽缸均置于关闭状态。
3、将汽缸撞到阀门上,(安装方向与阀体平行或垂直都可以),再看螺丝孔是否对正,不会有太大偏差,如有少许偏差,将气缸体转动一点就可以了,然后将螺丝紧固。
4、安装完毕后,对气动蝶阀进行调试(正常情况下供气压力为0.4~0.6MPa),调试运行时须手动操作电磁阀启闭(将电磁阀线圈失电后手动操作方可有效),观察气动蝶阀的启闭情况。如果在调试运行过程中发现阀门在启闭过程初始时有些吃力,之后正常,则需要将气缸行程调小(把气缸两端行程调节螺丝同时往里调一点,调整时需将阀门运行到开位置,然后将气源关掉再调),直至阀门启闭动作顺滑且关闭无泄漏。还需要注意的是,可调型消音器可以调节阀门的启闭速度,但不可调得过小,否则可能引起阀门不动作。
5、得发在安装前应保持干燥,不可露天存放。
6、安装蝶阀前要检查管道,确保管道内无焊渣等异物。
7、蝶阀阀体手动启闭阻力适中,蝶阀扭矩与所选执行器扭矩匹配。
8、蝶阀连接用法兰规格正确,管道对夹法兰与蝶阀法兰标准相符。建议使用蝶阀专用法兰,不得使用平焊法兰。
9、确认法兰焊接无误,蝶阀安装完毕后不得再焊接法兰,以免烫伤橡胶件。
10、装好的管道法兰要进行对中,并与放入的蝶阀进行对中。
11、装上所有的法兰螺栓,并用手拧紧,将确认蝶阀与法兰已然对中,然后小心的启闭蝶阀,确保启闭灵活。
12、将阀门完全开启,用扳手按照对角线次序将螺栓拧紧,无需垫圈,切勿将螺栓拧的过紧,以防造成阀圈的严重变形,启闭扭矩过大。

订货须知:
一、产品名称与型号口径是否带附件以便我们的为您正确选型使用压力使用介质的温度。
二、若已经由设计单位选定公司的放料阀型号,请型号直接向我司销售部订购。
三、当使用的场合非常重要或环境比较复杂时,请您尽量提供设计图纸和详细参数,由我们的阀门公司专家为您审核把关。如有疑问:请:我们一定会尽心尽力为您提供优质的服务。 -
联系方式
- 联系人:申弘阀门
- 电 话:021-59260058
- 手 机:15901754341
- 传 真:86-021-31662735
- 邮 箱:494522509@qq.com
- 邮 编:201718
- 地 址:上海市青浦区金泽工业园区
- 网 址: https://bengye.cn.goepe.com/
http://www.021-fm.com
-
产品搜索






