-
申弘电动对夹式三偏心硬密封蝶阀D973H
详细信息| 询价留言电动对夹式硬密封蝶阀 电动法兰式硬密封蝶阀 电动硬密封蝶阀 气动对夹式硬密封蝶阀
D973H电动对夹式三偏心硬密封蝶阀 产品概述
电动蝶阀是一种(阀板)绕垂直于通道的固定轴旋转的阀门,其由回转型角行程电子式电动执行器和蝶形阀组成,属旋转高性能型调节或开关阀类,接受工业自动化控制仪表来源的电流信号或电压信号的输入,可实现对工艺管路中流体介质的比例调节或二位开关控制,从而达到对流体介质的流量、压力、温度、液位等参数的自动化控制。广泛适用于气体、液体、混浊液体、浓浆液或灰粉、悬浮颗粒类等介质。电动蝶阀操作力矩小,上海申弘阀门有限公司主营阀门有:减压阀(组合式减压阀,可调式减压阀,自力式减压阀是所有阀类中操作力矩*小的一种,是自动化控制系统中仪表的执行单元,以AC220V、AC380V或DC24V电源电压作动力,接受来自(DCS、PLC)系统或调节仪表、操作器等输入的(4-20mA、0-10mA或1-5VDC)电流信号或电压信号,即可控制运转。以角行程输出的扭矩转动阀轴0~90º,就能完成启闭动作或调节动作。全电子式电动执行机构,采用机电一体化结构,具有机内伺服操作和开度信号位置反馈、位置指示、手动操作等功能,功能强、性能可靠、连线简单、控制精确、体积小、重量轻、流阻小、流量系数大,结构简单、密封性能好。调节范围大,通过输入电流信号或电压信号,将此转变成与输入信号相对应的位移,改变阀板的旋转角度(0-90º任意角度),因此一定的输入信号对应一定的转角,实现比例动作,故有较好的调节控制流量等参数。
D973H电动对夹式三偏心硬密封蝶阀 特点
1、本阀采用三偏心密封结构,阀座与蝶板几乎无磨损,具有越观越紧的密封功能。
2、密封圈选用不锈钢制作,具有金属硬密封和弹性密封的双重优点,无论在低温和高温的情况下,均具有优良的密封性能,具有耐腐蚀,使用寿命长等特点。
3、碟板密封面采用堆焊钴基硬质合金,密封面耐磨损,使用寿命长.
4、大规格蝶板采用绗架结构,强度高,过流面积大,流阻小。
5、本阀具有双向密封功能,安装时不受介质流向的限制,也不受空间位置的影响,可在任何方向安装。
6、驱动装置可以多工位(旋转90°或180°)安装,便于用户使用。
D973H电动对夹式三偏心硬密封蝶阀执行机构
1.功能强劲:智能型、调节型、开关式。
2.体积小巧:体积仅相当于同类产品的35%左右。
3.使用方便:采用单相电源,接线简单;采用独创的球型凸出结构,使观察更方便;免加油免点检、防水防锈、任意角度安装。
4.保护装置有双重限位、过热保护、过载保护。全行程时间15秒、30秒、45秒、60秒。及带手动功能。
5.智能数控:内置模块采用先进计算机单片及智能控制软件直接接收计算机或工业仪表等输出的标准信号(4-20mA DC /1-5VDC)实现阀门开度的智能控制和精确定位。
也可选用3810系列或NA系列电子式角行程执行机构.亦可选用PSQ系列或DYR系列。≥DN 200口径阀门一般采用380VAC电动执行器。国内品牌如瑞基,澳托克,扬州电力,天二通,兰陵等;国外品牌有英国罗托克、法国伯纳德、德国瓯玛、德国西博思(西门子)等电动蝶阀操作力矩小,是所有阀类中操作力矩*小的一种,是自动化控制系统中仪表的执行单元,以AC220V、AC380V或DC24V电源电压作动力,接受来自(DCS、PLC)系统或调节仪表、操作器等输入的(4-20mA、0-10mA或1-5VDC)电流信号或电压信号,即可控制运转。以角行程输出的扭矩转动阀轴0~90º,就能完成启闭动作或调节动作。全电子式电动执行机构,采用机电一体化结构,具有机内伺服操作和开度信号位置反馈、位置指示、手动操作等功能,功能强、性能可靠、连线简单、控制精确、体积小、重量轻、流阻小、流量系数大,结构简单、密封性能好。调节范围大,通过输入电流信号或电压信号,将此转变成与输入信号相对应的位移,改变阀板的旋转角度(0-90º任意角度),因此一定的输入信号对应一定的转角,实现比例动作,故有较好的调节控制流量等参数。

2.采用HL型、3810R型、PSQ型角行程全电子式电动执行机构为O型球阀的驱动装置,机电一体化的结构设计,具有机内伺服操作和开度信号位置反馈、位置指示、手动操作等功能,功能强、性能可靠、连线简单,以AC220V或AC380V电源电压作动力,直接接受统一标准信号(4-20mA DC、0-10mA DC或1-5V DC、0-10V DC),将此转变成与输入信号相对应的位移,以角度位移(0~90º)运动,改变球芯的旋转开度,因此一定的输入信号对应一定的位置开度,实现比例调节动作。(二位开关式接受AC220V或AC380V电源电压作动力,通过电机正反转实现开关动作,并同时输出开关阀位指示信号)。是一种高精度、高性能、高可靠性类产品。电动对夹式金属硬密封蝶阀采用三偏心结构,阀座与碟板密封面均采用不同硬度和不锈钢制作,具有良好的耐腐蚀性,使用寿命长,本阀均有双向密封功能,产品符合国家GB/T13927-92阀门压力试验标准。 电动对夹式金属硬密封蝶阀采用精密的J形弹性密封圈和三偏心多层次金属硬密封结构,被广泛用于介质温度≤425℃的治金 、电力、石油化工、以及给排水和市政建设等工业管道上,作调节流量和载断流体使用。该阀采用三偏心结构,阀座与碟板密封面均采用不同硬度和不锈钢制作,具有良好的耐腐蚀性,使用寿命长,电动硬密封蝶阀均有双向密封功能,产品符合国家GB/T13927-92阀门压力试验标准。

D973H电动对夹式三偏心硬密封蝶阀电动执行器
电动执行机构技术参数
阀 体 参 数
电源
AC110、220、380V/DC24、220V
公称通径
DN50~400mm
输出力矩
50N·M~2000N·M
公称压力
PN1.6、2.5MPa
任选功能
开关型、触点型、开度信号、智能型
阀轴材质
碳素钢、304/316/316L不锈钢
动作范围
0~90°±5°
阀体材质
碳素钢、合金钢、不锈钢
动作时间
15秒/30秒/60秒
阀板材质
碳素钢、合金钢、不锈钢
环境温度
-30°~60°
阀座密封
不锈钢
手动操作
附带手柄操作
结构形式
三维偏心
限 位
电气、机械二重限位
温度
≤425℃
防护等级
IP-67(防爆外壳:Exd Ⅱ BT4 IP67可选)
适用介质
水、空气、天然气、油品及弱腐蚀性流体
输入信号
0-10,1-5VDC/4-20mA(智能型)
特点
零泄漏、使用寿命长、便于安装、耐高温
D973H电动对夹式三偏心硬密封蝶阀主要性能规范
公称通径DN(mm) 50-1200 公称压力PN(MPa) 1.0 1.6 公称压力PS(MPa) 强度试验 1.5 2.4 密封试验 1.1 1.76 材料\材料代号 C P R 主要零件 阀体 WCB ZG1Cr18 Ni9Ti ZG0Cr18 Ni12Mo2Ti 蝶板 WCB ZG1Cr18 Ni9Ti ZG0Cr18 Ni12Mo2Ti 阀杆 2Cr13 1Cr18 Ni9Ti 0Cr18 Ni12Mo2Ti 密封圈 四氟 不锈钢 填料 四氟 柔性石墨 适用工况 适用介质 水、蒸汽、油品 硝酸类 醋酸类 适用温度 -40℃~200℃(超该温度范围;订货时请注明) 公称通经(DN)
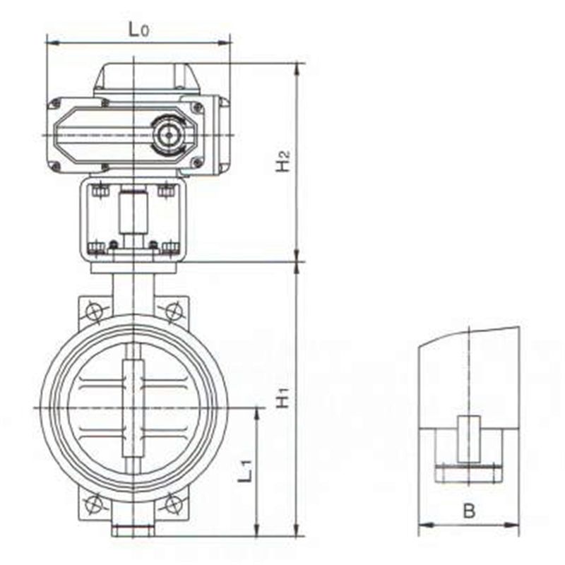
主要尺寸
法兰尺寸和螺栓规格
1.0MPa
1.6MPa
2.5MPa
L
H1
H
D
D1
n-Фd
D
D1
n-Фd
D
D1
n-Фd
50
108
530
112
165
125
4-18
165
125
4-18
165
125
4-18
65
112
530
115
185
145
4-18
185
145
4-18
185
145
8-18
80
114
565
120
200
160
4-18
200
160
8-18
200
160
8-18
100
127
600
138
220
180
8-18
220
180
8-18
235
190
8-22
125
140
640
164
250
210
8-18
250
210
8-18
270
220
8-26
150
140
705
175
285
240
8-22
285
240
8-22
300
250
8-26
200
152
775
200
340
295
8-22
340
295
12-22
360
310
12-26
250
165
945
243
395
350
12-22
405
355
12-26
425
370
12-30
300
178
1070
250
445
400
12-22
460
410
12-26
485
430
16-30
350
190
1140
280
505
460
16-22
520
470
12-26
555
490
16-33
400
216
1210
305
565
515
16-26
580
525
16-26
620
550
16-36
450
222
1335
350
615
565
20-26
640
585
16-30
670
600
20-36
500
229
1415
380
670
620
20-26
715
650
20-30
730
660
20-36
600
267
1605
445
780
725
20-30
840
770
20-33
845
770
20-39
700
292
1844
480
895
840
24-30
910
840
24-36
960
875
24-42
800
318
2040
530
1015
950
24-33
1025
950
24-39
1085
990
24-48
900
330
2255
580
1115
1050
28-33
1125
1050
28-39
1185
1090
28-48
1000
410
2380
650
1230
1160
28-36
1255
1170
28-42
1320
1210
28-56
1200
470
2640
760
1455
1380
32-39
1485
1390
32-48
1530
1420
32-56
1400
530
2886
850
1675
1590
36-42
1685
1590
36-48
1755
1640
36-62
1600
600
3156
1030
1915
1820
40-48
1930
1820
40-56
1975
1860
40-62
1800
670
3421
1230
2115
2020
44-48
2130
2020
44-56
2195
2070
44-70
2000
760
3685
1350
2325
2230
48-48
2345
2230
48-62
2425
2300
48-70
D973H电动对夹式硬密封蝶阀 主要技术参数
公称通经DN(mm)
50~2000
公称药理PN(MPa)
0.6
1.0
1.6
2.5
密封试验(MPa)
0.66
1.1
1.76
2.75
强度试验(MPa)
0.9
1.5
2.4
3.75
适用温度
碳钢:-29℃~425℃不锈钢:-40℃~650℃
适用介质
水、空气、天然气、油品及弱腐蚀性流体
泄漏率
符合GB/T13927-92标准
驱动方式
蜗轮传动、电动、气动、液动
D973H电动对夹式硬密封蝶阀 主要零部件材料
零件名称
材料
阀体
WCB、合金钢、不锈钢、QT450-10
蝶板
WCB、合金钢、不锈钢、QT450-10
阀轴
2Cr13不锈钢、合金钢
密封圈
不锈钢圈
填料
柔性石墨
D973H电动对夹式三偏心硬密封蝶阀 采用标准
制造标准
JB/T8527-97
法兰标准
GB9113-2000
结构长度标准
GB12221-89
检验标准
GB/T13927-92
D973H电动对夹式硬密封蝶阀故障及排除方法
序号
故 障
原 因
排除方法
1
电机起不动
1. 电源线脱开
2. 控制线路故障
3. 行程或力矩控制机构失灵
1. 检查电源线
2. 排除线路故障
3. 排除行程或力矩控制机构故障
2
输出轴旋向不符合规定
电源相序接反
调换任意两电源线
3
电机过热
1. 连续工作时间太长
2. 一相线断开
1. 停止运行,使电机冷却
2. 检查电源线
4
运行中电机停转
1. 阀门有故障
2. 电动装置过载,力矩控制机构动作
1. 检查阀门
2. 增大整定转矩
5
阀门到位后电机不停转或灯不亮
1. 行程或力矩控制机构有故障
2. 行程控制机构调整不当
1. 检查行程或力矩控制机构
2. 重新调整行程控制机构
6
远方无阀位信号
1. 电位器齿轮紧定螺钉松动
2. 远传电位器故障
1. 拧紧电位器齿轮紧定螺钉
2. 检查更换电位器
蝶阀安装方法:
1、法兰蝶阀安装前检查气动蝶阀各部分部件无缺失,型号无误,检查阀体内无杂物,电磁阀和消音器内无阻塞。
2、将阀门和汽缸均置于关闭状态。
3、将汽缸撞到阀门上,(安装方向与阀体平行或垂直都可以),再看螺丝孔是否对正,不会有太大偏差,如有少许偏差,将气缸体转动一点就可以了,然后将螺丝紧固。
4、安装完毕后,对气动蝶阀进行调试(正常情况下供气压力为0.4~0.6MPa),调试运行时须手动操作电磁阀启闭(将电磁阀线圈失电后手动操作方可有效),观察气动蝶阀的启闭情况。如果在调试运行过程中发现阀门在启闭过程初始时有些吃力,之后正常,则需要将气缸行程调小(把气缸两端行程调节螺丝同时往里调一点,调整时需将阀门运行到开位置,然后将气源关掉再调),直至阀门启闭动作顺滑且关闭无泄漏。还需要注意的是,可调型消音器可以调节阀门的启闭速度,但不可调得过小,否则可能引起阀门不动作。
5、得发在安装前应保持干燥,不可露天存放。
6、安装蝶阀前要检查管道,确保管道内无焊渣等异物。
7、蝶阀阀体手动启闭阻力适中,蝶阀扭矩与所选执行器扭矩匹配。
8、蝶阀连接用法兰规格正确,管道对夹法兰与蝶阀法兰标准相符。建议使用蝶阀专用法兰,不得使用平焊法兰。
9、确认法兰焊接无误,蝶阀安装完毕后不得再焊接法兰,以免烫伤橡胶件。
10、装好的管道法兰要进行对中,并与放入的蝶阀进行对中。
11、装上所有的法兰螺栓,并用手拧紧,将确认蝶阀与法兰已然对中,然后小心的启闭蝶阀,确保启闭灵活。
12、将阀门完全开启,用扳手按照对角线次序将螺栓拧紧,无需垫圈,切勿将螺栓拧的过紧,以防造成阀圈的严重变形,启闭扭矩过大。

订货须知:
一、产品名称与型号口径是否带附件以便我们的为您正确选型使用压力使用介质的温度。
二、若已经由设计单位选定公司的放料阀型号,请型号直接向我司销售部订购。
三、当使用的场合非常重要或环境比较复杂时,请您尽量提供设计图纸和详细参数,由我们的阀门公司专家为您审核把关。如有疑问:请:我们一定会尽心尽力为您提供优质的服务。 -
联系方式
- 联系人:申弘阀门
- 电 话:021-59260058
- 手 机:15901754341
- 传 真:86-021-31662735
- 邮 箱:494522509@qq.com
- 邮 编:201718
- 地 址:上海市青浦区金泽工业园区
- 网 址: https://bengye.cn.goepe.com/
http://www.021-fm.com
-
产品搜索







