-
G41F耐腐蚀衬氟隔膜阀申弘
详细信息| 询价留言G41F耐腐蚀衬氟隔膜阀 产品说明
本发明针对现有技术中存在不足,公开了一种氟塑料全衬隔膜阀,包括阀体、阀盖、阀杆、隔膜片、隔膜垫、压块、手轮,隔膜片内置有螺栓,所述螺栓与隔膜片为一固定整体。进一步改进优选在螺栓上加工有通孔,通孔内溶有氟塑料并与隔膜片的氟塑料溶入一体。本发明的优点是密封性更可靠、使用寿命更长。说明耐腐蚀衬氟隔膜阀 本发明涉及一种阀门,特别是一种用于强腐蚀介质输送管道的隔膜阀。

本实用新型涉及一种衬氟隔膜阀,属于化工行业介质输送管道专用阀领域。衬氟隔膜阀其启闭件由钢制阀瓣与橡胶膜片及氟塑料隔膜组成,并将阀体内腔与阀盖内腔隔开,具有密封可靠、便于安装、维修、结构简单等特点;适用于小于180℃的各种浓度的王水、硫酸、盐酸、氢氟酸和各种有机酸、强酸、强氧化剂的介质。适用于石油、化工、电力、食品、药品、城市建设管路上使用。
本衬里隔膜阀结构为屋脊式,其启闭件由钢质阀瓣与橡胶衬垫及氟塑料隔膜组成,并将阀体内腔与阀盖内腔隔开,以达到截断与接通介质的目的。将阀体下部内腔与阀盖内腔隔开,并与之形成直流通道,使隔膜上部的阀杆、阀瓣等内件与介质完全隔离,省去填料密封结构,介质的内漏和外漏可同时避免。表面均匀包覆一层FEP。阀体通道内表面光滑,流体阻力小,CV值高,流通能力强,扭矩适中,采用四级密封结构并在密封面外配以耐温抗老化的SI橡胶的弹性衬垫阀座,完全达到介质的零泄漏。

G41F耐腐蚀衬氟隔膜阀结构特点
1、弹性密封的开闭件,确保没有内漏;
2、流线型的流道,使得压力损失小;
3、没有填料函,因此没有外漏;
4、阀体与盖被中间隔膜隔开,使得隔膜上方的阀盖,阀杆零件不受介质侵蚀;
5、隔膜可更换,维护费用低;
6、衬氟材料的多样性,可适用于各种介质,并具有良好的耐腐蚀性。
由于阀体与阀盖之间的隔膜直接截断和隔离介质,所以省去填料密封机构,避免了介质的内漏和外泄。隔膜在反复交变负荷的作用下,容易被损坏,应视工况介质特性进行定期更换,更换隔膜非常简便。
屋脊式隔膜流道无运动部件阻挡,无缝隙,流道内没有凹穴,因此流体不会沉积在体腔内,对于食品、医药类工业管道非常适用。

G41F耐腐蚀衬氟隔膜阀背景技术:
在化工行业的输送管线上针对不同的用途,均安装有不同的阀门,阀门是流体输送系统中的控制部件,具有截止、调节、导流、防止逆流、稳压、分流或溢流泄压等功能,用于流体控制系统的阀门,从*简单的截止阀到极为复杂的自控系统中所用的各种阀门,衬氟隔膜阀是一种特殊形式的截止阀,它的启闭件是一块用橡胶或塑料等软质材料制成的隔膜,通过隔膜把下部阀体内腔与上部阀盖内腔隔开,使位于隔膜上方的阀杆、阀瓣等零件不受介质腐蚀,省去了填料密封结构,密封性能好,但由于现有的隔膜采用单面密封,动力通过阀杆传递给阀瓣,使阀瓣上下运动,同时拉动隔膜上下运动使其关闭和打开阀体,在启闭过程中容易将隔膜损坏,影响阀门的密封效果和使用寿命。
G41F耐腐蚀衬氟隔膜阀基本型号说明:
手动
G41F3
直流式
G45F3
G41F46
G45F46
气动
G641F3
电动
G941F3
G641F46
G941F46
G41F耐腐蚀衬氟隔膜阀主要零部件材料表:
序号
零件名称
灰铸铁
铸钢
不锈耐酸铸钢
超低不锈钢耐酸铸钢
Z
C
P
R
P
R
1
阀体/阀盖
HT250
WCB
CF8
CF8M
CF3
CF3M
2
阀瓣/阀杆
35
1cr13
1Cr18Ni9Ti
1Cr18Ni12Mo2Ti
00cr18Ni10
00Cr17Ni14Mo2
3
衬里/阀座
PTFE(F4)、PCTFE(F3)、FEP(F46)、PFA(可溶性F4)
4
隔膜
FEP(F46)/CR(氯丁橡胶)、PFA(可溶性F4)/FPDM(乙丙橡胶)
5
支架
WCB
CF8
CF8
6
阀杆螺母
ZCuAI10Fe3
ZCuAI10Fe3
ZCuAI10Fe3
7
紧固螺栓
35
1Cr17Ni2
1Cr18Ni9Ti
8
螺母
45
0Cr18Ni9
0Cr18Ni9
9
手轮
WCB
WCB
WCB
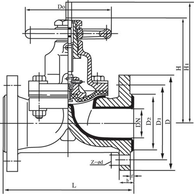
G41F耐腐蚀衬氟隔膜阀主要外型和连接尺寸:
公称通径
标准值
参考值
DN(mm)
NPS(inch)
L
D
D1
D2
f
b
Z-фd
d0
H
H1
WT(kg)
PN0.6MPa / PN1.0MPa
15
1/2
125
95
65
45
2
14
4-ф14
100
105
110
3.5
20
3/4
135
105
75
55
2
16
4-ф14
100
115
125
4
25
1
145
115
85
65
2
16
4-ф14
120
120
135
5.5
32
11/4
160
135
100
78
2
18
4-ф18
120
125
150
8
40
11/2
180
145
110
85
3
18
4-ф18
140
135
175
11
50
2
210
160
125
100
3
20
4-ф18
140
155
195
14
65
21/2
250
180
145
120
3
20
4-ф18
200
170
200
23
80
3
300
195
160
135
3
22
4-ф18
200
200
255
29
100
4
350
215
180
155
3
22
8-ф18
280
270
325
46
125
5
400
245
210
185
3
24
8-ф18
320
335
405
70
150
6
460
280
240
210
3
24
8-ф23
320
370
450
95
200
8
570
335
295
265
3
26
8-ф23
400
480
600
170
250
10
680
390
350
320
3
28
12-ф23
500
545
620
270
300
12
790
435
395
362
4
24
12-ф23
500
585
680
320
PN1.6MPa
15
1/2
130
95
65
45
2
14
4-ф14
120
110
115
4
20
3/4
150
105
75
55
2
16
4-ф14
120
120
130
5
25
1
160
115
85
65
2
16
4-ф14
140
125
140
6
32
11/4
180
135
100
78
2
18
4-ф18
140
130
155
9
40
11/2
200
145
110
85
3
18
4-ф18
160
140
180
12
50
2
230
160
125
100
3
20
4-ф18
160
160
200
15
65
21/2
290
180
145
120
3
20
4-ф18
200
175
205
24
80
3
310
195
160
135
3
22
8-ф18
200
205
260
30
100
4
350
215
180
155
3
24
8-ф18
280
275
330
48
125
5
400
245
210
185
3
26
8-ф18
320
340
410
75
150
6
480
280
240
210
3
28
8-ф23
320
375
460
105
200
8
600
335
295
265
3
30
12-ф23
400
485
605
182
250
10
730
405
355
320
3
32
12-ф25
500
550
625
295
300
12
850
460
410
375
4
34
12-ф25
500
590
685
345
本实用新型解决其技术问题所采用的技术方案是一种衬氟隔膜阀,包括手轮、螺母、阀杆、阀盖、阀瓣、隔膜和阀体,其特征在于隔膜底部设置至少两条密封压台,密封压台与阀体相接触。所述阀杆的顶端设置防尘帽。通过设置防尘帽,能够防止粉尘等杂物沿阀杆进入阀体中,避免阀门关闭不到位,保证阀门的使用效果。所述的隔膜包括上层的橡胶膜片和下层的氟膜片。为了增强阀门的密封效果,还可以采用加大阀体密封面等方式。

G41F耐腐蚀衬氟隔膜阀维护保养和安装使用
1.阀门应存放在干燥通风的室内,严禁堆迭放置。
2.库存阀门的通路两端必须封口,以防异物进入内腔而损伤密封部件。且应避免与油类或其它易燃物品接触。
3.本阀的金属加工表面应清除污垢,并涂以防锈剂。
4.衬胶层或橡胶隔膜表面切勿涂刷油脂类物品,以免产生橡胶溶胀而影响阀门使用寿命。
5.在存放期间或停用期间,应逆时针旋转手轮,使阀门处于微启状态,避免使隔膜因长期受压而失去弹性。
6.运输过程中或安装时,吊索不得系结在手轮或阀杆上。并严禁与其它金属或硬质物撞击,以防损伤零件和衬层。
7.安装前,应仔细核对管路的运行条件及介质是否与本阀规定的适用范围相符,避免选型不当而造成不必要的损失,乃致发生意外事故。
8.本阀除不宜应用于真空管路外,可在管路的任意位置安装作双向流动,但应确保操作和维修的方便。
9.安装时,应将阀体内腔清洗干净,防止污垢卡阻或损伤密封部件,并检查各部位连接螺栓是否均匀紧固。
10.运行中必须经常检查与介质接触的部件,并按实际使用情况,定期更换易损部件。
11.当需要换隔膜时,应注意切勿将隔膜拧得过紧或过松。
12.本阀如应用于间断性运行管路上,则在停止使用期间,应清洗与介质接触部位,以延长使用寿命。
13.在手动操作纵阀门时,不得借助于辅助杠杆使阀门启闭,以免扭矩过大而损伤驱动零件或密封部位。
14.经检修后的阀门,在应用前,需按有关测试规定进行密封性试验,合格后方能安装。并作好维修记不以备查考。

订货须知:
一、①产品名称与型号②口径③是否带附件以便我们的为您正确选型④的使用压力⑤的使用介质的温度。
二、若已经由设计单位选定公司的型号,请按型号直接向我司销售部订购。三、当使用的场合非常重要或环境比较复杂时,请您尽量提供设计图纸和详细参数,由我们的阀门公司专家为您审核把关。如有疑问:请:我们一定会尽心尽力为您提供优质的服务。提供全面、*的“阀门系统解决方案",也十分愿意帮助用户解决生产中所遇到的难题。
-
联系方式
- 联系人:申弘阀门
- 电 话:021-59260058
- 手 机:15901754341
- 传 真:86-021-31662735
- 邮 箱:494522509@qq.com
- 邮 编:201718
- 地 址:上海市青浦区金泽工业园区
- 网 址: https://bengye.cn.goepe.com/
http://www.021-fm.com
-
产品搜索






