-
申弘气动陶瓷球阀Q641TC
详细信息| 询价留言Q641TC气动陶瓷球阀简介
本实用新型的目的在于克服现有技术中存在的上述缺陷,提出了一种陶瓷球阀,减少了因介质直接与阀体接触造成的对阀体的损伤,延长了球阀的使用寿命,同时实现了球阀与执行部件的直接装配连接,提高了球阀的工作效率。本阀适用于高硬度的颗粒或有软颗粒但又有腐蚀性介质管道上作启闭之用。公称压力1.6MPA,适应温度小于等于200度。磨设备及工艺制造,球圆度精度高、表面质量好、与阀座对研后,利用结构陶瓷的自滑润性,具有很好的密封性能。彻底改变了金属硬密封球阀易泄露、扭矩大、密封面不耐腐蚀的缺点。阀座、球体具有良好的耐磨性、使用寿命长,是钛合金阀和蒙乃尔阀的2-4倍。本阀为三片式结构,可按照GB、JIS、API等标准数据制造。

气动陶瓷球阀具有优良的耐磨损、耐酸碱、耐腐蚀、高强度、高韧性、耐高温以及防磁性的特点,使其能在特别恶劣的环境中使用,能不污染物料和环境;在管道系列制品可代替不锈钢合金、硬质合金等其他金属制品,并使之成为更优良之制品。
当你的设备在严重的固体介质颗粒的磨损下,在强腐蚀性的液体环境中不能满足工况要求的时候,当金属阀门在苛刻的环境中束手无策的时候,陶瓷气动球阀来了!它能替你解决因磨损、腐蚀、高温而带来的阀门更换频繁的烦恼,让你的系统进入一个长期、稳定、可靠运行的新时代!与介质接触的部分均为结构陶瓷材料,其化学稳定性及硬度极高(洛氏硬度HRC90),仅次于金刚石。因此,本阀具有极高的耐磨损、耐腐蚀、耐冲蚀性能,且隔热性能好、热膨胀小。采用新型系列GT型气动执行器,有双作用式和单作用式(弹簧复位),齿轮齿条传动,安全可靠;大口径阀门采用系列AW型气动执行器拔叉式传动,结构合理,输出扭矩大,有双作用式和单作用式。
1、齿轮式双活塞,输出力矩大,体积小。
2、气缸选用铝金材料,重量轻、外形美观。
3、可在顶部、底部安装手动操作机构。
4、齿条式连接可调节开启角度、额定流量。
5、执行器可选带电讯号反馈指示及各类附件以实现自动化操作。
6、IS05211标准连接为产品的安装更换提供了方便。
7、两端调的节螺钉可使标准产品在0°和90°有±4°的可调范围。确保与阀门的同步精度。
气动球阀附件的选项
根据不同控制和要求可选择下列附件:
切断型附件:单电控电磁阀、双电控电磁阀、限位开关回讯器。
调节型附件:电气定位器、气动定位器、电气转换器。
气源处理附件:空气过滤减压阀、气源处理三联件。
手动机构:HVSD手操机构

球体采用先进研磨设备及工艺制造,球圆度精度高,表面质量好,与阀座对研后,利用ZrO2陶瓷的自润滑性,可取得很好的密封性能。陶瓷良好的耐磨性,让本阀经久耐用,可靠性极高,使用寿命长,是钛合金阀和蒙乃尔阀的2-4倍。具有耐腐蚀、耐高温、耐磨损及耐冲蚀等特点。应用于石化、冶金、造纸、电站、炼油等行业的酸碱盐气体、液体、高温蒸汽和泥浆输送系统中。是强腐蚀场合下钛金属阀、蒙乃尔阀的替代产品。氧化锆陶瓷球阀具有经济性高和使用长的优点。其驱动方式有手动、气动、气动一弹簧复位、气动等。并可按用户的要求设计陶瓷阀门。适用于酸、碱、盐类液体、气体介质环境,硬密封球阀适用于带颗粒、纤维状介质环境。
本实用新型中,所述阀体的中部设有孔,上阀体的外壁与阀体的孔壁固定连接,上阀体内设有通孔,阀杆设置在通孔内,阀杆的一端与外部的执行机构连接,阀杆的另一端依次穿过上阀体、陶瓷中体,并与陶瓷球固定连接,阀杆与上阀体的内壁之间设有填料,阀杆与上阀体的端部内壁之间设有轴套。所述上法兰与上阀体呈一体式结构。

本实用新型的有益效果是:
(1)阀体的内部设置陶瓷阀座、陶瓷接管和陶瓷中体,避免介质直接冲击阀体,充分利用陶瓷耐腐蚀、耐冲刷、耐磨损等的固有特性,增强了球阀的产品性能,延长了球阀的使用寿命;
(2)上阀体采用了加强筋结构,同时填料压板的两端呈悬空设置,使得该球阀可以直接与执行机构连接,无需额外配套支架,安装简单便捷,并且保证了球阀的强度;
(3)该球阀有多个部件组成而成,当某一个部件出现故障时,只需要更换相应的部件即可,无需更换全部球阀,节省了球阀的使用成本。
本实用新型的技术方案是:一种陶瓷球阀,包括阀体和上阀体,阀体的两端分别固定有阀体端盖,上阀体与阀体的中部固定连接,阀体中部设有陶瓷球,陶瓷球的一端与阀杆固定连接,阀杆设置在上阀体内,其中,所述阀体内壁的中部固定有陶瓷中体,阀体两端口处的内壁和阀体端盖的内壁分别固定有陶瓷接管,陶瓷中体和陶瓷接管的内侧设有陶瓷阀座,且陶瓷阀座分别与陶瓷中体、陶瓷接管固定连接,陶瓷阀座的内部设有弧形槽,陶瓷球放置在陶瓷阀座的弧形槽内;
所述上阀体的外部设置数条加强筋,上阀体的一端与阀体固定连接,另一端固定有上法兰,上法兰与阀杆的接触处固定有填料压板,上法兰的中部设有凹槽,填料压板设置在凹槽内,填料压板与上法兰固定连接,填料压板的两端下方呈悬空状,填料压板的端部与上法兰的凹槽底壁之间存在间隙。

Q641TC气动陶瓷球阀设计制造标准规范
设计依据 GB API 设计与制造标准 JB/T10529-2005,GB/T12237-2007 API608-2012 结构长度设计标准 GB/T12221-2005 ASME B16.10-2009 连接端设计标准 GB/T9113-2010 ASME B16.5-2013 驱动装置连接设计标准 GB/T12223-2005 BS EN ISO 5211-2001 主体材料设计标准 GB/T12228-2006,NB/T47010-2010 ASTM A105/A105M-2014,ASTM A182/A182M-2015 检验与试验标准 JB/T 9092-1999 API 598-2009 材料选型表
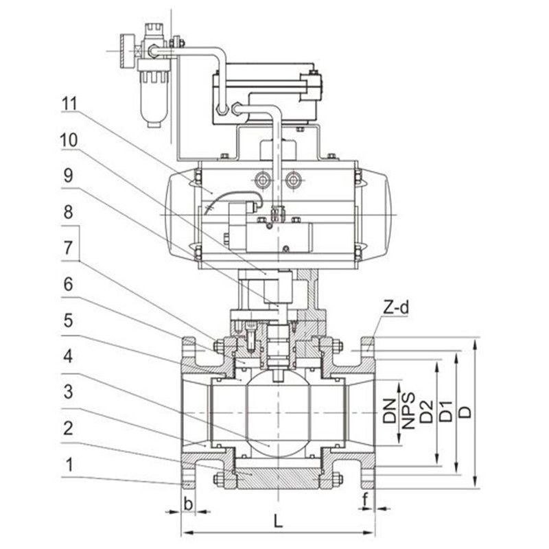
序号 名称 材质 1 阀体 A105、WCB、SS304、SS316、CF8、CF8M、CF3、CF3M 2 阀芯 氧化锆(3Y-ZrO2)、氧化铝(AI2O3) 3 阀杆/轴套/填料压套 17-4PH、316L、合金材料 4 密封部件 VMQ、FKM、PTFE 5 填料 PTFE、RPTFE、石墨 6 压板/支架 CF8、WCB 7 螺栓/垫圈 A193-B7/A194-2H/SS304 序号 零件名称 材质 1 阀体 SS304 2 阀体螺柱 SS304 3 阀体螺母 SS304 4 阀球 结构陶瓷 5 中体 结构陶瓷 6 阀盖 SS304 7 阀座 结构陶瓷 8 接管 结构陶瓷 9 阀杆 17-4PH 10 垫片 PTFE 11 轴套 SS304 12 填料 PTFE 13 填料压套 SS304 14 蝶形弹簧 SS304 15 压板 CF8 16 压板螺母 SS304 17 压板螺柱 SS304 18 支架 CF8 19 螺栓 SS304 20 气动执行器 外形结构图
Q641TC气动陶瓷球阀外形连接尺寸
GB/T9113.1-2000 PN1.6MPA RFDN H L ØD ØK ØG T F Z 15 85 108 95 65 45 14 2 4-M12 20 94 117 105 75 55 16 2 4-M12 25 98 127 115 85 65 16 2 4-M12 32 112 140 140 100 76 18 2 4-M16 40 124 165 150 110 84 18 2 4-M16 50 135 178 165 125 99 20 2 4-M16 65 156 190 185 145 118 20 2 4-M16 80 177 203 200 160 132 20 2 8-M16 100 207 229 220 180 156 22 2 8-M16 125 240 356 250 210 184 22 2 8-M16 150 240 394 285 240 211 24 2 8-M16 200 280 457 340 295 266 24 2 12-M20 250 - 533 405 355 319 30 2 12-M24 300 - 610 460 410 370 30 2 12-M24 
以上参考了优选实施例对本实用新型进行了描述,但本实用新型的保护范围并不限制于此,在不脱离本实用新型的范围的情况下,可以对其进行各种改进并且可以用等效物替换其中的部件,只要不存在结构冲突,各个实施例中所提到的各项技术特征均可以任意方式组合起来,且不应将权利要求中的任何附图标记视为限制所涉及的权利要求,无论从哪一点来看,均应将实施例看作是示范性的,而且是非限制性的。因此,任何落入权利要求的范围内的所有技术方案均在本实用新型的保护范围内。它以气缸为执行器,广泛应用于石油、化工、电力、冶金等工业中。气动调节阀应存放在干燥的室内,通路两端必须堵塞。下面为大家介绍气动调节阀的安装调试和注意点:

一、工作环境温度要在(-30~+60)相对湿度不大于95%95%,相对湿度不大于95%;
二、前后位置应有直管段,长度不小于10倍的管道直径(10D),以避免阀的直管段太短而影响流量特性;
三、在安装阀门之间,先阅读指导手册。指导手册介绍该产品以及安装前和安装时应注意的安全事项及预防措施;
四、确认管道清洁:管道中的异物可能会损坏阀门的密封表面或甚至阻碍阀芯、球或蝶板的运动而造成阀门不能正确地关闭。为了减小危险情况发生的可能性,需在安装阀门前清洗所有的管道;
五、仔细检查调节阀:安装之前,检查并除去所有运输挡块、防护用堵头或垫片表面的盖子,检查阀体内部以确保不存在异物;
六、气动调节阀应安装在水平管道上,并上下与管道垂直,一般要在阀下加以支撑,保证稳固可靠。对于特殊场合下,需要调节阀水平安装在竖直的管道上时,也应将调节阀进行支撑。安装时,要避免给气动调节阀带来附加应力;
七、确保在气动调节阀的上面和下面留有足够的空间以便在检查和维护时容易地拆卸执行机构或阀芯。对于法兰连接的阀体,确保法兰面准确地对准以使垫片表面均匀地接触。在法兰对中后,轻轻地旋紧螺栓,后以交错形式旋紧这些螺栓。

本实用新型公开了一种复合陶瓷硬密封球阀,包括阀体和位于阀体内的复合陶瓷阀球,阀体上安装有与阀球相接的阀杆,所述的阀球通过柱销与连接头相接,连接头与所述的阀杆的内端头之间为径向滑动式插接。由于阀球与阀杆之间通过连接头连接,不属硬性固定连接,装配后各部件产生的形位误差对阀杆产生的径向力可通过凸台和凹槽相对微量滑动自行调节,减小了阀杆转动时的扭矩,使各部件的磨损减轻,延长了球阀的使用寿命,转动阀杆省力,球阀的自身密封性能有所提高,维修更换次数减少,降低了运行成本,提高了经济效益。

订货须知:
一、①产品名称与型号②口径③是否带附件以便我们的为您正确选型④的使用压力⑤的使用介质的温度。
二、若已经由设计单位选定公司的型号,请按型号直接向我司销售部订购。
三、当使用的场合非常重要或环境比较复杂时,请您尽量提供设计图纸和详细参数,由我们的阀门公司专家为您审核把关。如有疑问:请:我们一定会尽心尽力为您提供优质的服务。提供全面、*的“阀门系统解决方案",也十分愿意帮助用户解决生产中所遇到的难题。 -
联系方式
- 联系人:申弘阀门
- 电 话:021-59260058
- 手 机:15901754341
- 传 真:86-021-31662735
- 邮 箱:494522509@qq.com
- 邮 编:201718
- 地 址:上海市青浦区金泽工业园区
- 网 址: https://bengye.cn.goepe.com/
http://www.021-fm.com
-
产品搜索






