-
BZ643TC 气动陶瓷旋转出料球阀申弘
详细信息| 询价留言BZ643TC气动陶瓷旋转出料球阀产品说明
采用气压缸为驱动装置,内衬ZTA工程陶瓷,阀体一般采用碳钢,增加了摆式阀的抗磨损,耐高压能力和耐高温能力,大大增加了阀门的使用寿命。一般用于电厂除灰,所以也叫电厂除灰摆式阀,但电厂除灰的摆式阀一般为手动和电动,气动方面的还很少。所以陶瓷气动旋转摆式阀还是一个专门的分区。本阀门具有密封性能好,耐高温,耐磨性强,启闭灵活,无卡灰及积灰现象。所有与介质接触的部分均为结构陶瓷材料,其化学稳定性及硬度极高,仅次于金刚石。

因此,本阀具有极高的耐磨损、耐腐蚀、耐冲蚀性能,且隔热性好、热膨胀小。球体采用先进研磨设备及工艺制造,球圆度精度高,表面质量好,与阀座对研后,利用Zr02陶瓷的自滑润性,可取得很好的密封性能。彻底改变了金属硬密封球阀易泄露、扭矩大、密封面不耐腐蚀的缺点。陶瓷良好的耐磨性,让本阀经久耐用,可靠性极高.使用寿命长,是钛合金阀和蒙乃尔阀的2-4倍。用于高硬度的颗粒介质,或有软颗粒但又有腐蚀的介质中,本阀门具有无可比拟的绝对优势,也是目前唯一合适此类介质的阀门。摆动式陶瓷进料阀适用于发电厂干灰系统、仓泵进料输送,也可适用于矿山、造纸、化工等各类有磨损的干粉尘、水等介质在管道上作启闭之用。本阀参照Armstrong阀门技术,关闭后任何方向全部密封,阀体阀盖采用WCB铸钢件及无缝钢管焊接.填料采用硬密封件。本阀密封性能好,耐磨性强,启动负荷小,卡灰及结灰现象少,使用寿命长。

气动陶瓷旋转摆动阀性能优势:
1.普通圆顶阀在启闭过程中球形阀瓣与阀座不接触,留有间隙,导致密封不严容易泄露;
2.陶瓷旋转摆式阀关闭过程中,闸板自动旋转,产生闸板与阀座吻合的研磨性效果,使用密封更加严密。
密封面保护性好
1.闸板,阀座与流道均采用工程陶瓷制造;
2.在阀门启闭过程中密封面会自动产生一个研磨、抛光清洁过程,从而保护密封面;
3.耐磨性、耐腐性及密封性大大延长了阀门的寿命。

开闭省力;
1.结构设计合理,流体阻力小,密封面受介质的冲刷和侵蚀小;
2.形体简单,结构长度短,制造工艺性好,适用范围广;
3.介质流向不受限制,不扰流、不降低压力。
BZ643TC气动陶瓷旋转出料球阀标准规范
陶瓷阀门国家唯一标准:JB/T10529-2005
设计制造标准: API6D-2008、API608-2002
结构长度标准:GB/T 12221-2005 、ANSI B16.10
连接法兰标准:GB/T 9113、ANSI B16.5
压力温度等级:GB/T 12224-2005、ASMEB16.34-2004
试验检验标准:GB/T 13927-2008API 598

性能参数公称通径DN(mm)
50-200
公称压力PN(Mpa)
0.6-1.0
通用介质
高炉煤气灰.干灰、粉煤、渣浆、颗粒物料等
使用温度℃
≤270
传动方式
气动、电动、手动

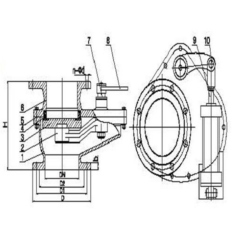
BZ643TC气动陶瓷旋转出料球阀外形尺寸、连接尺寸以及配制执行器型号表通径mm
连接尺寸
外形尺寸及配制执行器(mm)
DN
D
D1
b
Z-d
L
H
FQGA
50
160
125
15
4-Ф18
200
464
80﹡65
65
180
145
15
4-Ф18
220
516
80﹡80
80
195
160
16
8-Ф18
250
632
100﹡95
100
215
180
16
8-Ф18
280
725
125﹡115
125
245
210
18
8-Ф18
320
807
125﹡140
150
280
240
18
8-Ф22
360
905
160﹡165
200
335
295
20
8-Ф22
334
1120
200﹡220

气动陶瓷旋转出料阀用于电厂干灰系统仓泵进料阀,可用于高硬度的颗粒介质,也可用于矿山、造纸、化工等各类有磨损的干粉尘、水蒸气的管道上作启闭之用.公称压力1.0Mpa,适应温≤150℃密封面采用硬密封与介质接触的部分均为结构陶瓷材料,其化学稳定性及硬度极高,使用寿命是普通材料阀门的510倍.因为具有极高的耐磨损、耐腐蚀、耐冲蚀性能,且隔热性好、热膨胀小,所以本阀为用户带来极高的经济利益.
本阀料口全流通无阻挡物,有压缩空气自动吹堵装置,卡灰、积灰现象少.本阀采用高档曾韧结构陶瓷密封,机械强度高耐磨性能好使用寿命长.结构紧凑可任意角度安装。

BZ643TC气动陶瓷旋转出料球阀安装使用要点:
安装前应仔细阅读说明书,并核对阀门型号,通径及技术参数。
严禁装上阀门后施焊法兰。管道自先预留的阀门安装距离应适当,法兰两边加垫片。
两管道中心与阀门通径中心应保持同轴,法兰面应平整,不允许法兰面有较大的偏斜,以保证阀门的夹紧和正常工作。拧紧螺栓应做到均匀对称。

订货须知:一、①产品名称与型号②口径③是否带附件以便我们的为您正确选型④使用压力⑤使用介质的温度。
二、若已经由设计单位选定公司的型号,请型号直接向我司销售部订购。三、当使用的场合非常重要或环境比较复杂时,请您尽量提供设计图纸和详细参数,由我们的阀门公司专家为您审核把关。产品所属球阀选型,感谢您访问我们申弘阀门的网站如有任何疑问.您可以致电给我们,我们一定会尽心尽力为您提供优质的服务。如需要了解更多其它阀类产品的信息可以点击减压阀查看。
-
联系方式
- 联系人:申弘阀门
- 电 话:021-59260058
- 手 机:15901754341
- 传 真:86-021-31662735
- 邮 箱:494522509@qq.com
- 邮 编:201718
- 地 址:上海市青浦区金泽工业园区
- 网 址: https://bengye.cn.goepe.com/
http://www.021-fm.com
-
产品搜索




