-
Q661N气动高压承插焊球阀申弘
详细信息| 询价留言Q661N气动高压承插焊球阀产品说明
所有部件均为锻件采用下装式阀杆,设备倒密封结构,采用镶嵌式阀座,阀座背后设备O型圈,确保介质不外漏,密封面采用尼龙 1010,它的磨擦系数通常为巴氏合金的1/3,因此它是一种自然滑性材料。但抗弯曲强度和冲击强度及较高的延性,与金属不相上下.因与管道或者设备通过平焊、对焊或者承插焊在一起,构成一体式结构,解决了球阀与管道之间接触面密封的问题,不会有外部泄漏等现象。

气动焊接球阀的维护成本低,使用寿命厂,安装方便,长时间使用不会受到管道流体的震动和外部的干扰而造成球阀与管道之前连接变松或者脱落。可配以阀门定位器输入控制信号(4-20mA电流或1-5VDC电压)即可实现对球阀的角度旋转运转,气动高压锻钢球阀可配行程限位开关、电磁阀、减压阀及0.1-0.7MPa气源压力即可实现开关操作,限位开关可输出无源触点信号和阀门开关到位灯。不锈钢气动锻钢高压球阀主要适用于 水、油、气等非腐蚀性介质和酸碱腐蚀性介质。

针对以上问题,提供了如下技术方案:燃气全焊接球阀,包括阀体、阀座、球体及阀杆,在阀体的两端设有介质输入、输出管,所述的介质输入、输出管与阀座的通过焊接固定连接,球阀与介质输入、输出管之间依次设置有阀座密封圈、金属套及碟簧,其特征在于:所述的金属套包括套接部及直径大于套接部的底座部,所述的阀座密封圈套接于金属套的套接部且其端部抵于底座部,所述的底座部上与阀座密封圈对应的端面为向外侧、向介质输入、输出管外端部延伸的锥面结构,阀座密封圈的端部与该锥面结构对应设置,所述的阀座密封圈设置有弹性抵于底座部的弹性密封部,弹性密封部相对于阀座密封圈可弹性活动设置,阀座密封圈上设置有与弹性密封部对应的槽结构,槽结构内设置有使弹性密封部弹性抵于底座部的弹性件。
通过上述结构,在介质压力下,球体对阀座密封圈进行挤压,锥面结构的底座部及阀座密封圈的设置,能够增强阀座密封圈与介质输入、输出管之间的密封强度,配合弹性件对弹性密封部的弹性挤压,能够*大化的保证阀体的密封性。

本实用新型进一步设置为,所述的金属套与介质输入、输出管内壁之间分别设有环形密封圈,该结构能够进一步保证阀体的密封性。以上所述仅是本实用新型的优选实施方式,应当指出,对于本技术领域的普通技术人员来说,在不脱离本实用新型技术原理的前提下,还可以做出若干改进和变型,上述假设的这些改进和变型也应视为本实用新型的保护范围。要适用于各种系统的管路上,切断或接通管路介质。适用介质:压缩天然气CNG、水、蒸汽、油品等非腐蚀性介质。焊接式高压球阀与其他阀门产品相比的特点是高压,独特的自密封设计,压力越高,密封越可靠。由于性能技术特性、工况的特殊使产品也形成了其他产品所替代不了的特点。
Q661N气动高压承插焊球阀产品特征:
1、主体采用高压冲击锻打,壳体强化处理,试验检测压可达50MPa。
2、主要针对加气站,使用介质为天然气或液压油路而开发研究的特殊高压产品。
3、、密封件均采用全进口材料,密封性能特好,可耐高压,耐高温,耐腐蚀,抗氧化,质量可靠,使用寿命长。

设计标准(美标)
设计和制造标准按照: ASME B16.34,API6D等;
结构长度按照: ASME B16.10;
连接端尺寸按照:ASME B16.5,ASME B16.25;
检验和测试按照: API598;
防火设计按照:API607;
计标标准(国标)
设计和制造标准按照: GB12237—1989通用阀门 法兰和对焊连接钢制球阀
结构长度按照: GB12221;
连接端尺寸按照:JB/T79,GB9113,HG20592;
检验和测试按照: JB/T 9092、GB/T13927-1992 通用阀门 压力试验
技术参数:
气缸选配:WEIERDUN系列
气缸形式: 双作用 单作用(弹簧复位式)
环境温度: -20℃-+80℃
气源压力: 双作用4~8bar、单作用5~8bar
附件选项 (可选)
回讯器:也叫限位开关,远程反馈开关信号 (普通型、防爆型可选)
电磁阀:双作用选二位五通、单作用选二位三通(普通、防爆;多种电压可选)
三联件:可对气源起稳压、过滤作用
手轮机构:在气源故障情况下,转动手轮机构,可实现手动开、关阀
电-气定位器:输入4~20mA信号,实现阀门调节功能(普通、防爆可选)
(注:电气定位器只有在阀门要需求调节功能才选配)
备注: 气缸参数请另参考所选配的气动执行器资料.

结构改进
1.气动全焊接球阀,包括阀体、阀座、球体及阀杆,在阀体的两端设有介质输入、输出管,所述的介质输入、输出管与阀座的通过焊接固定连接,球阀与介质输入、输出管之间依次设置有阀座密封圈、金属套及碟簧,其特征在于:所述的金属套包括套接部及直径大于套接部的底座部,所述的阀座密封圈套接于金属套的套接部且其端部抵于底座部,所述的底座部上与阀座密封圈对应的端面为向外侧、向介质输入、输出管外端部延伸的锥面结构,阀座密封圈的端部与该锥面结构对应设置,所述的阀座密封圈设置有弹性抵于底座部的弹性密封部,弹性密封部相对于阀座密封圈可弹性活动设置,阀座密封圈上设置有与弹性密封部对应的槽结构,槽结构内设置有使弹性密封部弹性抵于底座部的弹性件。
2.根据权利要求1所述的燃气全焊接球阀,其特征在于:所述的金属套与介质输入、输出管内壁之间分别设有环形密封圈。
3.根据权利要求1所述的燃气全焊接球阀,其特征在于:所述的弹性件为位于槽结构内的环形结构且其截面为U型。

Q661N气动高压承插焊球阀附件和接口规格:执行器型号 GT、SR、ST、AT、AW系列单(双)作用气动执行机构 供气压力 0.4~0.7MPa 气源接口 G1/4"、G1/8"、G3/8"、G1/2" 环境温度 -20~+90℃ 作用形式 单作用执行机构:气关式(B)--失气时阀位开(FO);气开式(K)--失气时阀位关(FC)
双作用执行机构:气关式(B)--失气时阀位保持(FL);气开式(K)-- 失气时阀位保持(FL)可配附件 定位器、电磁阀、空气过滤减压器、保位阀、行程开关、阀位传送器、手轮机构等 主要零件材料
零件名称 材料 GB ASTM 弹簧 60SizMnl AISI9260 阀座 25 A105 密封圈 PTFE PTFE O型圈 NBR NBR 螺钉 35CrMo A193-B7 垫片 PTFE柔性石墨 下阀杆 2Cr13 A276-410 垫片 PTFE柔性石墨 底盖 25 A105 阀体、端 25 A105 垫片 PTFE柔性石墨 O型圈 NBR NBR 球体 A105+HCr 滑动轴承 PTFE 阀杆 2Cr13 A276-410 注脂阀 组件 垫片 PTFE+不锈钢 PTFE+304 填料箱 25 A105 压盖 25 A105 O型圈 NBR NBR 支架 Q235A 碳钢 键 45 AISI C 1045 连接套 45 AISI C 1045 驱动装置 组件(电动或气动装置) 型号 Q41N/Y-160 Q41N/Y-320 Q61N/Y-160 Q61N/Y-320 公称压力 PN(MPa) 16.0 32.0 16.0 32.0 试验压力
(Mpa)壳体 24.0 48.0 24.0 48.0 密封(液) 17.6 35.2 17.6 35.2 密封(气) 0.6 适用温度 -40~80 适用介质 水、油品、氦、氢、氨等 Q661N气动高压承插焊球阀主要尺寸:
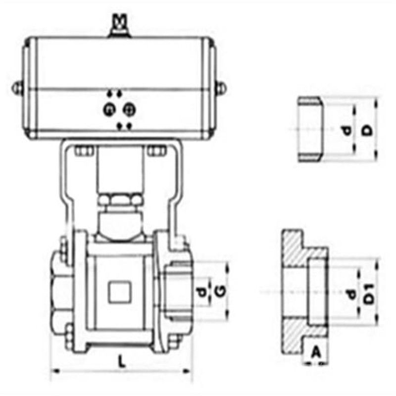
型号
公称通径
尺寸(mm)
L
L1
D
D1
H
L0
Q61F N-160
Q661F N-16010
150
60
90
18
68
220
15
170
70
100
23
62
220
20
191
81
110
29
75
250
25
205
985
115
36
80
250
32
230
110
150
43
96
300
40
260
120
170
49
111
400
50
330
140
200
61
128
400
65
360
150
220
80
180
500
80
380
160
270
105
200
600
100
430
188
320
118
245
800
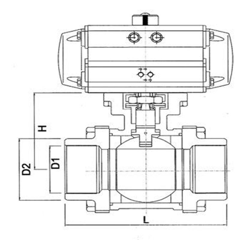
型号
公称通径
尺寸(mm)
气动装置
L
L1
D
D1
H
L0
Q661F N-160
Q661F N-32010
150
60
90
18
211
255
QD60
15
170
70
100
23
293
348
QD100
20
191
81
110
29
297
348
QD100
25
205
95
115
36
303
348
QD100
32
230
110
150
43
456
520
QD150
40
260
120
170
49
463
520
QD150
50
330
140
200
61
478
520
QD150
65
360
150
225
80
180
500
-
80
380
160
270
105
200
600
-
100
430
188
320
118
245
800
-
本实用新型提出了燃气全焊接球阀,包括阀体、阀座、球体及阀杆,在阀体的两端设有介质输入、输出管,介质输入、输出管与阀座的通过焊接固定连接,球阀与介质输入、输出管之间依次设置有阀座密封圈、金属套及碟簧,金属套包括套接部及直径大于套接部的底座部,阀座密封圈套接于金属套的套接部且其端部抵于底座部,底座部上与阀座密封圈对应的端面为向外侧、向介质输入、输出管外端部延伸的锥面结构,阀座密封圈的端部与该锥面结构对应设置,阀座密封圈设置有弹性抵于底座部的弹性密封部,弹性密封部相对于阀座密封圈可弹性活动设置,阀座密封圈上设置有与弹性密封部对应的槽结构,槽结构内设置有弹性件;本实用新型具有较高的密封强度。

1、Q661N气动高压承插焊球阀的安装
阀门安装好使用吊环安装,采用链条安装时,注意对阀门外涂层采取保护措施。当阀门带支架或传动机构时,应将吊绳固定在阀门吊环上,不能将吊绳置于传动机构上;吊绳或吊装链条不能挤压阀门外部配件及其延长杆,以免损坏阀门执行机构,导致阀门无法开关或开关困难。
2、阀门的焊接
(1)阀门就位后,在进行阀门的预热及焊接时,阀门应置于全开位置,否则,在焊接过程中,球阀的阀球及闸阀的闸板上会沾上焊渣,投产时这些附着的焊渣会划伤阀座密封,导致阀门内漏,严重时会导致阀门失效。
(2)阀门必须支撑在各自的底座上或分别支撑。
(3)阀门焊接后,如需转动阀门,应采用手动注脂枪填加润滑脂。
(4)确认排污口、排压口处于关闭状态。
(5)一般的球阀安装无方向性,但应注意操作侧的位置。有的球阀安装时具有方向性,一定按照阀门阀体上的箭头标识去安装,不能反装。例如,西部管道的货品、成品油站场的部分球阀进出口侧采用的是两种阀座密封形式,一端采用双活塞效应阀座,另一端采用自泄式密封阀座,如果反向安装,投用后阀门将会自动泄压,发生管道事故。

3、焊接后的要求
(1)阀门在焊接后试压前,应注入润滑脂,以保证阀门密封面之间充满润滑脂,将焊接时附着在阀座密封面处的杂质用润滑脂排出。
(2)检查阀门状况,保证各个外部接头锁紧,无松动;确认排污口、排压口处于紧锁状态,为试压作准备。
(3)根据试压方案操作阀门,使阀门处于规定的位置。

订货须知:一、①产品名称与型号②口径③是否带附件以便我们的为您正确选型④使用压力⑤使用介质的温度。
二、若已经由设计单位选定公司的型号,请型号直接向我司销售部订购。三、当使用的场合非常重要或环境比较复杂时,请您尽量提供设计图纸和详细参数,由我们的阀门公司专家为您审核把关。产品所属球阀选型,感谢您访问我们申弘阀门的网站如有任何疑问.您可以致电给我们,我们一定会尽心尽力为您提供优质的服务。如需要了解更多其它阀类产品的信息可以点击减压阀查看。
-
联系方式
- 联系人:申弘阀门
- 电 话:021-59260058
- 手 机:15901754341
- 传 真:86-021-31662735
- 邮 箱:494522509@qq.com
- 邮 编:201718
- 地 址:上海市青浦区金泽工业园区
- 网 址: https://bengye.cn.goepe.com/
http://www.021-fm.com
-
产品搜索







