-
Q6B41F气动防爆球阀申弘
详细信息| 询价留言Q6B41F气动防爆球阀产品说明
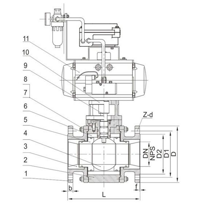
气动防爆球阀,是由气动活塞式执行机构和球阀组成,配有防爆行程限位开关、防爆电磁阀、减压阀及0.4-0.7MPa气源可实现开关操作,并送出二对无源触点信号指示阀门的开关。执行器分单作用和双作用两种型号。单作用式的独特优点是一旦动力源发生故障,气动防爆球阀将按控制系统的要求自动处于开启或关闭的位置。

特点:
1.结构简单,流通性好,零泄漏。
2.切断和调节性能好,适用于高粘度、带纤维和颗粒的介质。
防爆气动球阀选用AT(GT)系列产品气动执行器及浮动式闸阀构成,适用调整、断开的场所。防爆气动球阀密封性能,商品流通能力大,构造简易,使用期长,有利于检修。适用的电动执行器具构造简易,紧凑型,性能非凡,輸出扭矩大等特性。防爆气动球阀配上防爆行程安*程开关、防爆继电器、调压阀及0.4-0.7MPa气动阀门可完成电源开关实际操作,并送出去二对无源触点数据信号标示闸阀的电源开关。电动执行机构分单功效和双功效二种型号规格。单功效式的与众不同优势是一旦动力装置产生常见故障,防爆气动球阀将按自动控制系统的规定全自动处在打开或关掉的部位。球阀在管路中主要用来做切断、分配和改变介质的流动方向。球阀是近年来被广泛采用的一种新型阀门。

优点:
1. 流体阻力小,其阻力系数与同长度的管段相等。
2. 结构简单、体积小、重量轻。
3. 紧密可靠,目前球阀的密封面材料广泛使用塑料、密封性好,在真空系统中也已广泛使用。
4. 操作方便,开闭迅速,从全开到全关只要旋转90°,便于远距离的控制。
5. 维修方便,球阀结构简单,密封圈一般都是活动的,拆卸更换都比较方便。
6. 在全开或全闭时,球体和阀座的密封面与介质隔离,介质通过时,不会引起阀门密封面的侵蚀。
7. 适用范围广,通径从小到几毫米,大到几米,从高真空*压力都可应用。 球旋转90度时,在进、出口处应全部呈现球面,从而截断流动。

Q6B41F气动防爆球阀工作原理:
一、开启过程
1在关闭位置,球体受阀杆的[wiki]机械[/wiki]施压作用,紧压在阀座上。
2当逆时针转动手轮时,阀杆则反向运动,其底部角形平面使球体脱开阀座。
3阀杆继续提升,并与阀杆螺旋槽内的导销相互作用,使球体开始无摩擦地旋转。
4直至到全开位置,阀杆提升到极限位置,球体旋转到全开位置。
二、关闭过程
1关闭时,顺时针旋转手轮,阀杆开始下降并使球体离开阀座开始旋转。
2继续旋转手轮,阀杆受到嵌于其上螺旋槽内的导销的作用,使阀杆和球体同时旋转90°。
3 快要关闭时,球体已在与阀座无接触的情况下旋转了90°。
4手轮转动的*后几圈,阀杆底部的角形平面机械地楔向压迫球体,使其紧密地压在阀座上,达到完全密封。
使用方法:
1.操作前须确认管路和阀已被冲洗过。
2.阀的操作按执行机构输入信号大小带动阀杆旋转完成:正向旋转1/4圈(900)时,阀关断。反向旋转1/4圈(900)时,阀开启。
3.当执行机构方向指示箭头与管线平行时,阀门为开启状态;指示箭头与管线垂直时,阀门为关闭状态。

防爆气动球阀技术参数 公称通径 DN50-500mm 连接方式 法兰 气缸配置 AT、GT、AW、G系列 气缸形式 双作用、单作用(弹簧复位) 控制方式 二位切断(开关型)、调节型、三段式(开度可选) 公称压力 16、25、40bar(如需更高压力订货时请注明) 气源压力 4~7bar 介质温度 MF3:-40~220℃ MF4:-40~300℃ MF5:-40~425℃ MF6:-60~425℃ 环境温度 标准型:-20~80℃ 阀体材质 碳钢、不锈钢 密封材质 聚四氟乙烯(MF3)、对位聚苯(MF4)、金属硬密封(MF5)、硬质合金(MF6) 技术参数
公称通径 DN(mm) 15 20 25 32 40 50 65 80 100 125 150 200 允许压差(MPa) ≤公称压力 动作范围 0~90° 阀体形式 二段分体式铸造阀体 阀盖形式 整体式 压盖型式 螺栓压紧式 密封填料 聚四氟乙烯填料、含浸聚四氟乙烯石棉填料、石棉纺织填料、石墨填料 连接方式 法兰式、螺纹式(适用于1/2"~2") 阀芯形式 三通球型阀芯 流量特性 近似快开特性 泄露量Q 软密封:零泄露;金属密封:按GB/T4213-92,小于额定KV0.01% 配置执行机构 GT、AT、AR、AW系列单双作用气动执行器 控制方式 开关两位控制、4~20mA模拟量信号控制 五、气动防爆球阀 执行机构参数
执行器型号 GT、AT、AR、AW系列单双作用气动执行器 供气压力 0.4~0.7MPa 气源接口 G1/4"、G1/8"、G3/8"、G1/2" 环境温度 -30~+70℃ 作用形式 单作用执行机构:气关式(B)--失气时阀位开(FO);气开式(K)--失气时阀位关(FC)
双作用执行机构:气关式(B)--失气时阀位保持(FL);气开式(K)-- 失气时阀位保持(FL)可配附件 定位器、电磁阀、空气过滤减压器、保位阀、行程开关、阀位传送器、手轮机构等 公称通径 DN(mm) 15 20 25 32 40 50 65 80 100 125 150 200 允许压差(MPa) ≤公称压力 动作范围 0~90° 阀体形式 二段分体式铸造阀体 阀盖形式 整体式 压盖型式 螺栓压紧式 密封填料 聚四氟乙烯填料、含浸聚四氟乙烯石棉填料、石棉纺织填料、石墨填料 连接方式 法兰式、螺纹式(适用于1/2"~2") 阀芯形式 三通球型阀芯 流量特性 近似快开特性 泄露量Q 软密封:零泄露;金属密封:按GB/T4213-92,小于额定KV0.01% 配置执行机构 GT、AT、AR、AW系列单双作用气动执行器 控制方式 开关两位控制、4~20mA模拟量信号控制 五、气动防爆球阀 执行机构参数
执行器型号 GT、AT、AR、AW系列单双作用气动执行器 供气压力 0.4~0.7MPa 气源接口 G1/4"、G1/8"、G3/8"、G1/2" 环境温度 -30~+70℃ 作用形式 单作用执行机构:气关式(B)--失气时阀位开(FO);气开式(K)--失气时阀位关(FC)
双作用执行机构:气关式(B)--失气时阀位保持(FL);气开式(K)-- 失气时阀位保持(FL)可配附件 定位器、电磁阀、空气过滤减压器、保位阀、行程开关、阀位传送器、手轮机构等 七、Q6B41F气动防爆球阀连接尺寸
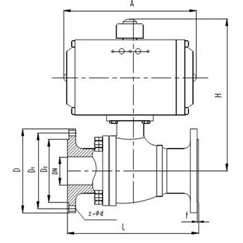
公称通径DN(mm) 主要尺寸 法兰尺寸 PN1.6MPa PN2.5MPa L H H1 L1 D D1 D2 n-φd D D1 D2 n-φd 15 130 185 / 140 95 65 46 4-14 95 65 46 4-14 20 140 191 / 140 105 75 45 4-14 105 75 56 4-14 25 150 193 / 140 115 85 65 4-14 115 85 65 4-14 32 165 212 / 164 140 100 76 4-18 140 100 76 4-18 40 180 217 / 164 150 110 84 4-18 150 110 84 4-18 50 200 260 102 190 165 125 99 4-18 165 125 99 4-18 65 220 293 114 210 185 145 118 4-18 185 145 118 8-18 80 250 323 127 247 200 160 132 8-18 200 160 132 8-18 100 280 382 152 276 220 180 156 8-18 235 190 156 8-22 125 320 468 184 348 250 210 184 8-18 270 220 184 8-26 150 360 510 219 378 285 240 211 8-22 300 250 211 8-26 200 400 655 273 524 340 295 266 12-22 360 310 274 12-26 250 630 / 360 / 405 355 319 12-26 425 370 330 12-30 300 750 / 395 / 460 410 370 12-26 485 430 389 16-30 注:由于产品改进技术创新参数可能有一定变化,公司不另行通知,请咨询公司技术部门索取*新数据。

气动球阀在安装使用之前,必须对阀门进行安装前的检查和开关运行试验。只有在运行动作正常的条件下,才能安装使用。防爆气动球阀采用AT、GT、AW、G系列气动执行器配置防爆电磁换向阀、防爆限位开关、防爆定位器等防爆元器件+浮动式球阀或者其他结构球阀组成,具有可靠的防爆性能。气动防爆球阀广泛应用于化工、石油、轻纺、电力、制冷、航空、航天等对防爆要求较高的工业管路控制领域。

气动球阀的安装要尽可能是阀门与管路法兰同心,并加支撑固定。不能使球阀受其它外力作用,以免损坏阀门的密封剂阀门变形。造成阀门开关不灵及阀门的损坏而无法使用。
要保证气动球阀及气动元件所提供的动力气源必须洁净,尽可能不带油污和水。清洁度应该小于0.4为米。
在接入气源之前,必须清洁供气管路、气源接口和开关等器件,防止由于管路不清洁带上污物泥沙等冲进气动执行元件而造成故障。
气动执行器、电磁阀、定位器、过滤器减压器等的连接。可用铜管或PU管,电磁阀的排气口应安装消音器或节流消音器。
安装好阀门以后,对气动球阀就行试验,给气动执行器加压至额定值,压力位0.4-0.4Mpa,对气动球阀进行开关试验,观察阀门的开闭情况。应转动灵活无卡阻现象。如有爬行现象,可适当加大气源压力。反复开关使阀门开关灵活即可。
安装调试开关型气动球阀时,先用手动装置进行(电磁阀上有手动按钮)调试,动作正常后再通电调试。
气动球阀应定期进行维护保养阀杆转动处,应三个月加润滑油一次。定期对空气过滤器进行防水、排污。正常的情况下六个月检查一次,每年检修一次。

订货须知:一、①产品名称与型号②口径③是否带附件以便我们的为您正确选型④使用压力⑤使用介质的温度。
二、若已经由设计单位选定公司的型号,请型号直接向我司销售部订购。三、当使用的场合非常重要或环境比较复杂时,请您尽量提供设计图纸和详细参数,由我们的阀门公司专家为您审核把关。产品所属球阀选型,感谢您访问我们申弘阀门的网站如有任何疑问.您可以致电给我们,我们一定会尽心尽力为您提供优质的服务。如需要了解更多其它阀类产品的信息可以点击减压阀查看。
-
联系方式
- 联系人:申弘阀门
- 电 话:021-59260058
- 手 机:15901754341
- 传 真:86-021-31662735
- 邮 箱:494522509@qq.com
- 邮 编:201718
- 地 址:上海市青浦区金泽工业园区
- 网 址: https://bengye.cn.goepe.com/
http://www.021-fm.com
-
产品搜索







