-
BX44W三通保温旋塞阀申弘
详细信息| 询价留言BX44W三通保温旋塞阀产品说明
三通称夹套旋塞阀,是在普通三通旋塞阀的基础上,在旋塞阀阀体外部焊装金属夹套。在阀体两测装有夹套接口,可涵入蒸气或其它过热气体,以保护阀内介质不会在常温下凝固或结晶。同一规格口径的情况下,保温旋塞阀的连接尺寸要比普通旋塞阀大一到两个规格。
BX44W三通保温旋塞阀主要用于石油、化工、冶金、制药等各类系统。它的阀塞的形状可成圆柱形或圆锥形。在圆柱形阀塞中,通道一般成矩形;而在锥形阀塞中,通道成梯形。这些形状使旋塞阀的结构变得轻巧。*适于作为切断和接通介质以及分流适用,但是依据适用的性质和密封面的耐冲蚀性,有时也可用于节流。
BX44W三通保温旋塞阀产品特点
1、旋塞阀用于经常操作,启闭迅速、轻便。
2、旋塞阀流体阻力小。
3、旋塞阀结构简单,相对体积小,重量轻,便于维修。
4、密封性能好。
5、不受安装方向的限制,介质的流向可任意。
6、无振动,噪声小。 三通保温旋塞阀,包括阀体,在阀体内设有阀腔,阀腔内设有塞子,在阀体外侧壁上包裹设有保温外壳,在保温外壳和阀体外侧壁之间形成有保温腔室,在保温外壳左右两侧分别设有两根连通保温腔室的管道,管道一端开设有环形连接槽,环形连接槽内槽壁上设有用于配合供热蒸汽管道螺纹连接的内连接螺纹,环形连接槽内槽壁上沿周向开设有环形内槽,环形内槽槽口处沿周向设有用于封闭环形内槽的塑性橡胶挡片,环形内槽内槽壁上连接有连接管,管道外侧壁上设有开口槽,连接管一端贯穿管道侧壁后延伸到开口槽中,连接管上设有用于控制进出气的进出气控制组件.BX44W三通保温旋塞阀主要性能规范
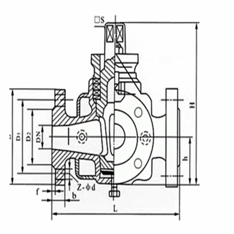
BX44W三通保温旋塞阀主要尺寸型号 公称压力
PN(MPa)试验压力PS(MPa) 工作压力
P(MPa)适用介质 工作温度
(℃)壳体 密封 BX44W-1.0P 1.0 1.5 1.1 1.0 硝酸类等 ≤250 BX44W-1.0C 1.0 1.5 1.1 1.0 非腐蚀、弱腐蚀 ≤200 口径(DN) L D D1 D2 z-φd 20 145 150 105 75 55 4-14 25 145 160 115 85 65 4-14 32 165 190 135 100 78 4-18 40 180 200 145 110 85 4-18 50 200 220 160 125 100 4-18 65 220 280 180 145 120 4-18 80 250 300 195 160 135 4-18 100 300 340 215 180 155 8-18 125 350 245 210 185 8-18 150 400 280 240 210 8-23 200 450 335 295 265 8-23 250 530 390 350 320 12-23 300 580 440 400 368 12-23
BX44W三通保温旋塞阀主要材料零件名称 阀体、塞子 填料 BX44W-1.0P
BX44W-1.0R不锈钢 石墨盘根+304 BX44W-1.0C 铸钢 
本实用新型提供了一种密封性好,安全性高且方便密封使用的三通保温旋塞阀.主要作用是通过启闭控制管道和设备内的介质流动。小型无填料的旋塞阀又被称为"考克"。其原理与球阀基本相似,球阀是在旋塞阀的基础上发展起来的,法兰旋塞阀zui适于作为切断和接通介质以及分流适用,但是依据适用的性质和密封面的耐冲蚀性,有时也可用于节流。再安装旋塞阀前务必记住所推荐的旋塞阀门的用途是什么,并对所应用的环境进行分析,这样才能决定于安装什么样的阀门。在安装正确的旋塞阀之前,为了防止损坏旋塞阀,并保证充分发挥旋塞阀的工作性能,BX44W三通保温旋塞阀请阅读一下安装指南。

1、先沿着垂直方向切割管道,并修整、去除毛刺,测量管径。
2、使用纱布或钢丝刷清除管道和切割部位,使其金属表面发光发亮。建议不要使用钢丝绒。
3、在管道的外面和焊接罩的内部涂上焊剂,焊剂必须完全覆盖焊接表面。请有节制地使用焊剂。
4、要确保阀门处于开启状态。先对管道加热。尽可能多的将热从管道传递到旋塞阀。避免延长旋塞阀本身的加热时间。

订货须知:
一、①产品名称与型号②口径③是否带附件以便我们的为您正确选型④的使用压力⑤的使用介质的温度。
二、若已经由设计单位选定公司的型号,请按型号直接向我司销售部订购。三、当使用的场合非常重要或环境比较复杂时,请您尽量提供设计图纸和详细参数,由我们的阀门公司专家为您审核把关。如有疑问:请:我们一定会尽心尽力为您提供优质的服务。提供全面、“阀门系统解决方案",也十分愿意帮助用户解决生产中所遇到的难题。
-
联系方式
- 联系人:申弘阀门
- 电 话:021-59260058
- 手 机:15901754341
- 传 真:86-021-31662735
- 邮 箱:494522509@qq.com
- 邮 编:201718
- 地 址:上海市青浦区金泽工业园区
- 网 址: https://bengye.cn.goepe.com/
http://www.021-fm.com
-
产品搜索









