-
BX44W阀沥青专用旋塞阀申弘
详细信息| 询价留言BX644W沥青专用气动旋塞阀产品说明沥青保温旋塞阀可安装气动执行器、电动执行器,实现自动化控制。具有低扭矩、开关轻便等特点。采用整体式夹套保温层结构设计,根据用户需要夹套内注入蒸气、导热油等。使用整个阀门常温达到所需要的温度,确保阀内介质能够正常工作,具有良好的保温特性,主要供开启和关闭管道和设备介质之用,塞体随阀杆转动,以实现启闭动作。小型无填料的旋塞阀又称为“考克”。旋塞阀的塞体多为圆锥体(也有圆柱体),与阀体的圆锥孔面配合组成密封副。旋塞阀是使用早的一种阀门,结构简单、开关迅速、流体阻力小。

【BX644W沥青专用气动旋塞阀产品介绍】:
BX43W、BX44W沥青保温旋塞阀是在沥青专用旋塞阀的基础上在阀体外部焊装了金属夹套,分别有二通和三通的形式。在阀体两侧装有夹套接口,可注入蒸汽、导热油或其它过热气体,以防止沥青在常温状态下凝固。广泛应用于沥青加温设备、炼油场、沥青搅拌站、沥青罐等筑养路机械等领域。气动沥青旋塞阀是在旋塞阀的基础上在阀体外部焊装了金属夹套,并加装了气动执行器,使阀门满足自动控制的功能。分别有二通和三通的形式。在阀体两侧装有夹套接口,可注入蒸汽、导热油或其它过热气体,以防止沥青在常温状态下凝固。沥青旋塞阀采用喷涂高温漆,使漆面更不容易变色脱落。

GT型系列气动执行器是将压缩空气为动力,通过活塞齿条、齿轮的机械传动,以角行程输出扭距的气动执行器,产品外型小、重量轻、使用寿命长性能高。是目前一种新型的气动执行器产品。分为双作用和单作用(弹簧复位)。适用于角行程控制阀(球阀、蝶阀类)的开关和调节。也可用于其它需要回转的场合。
主要特点
1、 相同规格有双作用式、单作用式(弹簧复位)。
2、 标准旋转轴角度可调节-5~ 5℃范围。
3、 所有滑动部件采用塑料轴承衬套、导向,保持小摩擦力,并有效地抵抗磨损。
4、 外壳表面阳极化电镀,防腐蚀保护;旋转轴镀硬质镍磷合金;螺丝、螺母为不锈钢。 5、 单作用式弹簧预装在弹簧座内,很容易装配或增补弹簧数量。
6、 连接、安装接口标准化模块设计,方便配装球阀、蝶阀、信号盒及控制附件。
7、 可选择旋转方向顺时针旋转或逆时针旋转;两端调节螺丝可调节小于标定角度调整。 8、 特殊的腐蚀环境可采用不锈钢外壳

BX644W沥青专用气动旋塞阀特点:
1、沥青旋塞阀是用于沥青、重油、厚质等易于凝固类介质设备中的保温元件专用阀门。该阀内除流道外无其它任何空间,介质通过后不会积留在阀腔内。
2、阀体外部设有保温层,可通过蒸气或导热油进行加温,即使外界温度降到零度以下,该阀仍能保持流道内的介质畅通,不会冻结。
3、该阀操作简单、灵活方便,以90度旋转来实现切断和接通管路介质。
4、产品设计制造严格按照GB/T标准,结构合理、启闭速度快。
5、阀体采用高温用铸钢材料,耐温可以高达425℃,压力可达PN≤420公斤。
6、密封面采用本体密封,精加工后,与阀芯进行对高精度研磨,确保密封可靠。
7、阀门保温连接端采用法兰连接,从而避免了导热介质通过保温层使其热膨胀导致保温介质泄漏现象。更好实现加温作用。
工作原理:
沥青旋塞阀采用保温夹套设计,利用外部热源在阀门的外部循环加热,可以有效防止介质通过阀门时温度损失,保证介质的温度。主要用于石油、化工、沥青等各类系统中,防止以输送常规下会凝固的高粘度介质。
BX43W、BX44W沥青保温旋塞阀采用保温夹套设计,利用外部热源在阀门的外部循环加热,可以有效防止介质通过阀门时温度损失,保证介质的温度。主要用于石油、化工、沥青等各类系统中,防止以输送常规下会凝固的高粘度介质。

BX644W沥青专用气动旋塞阀执行器GT单作用输出力矩表(Nm) 型号 弹簧
数量
气源克服弹簧输出力矩(Nm) 弹簧输出力矩(N.M) 0.4MPa 0.5MPa 0.6MPa 0.7MPa 0°
开始
90°
结束
0°
开始
90°
结束
0°
开始
90°
结束
0°
开始
90°
结束
0°
开始
90°
结束
GT52K 8 7.6 2.3 11.5 6.2 15.4 10.1 19.3 14 13.3 8 GT63K 8 10.4 4.8 16.2 10.6 22 16.4 27.8 22.2 18.4 12.8 GT75K 8 20.8 1.6 30.8 14.6 40.8 24.6 50.8 34.6 35.4 19.2 GT83K 8 30.4 13.6 44.4 27.6 58.2 41.6 72.4 55.6 42.4 25.6 GT92K 8 - - 60.2 35.4 79.6 54.7 99 74 61.7 36.8 GT110K 8 51.9 17.9 80.1 46.1 108.3 74.3 136.5 102.5 94.9 60.9 GT118K 8 84 26.8 126 68.8 168 110.8 210 152.8 141.2 84 GT127K 8 120 52 175 107 220 162 285 217 158 100 GT143K 8 - - 255.9 73.6 343.8 161.5 431.8 149.5 366.2 183.9 GT160K 8 232 129 342 238 452 349 562 459 411 208 GT190K 8 376.6 222.8 574 420.2 771.1 617.6 969.1 815 566.4 412.9 GT210K 8 522.4 332.8 759.4 569.8 996.4 806.8 1233.4 1043.8 615.2 425.6 GT254K 8 796 264 1096 699 1596 1134 2141 1569 1366 904 GT255K 8 1228 419.6 1771 2051.6 2314 1507.6 2857 2051.6 1750.4 944 GT300K 8 1968 1704 2177 1744 3537 3064 4321 3752 1641 1168 GT350K 8 3429 2232 4674 3056 5919 4048 7165 4152 3423 1552 BX644W沥青专用气动旋塞阀主要技术参数:
产品名称
产品型号
压力
规格
材质
操作方式
保温三通沥青阀
BX44W-16C
PN16
DN40-DN200
WCB
手动,气动,电动
公称压力
(PN)
试验压力(MPa)
适用温度(℃)
适用介质
强度试验
高压密封试验
低压密封试验
BX44W-16C
2.4
1.8
0.6
-29~425℃
沥青、重油等厚质性介质
【主要性能规范】:
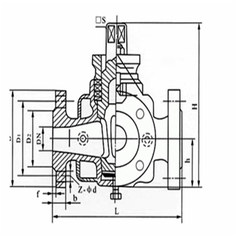
【BX644W沥青专用气动旋塞阀产品尺寸】:型号 公称压力
PN(MPa)试验压力PS(MPa) 适用介质 工作温度(℃) 壳体 密封 BX643W-1.6C 1.6 2.0 1.6 沥青及厚质油类 ≤350 BX644W-1.6C 1.6 2.0 1.6 公称通径
DN(mm)L D D1 D2 b F n-φd H S 50 二通 250 160 125 100 18 3 4-φ18 250 30×30 三通 250 160 125 100 18 3 4-φ18 65 二通 300 180 145 120 20 3 4-φ18 280 40×40 三通 300 180 145 120 20 3 4-φ18 80 二通 300 195 160 135 20 3 8-φ18 320 45×45 三通 300 195 160 135 20 3 8-φ18 100 二通 325 215 180 155 22 3 8-φ18 350 52×52 三通 325 215 180 155 22 3 8-φ18 125 二通 350 245 210 185 22 3 8-φ18 405 62×62 三通 350 245 210 185 22 3 8-φ18 150 二通 400 280 240 210 24 3 8-φ23 - 68×68 三通 400 280 240 210 24 3 8-φ23 200 二通 450 335 295 265 26 3 12-φ23 - 75×75 三通 450 335 295 265 26 3 12-φ23 
BX644W沥青专用气动旋塞阀结构改进点:
1、具有低扭矩、开关轻便。
2、夹套采用碳素钢管焊接比铸造的更加耐压牢固。
3、采用整体式夹套结构设计,更能均匀地保温、保冷。
4、可安装气动执行器、电动执行器,实现自动化控制。
5、保温入口有法兰、螺纹两种形式供用户选择,也可定制入口连接方式及规格大小。
6、阀门的通径和管径一至,介质呈直线流动,阻力小,能有效降低管路中介质热量的损失。
沥青气动阀广泛应用于沥青加温设备、炼油场、沥青搅拌站、沥青罐等筑养路机械等领域。气动沥青旋塞阀是在旋塞阀的基础上在阀体外部焊装了金属夹套,并加装了气动执行器,使阀门满足自动控制的功能。分别有二通和三通的形式。在阀体两侧装有夹套接口,可注入蒸汽、导热油或其它过热气体,以防止沥青在常温状态下凝固。沥青旋塞阀采用喷涂高温漆,使漆面更不容易变色脱落。

订货须知:一、①产品名称与型号②口径③是否带附件以便我们的为您正确选型④的使用压力⑤的使用介质的温度。
二、若已经由设计单位选定公司的型号,请按型号直接向我司销售部订购。三、当使用的场合非常重要或环境比较复杂时,请您尽量提供设计图纸和详细参数,由我们的阀门公司专家为您审核把关。如有疑问:请:我们一定会尽心尽力为您提供优质的服务。提供全面、“阀门系统解决方案",也十分愿意帮助用户解决生产中所遇到的难题。
-
联系方式
- 联系人:申弘阀门
- 电 话:021-59260058
- 手 机:15901754341
- 传 真:86-021-31662735
- 邮 箱:494522509@qq.com
- 邮 编:201718
- 地 址:上海市青浦区金泽工业园区
- 网 址: https://bengye.cn.goepe.com/
http://www.021-fm.com
-
产品搜索






