-
PLVG弹性座封偏心旋塞阀申弘
详细信息| 询价留言PLVG弹性座封偏心旋塞阀产品说明
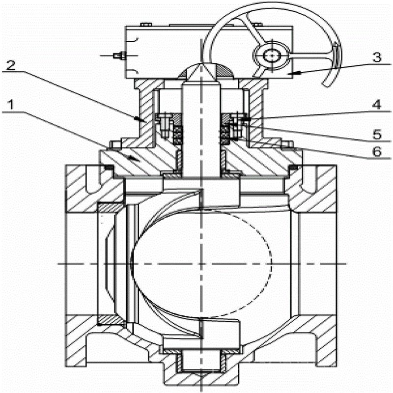
本实用新型涉及阀门技术领域,尤其涉及一种偏心旋塞阀,包括阀盖,支架,驱动装置,内六角螺钉,填料压盖以及填料,所述阀盖固定在阀体上,所述驱动装置通过所述支架固定在所述阀盖上部,所述填料压盖通过所述内六角螺钉固定在所述阀盖上并将所述填料压缩在填料压盖,阀盖,上阀轴之间.与O形圈相比,填料的摩擦系数小,可以降低与上阀轴的摩擦力,减小阀门的启闭扭矩.
弹性座封偏心旋塞阀因其偏心设计、不锈钢或纯镍堆焊的阀座、整体包胶旋塞,使得其耐蚀性、密封性极好,使用寿命、可靠性比传统部分回转阀门要长很多。因此,该阀作为传统旋塞阀和半球阀的理想升级产品,特别适合于工业污水、城市污水、泥浆和含固量高的介质的场合,目前在美国、德国和意大利等欧美发达国家的污水处理和其他工业系统已得到广泛应用。
弹性座封结构,克服了传统旋塞阀密封性能差且锈蚀的缺陷。独具的偏心密封设计,较传统旋塞阀大大降低了操作扭矩,且*大限度地减少了密封面的磨损,延长了阀门使用寿命。矩形直通流道,水头损失小,流量调节线性佳。其优异的密封性和耐蚀性、理想的操作性能和长久的使用寿命,适用于城市污水、工业污水、泥浆及清水等工作环境,作为截流或调节装置使用。
PLVG弹性座封偏心旋塞阀特点:
偏心密封设计:阀门密封面中心与旋塞旋转轴设计有一偏心距。利用偏心运动原理,开闭时旋塞与阀座愈旋愈紧,保证阀门密封紧密;开启时旋塞与阀座迅速脱离,无接触磨损,操作轻快,阀门使用寿命长。
整体包胶旋塞:球墨铸造旋塞骨架外用高性能橡胶整体热包覆,密封弹性佳,无橡胶脱落和冲刷腐蚀的担忧。
特种耐蚀阀座:根据不同工作介质,阀座可选用纯镍、不锈钢或其他特种材料,采用新型表面处理技术与阀体复合而成。结合牢固,可耐多种介质的冲刷腐蚀。
矩形直通流道:直通式流道使阀门水头损失很小;阀座流通截面为矩形,可获得流量的线性调节;矩形较大的几何尺寸和流道自冲洗设计,更适合于污水或含有固体杂质的场合。
一体式弓形阀轴:阀轴与旋塞整体铸造成型,强度和扭力传动刚度高,杜绝了传统旋塞阀轴销失效的危险。弓形旋塞,较传统柱塞重量减轻将一半,在阀门全开时避开流道且具有导流作用。
结构轻巧紧凑:阀门采用高强度之球墨铸造,重量较传统旋塞阀减轻20%以上。短小的阀体面间距,缩短了流体在流道内的停留时间,流体流速的提高,减少了杂质的沉积。
耐蚀表面处理:阀门内外表面采用无毒性环氧树脂静电喷涂,防止阀门本体锈蚀,适用于污水系统及户外、地下等恶劣环境。
软密封偏心旋塞阀原理:全开位置:直通流道,自冲洗设计,不易沉积杂质。对称矩形喇叭口,使水流形态得到理想恢复。
调节位置:阀门可在任意开度调节流量,旋塞导流效果明显,流量调节线性好。调节时,旋塞与阀座无接触磨损。
全关位置:自紧密封,压力愈高密封性愈旋愈紧。偏心运动,旋塞与阀座愈旋愈紧。正向密封完全零泄漏。
PLVG弹性座封偏心旋塞阀原理特点:
1、旋塞阀阀体为一体式,顶装式设计,结构简单,在线维护方便,无阀体泄漏点,支持更高的管道系统强度。
2、化工工艺中的介质具有很强的腐蚀性,在化工现场,经常会看到阀体被介质腐蚀透,因此应用于化工工艺的阀门,阀体要有较强的抗渗透性和抗晶间腐蚀性,旋塞阀的阀体为高等级铸件,铸件质量为II级,精度为V级。
3、简的内件,启闭件即旋塞被衬套完全包覆,阀体和旋塞无磨损,简单经济的衬套和顶部密封更换即可完成阀门的维修和更新,可达到300℃的长期使用要求,和同属这一应用区间的金属硬密封球阀相比具有相当大的竞争优势。
4、整个加工面只有顶面和法兰,其它部件全部一次性铸造成型,阀体内部无加工,同球阀相比较具有加工余量低的优势,当材质为INCONEL、MONEL、哈氏合金等特材时,具有明显的价格优势。
5、可根据用户的需求增加多种设计而达到特定功能。旋塞阀是客户定制类阀门产品中的佼佼者,易于实现客户工艺专用定制,可以做成三通、四 通、五通、六通,双阀组或多阀组,各种夹套要求等等,例如应用于聚酯行业的六通分配阀即为根据商要求定制的旋塞阀,而采用球阀做定制阀时较为困难。
6、无间隙和面密封目前仍然是旋塞阀的有特性,虽然有无间隙球阀的设计,但只是尽可能地将阀球同阀体的间隙缩小到1~3毫米的球阀设计,无法达到包 覆性面密封所具备的应用优势,这个特点,使旋塞阀适合处理很多严酷介质,例如易结晶、粘稠性、含有催化剂颗粒和有沉积腐蚀的流体。
7、包覆性衬套提供面密封特性,能符合API 598软密封阀座的"泄漏"测试要求,可达到ISO 15848的阀杆密封要求。PLVG弹性座封偏心旋塞阀零部件:
零件名称
材质
阀体
ASTM A216 WCB ASTM A351-CF8、CF8M、CF3、CF3M
旋塞
ASTM A216 WCB ASTM A351-CF8、CF8M、CF3、CF3M
阀座
不锈钢、镍合金或树脂
O型密封圈
橡胶EPDM、NBR
轴承
自润滑材料
阀盖
ASTM A216 WCB ASTM A351-CF8、CF8M、CF3、CF3M
V型密封圈
橡胶EPDM、NBR
压盖
ASTM A216 WCB ASTM A351-CF8、CF8M、CF3、CF3M
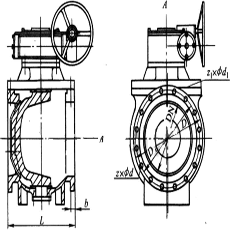
型号
PLV-150LB
压力等级
150LB
口径
mm
15
20
25
32
40
50
65
80
100
125
150
200
250
300
350
in
1/2
3/4
1
1 1/4
1 1/2
2
2 1/2
3
4
5
6
8
10
12
14
L-RF
108
117
127
140
165
178
190
203
229
254
267
292
330
356
381
L-BW
152
178
203
216
229
267
305
330
356
381
394
457
533
610
686
H
59
60
75
95
107
142
152
178
252
272
342
398
495
580
625
W
400
400
500
500
600
600
820
820
300
300
320
320
350
380
380
重量(Kg)
10
9.5
14
17
19
21
29
33
48
75
98
125
171
230
370

旋塞阀的启闭件是一个有孔的圆柱体,圆柱体与阀杆绕垂直于通道的轴线旋转,从而达到启闭通道的目的。主要供开启和关闭管道和设备介质之用。旋塞阀它广泛地应用于油田开采、输送和精练设备中,同时也广泛用于石油化工、化工、煤气、天然气、液化石油气、暖通行业以及一般工业中。
若弹性座封偏心旋塞阀用于清水管道系统中,其安装方式可以垂直也可以水平。在原水、污水系统里,旋塞阀必须要水平安装,使旋塞的轴线在垂直方向,并保证操作装置在上方,这样,在开启旋塞阀时,旋塞不会被沉于底部的杂质阻止或刮伤,另外杂质若沉积在阀体的底部,当旋塞在节流调节状态时,由于介质流速高,杂质易于冲出。

对于清水,阀门安装方向应为正向,即阀座与流体方向相对。若流体内含有固体、可沉积的颗粒,则应优先考虑阀门的轴线为水平方向安装。即在水平管线上,若打开阀门,旋塞应位于水平管道的顶部;在竖直管线上,若关闭阀门,旋塞应位于上部。
旋塞阀可以正向或反向安装,流体介质和阀门所处的位置决定阀门的安装方向。由于偏心密封结构,旋塞阀承受反向压力的能力受到限制,正常情况下只保证正向密封性能。
弹性座封偏心旋塞阀的直通流道,使流体水头损失小,在相同的流量下旋塞阀的压力损失*小,能耗*低,且随着阀门通径的增大这一优点更加明显。弹性座封偏心旋塞阀的矩形截面,可获得理想的线性流量调节特性,阀门的驱动方式可以配置电动、气动或液动装置,以便实现自动控制。

订货须知:一、①产品名称与型号②口径③是否带附件以便我们的为您正确选型④的使用压力⑤的使用介质的温度。
二、若已经由设计单位选定公司的型号,请按型号直接向我司销售部订购。三、当使用的场合非常重要或环境比较复杂时,请您尽量提供设计图纸和详细参数,由我们的阀门公司专家为您审核把关。如有疑问:请:我们一定会尽心尽力为您提供优质的服务。提供全面、“阀门系统解决方案",也十分愿意帮助用户解决生产中所遇到的难题。
-
联系方式
- 联系人:申弘阀门
- 电 话:021-59260058
- 手 机:15901754341
- 传 真:86-021-31662735
- 邮 箱:494522509@qq.com
- 邮 编:201718
- 地 址:上海市青浦区金泽工业园区
- 网 址: https://bengye.cn.goepe.com/
http://www.021-fm.com
-
产品搜索










