-     ZPG电动反冲洗过滤器申弘详细信息| 询价留言ZPG电动反冲洗过滤器产品说明 本实用新型公开了一种电动反冲洗水过滤器,其结构包括过滤筒、过滤网、进水口、出水口、水流导向阀、水流导向阀固定口、固定阀、排污口、排污闭合阀、螺丝、固定螺孔以及水流导向阀固定凹槽,所述过滤筒上设有过滤网,所述过滤筒上通过进水口设有固定螺孔,所述过滤筒上设有水流导向阀固定口和水流导向阀固定凹槽,所述过滤筒通过水流导向阀固定口和水流导向阀固定凹槽活动设有水流导向阀,所述过滤筒上设有出水口,所述过滤筒通过固定阀设有排污口,所述过滤筒通过排污口设有排污闭合阀,所述排污闭合阀通过螺丝与排污口连接,本实用新型设有水流导向阀,通过水流导向阀可控制水流对设备进行反冲洗,将废物通过排污口排出。 
  反冲洗过滤器,是一种利用滤网直接拦截水中的杂质,去除水体悬浮物、颗粒物,降低浊度,净化水质,减少系统污垢、菌藻、锈蚀等产生,以净化水质及保护系统其他设备正常工作的精密设备。是在自动反冲洗排污过滤器的基础上,利用过滤网前后压差(即阻力)并依靠自动化元件和电动执行机构,全自动完成过滤、清污、排污全过程的过滤器。 电动反冲洗过滤器除具有自动反冲洗排污过滤器的全部性能外,还实现了自动化,自动过滤排污和自动反冲洗清污, 电动反冲洗过滤器即可根据压差控制,也可定时控制,可根据工况需要任意设置时间清洗,排污。且清污、排污工线过滤过中一同完成的,不必停止水流运行。 
  二、ZPG电动反冲洗过滤器工作原理 1.定时反冲洗排污:定时清洗排污,可设定时间为2-24小时运作。当定时时间到,电动执行器打开排污阀时,过滤器进行排污30~60秒后电动执行器将转向蝶阀旋转90度至阻挡滤筒位,改变水流途径,进行反冲洗排污30~60秒,转向蝶阀复位,继续排污3~5秒,然后关闭排污口。 2.压差控制排污:压差控制器动作值可设定为0.03~0.7Mpa,当过滤器前后压差达到压差控制器设定值时,压差控制器动作,过滤器排污阀开启,30~60秒结束,转向蝶阀复位,继续排污3~5秒,关闭排污阀。 3.手动控制:通过控制箱上的按钮,直接控制反冲洗,排污。 一种附带排水板网的反冲洗过滤器,过滤本体内铺设连通管,在管道的任意处设有吸水孔,连通管两侧连接有文丘里管,排水管与文丘里管连接,连通管端部设置有格栅,格栅上设有若干固设在格栅上的排水板,排水板末端设一和各排水板连通的透气管,排水板首端上设连接各排水板的软管,软管和排水板的接合部密封;排水板网的外层过滤网顶部的四周制有折边,内层过滤网的上部安装有防震网,但该产品没有水流导向阀,不能通过水流导向阀控制水流进行反冲洗。 
  【ZPG电动反冲洗过滤器实用新型内容】 针对上述问题,本实用新型提供了一种电动反冲洗水过滤器,解决了没有水流导向阀,不能通过水流导向阀控制水流进行反冲洗。为解决上述技术问题,本实用新型所采用的技术方案是:一种电动反冲洗水过滤器,其结构包括过滤筒、过滤网、进水口、出水口、水流导向阀、水流导向阀固定口、固定阀、排污口、排污闭合阀、螺丝、固定螺孔以及水流导向阀固定凹槽,所述过滤筒上设有过滤网,所述过滤筒上通过进水口设有固定螺孔,所述过滤筒上设有水流导向阀固定口和水流导向阀固定凹槽,所述过滤筒通过水流导向阀固定口和水流导向阀固定凹槽活动设有水流导向阀,所述过滤筒上设有出水口,所述过滤筒通过固定阀设有排污口,所述过滤筒通过排污口设有排污闭合阀,所述排污闭合阀通过螺丝与排污口连接。 
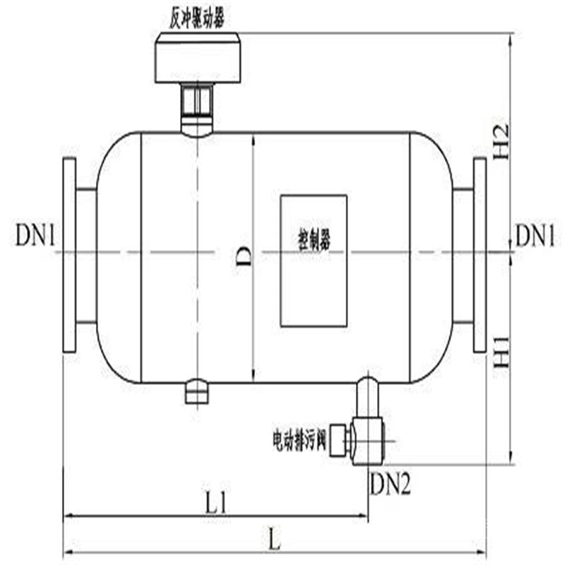
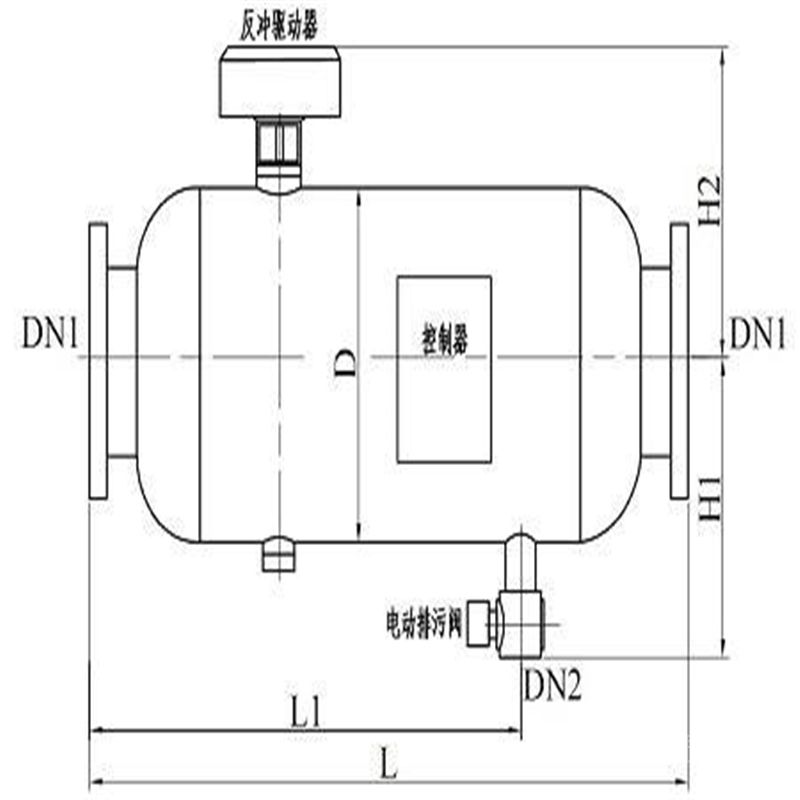
  性能特点 ◎ 单台流量:50-1200M3/H,更大流量可由多台单机并联. ◎ *小工作压力:0.2Mpa ◎ *工作压力:1.0/1.6/2.5/4.0Mpa ◎ *工作温度:80℃ ◎ 过滤精度:300~3500微米 ◎ 控制方式:压差、时间、手动 ◎ 控制箱接入电压:交流220v ZPG电动反冲洗过滤器外形尺寸 型号 L A B D 排污口DN ZPG-I-40 245 185 63 90 15 ZPG-I-50 255 190 70 100 15 ZPG-I-65 270 195 83 120 20 ZPG-I-80 320 232 96 140 25 ZPG-I-100 350 260 128 180 32 ZPG-I-125 438 326 162 200 40 ZPG-I-150 525 390 189 230 50 ZPG-I-200 700 520 220 280 65 ZPG-I-250 875 650 255 330 80 ZPG-I-300 1050 780 294 380 100 ZPG-I-350 1200 885 331 450 125 ZPG-I-400 1400 1040 377 480 150 ZPG-I-450 1550 1145 420 500 150 ZPG-I-500 1700 1250 462 580 150 ZPG-I-600 2000 1460 537 650 200 ZPG-I-700 2280 1720 607 700 200 ZPG-I-800 2500 1900 685 820 200 ZPG-I-900 2800 2180 785 880 200 ZPG-I-1000 3120 2470 860 920 250 ZPG-I-1100 3450 2780 915 960 250 ZPG-I-1200 3700 3000 965 1040 250 ZPG-I-1500 4470 3650 1220 1400 250 型号 L A B C D 排污口DN ZPG-L-40 320 170 80 226 90 15* ZPG-L-50 350 185 90 244 100 15* ZPG-L-65 380 200 100 270 120 20* ZPG-L-80 445 230 120 310 140 25* ZPG-L-100 536 265 160 365 180 32* ZPG-L-125 624 315 190 440 200 40 ZPG-L-150 728 375 220 520 230 50 ZPG-L-200 884 500 260 670 280 65 ZPG-L-250 1120 625 310 830 330 80 ZPG-L-300 1310 750 350 1000 380 100 ZPG-L-350 1514 875 410 1180 450 125 ZPG-L-400 1730 1000 470 1350 480 150 ZPG-L-450 1896 1125 510 1500 500 150 ZPG-L-500 2080 1250 550 1680 580 150 ZPG-L-600 2490 1500 650 2000 650 200 ZPG-L-700 2680 1600 680 2150 700 200 ZPG-L-800 2880 1750 700 2300 820 200 ZPG-L-900 3150 1850 800 2480 880 200 ZPG-L-1000 3370 2000 900 2675 920 250 ZPG-L-1100 3610 2100 1000 2900 960 250 ZPG-L-1200 3850 2250 1100 3050 1040 250 ZPG-L-1500 4700 2800 1200 3800 1400 250  
 进一步的,所述水流导向阀上包括导向电机、导向轴以及导向器,通过水流导向阀控制水流将废物通过排污口排出。进一步的,所述导向电机通过水流导向阀固定口与过滤筒连接,所述导向轴通过水流导向阀固定凹槽与过滤筒连接,所述导向电机通过导向轴设有导向器。 由上述对本实用新型结构的描述可知,和现有技术相比,本实用新型具有如下优占本实用新型设有水流导向阀,所述水流导向阀上包括导向电机、导向轴以及导向器,通过水流导向阀可控制水流对设备进行反冲洗,将废物通过排污口排出。 为了使本实用新型的目的、技术方案及优点更加清楚明白,以下结合附图及实施例,对本实用新型进行进一步详细说明。应当理解,此处所描述的具体实施例仅仅用以解释本实用新型,并不用于限定本实用新型。以上所述仅为本实用新型的较佳实施例而已,并不用以限制本实用新型,凡在本实用新型的精神和原则之内所作的任何修改、等同替换和改进等,均应包含在本实用新型的保护范围之内。 订货须知:
 一、①产品名称与型号②口径③是否带附件以便我们的为您正确选型④的使用压力⑤的使用介质的温度。
 二、若已经由设计单位选定公司的型号,请按型号直接向我司销售部订购。
 三、当使用的场合非常重要或环境比较复杂时,请您尽量提供设计图纸和详细参数,由我们的阀门公司专家为您审核把关。如有疑问:请:我们一定会尽心尽力为您提供优质的服务。提供全面、*的“阀门系统解决方案",也十分愿意帮助用户解决生产中所遇到的难题。
- 
- 留 言- 联系人:申弘阀门
- 电 话:021-59260058
- 手 机:15901754341
- 传 真:86-021-31662735
- 邮 箱:494522509@qq.com
- 邮 编:201718
- 地 址:上海市青浦区金泽工业园区
- 网 址:	      https://bengye.cn.goepe.com/	      	        
 http://www.021-fm.com
 
- 
产品搜索










 
														 
														 
														 
														 
														 
														 
														 
														 
														 
														 
														