-
HH44X微阻缓闭止回阀申弘
详细信息| 询价留言HH44X微阻缓闭止回阀产品说明
本实用新型属于阀门,具体地说是一种带有微阻缓闭机构的止回阀。目前,生产和使用中的给水排水管道中的止回阀有两种结构形式,一种是不带缓闭装置的止回阀,这种止回阀在其关闭时容易产生破坏性锤,产生的后果是爆裂管网,损坏机组。另一种止回阀带有缓闭装置,但是这种缓闭装置中的阻尼介质是利用给水管道中的水。因此只能用于清洁水的给排水管道,而不能用于带有泥砂的源水和工业循环水,适用范围比较窄。该缓闭装置使用过程中长期浸泡在水中,容易产生锈蚀,使缓闭动作失灵。本实用新型涉及逆止阀,具体涉及微阻缓闭止回阀。

背景技术:
微阻止回阀又称逆止阀,依靠介质本身流动而自动开启或关闭阀瓣,防止管路中的介质倒流。现有的微阻止回阀,阀芯每次闭合时都会对产生较大的冲击力,从而导致阀芯的密封面(通常是锥面)因频繁冲击而损伤,造成阀门泄露。
微阻缓闭止回阀用于给排水管道上,安装在水泵出口处用来防止介质逆流和消除破坏性水锤,并能有效减少阀门关闭锤压力。微阻缓闭止回阀可保障管网系统运行。具有阀瓣轻、开度大、节能效果显著,流体阻力小,水锤消除机构成设计新颖,密封性能可靠、耐磨损、无振动、无噪声等优点。

HH44X微阻缓闭止回阀技术实现要素:
本实用新型所要解决的技术问题是微阻止回阀的阀芯的密封面因频繁冲击而容易损伤,从而造成阀门泄露的问题。为了解决上述技术问题,本实用新型所采用的技术方案是提供一种微阻缓闭止回阀,包括阀体以及设置在所述阀体内的阀座、阀芯和密封函,所述阀体具有中腔以及进液通道和出液通道,所述阀芯具有阀轴,所述阀轴滑动设置于所述密封函上的导向孔内,所述阀轴的上端面与所述导向孔之间形成缓冲腔,所述阀轴的顶面中心处设有轴向的过流孔,所述过流孔内设有流量调节装置且与所述中腔相通。

在上述方案中,所述阀芯与所述密封函之间设有弹簧。
在上述方案中,所述阀体整体呈三通状,其中上端为阀口,下端为所述进液通道,侧部为所述出液通道,中部内腔为所述中腔,所述进液通道与所述阀口同轴,并且与所述出液通道垂直。
在上述方案中,所述进液通道的内端设有凹坑,所述阀座置于所述凹 坑内,所述阀座的外侧面与所述进液通道的内侧壁之间设有密封圈,所述阀座的下端面与所述凹坑之间设有密封座。
在上述方案中,所述阀芯与所述阀座相对的配合面分别为阀芯密封面和阀座密封面,所述阀芯密封面和所述阀座密封面均为锥面结构。
在上述方案中,所述密封函通过衬垫支撑在所述阀座上,阀盖固定在阀口上紧压所述密封函。
在上述方案中,所述导向孔的底端固定设有缓冲垫片。
在上述方案中,所述阀芯上设有用于安装所述弹簧的环形槽。
本实用新型,在阀芯运动过程中,阀轴的上端与导向孔之间的缓冲腔可以通过过流孔和流量调节装置,对阀芯的运动进行自动调节,使得阀芯关闭时阀芯密封面与阀座密封面缓慢贴合,可防止因阀芯与阀座之间的巨大冲击力而导致密封面损坏。

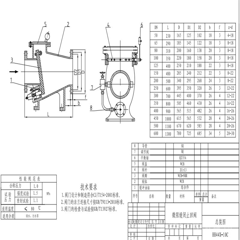
HH44X微阻缓闭止回阀主要技术参数
公称压力:1.0~2.5MPa
公称通经:40~800mm
适用介质:水、弱腐蚀性液体
适用温度:0~80℃(如需要,可达200℃)
法兰标准:GB/T 17241.6 GB/T 9113
HH44X微阻缓闭止回阀主要技术参数:
公称压力 1.0~2.5MPa 公称通经 40~800mm 适用介质 水及弱腐蚀性流体 适用温度 0~80℃(如需要,可达200℃) 法兰标准 GB/T 17241.6 GB/T 9113 试验标准 GB/T 13927 AP1598 四、HH44X微阻缓闭止回阀主要零部件材质:
零件名称 材质 阀体 铸铁、铸钢、不锈钢 阀盖 铸铁、铸钢、不锈钢 阀瓣 碳钢、不锈钢+丁腈橡胶 阀杆、活塞 不锈钢 五、HH44X微阻缓闭止回阀性能参数:
型号 公称通径
DN(mm)公称压力
PN(MPa)试验压力Ps(MPo) *高工作压力
(MPa)工作温度 适用介质 壳体 密封 HH44X-10 40-800 1.0 1.5 1.1 1.0 0-80℃(根
据用户要求
可达200℃)水、弱腐
蚀性介质HH44X-16 1.6 2.4 1.76 1.6 HH44H-25 2.5 3.75 2.75 2.5 
六、HH44X微阻缓闭止回阀主要外形尺寸(法兰连接尺寸:按JB/T79—94):公称压力 (MPa) 公称通径DN(mm) 尺 寸(mm) L H B 1.0
1.6
2.540 200 300 220 50 230 300 270 65 290 320 290 80 310 354 300 100 350 350 320 125 400 380 340 150 480 500 410 200 500 580 450 250 600 670 550 300 700 730 580 350 800 820 630 400 900 920 700 450 1000 950 800 500 1100 1100 900 600 1300 1200 990 700 1400 1550 1120 800 1500 1700 1300 本实用新型不局限于上述*佳实施方式,任何人应该得知在本实用新型的启示下作出的结构变化,凡是与本实用新型具有相同或相近的技术方案,均落入本实用新型的保护范围之内。本实用新型公开了一种微阻缓闭止回阀,包括阀体以及设置在所述阀体内的阀座、阀芯和密封函,所述阀体具有中腔以及进液通道和出液通道,所述阀芯具有阀轴,所述阀轴滑动设置于所述密封函上的导向孔内,所述阀轴的上端面与所述导向孔之间形成缓冲腔,所述阀轴的顶面中心处设有轴向的过流孔,所述过流孔内设有流量调节装置且与所述中腔相通。

本实用新型,在阀芯运动过程中,阀轴的上端与导向孔之间的缓冲腔可以通过过流孔和流量调节装置,对阀芯的运动进行自动调节,使得阀芯关闭时,阀芯密封面与阀座密封面缓慢贴合,可防止因阀芯与阀座之间的巨大冲击力而导致密封面损坏。

订货须知:
一、①产品名称与型号②口径③是否带附件以便我们的为您正确选型④的使用压力⑤的使用介质的温度。
二、若已经由设计单位选定公司的型号,请按型号直接向我司销售部订购。三、当使用的场合非常重要或环境比较复杂时,请您尽量提供设计图纸和详细参数,由我们的阀门公司专家为您审核把关。如有疑问:请:我们一定会尽心尽力为您提供优质的服务。提供全面、*的“阀门系统解决方案",也十分愿意帮助用户解决生产中所遇到的难题。
-
联系方式
- 联系人:申弘阀门
- 电 话:021-59260058
- 手 机:15901754341
- 传 真:86-021-31662735
- 邮 箱:494522509@qq.com
- 邮 编:201718
- 地 址:上海市青浦区金泽工业园区
- 网 址: https://bengye.cn.goepe.com/
http://www.021-fm.com
-
产品搜索






