-
PZ44H快速排污阀申弘
详细信息| 询价留言PZ44H快速排污阀 产品说明
快速排污阀是直接依靠介质压力产生的作用力来帮助作用于阀瓣上的机械荷密封的,作用在阀瓣上的机械载荷主要是来自压缩弹簧,这种几乎是固定的机械载荷。虽然对于压缩弹簧,加载的排污阀可以通过调整弹簧力来达到良好密封,但密封压差必须足够强,以保证足够的密封力,从而在阀正常运行时达到密封。密封压差还应小于启闭压差,以确保开启灵活。

PZ44H快速排污阀采用主要标准
1、设计制造按GB/T12237-1989的规定。
2、检验和试验按GB/T13927-1992的规定。
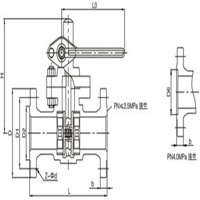
3、法兰尺寸按JB79-59的规定。
4、压力--温度等级按GB9131的规定。
5、压缩弹簧按GB/T1239.2的规定。
6、结构长度按JB/T6900-93的规定。
PZ44H快速排污阀结构特点
-
阀体与阀盖采用夹箍式连接,结构紧凑,拆卸方便,便于安装,支管为焊接连接。
-
采用压力自紧式密封结构,密封圈由成型的石棉盘根制成,介质压力越高、密封性越好。
-
介质由支管流入向下排污。
-
阀瓣为活塞式结构,并进行渗硼处理。耐腐蚀,抗冲蚀。使用寿命长。
PZ44H快速排污阀性能规范:
型号 公称压力 试验压力Ps(MPa) 适用介质 适用介质(℃) PZ44H、PZ48H-16C 1.6 2.4 1.8 水、蒸汽 ≤250 PZ44H、PZ48H-16P PZ44H、PZ48H-25C 2.5 3.8 2.8 PZ44H、PZ48H-25P ≤425 PZ44H、PZ48H-40C 4.0 6.0 4.4 PZ44H、PZ48H-40P ≤250 PZ44H快速排污阀零部件材料:
零件名称 阀体、阀盖 阀座、闸板 阀杆 齿轮轴 填料 垫片 扳手 PZ44H、PZ48H 铸钢 铬不锈钢 铬不锈钢 铬不锈钢 油浸石墨
石棉盘根橡胶石
棉板球墨铸铁 公称压力 PN(MPa) 公称通径 DN(mm) - 重量(kg) L D D1 D2 D6 b ZΦd H LO - 1.6 25 160 115 85 65 - 14 4-Φ14 160 180 10 32 200 135 100 78 - 16 4-Φ18 180 200 11 40 230 145 110 85 - 16 4-Φ18 220 220 16 50 250 160 125 100 - 16 4-Φ18 230 240 20 65 265 180 145 120 - 18 4-Φ18 250 280 28 80 280 195 160 135 - 20 8-Φ18 280 350 38 2.5 25 160 115 85 65 - 16 4-Φ14 160 180 10 32 200 135 100 78 - 18 4-Φ18 180 200 11 40 200 145 110 85 - 18 4-Φ18 220 220 16 50 250 160 125 100 - 20 4-Φ18 230 240 20 65 265 180 145 120 - 22 8-Φ18 250 280 28 80 280 195 160 135 - 22 8-Φ18 280 350 38 4.0 25 160 115 85 65 58 16 4-Φ14 160 180 10 32 180 135 100 78 66 18 4-Φ18 180 200 11 40 230 145 110 85 76 18 4-Φ18 220 220 16 50 250 160 125 100 88 20 4-Φ18 230 240 20 65 265 180 145 125 110 22 8-Φ18 250 280 28 80 280 195 160 135 121 22 8-Φ18 280 350 38 1、 多通排污阀必须垂直安装在水平管道上。
2.、将管道清洗干净后,才可安装阀门。
3、逆时针转动手轮阀杆带动阀芯逐渐上移,密封面脱开,阀芯上的导流座逐渐移出阀座内孔,形成窄缝间隙,介质通过阀座上的对称节流孔进入阀座内部,少量介质可通过窄缝流出,逐渐降低系统压力。
4、继续逆时针转动手轮,阀芯向上运动,导流座上的节流孔移出阀座内腔,较多的介质通过导流座和阀套节流后顺利排出。
5、继续逆时针转动手轮,阀芯向上移至全开位置,此时,介质压力大大降低,大量杂质可直接从阀套节流孔处排出,并在倒置的密封座处形成涡流,不断清洁密封面,防止杂质粘附在密封面上。
6、顺时针转动阀门,阀杆带动阀芯下移,此时排污已结束,系统压力较低,阀套上的节流孔面积逐渐减小,导向套靠近阀座,并改变介质流向,介质经节流后以一定速度通过阀芯和阀做密封面,逐渐加强对密封面的清洁力度。
7、继续转动手轮,阀芯上的导流座进入阀座内孔,形成窄缝节流,由于排污接近结束,介质中杂质已经较少,导向套和阀座间的窄缝阻止了残存的微小杂质流入密封面,介质通过窄缝快速流出,彻底清扫密封面,保证密封副接触时达到零泄漏。
8、继续转动手轮,阀芯和密封座接触。实现密封。 排污阀标准,排污阀尺寸,排污阀作用,排污阀原理;排污阀阀体与阀盖采用夹箍式连接,排污阀结构紧凑,排污阀拆卸方便,排污阀便于安装,排污阀支管为焊接连接。排污阀采用压力自紧式密封结构,排污阀密封圈由成型的石棉盘根制成,排污阀介质压力越高、密封性越好。排污阀介质由支管流入向下排污。排污阀阀瓣为活塞式结构并进行渗硼处理。排污阀耐腐蚀抗冲蚀使用寿命长。

订货须知:
一、①产品名称与型号②口径③是否带附件以便我们的为您正确选型④的使用压力⑤的使用介质的温度。
二、若已经由设计单位选定公司的型号,请按型号直接向我司销售部订购。三、当使用的场合非常重要或环境比较复杂时,请您尽量提供设计图纸和详细参数,由我们的阀门公司专家为您审核把关。如有疑问:请:我们一定会尽心尽力为您提供优质的服务。提供全面、*的“阀门系统解决方案",也十分愿意帮助用户解决生产中所遇到的难题。
-
-
联系方式
- 联系人:申弘阀门
- 电 话:021-59260058
- 手 机:15901754341
- 传 真:86-021-31662735
- 邮 箱:494522509@qq.com
- 邮 编:201718
- 地 址:上海市青浦区金泽工业园区
- 网 址: https://bengye.cn.goepe.com/
http://www.021-fm.com
-
产品搜索








