-
SCARX污水复合式排气阀申弘
详细信息| 询价留言SCARX污水复合式排气阀 产品说明
本实用新型涉及一种用于污水排送管道上吸排气的复合式污水排气阀。当管内开始注水时,塞头停留在开位置,进行大量排气,当空气排完时,阀体内腔积水浮球被浮起,传动塞头至关闭位置,停止大量排气;当管内水正常输送时,如 有少量空气聚集在阀内至相当程度,阀内水位下降,浮球随之下降,此时空气则由小孔排出。当帛水机停止,管内水流空时,或遇管内产生负压时,此时塞头开启, 吸入空气确保管线安全。用于污水、河水带有泥沙等管道上的较高点或有闭气的地方,靠排除管内的气体来疏通管道,达到正常工作。如不装排气阀,管道随时出现气阻,就产生管道出水容量达不到设计要求。
SCARX污水复合式排气阀性能及优势:
1、浮球控制在下部,使污物只能在阀体下部污物不会缠绕上部排气口上,不会影响密封性能。
2、本产品是专用污水管道工程的排气阀。
3、浮球为不锈钢,使用寿命长,安全可靠。
4、能够排除管道中的气体,减少阻力,节约能源。
5、当管道负压时,能快速自动吸气,防止管道破裂。
我国目前尚无专门的污水排气阀,都是用清水排气阀替代,但污水排送不同于水厂清水排送,其工况要恶劣得多,因为
*,污水排送泵的启动、停止频繁,启动初期水压极不稳定,清水排气阀反应不快,水易冒出;
第二,污水中含有颗粒状或条状纤维垃圾,使阀排气口密封不严密,也会导致水漏出;
第三,清水排气阀无小排气功能,因此清水排气阀不能适应污水工况。
近几年有国外及台湾的污水排气阀在国内销售,但仍有许多缺点,主要是
1、阀初始密封时比压较小,微压状态时易漏水;
2、污水易进入上部阀瓣室,使密封失效;
3、浮球不限位,易堵塞进水口;
4、小排气功能中顶塞易被顶芯冲坏,寿命不长;
5、圆柱形阀体内气液不易分离;
本实用新型的目的是设计一种密封效果良好、吸排气更方便可靠、更加便于维修的污水排气阀。
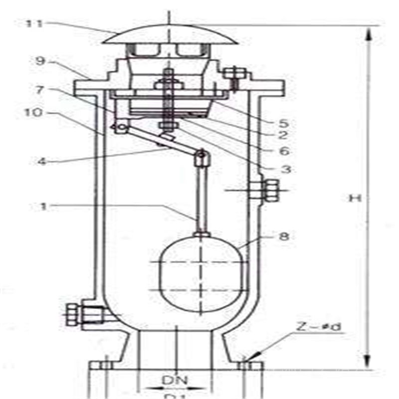
实现上述目的的技术方案是在阀的下部设底阀主要由阀体、阀盖、浮球、定位架、塞头、杠杆等组成,内件全部采用不锈钢和黄铜,耐腐蚀耐磨损、经久耐用。工作原理和CARX复合式排气阀一样,只是结构略作改动,杠杆机构稍有改进,这样把浮球控制在下部,使污物只能在阀体下部,污物不会缠绕上部排气口上,不会影响密封性能,此产品是专用污水管道工程的排气阀。
两端设限位结构三项技术措施均为适应污水排达时泵的频繁启停所造成污水压力和液面剧烈波动造成的恶劣工况,此结构大大提高污水排气阀的适应性和使用寿命。

SCARX污水复合式排气阀主要零部件材质:
序号 名称 材质 1 械杆B 不锈钢、锡青铜 2 活塞 不锈钢、锡青铜 3 顶塞 铝青铜+橡胶 4 杠杆A 不锈钢、锡青铅 5 垫圈环 合成橡胶 6 导套 不锈钢、铸黄铜 7 杠杆架 不锈钢、铸黄铜 8 浮球 不锈钢 9 阀盖 灰铸铁、Q4400-15 10 阀体 灰铸铁、Q4400-15 11 排气帽 灰铸铁、Q4400-15 公称通径 DN(mm) D D1 D2 D3 H Z-Φd 50 160 125 102 205 495 4-18 80 195 160 135 270 600 4-18 100 215 180 158 285 760 8-18 150 280 240 212 340 860 8-22 200 335 295 268 400 1010 8-22 250 390 350 319 465 1210 12-22 本实用新型涉及阀门领域,具体的说是关于一种复合式排气阀。本实用新型适用于给排水系统的管道排气装置。背景技术复合式排气阀主要安装在给排水系统中,用来排除管道内的空气,防止空气在管道内聚集影响输水能力。复合式排气阀,包括阀体、阀盖、 阀座,阀体内设有一支架、下阀瓣、上阀瓣,下阀瓣、上阀瓣采用聚乙烯橡胶材料,支架下端固定安装在阀体进口侧的内壁,侧壁有开口,阀体内壁均勻设有导向筋,下阀瓣的下端面放置于支架的上平面上,污水复合式排气阀原理与CARX复合式排气阀相同,只是将结构略作改动,即将阀体加高,杠杆机构稍微改动(如图)。这样控制部分降低,使污物只在阀体下部,不会缠绕上部排气部分机构,不影响排气,不致漏水,排气量与CARX型相同。
污水复合式排气阀是专门设计应用于污水系统或含有大量杂质的输水系统中,其兼具备高压微量排气和低压进排气功能。该排气阀可在系统充水时排放系统内的气体,在系统排空时自动进气以消除真空,并在有压状态下自动排放系统内部积聚的气体污水泵站,污水排气阀应用于污水厂水处理系统,污水或海水输送系统。

SCARX污水复合式排气阀使用说明:
1.污水排气阀要垂直安装,立管系统应在高点,水平管系统应安装在末端;
2.在污水排气阀下面加装缓冲塞阀:在管线注满水情况下,因管道压力大,当水流到达管道开孔处,此时管道压力聚集在空气阀底端,在没有安装缓冲塞阀时,过大的水流压力会对排气阀里面的部件产生破坏,进而发生诸如排气阀漏水、不排气等现象,特别是在高压管路的排气阀下面须加装缓冲塞阀。
订货须知:
一、①产品名称与型号②口径③是否带附件以便我们的为您正确选型④的使用压力⑤的使用介质的温度。
二、若已经由设计单位选定公司的型号,请按型号直接向我司销售部订购。三、当使用的场合非常重要或环境比较复杂时,请您尽量提供设计图纸和详细参数,由我们的阀门公司专家为您审核把关。如有疑问:请:我们一定会尽心尽力为您提供优质的服务。提供全面、*的“阀门系统解决方案",也十分愿意帮助用户解决生产中所遇到的难题。
-
联系方式
- 联系人:申弘阀门
- 电 话:021-59260058
- 手 机:15901754341
- 传 真:86-021-31662735
- 邮 箱:494522509@qq.com
- 邮 编:201718
- 地 址:上海市青浦区金泽工业园区
- 网 址: https://bengye.cn.goepe.com/
http://www.021-fm.com
-
产品搜索











