-
G41J手动衬胶隔膜阀申弘
详细信息| 询价留言G41J手动衬胶隔膜阀 产品说明
本实用新型涉及阀门技术领域,尤其是一种衬胶隔膜阀。是一种特殊形式的截断阀,启闭件采用EPDM橡胶材料制成的隔膜,把阀体内腔与阀盖内腔及驱动部件隔开,下部阀体内腔与上部阀盖内腔隔开,使位于隔膜上方的阀杆、阀瓣等零件不受介质腐蚀,省去了填料密封结构,且不会产生介质外漏,阀体流道采用全衬胶设计,避免阀体受工况介质腐蚀,增加了阀门使用寿命。衬胶隔膜阀专用于控制非腐蚀性或一般腐蚀性介质,阀体,内腔表面无衬里或覆有可供选择的各种橡胶,适用于不同工作温度和流体管路。

G41J手动衬胶隔膜阀结构特点
1、弹性密封的开闭件,确保没有内漏;
2、流线型的流道,使得压力损失小;
3、没有填料函,因此没有外漏;
4、阀体与盖被中间隔膜隔开,使得隔膜上方的阀盖,阀杆零件不受介质侵蚀;
5、隔膜可更换,维护费用低;
6、衬里材料的多样性,可适用于各种介质,并具有良好的耐腐蚀性。
G41J手动衬胶隔膜阀背景技术:
衬胶隔膜阀是一种特殊形式的截断阀,出现于20世纪20年代。它的启闭件是一块用软质材料制成的隔膜,把阀体内腔与阀盖内腔及驱动部件隔开,故称隔膜阀。其*突出特点是隔膜把下部阀体内腔与上部阀盖内腔隔开,使位于隔膜上方的阀杆、阀瓣等零件不受介质腐蚀,省去了填料密封结构,且不会产生介质外漏。
普通的衬胶隔膜阀一般不宜用于温度高于60℃的管路,对于某些环境温度较高,且具有酸碱盐等腐蚀性物质的条件下,普通的衬胶隔膜阀并不能有效满足需求。

技术实现要素:
本实用新型要解决的技术问题是:克服现有技术中之不足,提供一种结构简单,能耐一定温度,并具有良好的防腐蚀性的衬胶隔膜阀。
本实用新型解决其技术问题所采用的技术方案是:一种衬胶隔膜阀,包括阀体、设置在阀体上的阀盖和阀杆,所述的阀体与阀盖之间设有膜片,所述的膜片上固定有与阀杆固定连接的阀瓣,所述的阀杆下端与膜片接触,上端则伸出阀盖,所述的阀盖上端还转动连接有手轮,所述的手轮通过锁紧螺母转动连接在阀盖顶端,所述的阀杆与阀盖上端接触部还设有阀杆螺母,所述的阀盖下端则设有油杯。进一步的,阀体截面为三角形结构。
进一步的,膜片为双层结构,膜片与阀杆下端接触部分的上层膜片向上凸出并形成中空的可供阀杆下端与下层膜片接触的阀杆腔。

G41J手动衬胶隔膜阀型号
手动
G41J(堰式)
手动
G641J(往复式)
G41F5(堰式)
G641F5(往复式)
G45J(直流式)
G6B41F(常闭式)
G45F5(直流式)
G6B41F5(常闭式)
电动
G9B41J(防爆式)
电动
G941J(普通型)
G9B41F5(防爆式)
G941F5(普通型)
G41J手动衬胶隔膜阀标准
遵循规范
STANDARD
设计与制造
GB12239
结构长度
GB1221/JB1688
法兰尺寸
JB78/JB79(GB HG SH)
压力试验
GB/T13927
标签
GB12220
供货
GB/T12252
G41J手动衬胶隔膜阀主要零部件材料表:
序号
零件名称
灰铸铁
铸钢
不锈钢
超低碳钢
Z
C
P
R
PL
RL
1
阀体、阀盖、阀瓣
HT250
WCB
CF8
CF8M
CF3
CF3M
2
阀杆
35
1Cr13
1Cr18Ni19Ti
1Cr18Ni12Mo2Ti
00Cr18Ni10
00Cr17Ni14Mo2
3
衬里层
FEP(F46) PFA PCTFE(F3)
4
隔膜
FEP(F46)/CR(氟丁橡胶) PFA(可溶性聚四氟乙烯)/FPDM(乙丙橡胶)
5
阀杆螺母
ZCuAL10Fe3 ZCuAL10Fe3
6
螺栓
35
35
1Cr17Ni2
1Cr17Ni2
1Cr17Ni9Ti
1Cr17Ni9Ti
7
螺母
45
45
0Cr18Ni9
0Cr18Ni9
0Cr18Ni9
0Cr18Ni9
8
手轮
HT200
HT200
WCC
WCC
WCC
WCC

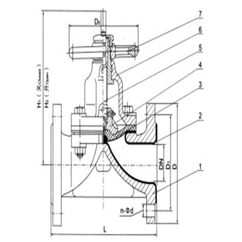
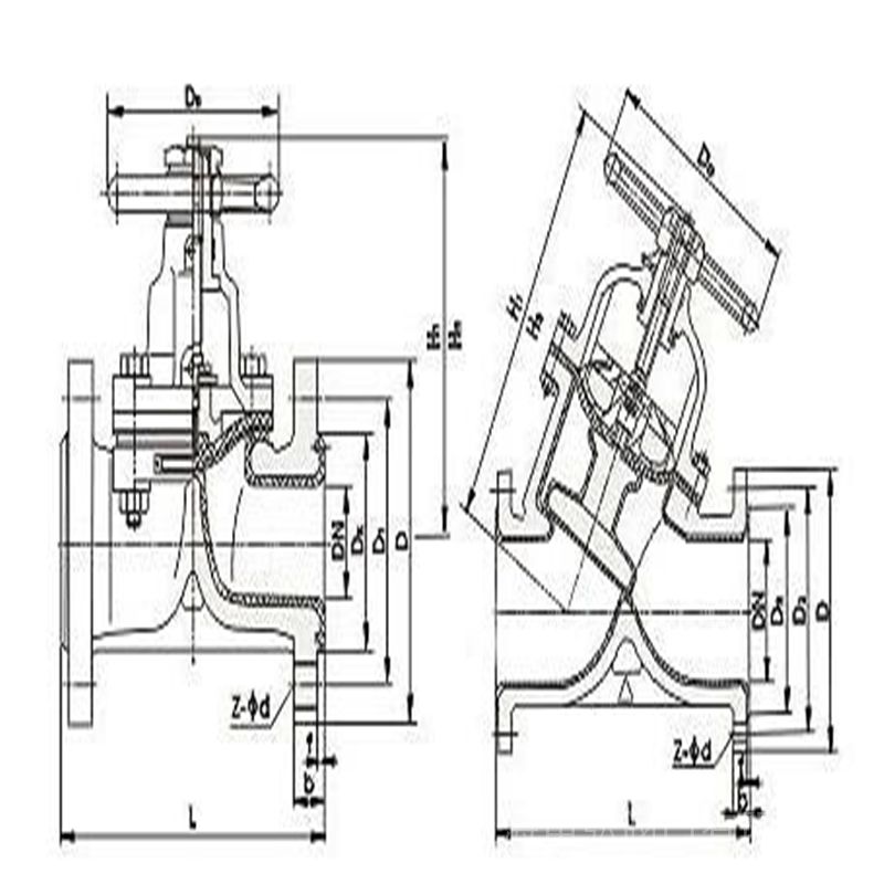
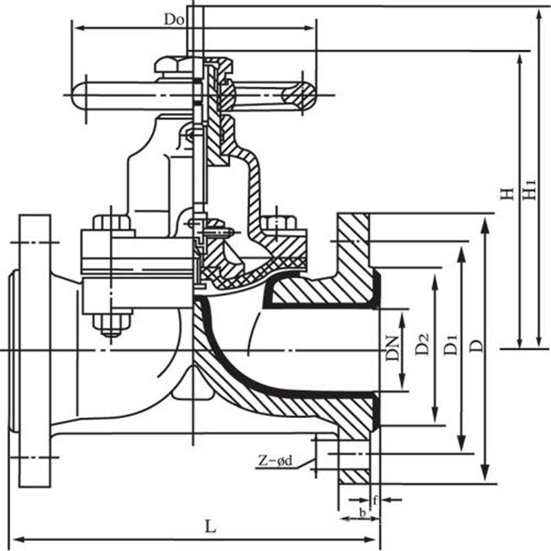
G41J手动衬胶隔膜阀外形连接尺寸及重量:
本实用新型的有益效果是:本实用新型提供的衬胶隔膜阀结构简单,能耐一定温度,并具有良好的防腐蚀性。型号
公称通径DN(mm)
尺寸(㎜)
L
D
D1
D0
Z-φd
H
H1
H2
H3
重量
(㎏)G41J10
15
125
95
65
120
4-φ14
-
-
-
-
3.8
20
135
105
75
120
4-φ14
-
-
-
-
4.2
25
145
115
85
120
4-φ14
121
135
-
-
4.5
32
160
1135
100
120
4-φ18
132
150
-
-
7
40
180
145
110
140
4-φ18
156
176
-
-
9
50
210
160
125
140
4-φ18
169
195
-
-
12
65
250
180
145
200
4-φ18
202
236
-
-
18
80
300
195
160
200
4-φ18
216
256
-
-
24.5
100
350
215
180
280
8-φ18
270
322
-
-
38.5
125
400
245
210
320
8-φ18
338
406
-
-
60
150
460
280
240
320
8-φ23
384
464
-
-
82
G41J
200
570
335
295
400
8-φ23
518
638
-
-
149
250
680
390
350
500
12-φ23
598
734
-
-
240
300
790
440
400
560
12-φ23
698
778
-
-
350
350
900
500
460
560
16-φ23
723
883
-
-
392
400
1000
565
515
640
16-φ25
868
1078
-
-
585
G45J-10
32
180
135
100
120
4-φ18
-
-
-
-
7
40
180
145
110
140
4-φ18
-
-
203
216
8.5
50
210
160
125
140
4-φ18
-
-
213
229
14
65
250
180
145
200
4-φ18
-
-
248
268
18
80
300
195
160
200
4-φ18
-
-
281
305
30
100
350
215
180
280
8-φ18
-
-
332
362
43
125
400
245
210
320
8-φ18
-
-
-
-
67
150
460
280
240
320
8-φ23
-
-
450
496
80
200
570
335
295
400
8-φ23
-
-
594
654
150.2
250
680
390
350
500
12-φ23
-
-
695
771
238
可有效提高衬胶隔膜阀的适用温度,经实验可得知此衬胶隔膜阀的*高适用温度为85℃,并可耐酸碱盐等腐蚀性介质。
上述实施方式只为说明本实用新型的技术构思及特点,其目的在于让熟悉此项技术的人士能够了解本实用新型的内容并加以实施,并不能以此限制本实用新型的保护范围,凡根据本实用新型精神实质所作的等效变化或修饰,都应涵盖在本实用新型的保护范围内。
G41J手动衬胶隔膜阀安装维护
1.安装前应仔细核对管路的运行条件是否与本阀规定的适用范围相符,并应清洗内腔,以防污物卡阻或损伤密封部件。
2.橡胶衬里层合橡胶隔膜表面切勿涂刷油脂类物品,以防橡胶溶胀,影响阀门使用寿命。
3.安装时不得将线索系结在手轮或阀杆上起吊阀门。
4.手动操作阀门时,不得借助于辅助杠杠,以防扭力过大而损伤驱动部件或密封部位。
5.阀门应存放在干燥通风的室内,严禁堆放,库存阀门的两端通道必须封口,且启闭件应处于微开启状态。订货须知:
一、①产品名称与型号②口径③是否带附件以便我们的为您正确选型④的使用压力⑤的使用介质的温度。
二、若已经由设计单位选定公司的型号,请按型号直接向我司销售部订购。三、当使用的场合非常重要或环境比较复杂时,请您尽量提供设计图纸和详细参数,由我们的阀门公司专家为您审核把关。如有疑问:请:我们一定会尽心尽力为您提供优质的服务。提供全面、*的“阀门系统解决方案",也十分愿意帮助用户解决生产中所遇到的难题。
-
联系方式
- 联系人:申弘阀门
- 电 话:021-59260058
- 手 机:15901754341
- 传 真:86-021-31662735
- 邮 箱:494522509@qq.com
- 邮 编:201718
- 地 址:上海市青浦区金泽工业园区
- 网 址: https://bengye.cn.goepe.com/
http://www.021-fm.com
-
产品搜索









