-
PVDF氟塑料气动隔膜阀申弘
详细信息| 询价留言PVDF氟塑料气动隔膜阀 产品说明
本实用新型涉及一种隔膜阀,具体涉及一种塑料气动隔膜阀。本实用新型公开了一种PVDF隔膜阀,包括上阀腔,手控板和法兰盘,所述上阀腔的下端面固定有定位杆,且定位杆位于定位槽内,所述定位槽开设于下阀腔的上端面,且下阀腔和上阀腔的外侧均连接有固定侧板,所述手控板设置于上阀腔的顶部,且手控板通过连接杆与阀芯相连接,所述阀芯位于上阀腔的内侧,且阀芯内预留有流通孔,所述上阀腔和下阀腔的两侧分别连接有进水通道和出水通道,且限位槽内设置有限位杆,所述进水通道和出水通道的边端均螺纹连接有法兰盘.该PVDF隔膜阀,整体方便拆卸安装,方便对阀芯进行更换,同时保持足够的密封性,对水流进行缓冲处理,避免水流冲击过大影响阀芯的使用寿命.

PVDF氟塑料气动隔膜阀特点:
1.适用于腐蚀介质的输送及截流、流量的调节,温度-40~130度
2.过流部件采用PVDF注塑件组装而成,耐腐蚀性能优良,操作方便,体量轻,能代替不锈钢阀门。
3.密封件膜片采用F46或PFA制造,耐折次数≥1200次,耐腐蚀性能与F4相当。
4.采用螺杆升降结构,启闭力矩大,平稳性好。使用范围: 适用于带腐蚀性介质的输送过程的截流。
PVDF氟塑料气动隔膜阀技术背景
气动隔膜阀是借助压缩空气驱动的阀门,一般由阀门部件和气动执行部件组成, 阀门部件包括阀体、隔膜片、承压套、阀盖,隔膜片和承压套固定连接,气动执行部件包括气缸、气缸盖、弹簧、活塞、活塞杆,活塞杆伸出气缸盖与承压套传动连接。现有技术的气动隔膜阀,多数是采用不锈钢外壳上下盖气动结构,存在加工工艺复杂、成本高等缺点,并且阀门部件和气动执行部件通过中间法兰连接气缸盖和阀盖,结构复杂,质量不易控制,使用寿命短。
实用新型内容
针对现有技术存在的不足,本实用新型的目的在于提供一种塑料气动隔膜阀,其由阀体、隔膜片、阀瓣、阀杆、阀盖、下盖、膜片下限位板、内部膜片、膜片上限位板、上盖、弹簧、透明视镜、橡胶套、轴密封圈、标识杆、阀杆紧固螺母、0型圈等组成。

特点如下:
突出特点是隔膜把下部阀体内腔与上部阀盖内腔隔开,使位于隔膜上方的阀杆、阀瓣等零件不受介质腐蚀,去了填料密封结构,且不会产生介质外漏
1、采用橡胶或塑料等软质密封制作的隔膜,密封性较好。由于隔膜为易损件,应视介质特性而定期更换。
2、受隔膜材料限制,隔膜阀适用于低压和温度相对不高的场合。
3、塑料抗腐蚀隔膜阀按结构形式可分为:屋式、直流式、截止式、直通式、闸板式和直角式六种;连接形式通常为法兰连接;按驱动方式可分为手动、电动和气动三种,其中气动驱动又分为常开式、常闭式和往复式三种。
4.一般不宜用于温度高于95度及输送有机溶剂和强氧化介质的管路中,也不宜在较高压力的管路中使用

PVDF氟塑料气动隔膜阀零件材料表
N0. 名称 材质 1 螺柱 钢、不锈钢 2 指示器 钢 3 限位罩 PC.AS 4 垫圈 钢、不锈钢 5 手轮 ABS 6 压紧螺母 钢、不锈钢 7 衬环 PP 8 阀杆螺母 钢、铜HT300 9 阀杆 钢、不锈钢 10 阀盖 PVDF 11 平面轴承 单向推力球轴承 12 螺母 钢铜、不锈钢 13 螺柱 钢、不锈钢 14 阀体 PVDF 15 垫膜 EPDM.IIR 16 膜片 F46.PFA 17 销 钢、不锈钢 18 阀瓣 铸铁、玻璃钢 19 隔膜 F46 PVDF氟塑料气动隔膜阀技术参数
气缸材质 聚酰胺PA、铝合金 气动附件 限位开关、电磁阀、过滤减压阀
定位器比例调节式气源压力 4-6bar 公称通径 DN15-300mm 公称压力 EPDM膜片:10bar PTFE膜片:6bar 适用温度 -30~+60℃ 连接方式 双由令、法兰 阀体材质 PVC、PP、PPH、PVDF 阀座衬里 橡胶、衬氟 膜片材质 EPDM、PTFE、NBR 适用介质 空气、水、油等 PVDF氟塑料气动隔膜阀性能范围
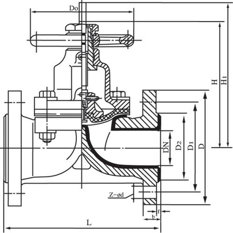
口径 工作温度(℃) 质量(㎏) mm RPP PVC ASB UPVC PVDF CPVC RPP PVC ASB UPVC PVDF CPVC DN15 100 0.6 90 0.6 120 0.6 0.8 0.8 0.8 0.8 1.2 0.8 DN20 100 0.6 90 0.6 120 0.6 0.9 0.9 0.9 0.9 1.6 0.9 DN25 100 0.6 90 0.6 120 0.6 1.0 1.0 1.0 1.0 1.8 1.0 DN32 100 0.6 90 0.6 120 0.6 0.3 0.3 0.3 0.3 2.4 0.3 DN40 100 0.6 90 0.6 120 0.6 0.8 0.8 1.8 1.8 3 0.8 DN50 100 0.6 90 0.6 120 0.6 2.5 2.5 2.6 2.6 3.9 2.5 DN65 100 0.6 90 0.6 120 0.6 5 5 5.1 5.1 7.8 5 DN80 100 0.6 90 0.6 120 0.6 6.1 6.1 6.2 6.2 8.9 6.1 DN100 100 0.6 90 0.6 120 0.6 9.7 9.7 9.9 9.9 15 9.7 DN125 100 0.4 90 0.4 120 0.4 13.5 13.5 13.8 13.8 21 13.5 DN150 100 0.4 90 0.4 120 0.4 25 25 25.5 25.5 37 25 DN200 100 0.4 90 0.4 120 0.4 36.5 36.5 37.2 37.2 56 36.5 PVDF氟塑料气动隔膜阀外形结构图
PVDF氟塑料气动隔膜阀主要外形尺寸
通径(mm) D1 尺寸(mm) D L T H1 n ¢ D
(HG)JIS DIN ANSI L(HG) JIS DIN ANSI n(HG) JIS DIN ANSI ¢(HG) JIS DIN ANSI 15 95 65 70 65 60 125 110 130 110 14 125 4 4 4 4 14 15 14 16 20 105 75 75 75 70 135 120 150 120 16 130 4 4 4 4 14 15 14 16 25 115 85 90 85 80 145 130 160 130 16 145 4 4 4 4 14 19 14 16 32 135 100 160 16 180 4 4 4 4 18 40 145 110 105 110 100 180 180 200 180 16 220 4 4 4 4 18 19 18 16 50 160 125 120 125 120 210 210 230 210 18 250 4 4 4 4 18 19 18 19 65 180 145 140 145 140 250 250 290 250 22 280 4 4 4 4 18 19 18 19 80 195 160 150 160 152 300 280 310 280 25 340 4 8 4 4 18 19 18 19 100 215 180 175 180 190 350 340 350 340 25 370 8 8 8 8 18 19 18 19 125 245 210 210 210 216 400 410 400 410 30 420 8 8 8 8 18 23 18 22 150 280 240 240 240 240 460 480 480 480 30 480 8 8 8 8 23 23 23 22 200 335 295 290 295 298 570 570 570 570 35 625 8 12 8 8 23 23 23 22 250 390 395 400 395 362 680 680 680 680 38 726 12 12 12 12 23 23 23 25 本实用新型解决其技术问题所采用的技术方案是阀体中间设有可上下移动的阀杆,阀杆上端与气动执行部件相连接,下端与设置在阀体内腔中的阀瓣相连接,阀瓣内设有隔膜片;气动执行部件包括气缸、弹簧、标识杆、上盖、下盖,气缸缸体内设有与标识杆相连的活塞,活塞的外侧设有弹簧,透明视镜安置在气缸缸体的*上方,其与所述气缸缸体之间设有橡胶套;气动执行部件还包括内部膜片、膜片上限位板及膜片下限位板,所述膜片上限位板、膜片下限位板与阀杆之间设置0型圈密封结构。进一步的技术特征,所述隔膜片的中心与阀瓣固定连接在一起。所述上盖和下盖内部设有进出气连接口。所述内部膜片的密封面上设有聚四氟乙烯耐磨层。本实用新型的有益效果是具有易于维护和清洁、耐磨损、密封性好等优点,其结构紧凑,隔膜耐腐蚀性强,成本低,使用寿命长。

PVDF氟塑料气动隔膜阀安装与使用:
1.两端法兰与管路连接时,要均匀拧紧螺栓,防止法兰变形,造成泄漏。
2.顺时针方向旋手柄为关闭,反之开启。
3.根据指示器位置可判断开启程度。
订货须知:
一、①产品名称与型号②口径③是否带附件以便我们的为您正确选型④的使用压力⑤的使用介质的温度。
二、若已经由设计单位选定公司的型号,请按型号直接向我司销售部订购。三、当使用的场合非常重要或环境比较复杂时,请您尽量提供设计图纸和详细参数,由我们的阀门公司专家为您审核把关。如有疑问:请:我们一定会尽心尽力为您提供优质的服务。提供全面、*的“阀门系统解决方案",也十分愿意帮助用户解决生产中所遇到的难题。
-
联系方式
- 联系人:申弘阀门
- 电 话:021-59260058
- 手 机:15901754341
- 传 真:86-021-31662735
- 邮 箱:494522509@qq.com
- 邮 编:201718
- 地 址:上海市青浦区金泽工业园区
- 网 址: https://bengye.cn.goepe.com/
http://www.021-fm.com
-
产品搜索






