-
GUME盖米气动隔膜阀申弘
详细信息| 询价留言GUME盖米气动隔膜阀 产品说明
盖米气动隔膜阀的关闭与开启是通过来自管路的压力作用于增强橡胶隔膜实现的。当压力介质进入阀门控制腔,隔膜下压,关闭阀门通道,当控制腔压力排向大气或下游管道,隔膜上升,阀门通道被打开。阀门没有阀杆、密封垫、定向座等,通道中运动的*部件就是隔膜,所以不存在锈蚀及抱死现象,具有更高的稳定性。多种结构形式及控制形式,可适用于多种的流体控制需要。 其由阀体、隔膜片、阀瓣、阀杆、下盖、内部膜片、上盖、弹簧、透明视镜、橡胶套等组成。

阀体中间设有可上下移动的阀杆,阀杆上端与气动执行部件相连接,下端与设置在阀体内腔中的阀瓣相连接,阀瓣内设有隔膜片;气动执行部件包括气缸、弹簧、标识杆、上盖、下盖,气缸缸体内设有与标识杆相连的活塞,活塞的外侧设有弹簧,透明视镜安置在气缸缸体的*上方,其与所述气缸缸体之间设有橡胶套;气动执行部件还包括内部膜片、膜片上限位板及膜片下限位板,所述膜片上限位板、膜片下限位板与阀杆之间设置O型圈密封结构。具有易于维护和清洁、耐磨损、密封性好等优点,其结构紧凑,隔膜耐腐蚀性强,成本低,使用寿命长。由于在结构上采用带有耐腐蚀阀体和耐腐蚀隔膜、无填料函结构、节流元件为弹性隔膜、阀体流道平滑,气动塑料隔膜阀具有阴力小,流量大、无外漏和方便可靠、防火防爆的优点,气动盖米塑料隔膜阀广泛适用于工业自动化系统中的强酸、强碱、强腐蚀、高粘度、含颖粒、带纤维以及有毒和不充许污染的介质的流量调节。
GUME盖米气动隔膜阀特点
1、卫生指标符合国家卫生标准
2、外型结构紧凑美观
3、本体重量轻容易安装
4、材质卫生无毒
5、耐磨损、容易拆卸,维护简单易行
6、适用流体:水、空气、油类、腐蚀性化学液
7、使用温度范围广:40℃ -120℃
8、具有的强度和韧性
9、具有优良的耐化学腐蚀性能
10、阻燃性能为自熄性
11、低热传导性能,为钢材的
GUME盖米气动隔膜阀主要性能指标
驱动空气
压缩空气 4-6bar
公称通经
15-200mm
公称压力
1.0Mpa
使用温度
-10℃~120℃
连接方式
承插、对焊、法兰
阀体材质
全塑系列(PPH、PVDF、CPVC、UPVC)
衬里材质
衬塑系列(PTFE、FEP 、PVDF 、PPH 、PO)
膜片材质
PFA+EPDM、FEP+EPDM、FPM、EPDM
适用介质
强酸、强碱、强氧化剂和一般有机溶剂
执行器
铝合金
安装方向
任意角度
可选附件
限位开关、定位器、电磁阀、减压阀

GUME盖米气动隔膜阀技术参数气缸材质 聚酰胺PA、铝合金 气动附件 限位开关、电磁阀、过滤减压阀
定位器比例调节式气源压力 4-6bar 公称通径 DN15-300mm 公称压力 EPDM膜片:10bar PTFE膜片:6bar 适用温度 -30~+60℃ 连接方式 双由令、法兰 阀体材质 PVC、PP、PPH、PVDF 阀座衬里 橡胶、衬氟 膜片材质 EPDM、PTFE、NBR 适用介质 空气、水、油等 GUME盖米气动隔膜阀性能范围
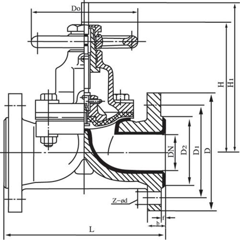
口径 工作温度(℃) 质量(㎏) mm RPP PVC ASB UPVC PVDF CPVC RPP PVC ASB UPVC PVDF CPVC DN15 100 0.6 90 0.6 120 0.6 0.8 0.8 0.8 0.8 1.2 0.8 DN20 100 0.6 90 0.6 120 0.6 0.9 0.9 0.9 0.9 1.6 0.9 DN25 100 0.6 90 0.6 120 0.6 1.0 1.0 1.0 1.0 1.8 1.0 DN32 100 0.6 90 0.6 120 0.6 0.3 0.3 0.3 0.3 2.4 0.3 DN40 100 0.6 90 0.6 120 0.6 0.8 0.8 1.8 1.8 3 0.8 DN50 100 0.6 90 0.6 120 0.6 2.5 2.5 2.6 2.6 3.9 2.5 DN65 100 0.6 90 0.6 120 0.6 5 5 5.1 5.1 7.8 5 DN80 100 0.6 90 0.6 120 0.6 6.1 6.1 6.2 6.2 8.9 6.1 DN100 100 0.6 90 0.6 120 0.6 9.7 9.7 9.9 9.9 15 9.7 DN125 100 0.4 90 0.4 120 0.4 13.5 13.5 13.8 13.8 21 13.5 DN150 100 0.4 90 0.4 120 0.4 25 25 25.5 25.5 37 25 DN200 100 0.4 90 0.4 120 0.4 36.5 36.5 37.2 37.2 56 36.5 GUME盖米气动隔膜阀外形结构图
GUME盖米气动隔膜阀主要外形尺寸
通径(mm) D1 尺寸(mm) D L T H1 n ¢ D
(HG)JIS DIN ANSI L(HG) JIS DIN ANSI n(HG) JIS DIN ANSI ¢(HG) JIS DIN ANSI 15 95 65 70 65 60 125 110 130 110 14 125 4 4 4 4 14 15 14 16 20 105 75 75 75 70 135 120 150 120 16 130 4 4 4 4 14 15 14 16 25 115 85 90 85 80 145 130 160 130 16 145 4 4 4 4 14 19 14 16 32 135 100 160 16 180 4 4 4 4 18 40 145 110 105 110 100 180 180 200 180 16 220 4 4 4 4 18 19 18 16 50 160 125 120 125 120 210 210 230 210 18 250 4 4 4 4 18 19 18 19 65 180 145 140 145 140 250 250 290 250 22 280 4 4 4 4 18 19 18 19 80 195 160 150 160 152 300 280 310 280 25 340 4 8 4 4 18 19 18 19 100 215 180 175 180 190 350 340 350 340 25 370 8 8 8 8 18 19 18 19 125 245 210 210 210 216 400 410 400 410 30 420 8 8 8 8 18 23 18 22 150 280 240 240 240 240 460 480 480 480 30 480 8 8 8 8 23 23 23 22 200 335 295 290 295 298 570 570 570 570 35 625 8 12 8 8 23 23 23 22 250 390 395 400 395 362 680 680 680 680 38 726 12 12 12 12 23 23 23 25 GUME盖米气动隔膜阀外形结构图
GUME盖米气动隔膜阀主要外形尺寸
口径 M D L 执行器 DN15 43 20 196 55 DN20 53 25 221 55 DN25 60 32 234 85 DN32 74 40 253 85 DN40 83 50 284 85 DN50 103 63 321 105 气动盖米塑料隔膜阀安装及使用:
两端法兰与管路连接时,要均匀拧紧螺栓,防止法兰变形,造成泄漏。
顺时针方向旋手柄为关闭,反之开启。
GUME盖米气动隔膜阀安装使用注意事项
1、盖米气动隔膜阀应垂直安装于管道上,体积重量较大的以及使用在振动场合时应加支承和夹固。
2、盖米气动隔膜阀一般应设有旁通管路, 以便在隔膜发生故障或维修时能转换成旁路操作,使生产过程正常进行,在一般不重要场合,装设手轮机构后可以省略旁通管路,以进行手动操作,同时可限制阀门开度,当手轮机构停止使用时,应恢复到原空档位置,以利于自控系统的正常进行。
3、清洗管道时,调节应处于大开度,以便排除管道内污物。
4、如阀体衬有防腐层, 安装在管道上时,应采用耐腐蚀软垫,并注意不使阀体法兰密封面受损。
5、对隔膜及衬里应定期检查,防止因腐蚀和破裂而损坏其它零件和造成事故。

订货须知:
一、①产品名称与型号②口径③是否带附件以便我们的为您正确选型④的使用压力⑤的使用介质的温度。
二、若已经由设计单位选定公司的型号,请按型号直接向我司销售部订购。三、当使用的场合非常重要或环境比较复杂时,请您尽量提供设计图纸和详细参数,由我们的阀门公司专家为您审核把关。如有疑问:请:我们一定会尽心尽力为您提供优质的服务。提供全面、*的“阀门系统解决方案",也十分愿意帮助用户解决生产中所遇到的难题。
-
联系方式
- 联系人:申弘阀门
- 电 话:021-59260058
- 手 机:15901754341
- 传 真:86-021-31662735
- 邮 箱:494522509@qq.com
- 邮 编:201718
- 地 址:上海市青浦区金泽工业园区
- 网 址: https://bengye.cn.goepe.com/
http://www.021-fm.com
-
产品搜索









