-
PT100气动测温放料阀申弘
详细信息| 询价留言PT100气动测温放料阀 产品说明
本实用新型公开了一种气动测温放料阀,包括一阀杆和一阀瓣;所述阀杆的一端部通过一阀瓣盖组件可拆卸地牢固固定于所述阀瓣的阀杆安装孔内。由于采用了本实用新型的一种气动测温放料阀,具有防松动性能可靠,可重复拆卸、结构简单、成本低等优点。本实用新型公开了一种气动测温放料阀,包括一阀杆和一阀瓣;所述阀杆的一端部通过一阀瓣盖组件可拆卸地牢固固定于所述阀瓣的阀杆安装孔内.由于采用了本实用新型的一种气动测温放料阀,具有防松动性能可靠,可重复拆卸,结构简单,成本低等优点.

气动放料阀是用气动执行装置控制阀门,气动放料阀主要用于反应器,储罐和其它容器的底部排料,借助于阀门底部法兰焊接于储罐和其它容器的底部,因此消除工艺介质通常在容器出口的残留现象。在市场上目前应用的各类气动放料阀,均不带测温组件,给整个系统的工艺带来操作上的不便。且目前常规放料阀通常是采用阀杆直接连接气动执行装置驱动杆或结合于驱动杆的结构,在放料阀工作的过程中,阀杆进行顶推动作时所受到的力都集中于阀杆上,从而使得阀杆在使用的过程中易于磨损和损坏,且不易调换,为后续的维护和维修工作带来了较大的难度。

PT100气动测温放料阀特点(一)、耐腐蚀性
1、气动放料阀使用介质如水、丙酮、酒精、氨、碳酸钡、苯(WCB材质的*低用温度为-290C,*高温度为425℃。)
2、气动放料阀使用介质如颗粒、油品、纸浆、二氧化碳 气(不锈钢材质的*低使用温度为-1000C,*高使用温度为23
20C。)
3、气动放料阀严禁使用含氟离子液体(如HF等)也不能用强碱及磷酸(温度>150℃浓度>30%)。
(二)、不锈钢的一般工作温度:≤150℃
(三)、压力范围:0.6~2.5MPa
【PT100气动测温放料阀发明内容】
实用新型的目的在于克服现有技术的缺陷,而提供一种气动测温放料阀,具有可测温、密封性好、测温精确度高、阀杆耐用性强、便于维修更换的优点。本实用新型所解决的技术问题采用以下技术方案来实现:
实现上述目的的技术方案是:
本实用新型的一种气动测温放料阀,包括阀体、阀座、阀杆、阀瓣和气动执行装置,所述阀体内部形成阀腔,且所述阀体一端开口、另一端形成一阀杆导向管;所述阀座中部形成阀瓣安装孔;所述阀杆插设于所述阀瓣安装孔和所述阀杆导向管内;所述阀瓣通过所述阀杆与所述气动执行装置传动连接;还包括一测温组件,所述测温组件部分贯穿设置于所述阀杆内用于测量所述阀瓣处的介质温度。
本实用新型的进一步改进在于:所述测温组件包括温度探头、传感线和通过所述传感线与所述温度探头通信连接的一温度变送器;所述温度探头贯穿本实用新型的进一步改进在于:所述温度变送器通过一安装支架与所述阀体固定连接。

PT100气动测温放料阀特点与用途:
1、本阀操作简便,运动灵活可靠。
2、阀瓣装置维修简单,密封结构合理,密封圈更换方便实用。
3、本阀门广泛应用于石油、冶金、化工、造纸更工业领域(化学液体、煤浆、矿浆等输送启闭放料用)。
4、其特点是沉淀于反应釜,储藏罐或管道里的化学液体或浆料得于顺畅流通。
该系列产品已被大型化工公司广泛采用,性能良好,经久耐用,用户反应良好。
PT100气动测温放料阀应用规范:
1.设计制造标准按GB/T12235-2007
2.结构长度标准按企业标准
3.法兰连接按JB/T79-94,GB/T9113 HG20592-2009等
4.试验与检验按GB/T13927-2008
本实用新型的进一步改进在于:所述阀杆的*端通过一连接卡套与所述气动执行装置的驱动杆紧固连接;所述连接卡套的侧部形成开口,所述温度变送器通过穿设于所述开口的传感线与所述温度探头通信连接。
两所述连接卡板的侧部配合形成所述开口 ;两所述连接卡板形成对应的复数个连接孔并通过所述连接孔螺接紧固。
本实用新型的进一步改进在于:还包括一波纹管和一支座,所述波纹管和所述支座设置于所述阀腔内并套设于所述阀杆外;且所述波纹管的*端与所述阀瓣焊接,所述波纹管的第二端焊接于所述支座的*端,所述支座的第二端插入所述导向管并与所述导向管过盈配合。
本实用新型的进一步改进在于:所述阀体设有清洗阀。
本实用新型的进一步改进在于:还包括一支架底盘、一支架杆和一支架顶盘;所述支架底盘固定于所述阀体;所述支架顶盘固定于所述气动执行装置;所述支架杆支撑连接于所述支架底盘和所述支架顶盘之间。
PT100气动测温放料阀主要零件材质
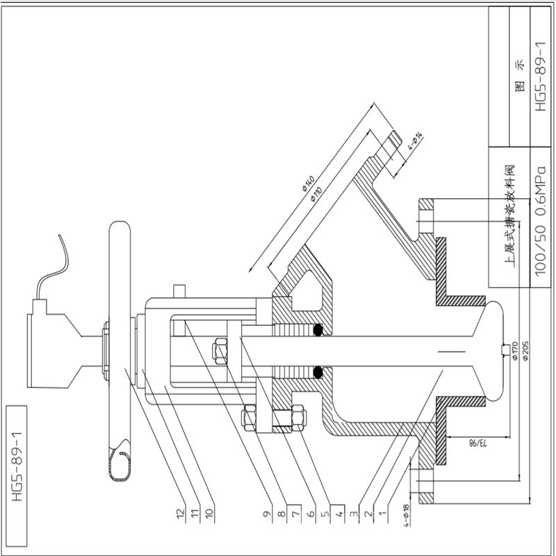
零件名称 ZG1Cr18Ni9Ti系列 ZG00Cr18Ni10系列 ZG1Cr18Ni12MO 2 Ti系列 ZG00Cr17Ni14MO 2 系列 WCB系列 阀体/阀盖 ZG1Cr18Ni9Ti ZG00Cr18Ni10 ZG1Cr18Ni12MO 2 Ti ZG00Cr17Ni14MO 2 WCB 阀杆 ZG1Cr18Ni9Ti ZG00Cr18Ni10 ZG1Cr18Ni12MO 2 Ti ZG00Cr17Ni14MO 2 WCB 阀瓣 ZG1Cr18Ni9Ti ZG00Cr18Ni10 ZG1Cr18Ni12MO 2 Ti ZG00Cr17Ni14MO 2 WCB 垫片 304+PTFE 304L+PTFE 316+PTFE 316L+PTFE 石墨+304 螺柱 1Cr17Ni2 1Cr17Ni2 1Cr17Ni2 1Cr17Ni2 35CrMoA 螺母 1Cr18Ni9Ti 1Cr18Ni9Ti 1Cr18Ni9Ti 1Cr18Ni9Ti 45 外形结构图
主要外形尺寸(上展式)
DN d D D1 D2 D3 D4 D5 D6 25 25 115 85 65 115 85 60 40 32 32 135 100 78 135 100 65 45 40 40 145 110 85 145 110 80 60 50 50 160 125 100 160 125 85 70 65 65 180 145 120 180 145 125 85 80 80 195 160 135 195 160 135 95 100 100 215 180 155 215 180 160 130 125 125 245 210 185 245 210 180 140 150 150 280 240 210 280 240 185 165 200 200 335 295 265 335 295 255 230 主要外形尺寸(下展式)
DN d D D1 D2 D3 D4 D5 D6 25 25 115 85 65 135 100 75 55 32 32 135 100 78 145 110 80 57 40 40 145 110 85 160 125 100 65 50 50 160 125 100 180 145 125 70 65 65 180 145 120 195 160 135 90 80 80 195 160 135 215 180 155 130 100 100 215 180 155 245 210 195 135 125 125 245 210 185 280 240 180 145 150 150 280 240 210 335 295 215 185 200 200 335 295 265 405 355 300 220 250 250 405 355 320 460 410 350 240 本实用新型的进一步改进在于:所述阀杆导向管的端部与所述阀杆之间形成一填料腔,所述填料腔内填设有填料;还包括一填料压套,所述填料压套形成外螺纹;所述支架底盘形成与所述填料压套配合压套孔,所述压套孔形成与所述外螺纹配合的内螺纹;所述填料压套螺接固定于所述压套孔内并压迫所述填料。

PT100气动测温放料阀安装注意事项:
(1)、安装位置、高度、进出口方向必须符合设计要求,连接应牢固紧密。
(2)、安装在保温管道上的各类手动阀门,手柄均不得向下。
(3)、对于工作压力大于1.0 MPa 及在主干管上起到切断作用的阀门,安装前应进行强度和严密性能试验,合格后方准使用。强度试验时,试验压力为公称压力的1.5倍,持续时间不少于5min,阀门壳体、填料应无渗漏为合格。严密性试验时,试验压力为公称压力的1.1倍;试验压力在试验持续的时间应符合GB 50243标准要求,以阀瓣密封面无渗漏为合格。

订货须知:
一、①产品名称与型号②口径③是否带附件以便我们的为您正确选型④的使用压力⑤的使用介质的温度。
二、若已经由设计单位选定公司的型号,请按型号直接向我司销售部订购。三、当使用的场合非常重要或环境比较复杂时,请您尽量提供设计图纸和详细参数,由我们的阀门公司专家为您审核把关。如有疑问:请:我们一定会尽心尽力为您提供优质的服务。提供全面、*的“阀门系统解决方案",也十分愿意帮助用户解决生产中所遇到的难题。
-
联系方式
- 联系人:申弘阀门
- 电 话:021-59260058
- 手 机:15901754341
- 传 真:86-021-31662735
- 邮 箱:494522509@qq.com
- 邮 编:201718
- 地 址:上海市青浦区金泽工业园区
- 网 址: https://bengye.cn.goepe.com/
http://www.021-fm.com
-
产品搜索







