-
WC6耐热铬钼钢蒸汽减压阀申弘
详细信息| 询价留言WC6耐热铬钼钢蒸汽减压阀 产品说明
本发明要解决的技术问题是克服现有的缺陷,提供了一种蒸汽减压阀道的安装方法,本发明具有结构简单,防止水及现象损坏减压阀,使用寿命长的特点。蒸汽调节减压阀是广泛应用于电站、石化、轻纺、供热、制冷和造纸等工业领域中减温减压装置的核心阀门之一,传统的蒸汽调节减压阀存在泄漏的几率比较大,由于大变工况条件的增加和复杂工艺参数的使用要求,减温减压装置在调节性能和安全可靠性方面常会出现问题。因此,本案而生。

蒸汽减压阀一一该阀门的减压比必须在一定程度上高于系统值;即使在*大或者*小流量时它也应该能够对正作用或者反作用控制信号做出响应。这些阀门应该针对有用控制范围选择,即*大流量的20%到80%。正常为等比型或者具有等比特性。这些类型的阀门本身具有比例控制所要求的*佳流量特性及流量范围。
本实用新型公开了一种新型蒸汽调节减压阀,包括电动执行机构、阀杆、阀盖、散热片、填料部、填料隔环、阀体、阀瓣、上阀座、下阀座以及疏水接头,所述的电动执行机构与阀杆联动,阀杆穿设在阀盖内,该阀盖外环设有散热片,阀盖固接在阀体上,在阀盖与阀体的连接处且为阀杆外设有填料部,阀杆与填料不之间设有填料隔环,阀杆的端部连接有阀瓣,该阀瓣分别与上阀座和下阀座之间锥面密封。本实用新型与传统的蒸汽调节阀相比,密封结构更加合理,调节性能更加优良,维修更加方便。为了解决上述技术问题,本发明提供了如下的技术方案:一种蒸汽减压阀道的安装方法,包括如下步骤,

a在蒸汽减压阀安装时,先把旁通管道的截止阀打开,排除管路中的冷凝水和汽水的混合物;
b当减压阀无异常现象后,按顺时针方向缓慢旋转调节螺钉,将出口压力调至所需压力,调整后将锁紧螺母背紧,拧上防护罩;
c减压阀前安装过滤器;
d减压阀的前、后应留有一段直管,阀前的直管长度为600毫米,阀后的直管长度为1000毫米。
进一步地,所需压力以阀后表压为准。
进一步地,减压阀都要求进出口压差必须彡0.2Mpa。进一步地,减压阀前、后的工作压力分别为
铬钼钢系低合金耐热钢,在室温及高温下具有较好机械性能及抗氢性能。钢中主要的合金元素有钼、铬、钒、硅、硼等。钼是热强钢中非常重要的合金元素,它显著提高钢的热强性能,在高温时保持足够的强度,并能细化晶粒,防止钢的过热倾向,但是,仅含钼的钢长期处于高温下,碳会聚集成石墨析出,使性能恶化。为消除这种倾向,钢中常同时加入元素铬。
铬加入钢中,还能提高热强性能、高温抗氧化性能及耐腐蚀性能。这是由于铬能在钢的表面形成一层致密的附着性很强的氧化膜,从而防止内部金属被继续氧化或腐蚀。钢中含铬量越高,则氧化膜越致密,抗氧化和抗腐蚀性能也就越好。低合金耐热钢的含碳量在0.20%以下,组织主要是珠光体加少量的铁素体,大多在正火状态下交货使用。焊接后应在比使用温度至少高100的温度下回火。我国常用铬钼钢有30CrMo(500℃)、35CrMo(525℃)、15CrMo(550℃)、12Cr2Mo1(575℃)、1Cr5Mo(600℃)等。铬钼钢的性能如下:淬火性好,可进行深度淬火,而不是市面上防锯形锁的表面淬火;对回火脆性倾向少;高温加工性好,加工后美观;熔接性好;冲击的吸收性能好,锤子砸上去会与反弹感,无法进行暴力破坏。

WC6耐热铬钼钢蒸汽减压阀性能范围
公称压力(MPa) 1.6 2.5 4.0 6.4 10.0 16.0 壳化试验压力(Mpa) 2.4 3.75 6.0 9.6 15.0 24 密封试验压力(Mpa) 1.6 2.5 4.0 6.4 10.0 16.0 *高进口压力(Mpa) 1.6 2.5 4.0 6.4 10.0 16.0 出口压力范围(Mpa) 1.0-1.0 0.1-1.6 0.1-2.5 0.5-3.5 0.5-35 0.5-45 压力特性偏差(Mpa)△P2P GB12246-1989 流量特性偏差(Mpa)△P2G GB12246-1989 *小压差(Mpa) 0.15 0.15 0.2 0.4 0.8 1.0 渗漏量 GB12245-1989 标准 其他非标定制 减压阀流量系数(Cv)
DN 15 20 25 32 40 50 65 80 100 125 150 200 250 300 350 400 500 Cv 1 2.5 4 6.5 9 16 25 36 64 100 140 250 400 570 780 1020 1500 主要零件材料
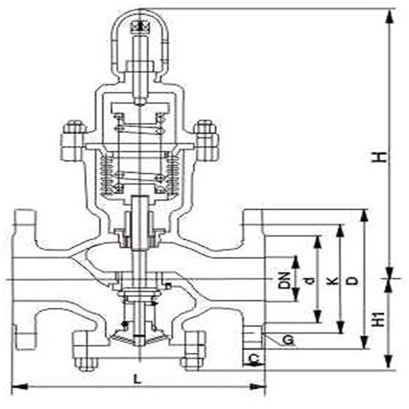
零件名称 零件材料 阀体阀盖底盖 WCB 阀座阀盘 2Cr13 缸套 2Cr13/铜合金 活塞 合金铸铁 导阀座导阀杆 2Cr13 主阀弹簧 1Cr18Ni9Ti 导阀主弹簧 50CrVA 调节弹簧 60Si12Mn WC6耐热铬钼钢蒸汽减压阀外形结构图
WC6耐热铬钼钢蒸汽减压阀外形尺寸(PN1.6-4.0)单位:mm
公称通径
DN外形尺寸 L H H1 1.6/2.5MPa 4.0MPa 15 160 180 295 90 20 160 180 330 98 25 180 200 330 110 32 200 220 330 110 40 220 240 345 125 50 250 270 345 125 65 280 300 350 130 80 310 330 385 160 100 350 380 385 170 125 400 450 400 200 150 450 500 415 210 200 500 550 475 240 250 650 525 290 300 800 580 335 350 850 620 375 400 900 660 405 450 900 730 455 500 950 750 465 外形尺寸(PN6.4-16.0) 单位:mm
公称通径
DN外形尺寸 L H H1 6.4MPa 10.0/16.0MPa 15 180 180 305 105 20 180 200 340 105 25 200 220 340 120 32 220 230 340 120 40 240 240 355 135 50 270 300 355 135 65 300 340 360 140 80 330 360 395 170 100 380 400 185 125 450 415 215 150 500 430 225 200 550 495 260 250 650 545 310 300 800 600 355 350 850 640 395 400 900 690 435 500 950 780 495 本发明结构简单,可以防止减压阀开启时产生水圾现象损坏减压阀;减压阀前安装过滤器,以防介质中的杂物进入减压阀,影响其性能。以下对本发明的优选实施例进行说明,应当理解,此处所描述的优选实施例仅用于说明和解释本发明,并不用于限定本发明。一种蒸汽减压阀道的安装方法,包括如下步骤,
WC6耐热铬钼钢蒸汽减压阀在安装时,应注意以下几点事项。
1、安装前需检查阀门口径、弹簧压力范围等参数,确保蒸汽减压阀与选型数据参数相符。由于减压阀口径一般比蒸汽管道小,在连接时要采用变径。为了合理的蒸汽流速和流动的平稳,减压阀下游的管径一般必须加大,以防止限流,确保减压阀的能力满足规定值。
2、减压阀和配套阀门安装前,必须清洗管道系统,以防焊渣、杂物等流入阀内,确保阀门可以正常工作。任何杂质或多于的连接材料都有可能影响减压阀的正常工作或使用寿命。
3、在安装蒸汽减压阀前,安装有能够过滤管道中杂物的100目蒸汽过滤器。滤网要采用抗冲蚀不锈钢滤网,滤头侧装,避免积水。
4、蒸汽减压阀一般建议安装在水平管道上,要按照阀体上的箭头方向安装,不能装反。所有林德伟特蒸汽减压阀在阀体上都有安装方向箭头示意。在垂直方向上,一般减压阀不能倒装,否则冷凝水的集聚会影响蒸汽减压阀的正常使用。
5、蒸汽减压阀的旁通管道上安装蒸汽截止阀,排除管路中的冷凝水和汽水混合物,防止减压阀开启时,产生积水和垃圾,损坏减压阀。
6、蒸汽减压阀的前端应该安装汽水分离器或疏水阀,减少和消除水锤及冲蚀。蒸汽减压阀前安装高效汽水分离器可有效提高蒸汽减压阀的使用寿命,减少冷凝水的冲蚀影响。
7、蒸汽减压阀的调节比,若流量变化较大,建议并联减压站分程控制使用。蒸汽减压阀长期处于低开度15%以下或*高开度85%以上,会降低减压阀的寿命。为了防止建议阀失效导致安全事故,应该在减压阀下游安装蒸汽安全阀。安全阀的整定压力要高于减压阀的上偏差,但是要低于设备或控制阀关闭的*高压力。蒸汽减压阀前后应该安装压力表,以便调试和日常观测。

订货须知:
一、①产品名称与型号②口径③是否带附件以便我们的为您正确选型④的使用压力⑤的使用介质的温度。
二、若已经由设计单位选定公司的型号,请按型号直接向我司销售部订购。三、当使用的场合非常重要或环境比较复杂时,请您尽量提供设计图纸和详细参数,由我们的阀门公司专家为您审核把关。如有疑问:请:我们一定会尽心尽力为您提供优质的服务。提供全面、*的“阀门系统解决方案",也十分愿意帮助用户解决生产中所遇到的难题。
-
联系方式
- 联系人:申弘阀门
- 电 话:021-59260058
- 手 机:15901754341
- 传 真:86-021-31662735
- 邮 箱:494522509@qq.com
- 邮 编:201718
- 地 址:上海市青浦区金泽工业园区
- 网 址: https://bengye.cn.goepe.com/
http://www.021-fm.com
-
产品搜索








