-
WY热电厂蒸汽减温减压装置申弘
详细信息| 询价留言WY热电厂蒸汽减温减压装置 产品说明
减温减压装置,是将小型热电厂的中温中压锅炉的多余蒸汽变为驱动次中温中压汽轮发电机发电的装置.由同文丘里管连通的节流孔板,减压阀,截止阀及管道构成的减压系统和由稳压降流孔板,减温水调节阀,逆止阀经文丘里管的喷嘴与混合器连通及其通往汽轮机总汽阀的管路构成的减温系统,加之温度,压力自动调控机构构成.使用它可充分利用中温中压锅炉的热能,减少电厂锅炉,降低标煤消耗和发电成本.减温减压装置由减温装置(或称为减温装置系统)、减压装置(或称为减压装置系统)、安全装置、热力控制系统、主汽管等部件组成。减温减压装置种类繁多,减温减压装置按使用功能可分为减温装置,减压装置和减温减压装置;按进口端蒸汽参数分可分为中温中压(P1≤3.82 MPa,t1≤450 ℃ ),次高压〔 P1≤5.4 MPa,t1≤485 ℃ 〕和高温高压〔 P1≤14 MPa,t1≤570 ℃ 〕减温减压装置;按结构形式可分为一体式减温减压装置(减温喷嘴在减压阀内)和分体式减温减压装置(减温喷嘴分离于减压阀),按阀门 ( 指调压阀 ) 控制方式可分为电、气动和手动或自力式控制。现代动力工程和热能技术要求高压—高温的锅炉产生过热度极高的过热蒸汽。

虽然这对初级透平动力机是理想的,但对某些特定的工艺,这样的蒸汽 是过热或过干的。
在发电厂,当需求动力减少时,蒸汽温度升高,因而在过热器段甚至在再热器段后需要进行减温减压。
当换热器用于工艺处理时,使用过热蒸汽会因其低传热系数而使效率很低,此时,更适于使用饱和蒸汽。因此,当产生的蒸汽处于过热或是过干的状态时,就需要使用减温减压设备。
大多数的直接接触式减温减压器的工作原理是一样的:喷射雾化的冷液与过热蒸汽混合、蒸发,并随蒸汽流出,使喷射点周围及下游的过热度降低—冷却液流量由所需降低的过热度来控制。
此工艺装置已经越来越多的应用于电厂蒸汽供热系统及其他一些相关系统,使用效果良好,运行安全稳定。从某种程度上讲,此工艺装置可以缩减首站投资是替代波节管换热器或其他管式换热器减温工艺的首选方案。

二、WY热电厂蒸汽减温减压装置适用范围
本系列产品用于将高温高压过热蒸汽转变为适用性更加广泛的低压饱和蒸汽,以满足后段工艺要求或设备使用要求。尤其在区域供热方面,可使用板式换热器取代笨重的管式换热器。
工作介质:水蒸气、氨蒸汽等常规介质
工作压力:减压前P1≤2.5MPa;喷淋前P2≤0.8MPa
三、特点
1. 采用过热蒸汽自身的冷凝液作为冷却介质,从而保证了蒸汽的原有品质,以利回收。
2. 使过热蒸汽可用在高效的可拆卸板式换热器上,并提高其传热效率。
3. 反应灵敏,控温、控压精度高,并配置可靠的断电保护装置。
4. 使用寿命长,可拆卸装置方便维护。中外组合品质,国产价格。
四、工作原理及装置
1.减压原理及减压装置
本系统采用自力式压力调节阀调节阀后压力,使阀后压力保持在设定的恒定值。压力调节阀定额选型应根据介质的性质、流量、压力和温度进行。如果采用手动减压阀,必须在减压阀后加装安全阀,减压装置应装在减温装置的上游。
2.减温原理及减温装置
本系统所指的减温就是将过热蒸汽的温度在不损失系统能量的前提下降至系统压力对应的饱和温度,并可通过计算选型保证蒸汽干度大于98%,本系统通过高压泵将后段产生的冷凝液强行输送到前段进行喷淋降温,使冷凝液与过热蒸汽直接接触而再次气化,在一个较低的温度下达到汽液平衡,变成饱和蒸汽。由于这种装置采用了过热蒸汽自身的冷凝液作为冷却介质,从而保证了蒸汽的原有品质,喷淋量的大小和扬程根据系统压力及流量确定。
3.断电保护及装置
在必要的场合,必须在系统的*上游配置高温电磁阀。当高压喷淋泵组发生故障(包括断电)时,系统在短时间内快速关闭过热蒸汽,以保护后段设备不受过热蒸汽的损伤。

WY热电厂蒸汽减温减压装置主要技术参数和性能指标:
公称压力(Mpa) 1.6 2.5 4.0 6.4 10.0 16.0 壳体试验压力(Mpa) 2.4 3.75 6.0 9.6 15.0 24 密封试验压力(Mpa) 1.76 2.75 4.4 7.04 11.0 17.6 *高进口压力(Mpa) 1.6 2.5 4.0 6.4 10.0 16.0 出口压力范围(Mpa) *佳减压比0.6 渗漏量 0.5%QMax 温量-压力等级 ANSIB16.34 电动蒸汽减压阀主要零件材料:
零件名称 零件材料 阀体阀盖底盖 WCB 阀座 304 阀瓣 2Cr13 阀杆 2Cr13 垫片 柔性石墨/1Cr18Ni9 导向套 2Cr13 填料 柔性石墨 螺栓 35CrMoA 螺母 45 电动蒸汽减压阀流量系数:
DN 50 65 80 100 125 150 200 250 300 350 400 500 Cv 15 20 35 60 70 110 150 230 420 540 710 1020 电动蒸汽减压阀外形尺寸:
公称通径DN (PN1.6-4.0Mpa)外 形 尺 寸 (PN6.4-16.0Mpa)外 形 尺 寸 L L1 H Hl L L1 H Hl 50 300 150 880 190 300 150 880 200 65 340 170 890 205 340 170 890 215 80 380 190 910 215 380 190 910 225 100 400 215 950 240 400 215 950 250 125 430 225 990 275 430 225 990 285 150 450 230 1090 320 450 230 1090 330 200 500 260 1160 340 500 260 1160 355 250 550 285 1230 370 550 285 1230 390 300 750 395 1370 460 750 395 1370 480 350 850 445 1450 530 850 445 1450 550 400 950 550 1570 660 950 550 1570 700 500 1130 680 1780 800 1130 680 1780 820 公称通径 50 65 80 100 125 150 200 250 300 350 400 500 配执行机构型号 ZKZ-310BC ZKZ-410BC/ZKZ-510BC ZKZ-510BC ZKZ-610BC/ B+Z250/F1800 行程 25 30 50/30 50 60 100 推力(N) 4000 6400/1600 16000 2500 全行程时间(S) 20 32 37 62 疏入信号 4-20mA DC 供电电源 220V 50Hz 380V 50Hz 基本误差(%) ≤±2.5 基本误差(%) ≤±1.5 基本误差(%) ≤3 
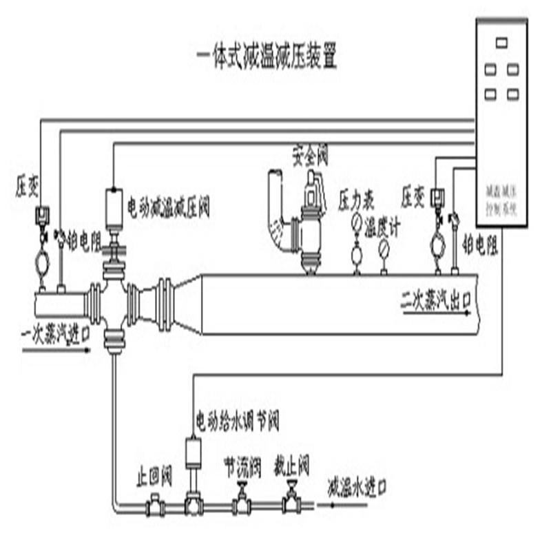
WY热电厂蒸汽减温减压装置常用的减温减压装置有以下几种:1、减温装置
减温装置由调节阀、止回阀、节流阀、截止阀和喷嘴装置所组成。止回阀用来防止系统失压时蒸汽倒流,节流阀以分配调节阀的压差。高压减温水由调节阀以定量的方式将调温水送入喷嘴,以雾状注入文丘里管中(或可调喷嘴)的高温蒸汽中,使蒸汽温度降低至用户或工艺要求的数值,出口端温度信号由温度传感器传送到温控系统中,与设定的温度相比较,以电信号的形式反馈到调节阀的执行机构中,重新调整阀的开度,调节供水流量,*终用来精确控制蒸汽温度的目的。文丘里管分体式喷嘴装置适用于供水扬程不高的水泵。与减压装置一体的喷嘴装置结构紧凑,占地面积少,应用广泛。
2、减压装置
减压装置由电动减温减压阀(或减压阀)组成,减压阀通过改变流通面积达到调节压力目的。二级或二级以上减压还需通过减压孔板来实现,减压阀其压力的调节是由压力变送器和调节器来实现的,阀门开度增加时,减压幅度变小;阀门开度减小,阀门减压幅度变大。而自力式减压阀组靠调节弹簧设定减压阀出口端压力 ,导阀及膜片自动调节主阀瓣开度。在自力式减压阀组中, 德国沃德WODE减压阀组调节精度*高。
3、安全装置
安全装置为防止出口蒸汽压力超过规定值,主蒸汽管道上设置了安全阀,当蒸汽超压时,安全阀自动打开,排放过量蒸汽,使系统压力回到安全值,安全阀可靠关闭,从而确保减温减压装置的安全运 行。安全阀有直接作用式和先导式之分,当 DN≤150 mm,一般选用直接作用式,当 DN≥200 mm 中压蒸汽时,为了保证排放可靠,一般采用先导式安全阀;当出口蒸汽为低压时也可采用直接作用式,使装置结构简单和轻便。
4、热力控制系统(热控拒)
热力控制系统是调节和控制蒸汽参数的重要设备,通过接收到减温减压装置出口端的温度、压力信号,对压力和温度调节仪进行设定压力和温度值,操纵执行机构,使减温减压装置出口端的温度、压力参数稳定在用户要求范围内,实现自动调节。本控制系统也可以手动调节,也可以与DCS系统连接,实现计算机远程控制。
5、主汽管
主汽管由混合管和蒸汽管等部件组成。其规格和结构由用户提供的参数确定,它是本装置的主体设备,经减温减压后的蒸汽送入用户需要的管道上。减温减压装置进出口均需安装电动闸阀(或截止阀)以供开启和关闭之用。

WY热电厂蒸汽减温减压装置使用与维护安装
减温减压装置到货后必须妥善保管,切忌受潮锈蚀及异物进入装置内;
弹簧式安全阀在出厂时已整定至规定起跳压力并已铅封,故不需要拆卸可直接进行安装;
冲量式安全阀、减压阀、给水分配阀(或调节阀)、止回阀、截止阀、节流阀在现场必须拆卸,抹去防锈油,装上填料,压紧填料压盖,必须保证阀内是彻底干净的(30%阀门事故是由于阀内不干净造成的),所有的连接管、压力表弯管、减温器、蒸汽管道内均必须保证干净。如上述阀门用户要求为不拆卸安装,则我公司按不解体组装,阀门到现场后可不解体直接安装;
安装前减温器管道必须保证干净,减温水喷嘴千万不能堵死,该孔径较小,极易被异物堵塞,喷嘴孔若被堵塞造成运行工况不佳,甚至造成超温爆管危及人身及设备安全;
必须检查减压阀,给水分配阀(调节阀)其DKJ执行机构或直行程执行机构与图纸要求的型号是否一致,阀门与角行程执行机构的连接应是使阀门满行程与执行机构曲柄旋转90相对应,当减压阀、给水分配阀(调节阀)的杠杆处于中间位置,曲柄机构应与它平行,这样可以达到阀门的阀瓣位移与执行机构的位移成比例,阀门和各行程执行机构之间距离不应超过5M,曲柄旋转角不能超过90。
订货须知:
一、①产品名称与型号②口径③是否带附件以便我们的为您正确选型④的使用压力⑤的使用介质的温度。
二、若已经由设计单位选定公司的型号,请按型号直接向我司销售部订购。三、当使用的场合非常重要或环境比较复杂时,请您尽量提供设计图纸和详细参数,由我们的阀门公司专家为您审核把关。如有疑问:请:我们一定会尽心尽力为您提供优质的服务。提供全面、*的“阀门系统解决方案",也十分愿意帮助用户解决生产中所遇到的难题。
-
联系方式
- 联系人:申弘阀门
- 电 话:021-59260058
- 手 机:15901754341
- 传 真:86-021-31662735
- 邮 箱:494522509@qq.com
- 邮 编:201718
- 地 址:上海市青浦区金泽工业园区
- 网 址: https://bengye.cn.goepe.com/
http://www.021-fm.com
-
产品搜索






