-
申弘电站高温高压锻钢法兰式截止阀
详细信息| 询价留言J41Y电站高温高压锻钢法兰式截止阀 产品说明
法兰截止阀适用于公称压力PN1.6~16.0Mpa,工作温度-29~550℃的石油、化工、制药、化肥、电力行业等各种工况的管道上,切断或接通介质。适用介质为:水、油品、蒸汽、酸性介质等。操作方式有:手动、齿轮传动、电动、气动等。

锻钢电站截止阀/高中压锻钢法兰电站截止阀/J41Y锻造铸钢高压电站截止阀J41H-100C/高温高压电站锻钢电站截止阀/手动锻钢法兰电站截止阀用于Class150lb~2500Lb,工作温度-29~570℃的石油、化工、火力电站等各种工况的管路上,切断或接通介质。
适用介质为:水、蒸汽等。操作方式有:手动、齿轮传动、电动等。
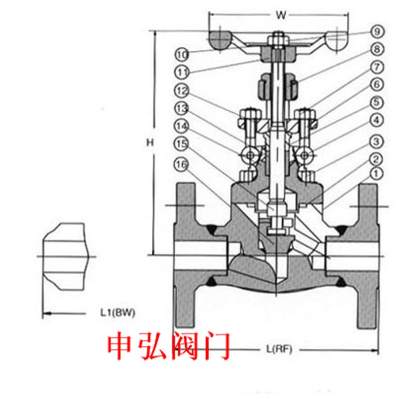
J41Y电站高温高压锻钢法兰式截止阀工作原理:
锻钢电站截止阀是一种常用的截断阀,主要用来接通或截断管路中的介质,一般不用于调节流量。电站截止阀适用的压力、温度范围很大,本阀适用于小口径的管道,密封面不易磨损、擦伤,密封性能好,启闭时阀瓣行程小,启闭时间较短,电站阀门高度较小。

锻钢电站截止阀产品特点:
1、产品设计制造按ANSIB16.34、E101标准,可与进口设备配备使用。
2、电站阀门中腔采用压力自紧式密封结构,内腔压力越高密封性能越好。
3、阀瓣和阀座的密封面采用司太立钴基硬质合金堆焊而成。
4、阀盖填料函深度合理,填料加缓蚀剂,密封可靠,开关平稳。
5、电站阀门具有上密封结构,保证电站阀门开启运行时不经阀杆外漏。
J41Y电站高温高压锻钢法兰式截止阀
1、选材考究,符合国内、外相关标准,结构合理,造型美观。
2、阀瓣、阀座密封面采用铁基合金堆焊或司太立钴基硬质合金堆焊而成,耐磨、耐高温、耐腐蚀、抗擦伤性能好,使用寿命长。
4、阀杆经调质及表面氮化处理,有良好的抗腐蚀性和抗擦伤性。
5、可采用各种配管法兰标准及法兰密封面型式,满足各种工程需要及用户要求。
6、阀体材料品种齐全,填料、垫片可根据实际工况或用户要求合理选配,能适用于各种压力、温度及介质工况。7、倒密封采用螺纹连接密封座或本体堆焊奥氏体不锈钢而成,密封可靠,更换填料可在不停机情况下进行,方便快捷,不影响系统运行。

3J41Y电站高温高压锻钢法兰式截止阀
在石油化工装置的设计中,随着涉及到的中、高压压力等级的设备与管道的增多,高中压截止阀的使用也相应多了起来。因此,高中压截止阀正确、合理的布置就尤为重要。
3.1设备或管道上的高中压截止阀一般应垂直安装,并尽量靠近被保护的设备或管道。但对设置的液体管道、换热器或容器等处的高中压截止阀,当阀门关闭后,可能由于热膨胀而使压力升高的场所,可水平安装。
3.2高中压截止阀一般应安装在易于检修和调节之处,周围要有足够的工作空间。如:立式容器的高中压截止阀,DN80以下者,可安装在平台内靠外侧;DN100以上者安装在平台外靠平台处,借助平台可以对阀门进行维修和检修。且不应安装在长的水平管道的死端,以免积聚固体物或液体。
3.3管道上安装的高中压截止阀,应位于压力比较稳定,距波动源有一定距离的地方,见图1及表1。
3.4高中压截止阀向大气排放时,对于一般无害介质(如空气等)排放管口要高出以排放口为中心的715m半径范围内的操作平台、设备或地面2.5m以上。而对有腐蚀性、易燃或有毒的介质,排放口要高出15m半径范围内的操作平台、设备或地面3m以上。
3.5高中压截止阀出口接往泄压总管时,要由上部顺着流向以45°角插入总管,以免总管内的凝液倒入支管,并可减少高中压截止阀的背压。当高中压截止阀定压大于710MPa时,必须采用45°插入,如图2中图a所示。
3.6湿气体泄压系统排放管内不应有袋形积液处,高中压截止阀的安装高度应高于泄压系统。若高中压截止阀出口低于泄压总管或排出管需要抬高接入总管时,应在低处易于接近的地方设液体储罐和液位计或手动放液阀,并定期排放至密闭系统以免袋形管段积液。另外在寒冷地区,袋形管段需要蒸汽伴热防冻。蒸汽伴热管也可使袋形管内的冷凝液气化,避免积液。但即使采用伴热管,手动放液阀仍是必须的。
3.7高中压截止阀出口管的设计应考虑背压不超过高中压截止阀定压的一定值。对于弹簧式高中压截止阀,普通型其背压一般不宜超过阀定压的10%,波纹管型(平衡型)其背压一般不宜超过高中压截止阀压的30%;对于先导式高中压截止阀,其背压不超过高中压截止阀定压的60%。具体数值应查阅制造厂样本,经工艺计算决定。
3.8由于气体或蒸汽由高中压截止阀出口排入大气时,在出口管中心线上产生于流向相反的作用力,称为高中压截止阀的反作用力。在进行高中压截止阀出口管道设计时,应考虑此作用力的影响。如:高中压截止阀出口管应设固定支架;当高中压截止阀入口管段较长时,压力容器壁应补强。

J41Y电站高温高压锻钢法兰式截止阀执行标准:
设计与制造
结构长度
法兰尺寸
压力-温度
试验-检验
GB122235
GB12221
GB9113 JB79
GB9131
GB/T13927 JB/T9092
J41Y电站高温高压锻钢法兰式截止阀压力试验:公称压力
1.6
2.5
4.0
6.4
10.0
16.0
强度试验
2.4
3.8
6.0
9.6
15.0
24.0
水密封试验
1.8
2.8
4.4
7.0
11.0
18.0
上密封试验
1.8
2.8
4.4
7.0
11.0
18.0
气密封试验
0.5-0.7
4.0MPa
DN
L
D
D1
D2
b
n-φd
H
D0
重量Weight
凹凸法兰 MFM
20
150
105
75
51
16
4-14
275
140
7
J41H J41Y J41W J41F J41N
25
160
115
85
58
16
4-14
285
160
9
32
180
135
100
66
18
4-18
302
180
12
40
200
145
110
76
18
4-18
355
200
17
50
230
160
125
88
20
4-18
373
240
24
65
290
180
145
110
22
8-18
408
280
33
80
310
195
160
121
22
8-18
436
320
44
100
350
230
190
150
24
8-23
480
360
60
125
400
270
220
176
28
8-25
588
400
90
150
480
300
250
204
30
8-25
611
400
100
200
533
375
320
260
38
12-30
720
400
190
6.4MPa
20
190
125
90
51
20
4-18
228
160
13
凹凸法兰 MFM
25
210
135
100
58
22
4-18
275
180
15
J41H J41Y J41W J41F J41N
32
230
150
110
66
24
4-23
325
200
19
40
260
165
125
76
24
4-23
360
240
25
50
300
175
135
88
26
4-23
410
280
35
65
340
200
160
110
28
8-23
450
320
48
80
380
210
170
121
30
8-23
485
360
56
100
430
250
200
150
32
8-25
537
400
125
125
500
295
240
176
36
8-30
631
400
130
150
550
340
280
204
38
8-34
646
450
160
200
650
405
345
260
44
12-34
813
500
285
10.0MPa
10
170
100
70
35
20
4-14
198
120
6
凹凸法兰 MFM
15
170
105
75
40
20
4-14
202
140
11
J41H J41Y J41W J41F J41N
20
190
125
90
51
22
4-18
228
160
13
25
210
135
100
58
24
4-18
250
180
14
32
230
150
110
66
24
4-23
326
220
16
40
260
165
125
76
26
4-23
359
240
30
50
300
195
145
88
28
4-25
414
280
50
65
340
220
170
110
32
8-25
434
320
65
80
380
230
180
121
34
8-25
547
400
100
100
430
265
210
150
38
8-30
621
450
116
125
500
310
250
176
42
8-34
732
450
150
150
550
350
290
204
46
12-34
840
500
300
200
650
430
360
260
54
12-41
925
550
600
16.0Mpa
15
170
110
75
40
24
4-18
148
140
12
环槽法兰 RTJ J41H J41Y J41W
20
190
130
90
51
26
4-23
156
160
15
25
210
140
100
58
28
4-23
175
180
17
32
230
165
115
66
30
4-25
200
200
21
40
260
175
125
76
32
4-27
231
240
31
50
300
215
165
88
36
8-25
262
250
53
65
340
245
190
110
44
8-30
303
320
70
80
380
260
205
121
46
8-30
341
400
100
100
430
300
240
150
48
8-34
485
450
120

高中压截止阀设置的正确与否对整个装置系统的安全生产起着举足轻重的作用,高中压截止阀的设计和选型对于压力容器和压力管道的设计和使用也是至关重要的环节,因此应引起设计工作者的高度重视。高中压截止阀是指依靠介质本身流动而自动开、闭阀瓣,用来防止介质倒流的高中压阀门,又称逆止阀、单向阀、逆流阀、和背压阀。截止阀属于一种自动高中压阀门,其主要作用是防止介质倒流、防止泵及驱动电动机反转,以及容器介质的泄放。截止阀还可用于给其中的压力可能升至超过系统压的辅助系统提供补给的管路上。截止阀主要可分为旋启式截止阀(依重心旋转)与升降式截止阀(沿轴线移动)。
这种类型的高中压阀门的作用是只允许介质向一个方向流动,且阻止方向流动。通常这种高中压阀门是自动工作,在一个方向流动的流体压力作用下,阀瓣打开;流体反方向流动时,由流体压力和阀瓣的自重合阀瓣作用于阀座,从而切断流动。 高中压截止阀的阀瓣呈圆盘状,绕阀座通道的转轴作旋转运动,因阀内通道成流线形,流动阻力比升蝶式截止阀小,适用于低流速和流动不常变化的大口径场合,但不宜用于脉动流,其密封性能不及升降式。蝶式截止阀分单瓣式、双瓣式和多半式三种,这三种形式主要按高中压阀门口径来分,目的是为了防止介质停止流动或倒流时,减弱水力冲击。

J41Y电站高温高压锻钢法兰式截止阀安装方法:
高中压截止阀阀瓣沿着阀体垂直中心线滑动的截止阀,内螺纹截止阀只能安装在水平管道上,在高压小口径截止阀上阀瓣可采用圆球。蝶式截止阀的阀体形状与截止阀一样(可与截止阀通用),因此它的流体阻力系数较大。其结构与截止阀相似,阀体和阀瓣与截止阀相同。阀瓣上部和阀盖下部加工有导向套简,阀瓣导向简可在阀盏导向简内自由升降,当介质顺流时,阀瓣靠介质推力开启,当介质停流时,阀瓣靠自垂降落在阀座上,起阻止介质逆流作用。直通式蝶式截止阀介质进出口通道方向与阀座通道方向垂直;立式升降式截止阀,其介质进出口通道方向与阀座通道方向相同,其流动阻力较直通式小。

订货须知:
一、①产品名称与型号②口径③是否带附件以便我们的为您正确选型④的使用压力⑤的使用介质的温度。
二、若已经由设计单位选定公司的型号,请按型号直接向我司销售部订购。三、当使用的场合非常重要或环境比较复杂时,请您尽量提供设计图纸和详细参数,由我们的阀门公司专家为您审核把关。如有疑问:请:我们一定会尽心尽力为您提供优质的服务。提供全“阀门系统解决方案",也十分愿意帮助用户解决生产中所遇到的难题。
-
联系方式
- 联系人:申弘阀门
- 电 话:021-59260058
- 手 机:15901754341
- 传 真:86-021-31662735
- 邮 箱:494522509@qq.com
- 邮 编:201718
- 地 址:上海市青浦区金泽工业园区
- 网 址: https://bengye.cn.goepe.com/
http://www.021-fm.com
-
产品搜索






