-
申弘气动对夹式弹性硬密封蝶阀D673Y
详细信息| 询价留言D673Y气动对夹式弹性硬密封蝶阀 概述
气动硬密封蝶阀结构采用三维编心原理设计,阀座采用硬密封兼容的多层次结构,加工精湛,工艺先进。气动硬密封蝶阀由阀体、蝶板、多层次阀座、阀杆、传动机构等主要部件组成,结构简单、体积小、重量轻,被广泛地应用到冶金、电力、石油、化工、空气、煤气、可燃气体以及给排水等腐蚀性介质的管道上。D673气动对夹式弹性硬密封蝶阀采用一个“U”型不锈钢密封圈,该精密的弹性密封圈与经过抛光的蝶板三维偏心接触。解决了传统偏心蝶阀在启闭0°~10°瞬间密封面仍处于滑动接触摩擦的弊病,实现蝶板在开启瞬间密封面即分离,关闭接触即密封的效果,达到延长使用寿命、密封性能*佳的目的。因此被广泛地应用到介质温度≤550℃的冶金、电力、石油、化工、空气、煤气、可燃气体以及给排水等腐蚀性介质的管道上,是调节流量和截断流体的*佳装置。
二、气动对夹硬密封蝶阀 特点

1、本阀采用三偏心密封结构,阀座与蝶板几乎无磨损,具有越观越紧的密封功能。
2、密封圈选用不锈钢制作,具有金属硬密封和弹性密封的双重优点,无论在低温和高温的情况下,均具有优良的密封性能,具有耐腐蚀,使用寿命长等特点。
3、碟板密封面采用堆焊钴基硬质合金,密封面耐磨损,使用寿命长。
4、大规格蝶板采用绗架结构,强度高,过流面积大,流阻小。
5、本阀具有双向密封功能,安装时不受介质流向的限制,也不受空间位置的影响,可在任何方向安装。
6、驱动装置可以多工位(旋转90°或180°)安装,便于用户使用。 气动硬密封对夹蝶阀采用的是三维偏心原理设计,使密封面的空间运动轨迹达到理想化,密封面相互之间无磨擦、无干涉、加之密封材料选择得当,从而使蝶阀的密封性、耐腐蚀性、耐高温性和耐磨性等得到了可靠的保证。其主要特点如下:
1、开启力矩小,灵活方便,省力节能。
2、三维编心结构,使蝶板越关越紧,其密封性能可靠,达到无泄漏。
3、耐高压、耐腐蚀、耐磨损、使用寿命长等。
三、气动对夹硬密封蝶阀 执行机构
采用新型系列GT型气动执行器,有双作用式和单作用式(弹簧复位),齿轮传动,安全可靠;大口径阀门采用系列AW型气动执行器拔叉式传动,结构合理,输出扭矩大,有双作用式和单作用式
1、齿轮式双活塞,输出力矩大,体积小。
2、气缸选用铝金材料,重量轻、外形美观。
3、可在顶部、底部安装手动操作机构。
4、齿条式连接可调节开启角度、额定流量。
5、执行器可选带电讯号反馈指示及各类附件以实现自动化操作。
6、IS05211标准连接为产品的安装更换提供了方便。
7、两端调的节螺钉可使标准产品在0°和90°有±4°的可调范围。确保与阀门的同步精度。D673Y气动对夹式弹性硬密封蝶阀性能参数
公称通经DN(mm) 50~2000 公称药理PN(MPa) 0.6 1.0 1.6 2.5 密封试验(MPa) 0.66 1.1 1.76 2.75 强度试验(MPa) 0.9 1.5 2.4 3.75 适用温度 碳钢:-29℃~425℃ 不锈钢:-40℃~650℃ 适用介质 水、空气、天然气、油品及弱腐蚀性流体 泄漏率 符合GB/T13927-92标准 驱动方式 蜗轮传动、电动、气动、液动 四、主要零部件材料
零件名称 材料 阀体 WCB、合金钢、不锈钢、QT4500 蝶板 WCB、合金钢、不锈钢、QT4500 阀轴 2Cr13不锈钢、合金钢 密封圈 不锈钢圈 填料 柔性石墨 五、采用标准
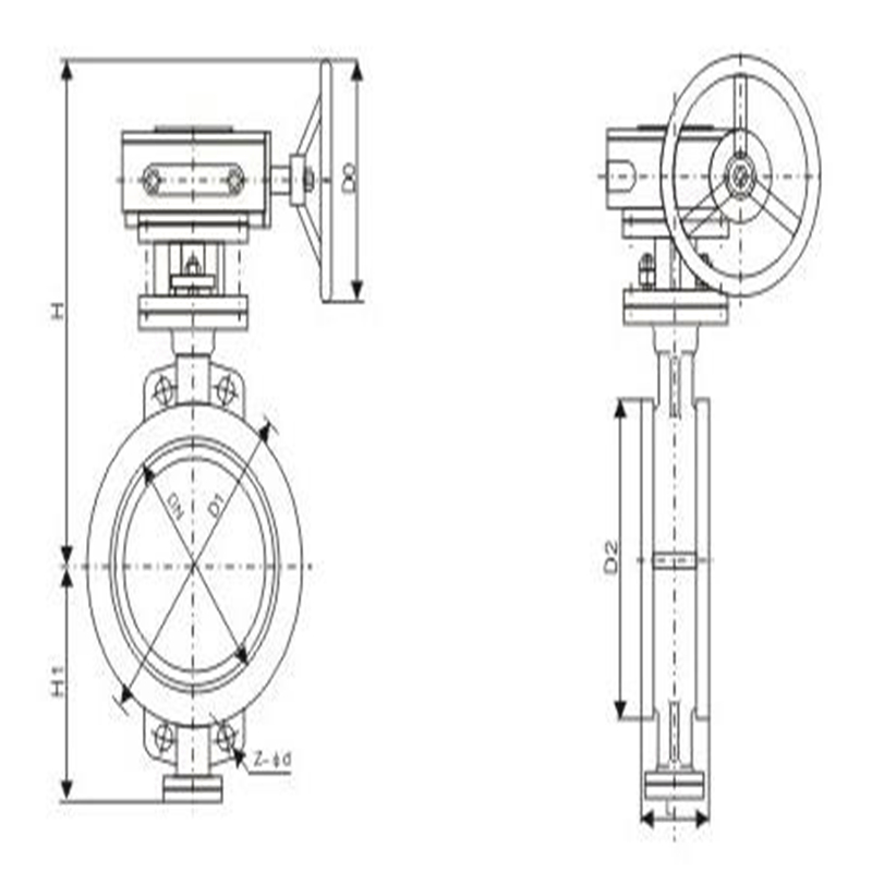
制造标准 JB/T 8527-97 法兰标准 GB9113-2000 结构长度标准 GB12221-89 检验标准 GB/T 13927-92 六、 D673Y气动对夹式弹性硬密封蝶阀主要外形连接尺寸
四、气动对夹硬密封蝶阀 附件的选项公称通经(DN) 主要尺寸 法兰尺寸和螺栓规格 1.0MPa 1.6MPa L H H1 D1 4-Ф-M D1 4-Ф-M 50 43 625 112 125 Ф18 125 Ф18 65 46 625 115 145 Ф18 145 Ф18 80 49 645 120 160 Ф18 160 Ф18 100 56 675 138 180 Ф18 180 Ф18 125 64 715 164 210 Ф18 210 Ф18 150 70 800 175 240 Ф23 240 Ф23 200 71 850 208 295 M20 295 M20 250 76 925 243 350 M20 355 M24 300 83 1035 283 400 M20 410 M24 350 92 1070 310 460 M20 470 M24 400 102 1190 340 515 M24 525 M27 450 114 1250 380 565 M24 585 M27 500 127 1290 410 620 M24 650 M30 600 154 1455 470 725 M27 770 M33 700 165 1585 550 840 M27 840 M33 800 190 1700 640 950 M30 950 M36 900 203 1965 710 1050 M30 1050 M36 1000 216 2015 770 1160 M33 1170 M39 1200 254 2250 890 1380 M36 1390 M45
根据不同控制和要求可选择下列附件:
切断型附件:单电控电磁阀、双电控电磁阀、限位开关回讯器。
调节型附件:电气定位器、气动定位器、电气转换器。
气源处理附件:空气过滤减压阀、气源处理三联件。
五、D673Y气动对夹式弹性硬密封蝶阀主要性能规范公称通径DN(mm) 50-1200 公称压力PN(MPa) 1.0 1.6 公称压力PS(MPa) 强度试验 1.5 2.4 密封试验 1.1 1.76 材料\材料代号 C P R 主要零件 阀体 WCB ZG1Cr18Ni9Ti ZG0Cr18Ni12Mo2Ti 蝶板 WCB ZG1Cr18Ni9Ti ZG0Cr18Ni12Mo2Ti 阀杆 2Cr13 1Cr18Ni9Ti 0Cr18Ni12Mo2Ti 密封圈 四氟 不锈钢 填料 四氟 柔性石墨 适用工况 适用介质 水、蒸汽、油品 硝酸类 醋酸类 适用温度 -40℃~200℃(超该温度范围;订货时请注明) 执行器 型号 GT系列、SW系列、BAW系列 气源压力 0.4-0.7Mpa 结构比较短小,占用空间小,安装的时候先用对夹式蝶阀专用法兰将其固定,然后将固定好的对夹式法兰放入管道两端法兰中间,用螺栓穿过对夹式蝶阀专用法兰和管道法兰将其固定。

具体安装步骤流程如下:
1、将对夹式蝶阀放置于预安装的两片对夹蝶阀专用法兰之间,注意将法兰螺栓孔与蝶阀阀体圆孔对齐。
2、将螺栓和螺母插入法兰孔将阀体与法兰连接,校正一下法里面的平整度,但注意不要把螺栓螺母拧的过紧。
3、将法兰焊接在管道上,这一步要采用点焊的方式。
4、先把对夹式蝶阀取下移出。
5、再将两片法兰完全焊在管道上,完成固定。
6、等法兰与管道的焊接处冷却之后,再讲对夹式蝶阀安装进去。此时注意要将蝶板打开一些。
7、再一次对蝶阀的安装位置做一个校正,拧紧螺栓,但要注意不要拧的过紧。
8、将蝶阀蝶板完全打开,保证蝶阀的蝶板可以自由启闭,能自由开闭。
9、再一次将螺栓交叉,均衡的拧紧;
10、以上步骤完成,再一次对蝶阀的启闭做一个测试,确保阀门可以自由的开关。
法兰式蝶阀安装方法
法兰蝶阀自带法兰,安装时候无需再专门配备法兰片,直接将阀体上的法兰与管道法兰用螺栓连接起来即可。但法兰蝶阀安装时要注意几点:
1.在安装时,蝶阀阀体法兰与管道上法兰之间的端面要平行,不能出现歪斜的情况,否则可能会因为螺栓拧不紧造成法兰连接处泄漏。
2.法兰蝶阀在管道上安装时候要在管道两端法兰与阀体法兰之间加入垫片,但不能用双垫片。
3.紧螺栓时要对称进行,两端法兰连接各个螺栓拧紧力要均匀且一致。
4.在安装时,要先安装蝶阀上定位孔的螺栓,将蝶阀位置对中固定,另外,在紧固法兰螺栓时,要对称交替拧紧,不要依次单独紧固螺栓。
相比对夹蝶阀,法兰蝶阀的密封性能更好,更适合做大口径阀门。但是使用成本和价格也会更高。法兰蝶阀的结构更长,占用的管道安装空间更大。

法兰蝶阀安装方法:
1、法兰蝶阀安装前检查气动蝶阀各部分部件无缺失,型号无误,检查阀体内无杂物,电磁阀和消音器内无阻塞。
2、将阀门和汽缸均置于关闭状态。
3、将汽缸撞到阀门上,(安装方向与阀体平行或垂直都可以),再看螺丝孔是否对正,不会有太大偏差,如有少许偏差,将气缸体转动一点就可以了,然后将螺丝紧固。
4、安装完毕后,对气动蝶阀进行调试(正常情况下供气压力为0.4~0.6MPa),调试运行时须手动操作电磁阀启闭(将电磁阀线圈失电后手动操作方可有效),观察气动蝶阀的启闭情况。如果在调试运行过程中发现阀门在启闭过程初始时有些吃力,之后正常,则需要将气缸行程调小(把气缸两端行程调节螺丝同时往里调一点,调整时需将阀门运行到开位置,然后将气源关掉再调),直至阀门启闭动作顺滑且关闭无泄漏。还需要注意的是,可调型消音器可以调节阀门的启闭速度,但不可调得过小,否则可能引起阀门不动作。
5、得发在安装前应保持干燥,不可露天存放。
6、安装蝶阀前要检查管道,确保管道内无焊渣等异物。
7、蝶阀阀体手动启闭阻力适中,蝶阀扭矩与所选执行器扭矩匹配。
8、蝶阀连接用法兰规格正确,管道对夹法兰与蝶阀法兰标准相符。建议使用蝶阀专用法兰,不得使用平焊法兰。
9、确认法兰焊接无误,蝶阀安装完毕后不得再焊接法兰,以免烫伤橡胶件。
10、装好的管道法兰要进行对中,并与放入的蝶阀进行对中。
11、装上所有的法兰螺栓,并用手拧紧,将确认蝶阀与法兰已然对中,然后小心的启闭蝶阀,确保启闭灵活。
12、将阀门完全开启,用扳手按照对角线次序将螺栓拧紧,无需垫圈,切勿将螺栓拧的过紧,以防造成阀圈的严重变形,启闭扭矩过大。
订货须知:
一、产品名称与型号口径是否带附件以便我们的为您正确选型使用压力使用介质的温度。
二、若已经由设计单位选定公司的放料阀型号,请型号直接向我司销售部订购。
三、当使用的场合非常重要或环境比较复杂时,请您尽量提供设计图纸和详细参数,由我们的阀门公司专家为您审核把关。如有疑问:请:我们一定会尽心尽力为您提供优质的服务。
-
联系方式
- 联系人:申弘阀门
- 电 话:021-59260058
- 手 机:15901754341
- 传 真:86-021-31662735
- 邮 箱:494522509@qq.com
- 邮 编:201718
- 地 址:上海市青浦区金泽工业园区
- 网 址: https://bengye.cn.goepe.com/
http://www.021-fm.com
-
产品搜索







