-
申弘气动高温烟气通风蝶阀D641W
详细信息| 询价留言D641W气动高温烟气通风蝶阀产品说明
气动调节型通风蝶阀是一种非密闭型蝶阀,广泛适用于建材、冶金、矿山、电力等生产过程种介质温度≤300℃公称压力为0.1Mpa的管道上,用以连通、启闭或调节介质量。采用中线式碟板与短结构钢板焊接的新型结构形式设计制造的,结构紧凑、重量轻、便于安装、流阻小、流通量大,避免高温膨胀的影响,操作轻便。体内无连杆、螺栓等、工作可靠、使用寿命长。可以多工位安装,不受介质流向影响。气动调节型通风蝶阀D641W工作原理:本蝶阀由电动机带动驱动执行机构,使碟板在90°范围内自由转动以达到启闭或调节介质流量的目的。

气动调节型通风蝶阀D641W 采用标准
设计标准:GB/T12238-1989 JB/T8692-1998
法兰连接尺寸:GB/T9115.1-2000
结构长度 h:GB/T12221-1989
压力试验:GB/T13927-1992;JB/T9092-1999
三、气动调节型通风蝶阀 执行机构
采用新型系列GT型气动执行器,有双作用式和单作用式(弹簧复位),齿轮传动,安全可靠;大口径阀门采用系列AW型气动执行器拔叉式传动,结构合理,输出扭矩大,有双作用式和单作用式。
1、齿轮式双活塞,输出力矩大,体积小。
2、气缸选用铝金材料,重量轻、外形美观。
3、可在顶部、底部安装手动操作机构。
4、齿条式连接可调节开启角度、额定流量。
5、执行器可选带电讯号反馈指示及各类附件以实现自动化操作。
6、IS05211标准连接为产品的安装更换提供了方便。
7、两端调的节螺钉可使标准产品在0°和90°有±4°的可调范围。确保与阀门的同步精度。特点
1.设计新颖、合理、结构独特,重量轻,启闭迅速。
2.力矩小,操作方便,省力灵巧。
3.采用适应的材料以满足低、中、高不同介质温度其及腐蚀性介质等。
采用标准
设计标准:GB/T 12238-1989、JB/T8692-1998
法兰连接尺寸:GB/T9115.1-2000 GB/T9113.1-2000
结构长度:GB/T12221-1989压力试验:GB/T 13927-1992;JB/T9092-1999

D641W气动高温烟气通风蝶阀产品特点
1、采用中线式碟板与短结构钢板焊接的新型结构形式设计制造的,结构紧凑、重量轻、便于安装、流阻小、流通量大,避免高温膨胀的影响,操作轻便
2、内无连杆、螺栓等、工作可靠、使用寿命长。可以多工位安装,不受介质流向影响四、气动调节型通风蝶阀 附件的选项
根据不同控制和要求可选择下列附件:
切断型附件:单电控电磁阀、双电控电磁阀、限位开关回讯器。
调节型附件:电气定位器、气动定位器、电气转换器。
气源处理附件:空气过滤减压阀、气源处理三联件。
手动机构:HVSD手操机构
蝶阀密封材料选用和适用温度材料品种
碳素钢
低温碳钢
合金钢
奥氏体不锈钢
铬钼钒钢
代号
WCB
LCB
WC6或WC9
C5或以C12
铬Cr-18型type304、316
12CrMoV
耐*高温度
425℃
345℃
595℃
650℃
600℃
560℃
耐*低温度
-29℃
-46℃
-29℃
-29℃
-196℃
-40℃
适用工作温度
425℃
345℃
595℃
650℃
600℃
560℃
蝶阀密封材料选用和适用温度
材料品种
碳素钢
低温碳钢
合金钢
奥氏体不锈钢
铬钼钒钢
代号
WCB
LCB
WC6或WC9
C5或以C12
铬Cr-18型type304、316
12CrMoV
耐*高温度
425℃
345℃
595℃
650℃
600℃
560℃
耐*低温度
-29℃
-46℃
-29℃
-29℃
-196℃
-40℃
适用工作温度
425℃
345℃
595℃
650℃
600℃
560℃
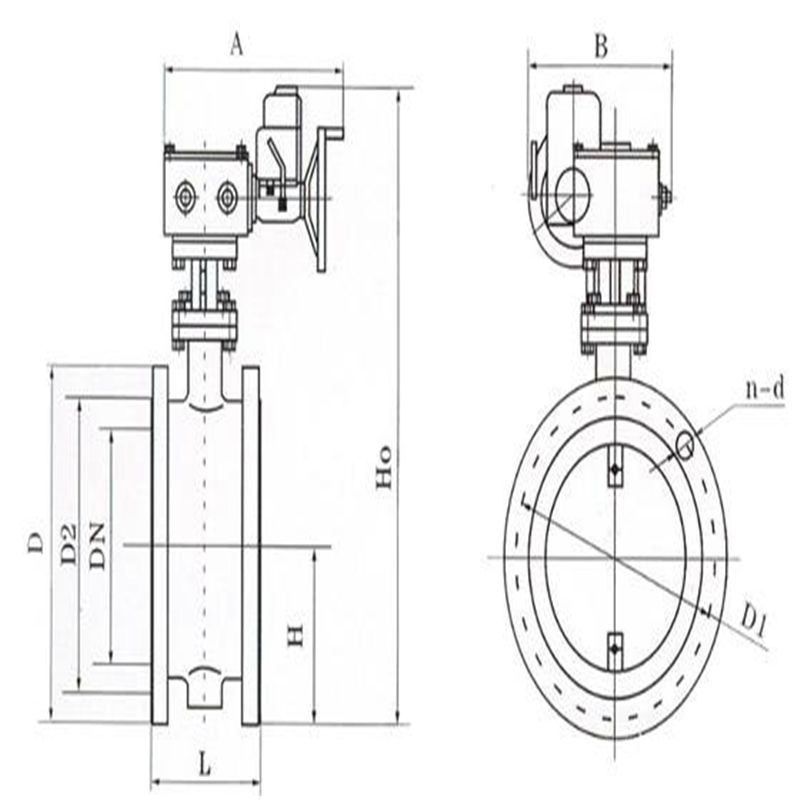
D641W-0.25/0.5/0.6 C.P.R系列连接尺寸

气动调节型通风蝶阀D641W主要参数
公称压力(MPa)
0.05MPa
介质温度
-30℃~-350℃
强度试验
0.1MPa
适用介质
冷热风、烟气
介质流速
25m/s
泄漏率
3%
D641W气动高温烟气通风蝶阀主要零件材料
零件名称
阀体
阀板
阀轴
材料
碳钢
碳钢
碳钢、不锈钢
D641W气动高温烟气通风蝶阀主要外形尺寸
DN
D
D2
L
L1
L2
n-Фd
b
300
405
370
120
716
220
82
10
350
455
420
140
786
240
84
10
400
505
470
140
924
270
128
10
450
570
530
160
999
295
128
10
500
620
580
160
1079
325
128
10
600
720
680
180
1140
380
168
12
700
820
780
180
1240
430
168
12
800
920
880
200
1350
490
168
12
900
1040
990
200
1450
540
168
14
1000
1140
1090
220
1550
590
208
14
1100
1240
1190
220
1800
640
208
14
1200
1340
1290
240
1900
690
208
14
1300
1440
1390
240
2020
760
208
16
1400
1540
1490
260
2120
810
248
16
1500
1640
1590
260
2220
860
248
16
1600
1740
1690
280
2390
980
248
16
1700
1840
1790
280
2590
1030
28-22
16
1800
1940
1890
300
2709
1096
28-22
16
1900
2040
1990
300
2826
1146
32-22
16
2000
2150
2090
320
2926
1196
32-26
16
2200
2360
2300
340
3126
1296
36-26
16
2400
2560
2500
360
3326
1396
36-26
18
2600
2760
2700
380
3526
1496
40-26
18
2800
2960
2900
400
3726
1596
40-26
18
3000
3190
3110
400
4098
1698
44-30
18
3200
3390
3310
440
4338
1798
44-30
20
3400
3590
3510
440
4578
1898
48-30
20
3600
3790
3710
480
4780
1998
48-30
20
3800
4000
3910
480
5000
2098
52-30
22
4000
4210
4120
520
5200
2210
52-30
22

结构比较短小,占用空间小,安装的时候先用对夹式蝶阀专用法兰将其固定,然后将固定好的对夹式法兰放入管道两端法兰中间,用螺栓穿过对夹式蝶阀专用法兰和管道法兰将其固定。具体安装步骤流程如下:
1、将对夹式蝶阀放置于预安装的两片对夹蝶阀专用法兰之间,注意将法兰螺栓孔与蝶阀阀体圆孔对齐。
2、将螺栓和螺母插入法兰孔将阀体与法兰连接,校正一下法里面的平整度,但注意不要把螺栓螺母拧的过紧。
3、将法兰焊接在管道上,这一步要采用点焊的方式。
4、先把对夹式蝶阀取下移出。
5、再将两片法兰完全焊在管道上,完成固定。
6、等法兰与管道的焊接处冷却之后,再讲对夹式蝶阀安装进去。此时注意要将蝶板打开一些。
7、再一次对蝶阀的安装位置做一个校正,拧紧螺栓,但要注意不要拧的过紧。
8、将蝶阀蝶板完全打开,保证蝶阀的蝶板可以自由启闭,能自由开闭。
9、再一次将螺栓交叉,均衡的拧紧;
10、以上步骤完成,再一次对蝶阀的启闭做一个测试,确保阀门可以自由的开关。

法兰式蝶阀安装方法
法兰蝶阀自带法兰,安装时候无需再专门配备法兰片,直接将阀体上的法兰与管道法兰用螺栓连接起来即可。但法兰蝶阀安装时要注意几点:
1.在安装时,蝶阀阀体法兰与管道上法兰之间的端面要平行,不能出现歪斜的情况,否则可能会因为螺栓拧不紧造成法兰连接处泄漏。
2.法兰蝶阀在管道上安装时候要在管道两端法兰与阀体法兰之间加入垫片,但不能用双垫片。
3.紧螺栓时要对称进行,两端法兰连接各个螺栓拧紧力要均匀且一致。
4.在安装时,要先安装蝶阀上定位孔的螺栓,将蝶阀位置对中固定,另外,在紧固法兰螺栓时,要对称交替拧紧,不要依次单独紧固螺栓。
相比对夹蝶阀,法兰蝶阀的密封性能更好,更适合做大口径阀门。但是使用成本和价格也会更高。法兰蝶阀的结构更长,占用的管道安装空间更大。
D641W气动高温烟气通风蝶阀法兰蝶阀安装方法:
1、法兰蝶阀安装前检查气动蝶阀各部分部件无缺失,型号无误,检查阀体内无杂物,电磁阀和消音器内无阻塞。
2、将阀门和汽缸均置于关闭状态。
3、将汽缸撞到阀门上,(安装方向与阀体平行或垂直都可以),再看螺丝孔是否对正,不会有太大偏差,如有少许偏差,将气缸体转动一点就可以了,然后将螺丝紧固。
4、安装完毕后,对气动蝶阀进行调试(正常情况下供气压力为0.4~0.6MPa),调试运行时须手动操作电磁阀启闭(将电磁阀线圈失电后手动操作方可有效),观察气动蝶阀的启闭情况。如果在调试运行过程中发现阀门在启闭过程初始时有些吃力,之后正常,则需要将气缸行程调小(把气缸两端行程调节螺丝同时往里调一点,调整时需将阀门运行到开位置,然后将气源关掉再调),直至阀门启闭动作顺滑且关闭无泄漏。还需要注意的是,可调型消音器可以调节阀门的启闭速度,但不可调得过小,否则可能引起阀门不动作。
5、得发在安装前应保持干燥,不可露天存放。
6、安装蝶阀前要检查管道,确保管道内无焊渣等异物。
7、蝶阀阀体手动启闭阻力适中,蝶阀扭矩与所选执行器扭矩匹配。
8、蝶阀连接用法兰规格正确,管道对夹法兰与蝶阀法兰标准相符。建议使用蝶阀专用法兰,不得使用平焊法兰。
9、确认法兰焊接无误,蝶阀安装完毕后不得再焊接法兰,以免烫伤橡胶件。
10、装好的管道法兰要进行对中,并与放入的蝶阀进行对中。
11、装上所有的法兰螺栓,并用手拧紧,将确认蝶阀与法兰已然对中,然后小心的启闭蝶阀,确保启闭灵活。
12、将阀门完全开启,用扳手按照对角线次序将螺栓拧紧,无需垫圈,切勿将螺栓拧的过紧,以防造成阀圈的严重变形,启闭扭矩过大。

订货须知:
一、产品名称与型号口径是否带附件以便我们的为您正确选型使用压力使用介质的温度。
二、若已经由设计单位选定公司的放料阀型号,请型号直接向我司销售部订购。
三、当使用的场合非常重要或环境比较复杂时,请您尽量提供设计图纸和详细参数,由我们的阀门公司专家为您审核把关。如有疑问:请:我们一定会尽心尽力为您提供优质的服务。
-
联系方式
- 联系人:申弘阀门
- 电 话:021-59260058
- 手 机:15901754341
- 传 真:86-021-31662735
- 邮 箱:494522509@qq.com
- 邮 编:201718
- 地 址:上海市青浦区金泽工业园区
- 网 址: https://bengye.cn.goepe.com/
http://www.021-fm.com
-
产品搜索




