-
申弘角行程电子式智能调节电动通风蝶阀3610R
详细信息| 询价留言电动通风蝶阀 通风专用蝶阀 D941W通风蝶阀 电动通风调节蝶阀
3610R角行程电子式智能调节电动通风蝶阀产品说明
电动通风调节蝶阀主要用于金、化工、建材、电站、玻璃等行业中的通风、环保工程的含尘冷风或热风气体管道中,作为气体介质调节流量或切断装置。电动通风蝶阀产品1、采用中线式碟板与短结构钢板焊接的新型结构形式设计制造的,结构紧凑、重量轻、便于安装、流阻小、流通量大,避免高温膨胀的影响,操作轻便 上海申弘阀门有限公司主营阀门有:减压阀(气体减压阀,可调式减压阀,水减压阀2、内无连杆、螺栓等、工作可靠、使用寿命长。可以多工位安装,不受介质流向影响电动通风蝶阀用途本蝶阀是一种非密闭型蝶阀,广泛适用于建材、冶金、矿山、电力等生产过程种介质温度≤300℃公称压力为0.1Mpa的管道上,用以连通、启闭或调节介质量。电动通风蝶阀结构特点本蝶阀系采用中线式碟板与短结构钢板焊接的新型结构形式设计制造的,结构紧凑、重量轻、便于安装、流阻小、流通量大,避免高温膨胀的影响,操作轻便。体内无连杆、螺栓等、工作可靠、使用寿命长。可以多工位安装,不受介质流向影响。

3610R角行程电子式智能调节电动通风蝶阀途及特点
本 蝶阀 采用与阀体相同材料加工成密封圈,采用电或气动传动。其适用温度随阀体选材而定,公称压力≤0.6MPa,一般适用于工业、冶金、环保等管道作通风调节介质流量之用。电动通风蝶阀采用中线式碟板与短结构钢板焊接的新型结构形式设计制造的,结构紧凑、重量轻、便于安装、流阻小、流通量大,避免高温膨胀的影响,操作轻便。体内无连杆、螺栓等、工作可靠、使用寿命长。可以多工位安装,不受介质流向影响。
D941W电动通风调节蝶阀其主要特点为:
1、设计新颖、合理、结构独特,重量轻,启闭迅速。
2、操力矩小,操作方便,省力灵巧。
3、采用适应的材料以满足低、中、高不同介质温度其及腐蚀性介质等。
D941W电动通风调节蝶阀采用标准
设计标准:GB/T12238-2008 JB/T8692-1998
法兰连接尺寸:GB/T9115.1-2000
结构长度 h:GB/T12221-1989
压力试验:GB/T13927-1992;JB/T9092-199
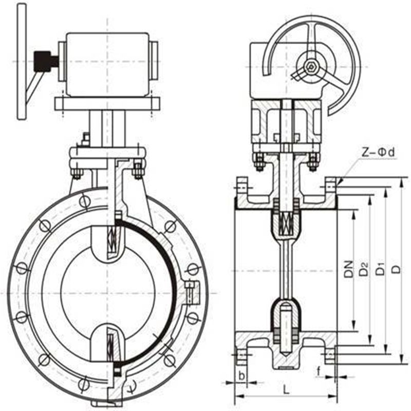
3610R角行程电子式智能调节电动通风蝶阀主要技术参数
公称通径
DN(mm)
500-2000
公称压力
PN(MPa)
0.05
0.25
0.6
试验压力Ps(MPa)
强度试验
0.075
0.375
0.9
密封试验
≤1.5%泄漏量
适用介质
煤气、含尘气体、烟道气等。
驱动形式
手动、蜗杆蜗轮传动、气传动、电传动。
D941W电动通风调节蝶阀主要零件的材质
阀体
铸钢、不锈钢、铬镶钼铣钢、铬钼钛钢等特殊材料
蝶板
铸钢、不锈钢、铬镍银钛钢、铬钼钛钢等特殊材料
密封圈
与阀体相同
阀杆
碳钢、2Cr13、不锈钢、铬钼钍钢
填料
氟塑料、柔性石墨
D941W电动通风调节蝶阀型号、规格
类别
直行程
角行程
常温型
中温型
常温型
中温型
型号
ZDLW-6B(K)
ZDLW-6B(K)G
ZDRW-6B(K)
ZDRW-6B(K)G
规格
DN600~2000
DN50~1000
技术参数和性能指标
3610R角行程电子式智能调节电动通风蝶阀调节机构主要技术参数
公称通径 mm
50
80
100
125
150
200
250
300
350
400
450
500
600
700
800
900
1000
公称压力 MPa
0.6
介质温度 ℃
常温:-20~200(铸铁);-40~250(铸钢); 中温-40~450(铸不锈钢)
额定转角 °
0~70
流量特性
-20~150
环境温度 ℃
近似等百分比
接管法兰
按JB78-59 对夹式法兰连接
阀体材质
HT200 ; 35 ; ZG230-450;1Cr18Ni9;ZG1Cr18Ni9Ti
阀板材质
HT200 ; 35 ; ZG230-450;1Cr18Ni9;ZG1Cr18Ni9Ti
3610R角行程电子式电动执行机构主要技术参数
型 号
输出力矩 N.m
动作时间 S/90°
*大转角
技术参数
361RSA-02
20
8.5
90°
电 源:220±10%Va.c.50Hz
驱动电机:交流可逆电机
输入信号:1-5V d.c.
4-20mA d.c.(信号线用屏蔽线)
开度信号:4-20mA d.c.
保护等级:相当IP55
防爆标志:ExdⅡBT4361RSA-05
50
17.0
361RSB-10
100
18.0
361RSB-20
200
36.0
361RSC-30
300
24.0
361RSC-50
500
42.0
361RSC-60
600
48.0
361RSD-100
1000
30.0
361RSD-150
1500
42.0
361RXB-10
100
18.0
361RXB-20
200
36.0
3610L直行程电子式电动执行机构主要技术参数
型 号
输出力矩 N.m
速度 mm/s
*大行程 mm
技术参数
361LSC-99
10000
2.0
100
电 源:220±10%Va.c.50Hz控制信号:1-5V d.c.
4-20mA d.c.(信号线用屏蔽线)
开度信号:4-20mA d.c.
保护等级:相当IP55
防爆标志:ExdⅡBT43610R角行程电子式智能调节电动通风蝶阀额定流量系数Kv
转 角
10°
20°
30°
40°
50°
60°
70°
公称通径 mm
50
1.9
7.5
17
30
46
64
85
80
6.7
15
30
55
92
140
220
100
10
23
46
85
140
220
340
125
16
35
70
130
220
340
530
150
20
50
100
190
320
490
770
200
40
90
180
340
570
870
1360
250
60
140
290
530
900
1380
2130
300
90
200
410
760
1280
1960
3060
350
130
280
550
1040
1750
2660
4160
400
160
370
730
1340
2300
4400
5450
450
200
470
930
1700
2900
3480
6900
500
250
570
1140
2120
3560
5430
8500
600
360
820
1630
3050
5140
7840
12200
700
500
1120
2200
4160
7000
10600
16600
800
650
1450
2900
5400
9100
13800
21700
900
810
1839
3726
6885
11583
17658
27540
1000
1000
2270
4600
8500
14300
21800
34000
项 目
指 标 值
基 本 误 差%
±2.5
回 差%
2.0
死 区%
3.0
始 终 点 偏 差%
±2.5
额 定 行 程 偏 差%
+2.5
允 许 泄 漏 量1/h
2×10-2×阀额定容量
ZDLW DN600~1000 外形尺寸 m
公称通径
L1
L2
D
D1
D2
H1
H2
H3
n-d
600
480
585
705
755
310
377.5
790
90
20-25
700
530
635
810
860
430
790
24-25
800
595
695
920
975
487.5
790
24-30
900
685
790
1020
1075
537.5
805
24-30
1000
735
830
1120
1175
587.5
805
28-30
D941W电动通风调节蝶阀主要零件材料及使用温度范围
零件名称
材 料
温度范围℃
阀体、阀板
HT200
-20~200
35
-40~450
ZG230-450
1Cr18Ni9Ti
ZG1Cr18Ni9Ti
ZG0Cr18Ni12Mo2Ti
-40~550
结构比较短小,占用空间小,安装的时候先用对夹式蝶阀专用法兰将其固定,然后将固定好的对夹式法兰放入管道两端法兰中间,用螺栓穿过对夹式蝶阀专用法兰和管道法兰将其固定。
具体安装步骤流程如下:
1、将对夹式蝶阀放置于预安装的两片对夹蝶阀专用法兰之间,注意将法兰螺栓孔与蝶阀阀体圆孔对齐。
2、将螺栓和螺母插入法兰孔将阀体与法兰连接,校正一下法里面的平整度,但注意不要把螺栓螺母拧的过紧。
3、将法兰焊接在管道上,这一步要采用点焊的方式。
4、先把对夹式蝶阀取下移出。
5、再将两片法兰完全焊在管道上,完成固定。
6、等法兰与管道的焊接处冷却之后,再讲对夹式蝶阀安装进去。此时注意要将蝶板打开一些。
7、再一次对蝶阀的安装位置做一个校正,拧紧螺栓,但要注意不要拧的过紧。
8、将蝶阀蝶板完全打开,保证蝶阀的蝶板可以自由启闭,能自由开闭。
9、再一次将螺栓交叉,均衡的拧紧;
10、以上步骤完成,再一次对蝶阀的启闭做一个测试,确保阀门可以自由的开关。

法兰式蝶阀安装方法
法兰蝶阀自带法兰,安装时候无需再专门配备法兰片,直接将阀体上的法兰与管道法兰用螺栓连接起来即可。但法兰蝶阀安装时要注意几点:
1.在安装时,蝶阀阀体法兰与管道上法兰之间的端面要平行,不能出现歪斜的情况,否则可能会因为螺栓拧不紧造成法兰连接处泄漏。
2.法兰蝶阀在管道上安装时候要在管道两端法兰与阀体法兰之间加入垫片,但不能用双垫片。
3.紧螺栓时要对称进行,两端法兰连接各个螺栓拧紧力要均匀且一致。
4.在安装时,要先安装蝶阀上定位孔的螺栓,将蝶阀位置对中固定,另外,在紧固法兰螺栓时,要对称交替拧紧,不要依次单独紧固螺栓。
相比对夹蝶阀,法兰蝶阀的密封性能更好,更适合做大口径阀门。但是使用成本和价格也会更高。法兰蝶阀的结构更长,占用的管道安装空间更大。
法兰蝶阀安装方法:
1、法兰蝶阀安装前检查气动蝶阀各部分部件无缺失,型号无误,检查阀体内无杂物,电磁阀和消音器内无阻塞。
2、将阀门和汽缸均置于关闭状态。
3、将汽缸撞到阀门上,(安装方向与阀体平行或垂直都可以),再看螺丝孔是否对正,不会有太大偏差,如有少许偏差,将气缸体转动一点就可以了,然后将螺丝紧固。
4、安装完毕后,对气动蝶阀进行调试(正常情况下供气压力为0.4~0.6MPa),调试运行时须手动操作电磁阀启闭(将电磁阀线圈失电后手动操作方可有效),观察气动蝶阀的启闭情况。如果在调试运行过程中发现阀门在启闭过程初始时有些吃力,之后正常,则需要将气缸行程调小(把气缸两端行程调节螺丝同时往里调一点,调整时需将阀门运行到开位置,然后将气源关掉再调),直至阀门启闭动作顺滑且关闭无泄漏。还需要注意的是,可调型消音器可以调节阀门的启闭速度,但不可调得过小,否则可能引起阀门不动作。
5、得发在安装前应保持干燥,不可露天存放。
6、安装蝶阀前要检查管道,确保管道内无焊渣等异物。
7、蝶阀阀体手动启闭阻力适中,蝶阀扭矩与所选执行器扭矩匹配。
8、蝶阀连接用法兰规格正确,管道对夹法兰与蝶阀法兰标准相符。建议使用蝶阀专用法兰,不得使用平焊法兰。
9、确认法兰焊接无误,蝶阀安装完毕后不得再焊接法兰,以免烫伤橡胶件。
10、装好的管道法兰要进行对中,并与放入的蝶阀进行对中。
11、装上所有的法兰螺栓,并用手拧紧,将确认蝶阀与法兰已然对中,然后小心的启闭蝶阀,确保启闭灵活。
12、将阀门完全开启,用扳手按照对角线次序将螺栓拧紧,无需垫圈,切勿将螺栓拧的过紧,以防造成阀圈的严重变形,启闭扭矩过大。

订货须知:
一、产品名称与型号口径是否带附件以便我们的为您正确选型使用压力使用介质的温度。
二、若已经由设计单位选定公司的放料阀型号,请型号直接向我司销售部订购。
三、当使用的场合非常重要或环境比较复杂时,请您尽量提供设计图纸和详细参数,由我们的阀门公司专家为您审核把关。如有疑问:请:我们一定会尽心尽力为您提供优质的服务。 -
联系方式
- 联系人:申弘阀门
- 电 话:021-59260058
- 手 机:15901754341
- 传 真:86-021-31662735
- 邮 箱:494522509@qq.com
- 邮 编:201718
- 地 址:上海市青浦区金泽工业园区
- 网 址: https://bengye.cn.goepe.com/
http://www.021-fm.com
-
产品搜索







