-
申弘智能调节型电动蝶阀ZAJWa
详细信息| 询价留言智能调节型电动蝶阀ZAJWa 电动调节蝶阀 电动调节型通风蝶阀 电动通风蝶阀 电动通风防爆蝶阀
电动通风法兰蝶阀 电动蝶阀 电动法兰式调节型蝶阀 电动蝶阀厂家 电动智能型蝶阀 蝶阀型号
一、ZAJWa智能调节型电动非密封型通风蝶阀的概述
智能调节型电动蝶阀ZAJWa是一种执行器。它与电动单元组合仪表配套使用,具有结构简单、操作方便、口径大、重量轻以及泄漏量小等优点。它应用于冶金、石油、化工等工业部门生产过程中介质流量的自动调节和遥控。由ZAJW型电动调节蝶阀蝶阀部件与电动执行机构组装而成,电动执行机构分电子式电动型(DZ型)、电动型(DP型),DZ型直接接收调节仪表或计算机控制信号,DP型需与伺服放大器配套使用,方能实现自动调节功能,高温蝶阀部件具有流通能力大,压降损失小,开启灵活、结构紧凑等特点,该类产品可广泛应用于冶金、电力、化工等工业部门作流体压力、流量、放散等使用。非密封型电动空气调节蝶阀,电动空气调节蝶阀,非密封型蝶阀。

二、ZAJWa智能调节型电动非密封型通风蝶阀主要技术参数:
阀体
型式:直通铸造蝶形阀、直通焊接蝶形阀
公称通径:DN50~4000 公称压力:PN0.6MPa
连接型式:对夹式、法兰连接、法兰连接凸面 阀体、
阀板材质:WCB(SCPH2) CF8(304)、Q235A(SS41)
阀杆材质:2Cr13、304
适用温度:常温型-40℃~250℃
中温型:-40℃~450℃
高温型-40℃~600℃
填料:柔性石墨、石棉盘根、石棉编织填料。
阀内组件
阀芯型式:铸造蝶形板、焊接蝶形板
流量特性:近似等百分比
密封型式:普通型、后座密封、椭圆密封
泄漏量:普通型5‰、后座型4‰、椭圆型3‰
可调比:30:1

三、智能调节型电动蝶阀ZAJWa电动调节蝶阀执行机构:DQW型
型式:DKJ(ZKJ)电动执行机构
电源:220VAC、50HZ
输入信号:正、反转 反馈信号:4-20mA
环境温度:-10~+80℃
附件:ZP3101伺服放大器
DZW型:
型式:SKJ、Auma全电子式电动执行机构
电源:220VAC(380VAC)、50HZ
输入信号:4-20 mA 反馈信号:4-20 mA
环境温度:-10~+80℃、-25~+80℃
额定转角:90°
KV值1

二、智能调节型电动蝶阀ZAJWa ZAJW型电动调节蝶阀的特点
1、结构简单,操作方便,开启灵活,结构紧凑。
2、流阻小,压降损失小,额定流量系数大,容易制造大口径。
3、可用于大流量、低压差的场合,也可用于浓浊浆状及悬浮颗粒物的介质调节。三、ZAJW电动调节蝶阀规格及技术参数
类别
直行程
角行程
常温型
中温型
常温型
中温型
型号
ZDJW-6B(K)
ZDJW-6B(K)G
ZDRW-6B(K)
ZDRW-6B(K)G
规格
DN600~1000
DN50~1000
智能调节型电动蝶阀ZAJWa外形尺寸
公称通径mm
50
80
100
125
150
200
250
300
350
400
额定流量
系数kv85
225
340
500
770
1360
2130
3060
4160
5450
公称通径mm
450
500
600
700
800
1000
1200
1400
1600
1800
额定流量
系数kv6900
8500
12200
16600
21700
34000
49000
66600
87000
110000
可配电动
执行机构3610、DKJ、CH、UNIC、PSQ、HQ、DHL等系列电子式电动执行机构
公称压力
0.1、0.6、1.0 (MPa)
介质温度℃
常温-20℃~+200(铸铁),-40~+450(铸钢),中温-40~+450(铸不锈钢)
转角范围
平行闸板0~700,倾斜阀板0~600
流量特性
近似百分比
接管法兰
按JB78-59中对夹式法兰连接
动作时间
25、30、60秒
阀体材质
Ht200,35,ZG230-450,1Cr18Ni9,ZG1Cr18Ni9Ti,ZG1Cr18Ni12Mo2Ti
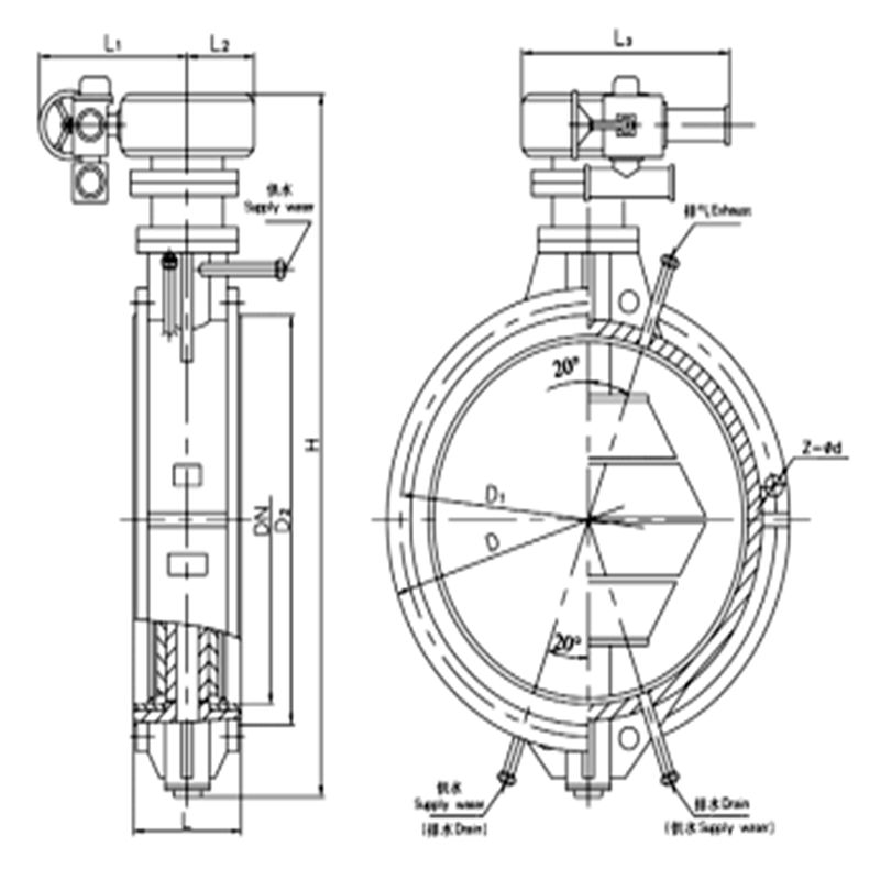
智能调节型电动蝶阀ZAJWa ZAJW型电动调节蝶外形尺寸
公称通径
D
D1
A
e
b
L
L1
L2
L3
H1
H2
H3
n-d
配执行机构
50
110
245
30
60
92
139
357
55
299
270
4-14
DKJ-210
80
125
150
245
30
60
92
139
357
62.5
299
270
4-18
DKJ-210
100
145
175
245
30
12S
60
102
149
357
72.5
299
270
4-18
DKJ-210
125
175
200
245
30
12
60
117
168
357
87.5
299
270
8-18
DKJ-210
150
200
225
245
30
12
60
130
181
357
100
299
270
8-18
DKJ-210
200
255
280
245
30
12
70
172
221
357
127.5
299
270
8-18
DKJ-210
250
310
335
300
36
14
70
197
258
507
155
340
298
12-18
DKJ-310
300
362
395
300
36
14
80
227
283
507
181
340
298
12-23
DKJ-310
350
412
445
300
36
14
80
252
290
507
206
340
298
12-23
DKJ-310
40
462
495
365
45
16
100
296
348
529
231
400
381
16-23
DKJ-410
450
518
550
365
45
16
100
321
371
529
259
400
381
16-23
DKJ-410
500
558
600
365
45
16
100
346
396
529
284
400
381
16-23
DKJ-410
600
755
706
365
45
30
150
480
418
530
377.5
863
482
20-25
DKJ-410
700
860
810
365
45
32
150
530
531
530
430
863
482
24-25
DKJ-410
800
975
920
420
51
34
200
595
586
681
487.5
917
480
24-30
DKJ-410
1000
1175
1120
420
51
36
200
735
721
681
587.5
917
480
28-30
DKJ-510
1200
1400
1340
60
45
250
906
980
32-34
DKJ-510
1400
1575
1520
60
25
300
965
1012
36-30
DKJ-610
1600
1785
1730
60
25
350
1065
1112
40-30
DKJ-610
1800
DKJ-610
1900
2100
2020
60
25
350
1217
1315
44-30
DKJ-610
2000
60
DKJ-610
四、智能调节型电动蝶阀ZAJWa ZAJW电动调节蝶阀执行机构主要技术参数
型号
DJK-110
DJK-210
DJK-310
DJK-410
DJK-510
输入信号
DC0~10mA,DC4-20mA
输入电阻Ω
200
输出转角0
0~90
输出力矩N.m
40
100
250
600
1600
电源
220V,50Hz
五、ZAJWa智能调节型电动非密封型通风蝶阀主要技术性能指标
项目
指标值
基本误差%
±8.0
回差%
6.0
死区%
5.0
额定行程偏差%
4.0
允许泄漏量L/H
平行阀板:2×10-2×额定容量,倾斜滑板:5×10-3×阀的额定流量
六、智能调节型电动蝶阀ZAJWa ZAJW型电动调节蝶允许压差与执行机构选型
公称
通径mm
配用执行机构
DJK-110
DJK-210
DJK-310
DJK-410
DJK-510
DJK-610
00
700
00
700
00
700
00
700
00
700
00
700
50
28.1
1.948
80
11.0
0.488
100
7.127
0.252
125
3.19
0.128
8.08
0.325
150
2.21
0.075
5.60
0.189
200
0.983
0.031
2.512
0.079
250
4.05
0.103
300
2.33
0.059
350
1.75
0.037
400
2.648
0.060
450
2.120
0.042
500
1.718
0.031
600
0.927
0.0178
700
0.682
0.0098
800
1.14
0.020
1000
0.619
0.0103
1200
0.504
0.016
1400
0.371
0.0106
1600
0.251
0.0076
1800
0.177
0.005
1900
0.151
0.0042
2000
0.129
0.0036
智能调节型电动蝶阀ZAJWaZAJW型电动调节蝶阀是一种旋转型调节阀,由DKJ角行程电动执行机构和蝶阀组成,它与电动单元组合仪表配合使用,具有结构简单,操作方便,开启灵活,结构紧凑。并且流阻小,压降损失小,额定流量系数大,容易制造大口径。上海申弘阀门有限公司主营阀门有:减压阀(气体减压阀,可调式减压阀,活塞式减压阀,蒸汽减压阀,先导式减压阀,空气减压阀,氮气减压阀,水用减压阀,自力式减压阀、适合用于大流量、低压差的场合,也可用于浓浊浆状及悬浮颗粒物的介质调节。Dn≥250的阀,除能直立安装在水平管道上外,用户可自行改变为平卧安装,可使执行机构与阀分离式安装。适用介质,煤气、含尘气体、烟道气。广泛应用于冶金、电站石油、化工等部门。
(a)。智能调节型电动蝶阀ZAJWa弹性座密封结构
弹性座密封结构,采用偏心蝶板安装在阀杆上,其边绩为球形、锥形两种,并与弹性密封圈相配合.密封圈做成L形和U形两种,与蝶板密封面相吻合。密封副在介质压力作用下,产生微小的弹性变形,从而实现密封。根据阀门的公称通经,公称压力选择其结构形式,根据承压受力设计密封圈壁厚。(b)。智能调节型电动蝶阀ZAJWa多层次密封结构
多层次密封结构,采用软硬多叠层式金属圈,将多叠层密封圈固定在蝶板上,使其不发生弯曲和移动,并有效避开了介质对叠层密封圈的直接冲刷,阀座密封面采用耐磨性能极佳的硬质合金焊条堆焊,从而提高了蝶阀的使用寿命。并具有金属硬密封和弹性密封的双重优点,无论在高温或低温情况下,均具有优良的密封性能。采用三维偏芯结构设计,阀座与蝶板几乎无磨擦,具有越关越紧的密封功能。板构(C)。智能调节型电动蝶阀ZAJWa中线型结构
中线型结构,由阀体、内衬里层(聚四氟乙烯或橡胶)和(不锈钢阀板或镀铬钢阀板)、阀轴组成,其介质流线型的结构设计近似于直线,调节性能好,密封结构为居中心线型密封,密封性能可靠达到双向密封零泄漏,可以任意位置安装。
二、智能调节型电动蝶阀ZAJWa结构及工作原理
ZAJWa—6型电动调节蝶阀由阀体部件和DKJ型电动执行器两部分组成,部件间用弹性联轴器联接并一同固定于支架上。电动执行器的结构、工作原理、调整及使用维修等请参阅DKJ型电动执行器说明书。
阀体部件由阀体、阀板、轴、联轴器、轴套等组成。
工作原理:从操作器(伺服放大器)来的信号电流进入电动执行器机构,使其输出一个转角,通过弹性联轴器直接带动轴及阀板转动,由于阀板在阀体内的转动,改变了介质流通截面,达到对介质流量的调节。
电动调节蝶阀按作用方式分为电开式或电闭式两种供用户选用。
电开式:无信号时,阀处于全闭位置,随着信号电流从4—>20mA增加,阀从全闭位置逐渐转向全开位置。
电闭式:无信号时,阀处于全开位置,随着信号电流从4—>20mA增加,阀从全开位置逐渐转向关闭位置。
该阀在设计上采用阀板在关闭状态时有一个初始的夹角(10°),因此在关闭时,其泄露量较小,密封性好。结构比较短小,占用空间小,安装的时候先用对夹式蝶阀专用法兰将其固定,然后将固定好的对夹式法兰放入管道两端法兰中间,用螺栓穿过对夹式蝶阀专用法兰和管道法兰将其固定。
具体安装步骤流程如下:
1、将对夹式蝶阀放置于预安装的两片对夹蝶阀专用法兰之间,注意将法兰螺栓孔与蝶阀阀体圆孔对齐。
2、将螺栓和螺母插入法兰孔将阀体与法兰连接,校正一下法里面的平整度,但注意不要把螺栓螺母拧的过紧。
3、将法兰焊接在管道上,这一步要采用点焊的方式。
4、先把对夹式蝶阀取下移出。
5、再将两片法兰完全焊在管道上,完成固定。
6、等法兰与管道的焊接处冷却之后,再讲对夹式蝶阀安装进去。此时注意要将蝶板打开一些。
7、再一次对蝶阀的安装位置做一个校正,拧紧螺栓,但要注意不要拧的过紧。
8、将蝶阀蝶板完全打开,保证蝶阀的蝶板可以自由启闭,能自由开闭。
9、再一次将螺栓交叉,均衡的拧紧;
10、以上步骤完成,再一次对蝶阀的启闭做一个测试,确保阀门可以自由的开关。
法兰式蝶阀安装方法
法兰蝶阀自带法兰,安装时候无需再专门配备法兰片,直接将阀体上的法兰与管道法兰用螺栓连接起来即可。但法兰蝶阀安装时要注意几点:
1.在安装时,蝶阀阀体法兰与管道上法兰之间的端面要平行,不能出现歪斜的情况,否则可能会因为螺栓拧不紧造成法兰连接处泄漏。
2.法兰蝶阀在管道上安装时候要在管道两端法兰与阀体法兰之间加入垫片,但不能用双垫片。
3.紧螺栓时要对称进行,两端法兰连接各个螺栓拧紧力要均匀且一致。
4.在安装时,要先安装蝶阀上定位孔的螺栓,将蝶阀位置对中固定,另外,在紧固法兰螺栓时,要对称交替拧紧,不要依次单独紧固螺栓。
相比对夹蝶阀,法兰蝶阀的密封性能更好,更适合做大口径阀门。但是使用成本和价格也会更高。法兰蝶阀的结构更长,占用的管道安装空间更大。

法兰蝶阀安装方法:
1、法兰蝶阀安装前检查气动蝶阀各部分部件无缺失,型号无误,检查阀体内无杂物,电磁阀和消音器内无阻塞。
2、将阀门和汽缸均置于关闭状态。
3、将汽缸撞到阀门上,(安装方向与阀体平行或垂直都可以),再看螺丝孔是否对正,不会有太大偏差,如有少许偏差,将气缸体转动一点就可以了,然后将螺丝紧固。
4、安装完毕后,对气动蝶阀进行调试(正常情况下供气压力为0.4~0.6MPa),调试运行时须手动操作电磁阀启闭(将电磁阀线圈失电后手动操作方可有效),观察气动蝶阀的启闭情况。如果在调试运行过程中发现阀门在启闭过程初始时有些吃力,之后正常,则需要将气缸行程调小(把气缸两端行程调节螺丝同时往里调一点,调整时需将阀门运行到开位置,然后将气源关掉再调),直至阀门启闭动作顺滑且关闭无泄漏。还需要注意的是,可调型消音器可以调节阀门的启闭速度,但不可调得过小,否则可能引起阀门不动作。
5、得发在安装前应保持干燥,不可露天存放。
6、安装蝶阀前要检查管道,确保管道内无焊渣等异物。
7、蝶阀阀体手动启闭阻力适中,蝶阀扭矩与所选执行器扭矩匹配。
8、蝶阀连接用法兰规格正确,管道对夹法兰与蝶阀法兰标准相符。建议使用蝶阀专用法兰,不得使用平焊法兰。
9、确认法兰焊接无误,蝶阀安装完毕后不得再焊接法兰,以免烫伤橡胶件。
10、装好的管道法兰要进行对中,并与放入的蝶阀进行对中。
11、装上所有的法兰螺栓,并用手拧紧,将确认蝶阀与法兰已然对中,然后小心的启闭蝶阀,确保启闭灵活。
12、将阀门完全开启,用扳手按照对角线次序将螺栓拧紧,无需垫圈,切勿将螺栓拧的过紧,以防造成阀圈的严重变形,启闭扭矩过大。

订货须知:
一、产品名称与型号口径是否带附件以便我们的为您正确选型使用压力使用介质的温度。
二、若已经由设计单位选定公司的放料阀型号,请型号直接向我司销售部订购。
三、当使用的场合非常重要或环境比较复杂时,请您尽量提供设计图纸和详细参数,由我们的阀门公司专家为您审核把关。如有疑问:请:我们一定会尽心尽力为您提供优质的服务。 -
联系方式
- 联系人:申弘阀门
- 电 话:021-59260058
- 手 机:15901754341
- 传 真:86-021-31662735
- 邮 箱:494522509@qq.com
- 邮 编:201718
- 地 址:上海市青浦区金泽工业园区
- 网 址: https://bengye.cn.goepe.com/
http://www.021-fm.com
-
产品搜索






