-
申弘部分回转智能控制电动调节蝶阀ZAJW
详细信息| 询价留言智能电动调节蝶阀ZAJW 电动通风调节阀 电动调节流量通风阀 电动调节流量阀 电动调节阀 电动蝶阀 智能防爆型电动蝶阀 电动蝶阀 电动通风调节流量蝶阀 电动高温蝶阀 电动超高温蝶阀
ZAJW部分回转智能控制电动调节蝶阀产品说明
智能电动调节蝶阀ZAJWZAJW系列电动调节蝶阀是DDZ系列电动单元组合仪表中的执行单元。电动调节蝶阀把来自调节仪表的标准信号或由D型操作器发出的手控信号,转变为蝶阀阀板的角位移,从而达到连续调节生产过程中管路内流体的工艺参数,或者开启和关闭阀门以控制流体能断的目的。
电动调节蝶阀具有动作灵敏、结构简单、使用维修方便,口径大、重量轻、泄漏量小(指低泄漏ZAJWa型)信号传送迅速和传送距离等优点。它广泛应用于冶金、石油、化工、电站等工业部门生产过程自动调节或远程控制中。智能电动调节蝶阀ZAJW主要技术参数:

阀体型式:直通铸造蝶形阀、直通焊接蝶形阀
公称通径:DN50~4000 公称压力:PN0.6MPa
连接型式:对夹式、法兰连接、法兰连接凸面 阀体、
阀板材质:WCB(SCPH2) CF8(304)、Q235A(SS41)
阀杆材质:2Cr13、304
适用温度:常温型-40℃~250℃
中温型:-40℃~450℃
高温型-40℃~600℃
填料:柔性石墨、石棉盘根、石棉编织填料。
阀内组件
阀芯型式:铸造蝶形板、焊接蝶形板
流量特性:近似等百分比
密封型式:普通型、后座密封、椭圆密封
泄漏量:普通型5‰、后座型4‰、椭圆型3‰
可调比:30:1
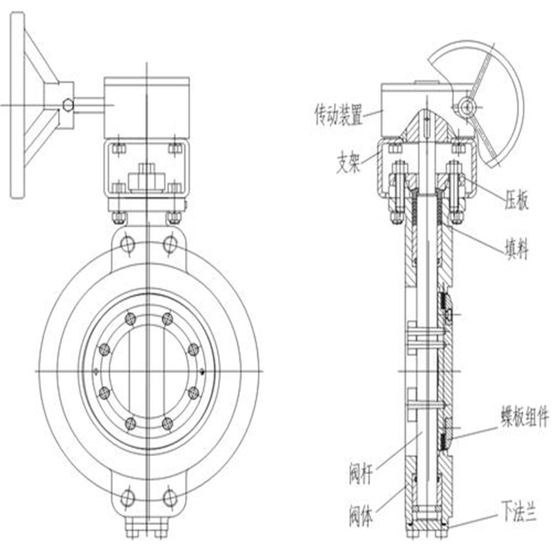
电动调节蝶阀执行器是部分回转智能调节型电动执行器,用于0-90°开关的阀门,通常由角行程电动执行机构(0~90°部分回转)和蝶阀整体通过机械连接,经过安装调试后共同组成。且结构简单、体积小、重量轻,只由少数几个零件组成。而且只需旋转90°即可快速启闭,操作简单,同时该阀门具有良好的流体控制特性。二、智能电动调节蝶阀ZAJW电动蝶阀执行器 智能型电动调节蝶阀执行器特点:
1、设计先进、系列齐全:智能型、开关式、各类信号输出型等能满足各类自动化控制的需求。
2、体积小巧、美观大方:外壳采用铝合金压铸,线条流畅,体积和重量仅相当于同类产品的35%。
3、结构合理、通用性强:电机直装、一体化输出、智能控制模块集成于电动执行器内,可适应各种配套功能的需要。
4、多种电源、多种速度:可满足多种工况的需求。
5、多种保护、使用方便:过热保护、过载保护、双重限位。免加油、防尘、防水、防锈、可任意角度安装。三、智能防爆型电动调节蝶阀ZAJW电动蝶阀执行器 智能型电动调节蝶阀执行器的基本参数性能:
1、控制电压:AC220V5060HZ、DC24V、AC380V、DC220V或指定其它。
2、输出力矩:可根据阀门开启或关闭时所需的实际扭力选择。
3、开关时间:一般情况下,其控制阀门的开关在10-120S之间,根据电动执行器的电机功率而定。
4、工作电流和功率:通常情况下,电机功率越大其输出扭矩也越大。
5、耐奢望值:1500VAC分钟。
6、电限位和防护等级:包括电气限位和机械限位;其防护等级可达到IP65,特殊要求下可达到IP68。
7、电动执行器可带手动操作,便于电源故障下也能实现对阀门的开关控制;电动执行器可以在任意角度下安装,不受时间和空间的限制。
8、控制方式多种多样a、开关型带有源灯指示 b、开关型带无源触点反馈 c、开关型带电阻输出 d、开关型带阀位反馈(4-20Ma) e、智能调节型:输入输出4-20Ma
9、电动执行器可选附件:除湿加热器、过扭矩保护器。四、智能防爆型电动调节蝶阀ZAJW电动蝶阀执行器 智能型电动调节蝶阀执行器过载保护功能原理:
电动执行器带有过载保护功能,防止因阀门在工作过程中扭矩过大或堵转而对电机造成损坏,更有效的保护阀门和电动执行器,保证电动阀的正常工作。
电动阀过载保护装置的调整:阀门在正常工作压力条件下,调整开关撞板使之与相对应过载开关滚轮刚好接触为好。当开起或关闭阀门所需扭矩大于额定扭矩时,凸轮轴会顺时针或逆时针旋转,带动过载撞块驱使过载开关动作。
上海申弘阀门有限公司主营阀门有:减压阀(气体减压阀,可调式减压阀,波纹管减压阀注意:电动阀过载保护装置出厂已调整好,原则上勿需再调整;如需调整,阀门需在正常工作压力条件下进行调试。
智能防爆型电动调节蝶阀ZAJWZAJW智能电动调节蝶阀执行机构:DP型 型式:DKJ(ZKJ)电动执行机构
电源:220VAC、50HZ
输入信号:正、反转 反馈信号:4-20mA
环境温度:-10~+80℃
附件:ZP3101伺服放大器DZ型 型式:SKJ、Auma全电子式电动执行机构
电源:220VAC(380VAC)、50HZ
输入信号:4-20 mA 反馈信号:4-20 mA
环境温度:-10~+80℃、-25~+80℃
额定转角:90°■主要技术参数及性能指标
使用环境温度:伺服放大器0~+45℃电动调节蝶阀-10~+55℃
空气相对湿度:伺服放大器≤85%
电动调节蝶阀≤95%ZAJW部分回转智能控制电动调节蝶阀型号、规格
类别
直行程
角行程
常温型
中温型
常温型
中温型
型号
ZDJW-6B(K)
ZDJW-6B(K)G
ZDRW-6B(K)
ZDRW-6B(K)G
规格
DN600~1000
DN50~1000
智能防爆型电动调节蝶阀ZAJWZAJW电动调节蝶阀
公称通径mm
50
80
100
125
150
200
250
300
350
400
额定流量
系数kv85
225
340
500
770
1360
2130
3060
4160
5450
公称通径mm
450
500
600
700
800
1000
1200
1400
1600
1800
额定流量
系数kv6900
8500
12200
16600
21700
34000
49000
66600
87000
110000
可配电动
执行机构3610、DKJ、CH、UNic、PSQ、HQ、DHL等系列电子式电动执行机构
公称压力
0.1、0.6、1.0 (MPa)
介质温度℃
常温-20℃~+200(铸铁),-40~+450(铸钢),中温-40~+450(铸不锈钢)
转角范围
平行闸板0~700,倾斜阀板0~600
流量特性
近似百分比
接管法兰
按JB78-59中对夹式法兰连接
动作时间
25、30、60秒
阀体材质
Ht200,35,ZG230-450,1Cr18Ni9,ZG1Cr18Ni9Ti,ZG1Cr18Ni12Mo2Ti
智能防爆型电动调节蝶阀ZAJWZAJW电动调节蝶阀技术参数和性能指标

3610L直行程电子式电动执行机构主要技术参数型 号
输出力矩 N.m
速度 mm/s
*大行程 mm
技术参数
361LSC-99
10000
2.0
100
电 源:220±10%Va.c.50Hz控制信号:1-5V d.c.
4-20mA d.c.(信号线用屏蔽线)
开度信号:4-20mA d.c.
保护等级:相当IP55
防爆标志:ExdⅡBT4ZAJW部分回转智能控制电动调节蝶阀调节机构主要技术参数
公称通径 mm
50
80
100
125
150
200
250
300
350
400
450
500
600
700
800
900
1000
公称压力 MPa
0.6
介质温度 ℃
常温:-20~200(铸铁);-40~250(铸钢); 中温-40~450(铸不锈钢)
额定转角 °
0~70
流量特性
-20~150
环境温度 ℃
近似等百分比
接管法兰
按JB78-59 对夹式法兰连接
阀体材质
HT200 ; 35 ; ZG230-450;1Cr18Ni9;ZG1Cr18Ni9Ti
阀板材质
HT200 ; 35 ; ZG230-450;1Cr18Ni9;ZG1Cr18Ni9Ti
智能防爆型电动调节蝶阀ZAJW3610R角行程电子式电动执行机构主要技术参数
型 号
输出力矩 N.m
动作时间 S/90°
*大转角
技术参数
361RSA-02
20
8.5
90°
电 源:220±10%Va.c.50Hz
驱动电机:交流可逆电机
输入信号:1-5V d.c.
4-20mA d.c.(信号线用屏蔽线)
开度信号:4-20mA d.c.
保护等级:相当IP55
防爆标志:ExdⅡBT4361RSA-05
50
17.0
361RSB-10
100
18.0
361RSB-20
200
36.0
361RSC-30
300
24.0
361RSC-50
500
42.0
361RSC-60
600
48.0
361RSD-100
1000
30.0
361RSD-150
1500
42.0
361RXB-10
100
18.0
361RXB-20
200
36.0
智能防爆型电动调节蝶阀ZAJWZAJW电动调节蝶阀性能指标
项 目
指 标 值
基 本 误 差%
±2.5
回 差%
2.0
死 区%
3.0
始 终 点 偏 差%
±2.5
额 定 行 程 偏 差%
+2.5
允 许 泄 漏 量1/h
2×10-2×阀额定容量
智能防爆型电动调节蝶阀ZAJW电动执行
公
称
通
径
mm配用执行机构 DJK-110 DJK-210 DJK-310 DJK-410 DJK-510 DJK-610 00 700 00 700 00 700 00 700 00 700 00 700 50 28.1 1.948 80 11.0 0.488 100 7.127 0.252 125 3.19 0.128 8.08 0.325 150 2.21 0.075 5.60 0.189 200 0.983 0.031 2.512 0.079 250 4.05 0.103 300 2.33 0.059 350 1.75 0.037 400 2.648 0.060 450 2.120 0.042 500 1.718 0.031 600 0.927 0.0178 700 0.682 0.0098 800 1.14 0.020 1000 0.619 0.0103 1200 0.504 0.016 1400 0.371 0.0106 1600 0.251 0.0076 1800 0.177 0.005 1900 0.151 0.0042 2000 0.129 0.0036 公称
通径D D1 A e b L L1 L2 L3 H1 H2 H3 n-d 配执行机构 50 110 245 30 60 92 139 357 55 299 270 4-14 DKJ-210 80 125 150 245 30 60 92 139 357 62.5 299 270 4-18 DKJ-210 100 145 175 245 30 12S 60 102 149 357 72.5 299 270 4-18 DKJ-210 125 175 200 245 30 12 60 117 168 357 87.5 299 270 8-18 DKJ-210 150 200 225 245 30 12 60 130 181 357 100 299 270 8-18 DKJ-210 200 255 280 245 30 12 70 172 221 357 127.5 299 270 8-18 DKJ-210 250 310 335 300 36 14 70 197 258 507 155 340 298 12-18 DKJ-310 300 362 395 300 36 14 80 227 283 507 181 340 298 12-23 DKJ-310 350 412 445 300 36 14 80 252 290 507 206 340 298 12-23 DKJ-310 40 462 495 365 45 16 100 296 348 529 231 400 381 16-23 DKJ-410 450 518 550 365 45 16 100 321 371 529 259 400 381 16-23 DKJ-410 500 558 600 365 45 16 100 346 396 529 284 400 381 16-23 DKJ-410 600 755 706 365 45 30 150 480 418 530 377.5 863 482 20-25 DKJ-410 700 860 810 365 45 32 150 530 531 530 430 863 482 24-25 DKJ-410 800 975 920 420 51 34 200 595 586 681 487.5 917 480 24-30 DKJ-410 1000 1175 1120 420 51 36 200 735 721 681 587.5 917 480 28-30 DKJ-510 1200 1400 1340 60 45 250 906 980 32-34 DKJ-510 1400 1575 1520 60 25 300 965 1012 36-30 DKJ-610 1600 1785 1730 60 25 350 1065 1112 40-30 DKJ-610 1800 DKJ-610 1900 2100 2020 60 25 350 1217 1315 44-30 DKJ-610 2000 60 DKJ-610 ■智能防爆型电动调节蝶阀ZAJW主要技术参数
公称通
径DN(mm)
额定流
量系统C
允许压
差Mpa
选用执行机构
主要技术特性
型号
出轴
力矩
信号电流(mA、DC)
Ⅱ型:0-10Ⅲ型:1-20
50
85
0.744
DKJ-210
16NM
电源电压
220V 50HZ
80
220
0.183
公称压力(MPa)
0.6
100
340
0.094
工作温度
(℃)
常温型
-20~200
725
530
0.303
DKJ-210
100NM
中温型
-40~450
150
770
0.176
额定行程
(℃)
普通型
0~70
175
1000
0.097
低泄漏型
8~78
200
1360
0.074
材
质
阀体
阀板
常温型
铸铁、铸钢
250
2130
0.096
中温型
铸铁、铸不锈钢
300
3060
0.055
DKJ-310
250NM
轴
2Crl3
350
4160
0.035
填料
常温型
聚四氟乙烯
400
5450
0.056
DJK-410
600NM
中温型
柔性石墨
450
6900
0.039
基本误差限(%)
±3.5
500
8500
0.029
回 差
(%)
3
600
12200
0.045
DKJ-510
1600NM
死 区
(%)
3
700
16600
0.028
允许泄漏率(%)
低泄漏型
0.5
800
21700
0.019
普通型
2
900
27100
0.013
固有流量特性
近似等百分比
1000
34000
0.010
全行程时间(秒)
25±5
结构比较短小,占用空间小,安装的时候先用对夹式蝶阀专用法兰将其固定,然后将固定好的对夹式法兰放入管道两端法兰中间,用螺栓穿过对夹式蝶阀专用法兰和管道法兰将其固定。

具体安装步骤流程如下:
1、将对夹式蝶阀放置于预安装的两片对夹蝶阀专用法兰之间,注意将法兰螺栓孔与蝶阀阀体圆孔对齐。
2、将螺栓和螺母插入法兰孔将阀体与法兰连接,校正一下法里面的平整度,但注意不要把螺栓螺母拧的过紧。
3、将法兰焊接在管道上,这一步要采用点焊的方式。
4、先把对夹式蝶阀取下移出。
5、再将两片法兰完全焊在管道上,完成固定。
6、等法兰与管道的焊接处冷却之后,再讲对夹式蝶阀安装进去。此时注意要将蝶板打开一些。
7、再一次对蝶阀的安装位置做一个校正,拧紧螺栓,但要注意不要拧的过紧。
8、将蝶阀蝶板完全打开,保证蝶阀的蝶板可以自由启闭,能自由开闭。
9、再一次将螺栓交叉,均衡的拧紧;
10、以上步骤完成,再一次对蝶阀的启闭做一个测试,确保阀门可以自由的开关。
法兰式蝶阀安装方法
法兰蝶阀自带法兰,安装时候无需再专门配备法兰片,直接将阀体上的法兰与管道法兰用螺栓连接起来即可。但法兰蝶阀安装时要注意几点:
1.在安装时,蝶阀阀体法兰与管道上法兰之间的端面要平行,不能出现歪斜的情况,否则可能会因为螺栓拧不紧造成法兰连接处泄漏。
2.法兰蝶阀在管道上安装时候要在管道两端法兰与阀体法兰之间加入垫片,但不能用双垫片。
3.紧螺栓时要对称进行,两端法兰连接各个螺栓拧紧力要均匀且一致。
4.在安装时,要先安装蝶阀上定位孔的螺栓,将蝶阀位置对中固定,另外,在紧固法兰螺栓时,要对称交替拧紧,不要依次单独紧固螺栓。
相比对夹蝶阀,法兰蝶阀的密封性能更好,更适合做大口径阀门。但是使用成本和价格也会更高。法兰蝶阀的结构更长,占用的管道安装空间更大。

法兰蝶阀安装方法:
1、法兰蝶阀安装前检查气动蝶阀各部分部件无缺失,型号无误,检查阀体内无杂物,电磁阀和消音器内无阻塞。
2、将阀门和汽缸均置于关闭状态。
3、将汽缸撞到阀门上,(安装方向与阀体平行或垂直都可以),再看螺丝孔是否对正,不会有太大偏差,如有少许偏差,将气缸体转动一点就可以了,然后将螺丝紧固。
4、安装完毕后,对气动蝶阀进行调试(正常情况下供气压力为0.4~0.6MPa),调试运行时须手动操作电磁阀启闭(将电磁阀线圈失电后手动操作方可有效),观察气动蝶阀的启闭情况。如果在调试运行过程中发现阀门在启闭过程初始时有些吃力,之后正常,则需要将气缸行程调小(把气缸两端行程调节螺丝同时往里调一点,调整时需将阀门运行到开位置,然后将气源关掉再调),直至阀门启闭动作顺滑且关闭无泄漏。还需要注意的是,可调型消音器可以调节阀门的启闭速度,但不可调得过小,否则可能引起阀门不动作。
5、得发在安装前应保持干燥,不可露天存放。
6、安装蝶阀前要检查管道,确保管道内无焊渣等异物。
7、蝶阀阀体手动启闭阻力适中,蝶阀扭矩与所选执行器扭矩匹配。
8、蝶阀连接用法兰规格正确,管道对夹法兰与蝶阀法兰标准相符。建议使用蝶阀专用法兰,不得使用平焊法兰。
9、确认法兰焊接无误,蝶阀安装完毕后不得再焊接法兰,以免烫伤橡胶件。
10、装好的管道法兰要进行对中,并与放入的蝶阀进行对中。
11、装上所有的法兰螺栓,并用手拧紧,将确认蝶阀与法兰已然对中,然后小心的启闭蝶阀,确保启闭灵活。
12、将阀门完全开启,用扳手按照对角线次序将螺栓拧紧,无需垫圈,切勿将螺栓拧的过紧,以防造成阀圈的严重变形,启闭扭矩过大。

订货须知:
一、产品名称与型号口径是否带附件以便我们的为您正确选型使用压力使用介质的温度。
二、若已经由设计单位选定公司的放料阀型号,请型号直接向我司销售部订购。
三、当使用的场合非常重要或环境比较复杂时,请您尽量提供设计图纸和详细参数,由我们的阀门公司专家为您审核把关。如有疑问:请:我们一定会尽心尽力为您提供优质的服务。 -
联系方式
- 联系人:申弘阀门
- 电 话:021-59260058
- 手 机:15901754341
- 传 真:86-021-31662735
- 邮 箱:494522509@qq.com
- 邮 编:201718
- 地 址:上海市青浦区金泽工业园区
- 网 址: https://bengye.cn.goepe.com/
http://www.021-fm.com
-
产品搜索







