-
申弘气动三偏心多层次金属硬密封对夹式蝶阀D673H
详细信息| 询价留言D673H气动三偏心多层次金属硬密封对夹式蝶阀产品用途
对夹式硬密封蝶阀安装在石油、化工、食品、医药、轻纺、造纸、水电、船舶、供排水、冶炼等系统中,在一切具有腐蚀性、非腐蚀性的气体、液体、半流体及固体粉未管线和容器上作为调节和截流使用,可在任意位置安装。上海申弘阀门有限公司主营阀门有:减压阀(气体减压阀,可调式减压阀,水减压阀
蝶阀采用精密的J形弹性密封圈和三偏心多层次金属硬密封结构,被广泛用于介质温度≤425℃的治金、电力、石油化工、以及给排水和市政建设等工业管道上,作调节流量和载断流体使用。焊接蝶阀分为铸钢焊接蝶阀,不锈钢焊接蝶阀,铬钼钢焊接蝶阀,焊接蝶阀采用三偏心结构,阀座与碟板密封面均采用不同硬度和不锈钢制作,具有良好的耐腐蚀性,使用寿命长,本阀可具有双向密封功能,产品符合国家GB/T13927-92阀门压力试验标准。接一下看看焊接蝶阀维护使用及安装说明

1、本阀门安装前,应将管道及阀门清洗干净,密封面处不得有划伤痕和污物,以免产生内漏或减少产品的使用寿命。 通风蝶阀的型号 D373H-16C表示:D表示蝶阀,3表示涡轮,7表示对夹式的,3表示三偏心(斜板式)的,16表示公称压力,C表示碳素钢.其实要想懂这块,要对阀门型号大全了解了,以后遇到了就不难了.附阀门型号大全
金属对金属线密封双偏心蝶阀适用于城市供热、供气、供水等煤气、油品、酸碱等管路,作为调节和节流装置。
2、安装时须仔细核对卡箍连接型号是否一致,卡箍与该阀连接处应安装专用密封圈,使该阀与管道连接密封可靠。
3、该阀安装完成通入压力介质时,转动手柄90°检查内外密封,如无渗漏现象,即可投入正常使用。
4、使用过程中如发现蝶阀关闭时,内部仍有渗漏现象,须更换密封圈,重新正确安装后再投入使用。
5、该蝶阀一般用于接通及断开介质,也可以用于调节流量,但不要将该阀安装于要求严格调节介质流量大小的系统中。D6S73H气动带手动对夹式硬密封蝶阀根据不同控制和要求可选择下列附件:
切断型附件:单电控电磁阀、双电控电磁阀、限位开关回讯器。
调节型附件:电气定位器、气动定位器、电气转换器。
气源处理附件:空气过滤减压阀、气源处理三联件。
手动机构:HVSD手操机构
D673H气动三偏心多层次金属硬密封对夹式蝶阀
一、由于多层软硬叠式密封圈固定在阀板上,当阀板常开状态时介质对其密封面形成正面冲刷,金属片夹层中的软密封带受冲刷后,直接影响密封性能。二、受结构条件的限制该结构不适应做通径DN200以下阀门,原因是阀板整体结构太厚,流阻大。
三、因三偏心结构的原理,阀板的密封面与阀座之间的密封是靠传动装置的力矩使阀板压向阀座。正流状态时,介质压力越高密封挤压越紧。当流道介质逆流时随着介质压力的增大阀板与阀座之间的单位正压力小于介质压强时,密封开始泄漏。

D6S73H气动带手动对夹式硬密封蝶阀高性能软密封蝶阀其特征在于:
所述阀座密封圈由软性T形密封环两侧多层不锈钢片组成。阀板与阀座的密封面为斜圆锥结构,在阀板斜圆锥表面堆焊耐温、耐蚀合金材料;固定在调节环压板之间的弹簧与压板上调节螺栓装配一起的结构。这种结构有效地补偿了轴套与阀体之间的公差带及阀杆在介质压力下的弹性变形,解决了阀门在双向互换的介质输送过程中存在的密封问题。采用软性T型两侧多层不锈钢片组成密封圈,具有金属硬密封和软密封的双重优点,无论在低温和高温情况下,均具有零渗漏的密封性能。试验证明池正流状态(介质流动方向与蝶板转动方向相同)时,密封面的压力是传动装置的力矩和介质压力对阀板的作用产生的。正向介质压力增大时阀板斜圆锥表面与阀座密封面挤压越紧,密封效果越好。你应该购置带手动装置的气动蝶阀,有气气动开,没气手动开!!带手动装置的气动蝶阀分解:气动头+二级传动头(蜗轮头)+蝶阀!
当逆流状态时,阀板与阀座之间的密封靠驱动装置的力矩使阀板压向阀座。随着反向介质压力的增大,阀板与阀座之间的单位正压力小于介质压强时,调节环的弹簧在受载后所储存的变形能补偿阀板与阀座密封面的紧压力起到自动补偿作用。
因此本实用新型不像现有的技术那样,在阀板上安装软硬多层密封圈,而是直接安装在阀体上,在压板和阀座中间增设调节环是十分理想的双向硬密封方式。它将可取代闸阀、及球形阀
D673H气动三偏心多层次金属硬密封对夹式蝶阀主要技术参数:
公称通径
DN(mm)
50~150
公称压力
PN(MPa)
1.0
1.6
2.5
试验压力
Ps(MPa)强度试验
1.5
2.4
3.75
密封试验
1.1
1.76
2.75
气密封试验
0.6
0.6
0.6
适用介质
水、蒸气、油品、酸类腐蚀性等。
适用温度
-40℃~600℃
D673H气动三偏心多层次金属硬密封对夹式蝶阀主要零件的材质:
零件名称
材料
阀体
铸铁、铸钢、不锈钢、铬钼钢、合金钢
蝶板
铸钢、合金钢(镀硬铬)、不锈钢、铬钼钢
密封圈
不锈钢、聚内脂、抗磨材料
阀杆
2Cr13、1Cr13不锈钢、铬钼钢
填料
柔性石墨
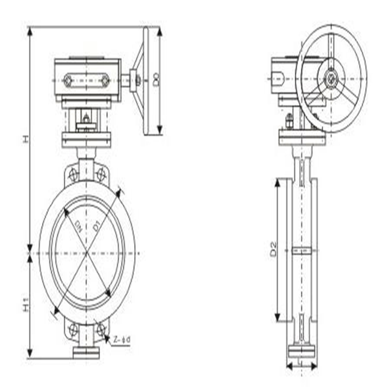
D673H气动三偏心多层次金属硬密封对夹式蝶阀主要外形连接尺寸
公称通径 结构长度标准值 外形尺寸(参考值) 法兰尺寸和螺栓孔尺寸(标准值) 参考重量 1.0MPa 1.6MPa 2.5MPa 毫米 英寸 L2 H H1 D1 Z-d a D1 Z-d a D1 Z-d a 50 2 43 265 330 250 125 4-18 90° 125 4-18 90° 125 4-18 90° 8 65 21/2 46 265 362 267 145 4-18 90° 145 4-18 90° 145 4-18 90° 9 80 3 49 320 375 275 160 8-18 45° 160 8-18 45° 160 8-18 45° 11 100 4 56 320 410 295 180 8-18 45° 180 8-18 45° 190 8-22 45° 13 125 5 64 340 425 305 210 8-18 45° 210 8-18 45° 220 8-26 45° 22 150 6 70 390 465 320 240 8-22 45° 240 8-22 45° 250 8-26 45° 24 D673H气动三偏心多层次金属硬密封对夹式蝶阀主要外形连接尺寸
公称通径 结构长度标准值 外形尺寸(参考值) 法兰尺寸和螺栓孔尺寸(标准值) 参考重量 1.0MPa 1.6MPa 2.5MPa 毫米 英寸 L L2 H H1 D D1 D2 n-d D D1 D2 n-d D D1 D2 n-d (kg) 50 2 108 265 325 240 165 125 99 4-18 165 125 99 4-18 165 125 99 4-18 14 65 21/2 112 265 340 250 185 145 118 4-18 185 145 118 4-18 185 145 118 4-18 17 80 3 114 320 355 255 200 160 132 8-18 200 160 132 8-18 200 160 132 8-18 20 100 4 127 320 400 275 220 180 156 8-18 220 180 156 8-18 235 190 156 8-22 22 125 5 140 340 435 300 250 210 184 8-18 250 210 184 8-18 270 220 184 8-26 37 150 6 140 390 455 310 285 240 211 8-22 285 240 211 8-22 300 250 211 8-26 43 结构比较短小,占用空间小,安装的时候先用对夹式蝶阀专用法兰将其固定,然后将固定好的对夹式法兰放入管道两端法兰中间,用螺栓穿过对夹式蝶阀专用法兰和管道法兰将其固定。

具体安装步骤流程如下:
1、将对夹式蝶阀放置于预安装的两片对夹蝶阀专用法兰之间,注意将法兰螺栓孔与蝶阀阀体圆孔对齐。
2、将螺栓和螺母插入法兰孔将阀体与法兰连接,校正一下法里面的平整度,但注意不要把螺栓螺母拧的过紧。
3、将法兰焊接在管道上,这一步要采用点焊的方式。
4、先把对夹式蝶阀取下移出。
5、再将两片法兰完全焊在管道上,完成固定。
6、等法兰与管道的焊接处冷却之后,再讲对夹式蝶阀安装进去。此时注意要将蝶板打开一些。
7、再一次对蝶阀的安装位置做一个校正,拧紧螺栓,但要注意不要拧的过紧。
8、将蝶阀蝶板完全打开,保证蝶阀的蝶板可以自由启闭,能自由开闭。
9、再一次将螺栓交叉,均衡的拧紧;
10、以上步骤完成,再一次对蝶阀的启闭做一个测试,确保阀门可以自由的开关。

法兰式蝶阀安装方法
法兰蝶阀自带法兰,安装时候无需再专门配备法兰片,直接将阀体上的法兰与管道法兰用螺栓连接起来即可。但法兰蝶阀安装时要注意几点:
1.在安装时,蝶阀阀体法兰与管道上法兰之间的端面要平行,不能出现歪斜的情况,否则可能会因为螺栓拧不紧造成法兰连接处泄漏。
2.法兰蝶阀在管道上安装时候要在管道两端法兰与阀体法兰之间加入垫片,但不能用双垫片。
3.紧螺栓时要对称进行,两端法兰连接各个螺栓拧紧力要均匀且一致。
4.在安装时,要先安装蝶阀上定位孔的螺栓,将蝶阀位置对中固定,另外,在紧固法兰螺栓时,要对称交替拧紧,不要依次单独紧固螺栓。
相比对夹蝶阀,法兰蝶阀的密封性能更好,更适合做大口径阀门。但是使用成本和价格也会更高。法兰蝶阀的结构更长,占用的管道安装空间更大。
法兰蝶阀安装方法:
1、法兰蝶阀安装前检查气动蝶阀各部分部件无缺失,型号无误,检查阀体内无杂物,电磁阀和消音器内无阻塞。
2、将阀门和汽缸均置于关闭状态。
3、将汽缸撞到阀门上,(安装方向与阀体平行或垂直都可以),再看螺丝孔是否对正,不会有太大偏差,如有少许偏差,将气缸体转动一点就可以了,然后将螺丝紧固。
4、安装完毕后,对气动蝶阀进行调试(正常情况下供气压力为0.4~0.6MPa),调试运行时须手动操作电磁阀启闭(将电磁阀线圈失电后手动操作方可有效),观察气动蝶阀的启闭情况。如果在调试运行过程中发现阀门在启闭过程初始时有些吃力,之后正常,则需要将气缸行程调小(把气缸两端行程调节螺丝同时往里调一点,调整时需将阀门运行到开位置,然后将气源关掉再调),直至阀门启闭动作顺滑且关闭无泄漏。还需要注意的是,可调型消音器可以调节阀门的启闭速度,但不可调得过小,否则可能引起阀门不动作。
5、得发在安装前应保持干燥,不可露天存放。
6、安装蝶阀前要检查管道,确保管道内无焊渣等异物。
7、蝶阀阀体手动启闭阻力适中,蝶阀扭矩与所选执行器扭矩匹配。
8、蝶阀连接用法兰规格正确,管道对夹法兰与蝶阀法兰标准相符。建议使用蝶阀专用法兰,不得使用平焊法兰。
9、确认法兰焊接无误,蝶阀安装完毕后不得再焊接法兰,以免烫伤橡胶件。
10、装好的管道法兰要进行对中,并与放入的蝶阀进行对中。
11、装上所有的法兰螺栓,并用手拧紧,将确认蝶阀与法兰已然对中,然后小心的启闭蝶阀,确保启闭灵活。
12、将阀门完全开启,用扳手按照对角线次序将螺栓拧紧,无需垫圈,切勿将螺栓拧的过紧,以防造成阀圈的严重变形,启闭扭矩过大。

订货须知:
一、产品名称与型号口径是否带附件以便我们的为您正确选型使用压力使用介质的温度。
二、若已经由设计单位选定公司的放料阀型号,请型号直接向我司销售部订购。
三、当使用的场合非常重要或环境比较复杂时,请您尽量提供设计图纸和详细参数,由我们的阀门公司专家为您审核把关。如有疑问:请:我们一定会尽心尽力为您提供优质的服务。 -
联系方式
- 联系人:申弘阀门
- 电 话:021-59260058
- 手 机:15901754341
- 传 真:86-021-31662735
- 邮 箱:494522509@qq.com
- 邮 编:201718
- 地 址:上海市青浦区金泽工业园区
- 网 址: https://bengye.cn.goepe.com/
http://www.021-fm.com
-
产品搜索







