-
申弘气动全衬耐磨胶耐腐蚀对夹式蝶阀D671J
详细信息| 询价留言D671J气动全衬耐磨胶耐腐蚀对夹式蝶阀产品概述
气动衬胶蝶阀(亦称气动耐腐蚀蝶阀),是采用角行程活塞式气动执行器及衬胶蝶阀蝶体组成,可配行程限位开关、电磁阀、三联件及0.4-0.7MPa气源可实现开关操作,并送出二对无源触点信号指示阀门的开关。气动软密封蝶阀为偏心金属密封结构,密封形式为金属对金属密封,可调换金属密封圈对金属密封,不锈钢板与石墨复合板密封圈对金属密封.硬密封蝶阀的驱动形式除了电动之外还有:手动,蜗轮杆传动,气动等。气动软密封蝶阀的蝶板安装于管道的直径方向。在蝶阀阀体圆柱形通道内,圆盘形蝶板绕着轴线旋转,旋转角度为0°~90°之间,旋转到90°时,阀门则牌全开状态。上海申弘阀门有限公司主营阀门有:减压阀(气体减压阀,可调式减压阀,水减压阀

D671J气动全衬耐磨胶耐腐蚀对夹式蝶阀作用
气动衬胶蝶阀不仅具有优良的防腐(耐碱、盐性能,耐弱酸侵蚀)耐磨、减磨性能,(比普通蝶阀使用寿命可明显延长)而且具有无毒、抗菌、防霉等特点,更有操作力矩小,(比普通有销蝶阀降低百分之四十)维修方便,外形美观等突出优点。气动衬胶蝶阀整个蝶板与阀体在360°圆周内同心(中线)具有双向密封功能。阀座和阀体内衬一体化,适用于各种不同的腐蚀性介质,作管路启闭或调节以达到控制要求。

■ D671J气动全衬耐磨胶耐腐蚀对夹式蝶阀主要特点
1、采用衬胶无销,保证了介质与金属完全隔离,提高了产品的可靠性。
2、密封面耐磨性好(橡胶耐磨性是铜的七倍)。
3、可以任何位置安装,维修方便。
4、密封件可以更换,密封性能可靠达到双向密封零泄漏。
5、橡胶材料无任何毒性,并且抗菌、抗霉。

■ D671J气动衬胶蝶阀主要技术参数
● 阀体
阀体形式 直通铸造蝶阀 公称通径 DN50~1200mm 公称压力 PN1.0、1.6 MPa 法兰标准 JIS B220、JB/T79、ANSI B16.5-1981、GB/T9113、HG20594-97、HG20618-97等 连接形式 法兰式、对夹式 阀盖形式 一体式 压盖型式 压盖压紧式 密封填料 V型聚四氟乙烯填料、柔性石墨填料 ●D671J耐磨衬胶气动蝶阀阀内件
阀板形式 垂直板式(蝶形) 流量特性 线性 ● D671J耐磨衬胶气动蝶阀执行机构
执行器型号 GT系列、SR系列、AT系列、AW系列、TH(QGSY)系列单双作用气动执行器 供气压力 400~700KPa 气源接口 G1/4"、G1/8"、G3/8"、G1/2" 环境温度 -30~+70℃ 作用形式 单作用执行机构:气关式(B)--失气时阀位开(FO);气开式(K)--失气时阀位关(FC)
双作用执行机构:气关式(B)--失气时阀位保持(FL);气开式(K)-- 失气时阀位保持(FL)可配附件 定位器、电磁阀、空气过滤减压器、保位阀、行程开关、阀位传送器、手轮机构等 注:如需详细执行器参数,请进入气动执行器页面进行查阅。采用新型系列GT型气动执行器,有双作用式和单作用式(弹簧复位),齿轮传动,安全可靠;大口径阀门采用系列AW型气动执行器拔叉式传动,结构合理,输出扭矩大。
1、切断型附件:单电控电磁阀、双电控电磁阀、限位开关回讯器。
2、调节型附件:电气定位器、气动定位器、电气转换器。
3、气源处理附件:空气过滤调压阀、气源处理三联件。
4.采用电-气阀门定位器,以电信号和压缩空气为动力,接受控制系统输入的0-10mA DC或4-20mA DC电流信号,由调节器将压缩空气,转换成气源压力信号输入输出,改变阀板的旋转角度(0-90°任意角度),具有较好的调节控制流量等参数。
5、采用电磁换向阀、阀位回讯器,以AC220V或DC24V电源电压和压缩空气作动力,实现对流体介质的快速二位切断控制。气动执行机构采用活塞式气缸及曲臂转换结构,输出力矩大,体积精小,采用全密封防水设计防护等级高。
6、气缸体采用镜面气缸,无油润滑,磨擦系数小、耐腐蚀、具有超强的耐用性及可靠性。所有传动轴承均采用边界自润滑轴承无油润滑,确保传动轴不摩损。同类产品还有气动软密封蝶阀,气动衬氟塑料蝶阀,电动软密封蝶阀,电动衬胶蝶阀。
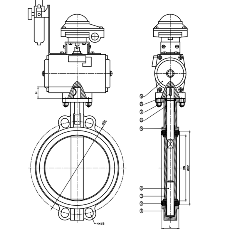
【D671J气动全衬耐磨胶耐腐蚀对夹式蝶阀阀门结构图】:

■ D671J气动全衬耐磨胶耐腐蚀对夹式蝶阀主要性能指标
回差 带定位器:小于全行程的2% 基本误差 带定位器:小于全行程的±2% 泄露量l / h 符合ANSI B16.104 IV级标准 可调范围R 50:1 ■ D671J气动衬胶蝶阀主要零件材料
阀体、底座 球墨铸钢、铸钢、不锈钢、衬橡胶 蝶板 灰铸铁、球墨铸钢、铸钢、不锈钢及特殊材料、衬橡胶 密封圈 不锈钢、衬橡胶 阀杆 2Cr13、不锈钢、衬橡胶 填料 V型聚四氟乙烯填料、柔性石墨填料 ■D671J耐磨衬胶气动蝶阀密封材料选择
密封圈材料代号 适用温度 适用介质 NR ≤85℃ 水、空气、酸碱类 CR ≤85℃ 水、煤气、酸碱类 NBR ≤100℃ 水、油品 EPDM ≤120℃ 水、蒸汽、一般酸碱类 FKM ≤150℃ 水、蒸汽、强酸碱类 ■ D671J耐磨衬胶气动蝶阀主要性能规范
公称通径DN(mm) 50-1200 公称压力 PN(MPa) 0.6 1.0 1.6 试验压力 强度试验 0.9 1.5 2.4 密封试验 0.66 1.1 1.76 低压气密试验 0.6 0.6 0.6 适用介质 弱碱、盐酸、空气、水及各类酸性物质 D671X气动软密封蝶阀|D671J气动衬胶蝶阀 密封圈适用介质、温度推荐表
密封副材质 适用温度 介质类型及适用程度 突出特性 淡水 海水 盐类 强碱 弱碱 强酸 弱酸 天然气 醇类 空气 蒸汽 油类 食品 阀座 丁 -12ºC~82ºC A A A B A D B A C A D A B 耐油 三元乙丙 -35ºC~135ºC A A A A A C A B B A A C A 耐老化 耐腐蚀三元乙丙 -35ºC~160ºC
A
A
A
A
A
A
A
B
B
A
A
C
A耐腐蚀、耐老化 氟橡胶 -23ºC~135ºC A A A A A C A A C A A A A 耐高温、耐腐蚀 聚四氟乙烯 -10ºC~150ºC A A A C A A A A A A A A A 耐腐蚀、耐高温 蝶板 球铁电镀 -30ºC~350ºC B D C D C D C B A B A A C 耐热 球铁尼龙覆层 -30ºC~100ºC
A
A
A
A
A
D
A
A
C
A
D
A
A抗蚀、耐磨 铝青铜 -273ºC~232ºC A B C D C D B A A A A A C 耐热、耐腐蚀 不锈钢 -268ºC~316ºC A B C C B C A A A A A A A 耐高温、耐腐蚀 A 非常适用 B 适用 C 有限适用 D 不适用
六、连接尺寸
公称通径 结构长度
(标准值)外形尺寸
(参考值)连接尺寸
(标准值)0.6MPa 1.0MPa 1.6MPa 毫米 英寸 L H H0 A B D0 n-d D0 n-d D0 n-d 50 2 43 63 315 180 65 110 4-14 125 4-18 125 4-18 65 21/2 46 70 330 180 65 130 4-14 145 4-18 145 4-18 80 3 46 83 390 245 72 150 4-18 160 8-18 160 8-18 100 4 52 105 431 240 72 170 4-18 180 8-18 180 8-18 125 5 56 115 455 240 72 200 8-18 210 8-18 210 8-18 150 6 56 137 626 350 93 225 8-18 240 8-22 240 8-22 200 8 60 164 720 350 93 280 8-18 295 8-22 295 12-22 250 10 68 206 800 550 350 335 12-18 350 12-22 355 12-26 300 12 78 230 860 600 350 395 12-22 400 12-22 410 12-26 350 14 78 248 883 600 350 445 12-22 460 16-22 470 16-26 400 16 102 289 972 600 350 495 16-22 515 16-26 525 16-30 450 18 114 320 1043 750 380 550 16-22 565 20-26 585 20-30 500 20 127 343 1098 750 380 600 20-22 620 20-26 650 20-33 600 24 154 413 1236 750 380 705 20-26 725 20-30 770 20-36 700 28 165 478 1431 750 380 810 24-26 840 24-30 840 24-36 800 32 190 525 1488 750 380 920 24-30 950 24-33 950 24-39 900 36 203 620 1615 1250 380 1020 24-30 1050 28-33 1050 28-39 1000 40 216 725 1765 1500 580 1120 28-30 1160 28-36 1170 28-42 1200 48 254 780 1976 1500 580 1340 32-33 1380 32-39 1390 32-48 D671J气动衬胶蝶阀可能发生的故障、原因及消除方法 见表1
表1D671J耐磨衬胶气动蝶阀可能发生的故障、原因及消除方法
发生故障的原因
消除方法
填料渗漏
1.填料压盖未压紧
2.填料因使用过久或保存不妥而失效
1.均匀地拧紧螺母,将填料压紧
2.更换填料
密封面间渗漏
1.密封面有污杂物附着
2.密封面损坏
1.将污杂物清除干净
2.重新加工修整或更换
阀体与阀盖连接处渗漏
1.连接螺栓紧固不均匀
2.法兰密封面损坏
3.垫片破裂或失效
1.均匀拧紧
2.重新修整
3.更换新垫片
手柄转动不灵活或
球体不能启闭
1.填料压得太紧
2.填料压板,压套装置歪斜
1.适当旋松填料压板上的螺母
2.校正填料压板
气动装置故障
“阀门气动装置说明书”
上海申弘阀门有限公司对阀门投入使用一年内负责保修,但不超过发货期12个月。在保修期内,因产品质量原因均可免费修理或更换零件。
蝶阀安装方法:
1、法兰蝶阀安装前检查气动蝶阀各部分部件无缺失,型号无误,检查阀体内无杂物,电磁阀和消音器内无阻塞。
2、将阀门和汽缸均置于关闭状态。
3、将汽缸撞到阀门上,(安装方向与阀体平行或垂直都可以),再看螺丝孔是否对正,不会有太大偏差,如有少许偏差,将气缸体转动一点就可以了,然后将螺丝紧固。
4、安装完毕后,对气动蝶阀进行调试(正常情况下供气压力为0.4~0.6MPa),调试运行时须手动操作电磁阀启闭(将电磁阀线圈失电后手动操作方可有效),观察气动蝶阀的启闭情况。如果在调试运行过程中发现阀门在启闭过程初始时有些吃力,之后正常,则需要将气缸行程调小(把气缸两端行程调节螺丝同时往里调一点,调整时需将阀门运行到开位置,然后将气源关掉再调),直至阀门启闭动作顺滑且关闭无泄漏。还需要注意的是,可调型消音器可以调节阀门的启闭速度,但不可调得过小,否则可能引起阀门不动作。
5、得发在安装前应保持干燥,不可露天存放。
6、安装蝶阀前要检查管道,确保管道内无焊渣等异物。
7、蝶阀阀体手动启闭阻力适中,蝶阀扭矩与所选执行器扭矩匹配。
8、蝶阀连接用法兰规格正确,管道对夹法兰与蝶阀法兰标准相符。建议使用蝶阀专用法兰,不得使用平焊法兰。
9、确认法兰焊接无误,蝶阀安装完毕后不得再焊接法兰,以免烫伤橡胶件。
10、装好的管道法兰要进行对中,并与放入的蝶阀进行对中。
11、装上所有的法兰螺栓,并用手拧紧,将确认蝶阀与法兰已然对中,然后小心的启闭蝶阀,确保启闭灵活。
12、将阀门完全开启,用扳手按照对角线次序将螺栓拧紧,无需垫圈,切勿将螺栓拧的过紧,以防造成阀圈的严重变形,启闭扭矩过大。

订货须知:
一、产品名称与型号口径是否带附件以便我们的为您正确选型使用压力使用介质的温度。
二、若已经由设计单位选定公司的放料阀型号,请型号直接向我司销售部订购。
三、当使用的场合非常重要或环境比较复杂时,请您尽量提供设计图纸和详细参数,由我们的阀门公司专家为您审核把关。如有疑问:请:我们一定会尽心尽力为您提供优质的服务。 -
联系方式
- 联系人:申弘阀门
- 电 话:021-59260058
- 手 机:15901754341
- 传 真:86-021-31662735
- 邮 箱:494522509@qq.com
- 邮 编:201718
- 地 址:上海市青浦区金泽工业园区
- 网 址: https://bengye.cn.goepe.com/
http://www.021-fm.com
-
产品搜索






