-
申弘单作用活塞式气动带手轮硬密封法兰式蝶阀AW
详细信息| 询价留言气动硬密封蝶阀 气动三偏心多层次硬密封蝶阀 气动软密封蝶阀 电动硬密封蝶阀 手动硬密封蝶阀
一、AW单作用活塞式气动带手轮硬密封法兰式蝶阀概述
气动硬密封蝶阀结构采用三维编心原理设计,阀座采用硬密封兼容的多层次结构,加工,工艺先进。气动蝶阀是由气动执行器和蝶阀组成。气动蝶阀是用随阀柑转动的圆形蝶板做启闭性,以实现启用动作的气动阀门主要做截断阀使用,亦可设计成具有调节或段阀兼调节的功能,目前蝶阀在低压大中口径管道上的使用越来越多。气动蝶阀分类:不锈钢气动蝶阀,硬密封气动蝶阀,软密封气动蝶阀,碳钢气动蝶阀。上海申弘阀门有限公司主营阀门有:减压阀(气体减压阀,可调式减压阀,水减压阀气动硬密封蝶阀由阀体、蝶板、多层次阀座、阀杆、传动机构等主要部件组成,结构简单、体积小、重量轻,被广泛地应用到冶金、电力、石油、化工、空气、煤气、可燃气体以及给排水等腐蚀性介质的管道上。气动带手动蝶阀是由气动头+二级传动头(蜗轮头)+蝶阀组成的,有气时就用气动开关,没气时,再用手动开!红色的手柄其实是手动和自动的切换装置,可以切换自动和手动的,操作要分气闭阀还是气开阀。还有个锁定装置,将此装置拨出,就能将红色操作杆打到手动位置,现场手轮操作关闭或打开阀门。作为一种用来实现管路系统通断及流量控制的部件,已在石油、化工、冶金、水电等许多领域中得到极为广泛地应用。在已公知的蝶阀技术中,其密封形式多采用密封结构,密封材料为橡胶、聚四氟乙烯等。

气动带手轮蝶阀D6S43H气动执行机构
气动阀:借助压缩空气驱动的阀门。 气动阀采购时只明确规格、类别、工压就满足采购要求的作法,在当前市场经济环境里是不完善的因为气动阀制造厂家为了产品的竞争,各自均在气动阀统一设计的构思下,进行不同的创新,形成了各自的企业标准及产品个性。因此在气动阀采购时较详尽的提出技术要求,与厂家协调取得共识,作为气动阀采购合同的附件是十分必要的。气动阀门防腐很重要,不能单一的去防腐,要做到各个部位全方面防腐。 气动蝶阀是工业管道中应用*为常用的阀门品种之一。蝶阀体积小、用料少、重量轻、口径越大相对其他阀更经济实惠。气动执行器旋转90°即可快速启闭,操作简单。同时该阀门具有良好的流体控制特性。蝶阀处于完全开启位置时,蝶板厚度是介质流经阀体时唯一的阻力,因此通过该阀门所产生的压力降很小,当开启度在大约15°至70°之间时,又能进行灵敏的流量控制,因此大口径的流量调节,蝶阀具有较大的优势。不适用于有颗粒和温度偏高的工艺介质中。
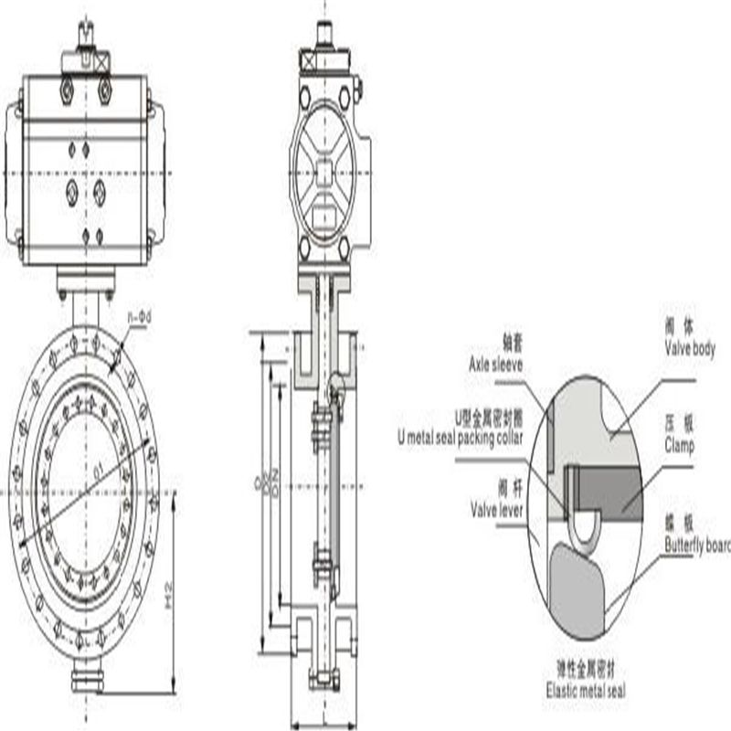
蝶阀采用精密的J形弹性密封圈和三偏心多层次金属硬密封结构,被广泛用于介质温度≤425℃的治金、电力、石油化工、以及给排水和市政建设等工业管道上,作调节流量和载断流体使用。焊接蝶阀分为铸钢焊接蝶阀,不锈钢焊接蝶阀,铬钼钢焊接蝶阀,焊接蝶阀采用三偏心结构,阀座与碟板密封面均采用不同硬度和不锈钢制作,具有良好的耐腐蚀性,使用寿命长,本阀可具有双向密封功能,产品符合国家GB/T13927-92阀门压力试验标准。接一下看看焊接蝶阀维护使用及安装说明。

软密封偏心蝶阀适用于通风除尘管路的双向启闭及调节,广泛用于冶金、轻工、电力、石油化工系统的煤气管道及水道等。
金属对金属线密封双偏心蝶阀适用于城市供热、供气、供水等煤气、油品、酸碱等管路,作为调节和节流装置。
2、安装时须仔细核对卡箍连接型号是否一致,卡箍与该阀连接处应安装专用密封圈,使该阀与管道连接密封可靠。
3、该阀安装完成通入压力介质时,转动手柄90°检查内外密封,如无渗漏现象,即可投入正常使用。
4、使用过程中如发现蝶阀关闭时,内部仍有渗漏现象,须更换密封圈,重新正确安装后再投入使用。
5、该蝶阀一般用于接通及断开介质,也可以用于调节流量,但不要将该阀安装于要求严格调节介质流量大小的系统中。* 密封阀座水线条设计,阀板密封面平面设计,彻底避免气动阀因长时间不开而造成的卡位现象
* 阀板上下中孔处,采用球型摩擦面设计,扭矩更小,密封性更好
* 阀座无靠背设计,扭矩更轻,也方便用户自行更换阀座AW单作用活塞式气动带手轮硬密封法兰式蝶阀气动执行器
1、阀体(包括变速传动箱体)内外,首先应抛丸清砂除锈,力求静电喷涂粉状无毒环氧树脂,厚度达0.3mm以上。特大型阀门静电喷涂无毒环氧树脂有困难时,亦应刷涂、喷涂相似的无毒环氧漆。
2、阀体内部以及阀板各个部位要求全面防腐,一方面浸泡在水中不会锈蚀,在两种金属之间不产生电化学腐蚀;二方面表面光滑使过水阻力减少。
3、阀体内防腐的环氧树脂或油漆的卫生要求,应有相应机关的检测报告。化学物理性能亦应符合相关要求。气动阀门防腐很重要,不能单一的去防腐,要做到各个部位全方面防腐。1、阀体(包括变速传动箱体)内外,首先应抛丸清砂除锈,力求静电喷涂粉状无毒环氧树脂,厚度达0.3mm以上。特大型阀门静电喷涂无毒环氧树脂有困难时,亦应刷涂、喷涂相似的无毒环氧漆。
2、阀体内部以及阀板各个部位要求全面防腐,一方面浸泡在水中不会锈蚀,在两种金属之间不产生电化学腐蚀;二方面表面光滑使过水阻力减少。
3、阀体内防腐的环氧树脂或油漆的卫生要求,应有相应机关的检测报告。化学物理性能亦应符合相关要求。
AW气动执行器特点
1、回转角度:双作用式=90°,单作用式=90°从两端可调节角度±5°
2、工作环境温度:-20°~80℃。
3、气源:过滤、干燥或加润滑油的洁净空气,*小气压0.4MPa,*大气压1.0MPa。
4、基本设计:气动双气缸双活塞拔叉传动机构。型号AW=双作用式;型号AWS=单作用式(弹簧复位)。
5、附件功能:可配单(双)电控电磁阀、限位开关回讯器、电气定位器、气源处理三联件以及手动操作机构,完全实现自动或手动控制。
AW单作用活塞式气动带手轮硬密封法兰式蝶阀气动执行器概述
AW气动执行器分为双作用式和单作用(弹簧复位),两个分体气缸,双活塞,拔叉式传动结构,容易制造大尺寸缸体,输出扭矩大,动作灵活平稳;气缸内壁和活塞杆镀硬铬,有很好的抗磨性;所有滑动部件之间配有无油润滑轴承和导向环以降低摩擦系数,延长使用寿命,AW气动执行器的U型曲线特性输出扭矩更适用于大口径球阀、蝶阀的开关和调节,也可用于其它90°回转场合.AW气动执行器特点
1、回转角度:双作用式=90°,单作用式=90°从两端可调节角度±5°
2、工作环境温度:-20°~80℃。
3、气源:过滤、干燥或加润滑油的洁净空气,*小气压0.4MPa,*大气压1.0MPa。
4、基本设计:气动双气缸双活塞拔叉传动机构。型号AW=双作用式;型号AWS=单作用式(弹簧复位)。
5、附件功能:可配单(双)电控电磁阀、限位开关回讯器、电气定位器、气源处理三联件以及手动操作机构,完全实现自动或手动控制。AW气动执行器气动驱动装置结构特点及主要零部件
1、轴承[金属亲PTEE]摩擦系数小,润滑密封效果好。
2、隔板[HT200(FC200)]使气室与回转机构隔离,减少空气消耗量,防止异物进入汽缸,同时为活塞导向,保证动作稳定。
3、进气口[RC1/4,3/8,1/2]。
4、活塞[HT200(FC200)]轻巧耐压,推力损失小,密封性好。
5、活塞杆[45(S45C+HCr)]强度高,表面度硬铬,耐磨损。
6、销轴[45(S45C+HCr)]表面度硬铬,将活塞杆出力平稳供给拨叉。
7、手动蜗轮操作器安装平台。
8、轴[45(S45C+HCr)]耐磨损。
9、汽缸[QT450-10(FCD450)]。
10、限位螺柱调整开关角度,开关各自可调±5°。
11、O型圈[NBR]防水。
12、拨叉[QT450-10(FCD450)]将直线运动转变为回转运动,输出力矩特性适应中大口径阀门扭矩特性。
13、箱体[HT200(FC200)。气动带手轮蝶阀D6S43H产品特点:
1、兼容互换性好,适用范围广:本定位器的放大器即适用于单作用型执行器,又适用于双作用型执行器。可以选择标准特性以外的输出特性。
2、气动功率大,动作速度快,力平衡采用多回路,不易振荡,动作性能相当稳定。
3、本定位器正反作用的作用方式,可很简单方便地调换校正,仅需调整可插接固定的凸轮机构便可方便的调换调整定位器的作用方式。
4、一般定位器的恒节流孔经常会阻塞不通,导致定位器不正常工作的现象很多,而本定位器设计制造的恒节流孔机构,通针可以动作,方便疏解通孔,保持工作气路路畅通无阻。
5、具有良好的复台防爆功能:由于线圈部件与接线盒采用可靠的防爆结构,各机构设计成组件化,所以该产品具有良好的复合防爆功能,它可同时具备本质安全型i、(iaⅡCT6).隔爆型d、(dIIBT6),附:本定位器是具备内部件内防爆结构功能.不是传统的表壳防爆结构。
6、结构紧凑,精密可靠:本产品零部件精密压铸.外形及内部结构制作工艺精致,各机构经优化组合设计,整机结构紧凑,采用不锈钢紧固件和先进的喷涂工艺处理、生产制造标志永久性等.具备了良好的防腐性能。
7、调校简单,安装方便:本定位器不需打开外壳亦可实现调整零点,行程范围调节方便,范围宽度大。定位器表壳(罩盖)用两只不锈钢螺钉紧固,安装打开可靠方便,表壳(罩盖)螺钉无散乱脱落和咬死现象。在定位器底(面)部设有安装用的螺孔和根据要求附配过渡联接安装板,从而可以适用于各种气动执行机构的方使地安装。特点
气动硬密封对夹蝶阀采用的是三维偏心原理设计,使密封面的空间运动轨迹达到理想化,密封面相互之间无磨擦、无干涉、加之密封材料选择得当,从而使蝶阀的密封性、耐腐蚀性、耐高温性和耐磨性等得到了可靠的保证。其主要特点如下:
1、开启力矩小,灵活方便,省力节能。
2、三维编心结构,使蝶板越关越紧,其密封性能可靠,达到无泄漏。
3、耐高压、耐腐蚀、耐磨损、使用寿命长等。同类产品还有手动硬密封蝶阀,电动硬密封蝶阀。
AW单作用活塞式气动带手轮硬密封法兰式蝶阀主要技术参数
公称通经DN(mm) 50~2000 公称药理PN(MPa) 0.6 1.0 1.6 2.5 密封试验(MPa) 0.66 1.1 1.76 2.75 强度试验(MPa) 0.9 1.5 2.4 3.75 适用温度 碳钢:-29℃~425℃ 不锈钢:-40℃~650℃ 适用介质 水、空气、天然气、油品及弱腐蚀性流体 泄漏率 符合GB/T13927-92标准 驱动方式 蜗轮传动、电动、气动、液动 AW单作用活塞式气动带手轮硬密封法兰式蝶阀主要零部件材料
零件名称 材料 阀体 WCB、合金钢、不锈钢、QT4500 蝶板 WCB、合金钢、不锈钢、QT4500 阀轴 2Cr13不锈钢、合金钢 密封圈 不锈钢圈 填料 柔性石墨 AW单作用活塞式气动带手轮硬密封法兰式蝶阀采用标准
制造标准 JB/T 8527-97 法兰标准 GB9113-2000 结构长度标准 GB12221-89 检验标准 GB/T 13927-92 AW单作用活塞式气动带手轮硬密封法兰式蝶阀主要外形连接尺寸
公称通经(DN) 主要尺寸 法兰尺寸和螺栓规格 1.0MPa 1.6MPa L H H1 D1 4-Ф-M D1 4-Ф-M 50 43 625 112 125 Ф18 125 Ф18 65 46 625 115 145 Ф18 145 Ф18 80 49 645 120 160 Ф18 160 Ф18 100 56 675 138 180 Ф18 180 Ф18 125 64 715 164 210 Ф18 210 Ф18 150 70 800 175 240 Ф23 240 Ф23 200 71 850 208 295 M20 295 M20 250 76 925 243 350 M20 355 M24 300 83 1035 283 400 M20 410 M24 350 92 1070 310 460 M20 470 M24 400 102 1190 340 515 M24 525 M27 450 114 1250 380 565 M24 585 M27 500 127 1290 410 620 M24 650 M30 600 154 1455 470 725 M27 770 M33 700 165 1585 550 840 M27 840 M33 800 190 1700 640 950 M30 950 M36 900 203 1965 710 1050 M30 1050 M36 1000 216 2015 770 1160 M33 1170 M39 1200 254 2250 890 1380 M36 1390 M45 气动带手轮蝶阀D6S43H保管、保养、安装和使用
5.1阀门应存放在干燥,通风的室内,阀门通道两端应堵塞。
5.2长期存放的阀门应定期检查,清除污物。应特别注意密封面的清洁,防密封面的损坏。
5.3安装前应仔细核对阀门标志是否与使用要求相符。
5.4安装前应检查阀门通道和密封面,如有污垢,应使用清洁布擦拭干净。
5.5安装前检查填料是否压紧,应确保填料的密封性,同时不应妨碍阀杆的转动。
5.6安装后系统或管路试压时,阀门必须处于全开位置。
5.7使用中应将球体全开或关闭,不应将球体部分开启做调节流量用。
5.8手动阀门在开启或关闭操作时,应使用手柄开、关,不得借用辅助杠杆或其它工具。
5.9阀门使用应定期检查,检查密封面有无磨损及垫片填料。若损坏失效,应及时修理或更换。
5.10气动阀门的传动装置,其保管、保养、安装和使用,请见“阀门气动装置使用说明书”。
气动带手轮蝶阀D6S43H可能发生的故障、原因及消除方法 见表1
表1 可能发生的故障、原因及消除方法
可能发生的故障
发生故障的原因
消除方法
填料渗漏
1.填料压盖未压紧
2.填料因使用过久或保存不妥而失效
1.均匀地拧紧螺母,将填料压紧
2.更换填料
密封面间渗漏
1.密封面有污杂物附着
2.密封面损坏
1.将污杂物清除干净
2.重新加工修整或更换
阀体与阀盖连接处渗漏
1.连接螺栓紧固不均匀
2.法兰密封面损坏
3.垫片破裂或失效
1.均匀拧紧
2.重新修整
3.更换新垫片
手柄转动不灵活或
阀体不能启闭
1.填料压得太紧
2.填料压板,压套装置歪斜
1.适当旋松填料压板上的螺母
2.校正填料压板
气动装置故障
“阀门气动装置说明书”
上海申弘阀门厂对阀门投入使用一年内负责保修,但不超过发货期12个月。在保修期内,因产品质量原因均可免费修理或更换零件。
法兰蝶阀安装方法:
1、法兰蝶阀安装前检查气动蝶阀各部分部件无缺失,型号无误,检查阀体内无杂物,电磁阀和消音器内无阻塞。
2、将阀门和汽缸均置于关闭状态。
3、将汽缸撞到阀门上,(安装方向与阀体平行或垂直都可以),再看螺丝孔是否对正,不会有太大偏差,如有少许偏差,将气缸体转动一点就可以了,然后将螺丝紧固。
4、安装完毕后,对气动蝶阀进行调试(正常情况下供气压力为0.4~0.6MPa),调试运行时须手动操作电磁阀启闭(将电磁阀线圈失电后手动操作方可有效),观察气动蝶阀的启闭情况。如果在调试运行过程中发现阀门在启闭过程初始时有些吃力,之后正常,则需要将气缸行程调小(把气缸两端行程调节螺丝同时往里调一点,调整时需将阀门运行到开位置,然后将气源关掉再调),直至阀门启闭动作顺滑且关闭无泄漏。还需要注意的是,可调型消音器可以调节阀门的启闭速度,但不可调得过小,否则可能引起阀门不动作。
5、得发在安装前应保持干燥,不可露天存放。
6、安装蝶阀前要检查管道,确保管道内无焊渣等异物。
7、蝶阀阀体手动启闭阻力适中,蝶阀扭矩与所选执行器扭矩匹配。
8、蝶阀连接用法兰规格正确,管道对夹法兰与蝶阀法兰标准相符。建议使用蝶阀专用法兰,不得使用平焊法兰。
9、确认法兰焊接无误,蝶阀安装完毕后不得再焊接法兰,以免烫伤橡胶件。
10、装好的管道法兰要进行对中,并与放入的蝶阀进行对中。
11、装上所有的法兰螺栓,并用手拧紧,将确认蝶阀与法兰已然对中,然后小心的启闭蝶阀,确保启闭灵活。
12、将阀门完全开启,用扳手按照对角线次序将螺栓拧紧,无需垫圈,切勿将螺栓拧的过紧,以防造成阀圈的严重变形,启闭扭矩过大。
订货须知:
一、产品名称与型号口径是否带附件以便我们的为您正确选型使用压力使用介质的温度。
二、若已经由设计单位选定公司的放料阀型号,请型号直接向我司销售部订购。
三、当使用的场合非常重要或环境比较复杂时,请您尽量提供设计图纸和详细参数,由我们的阀门公司专家为您审核把关。如有疑问:请:我们一定会尽心尽力为您提供优质的服务。
-
联系方式
- 联系人:申弘阀门
- 电 话:021-59260058
- 手 机:15901754341
- 传 真:86-021-31662735
- 邮 箱:494522509@qq.com
- 邮 编:201718
- 地 址:上海市青浦区金泽工业园区
- 网 址: https://bengye.cn.goepe.com/
http://www.021-fm.com
-
产品搜索








