-
申弘双作用开关型气动对夹式衬胶蝶阀GT
详细信息| 询价留言气动软密封蝶阀 电动软密封蝶阀 手动软密封蝶阀 电动硬密封蝶阀 气动硬密封蝶阀
GT双作用开关型气动对夹式衬胶蝶阀简介
D671X气动软密封蝶阀适用于温度≤120℃或≤150℃,公称压力≤1.6MPa给排水、污水、食品、供暖、燃气、船舶、水电、冶金、能源系统以及轻纺等行业,特别适用于双向密封和阀体易锈蚀场合,作调节流量和截流介质。上海申弘阀门有限公司主营阀门有:减压阀(气体减压阀,可调式减压阀,水减压阀D671X气动软密封蝶阀是管线优先选用的常规蝶阀,具有结构简洁,流阻系数小,流量特性趋于直线,不会滞留杂物。且重量轻,安装方便,驱动扭矩较小的优点。这种阀门既可作切断介质用,又可作调节介质的流量用。驱动装置根据用户要求,分别可采用手动、电动、气动等方式。选用不同材料的零件,配用不同材料的密封圈,可适应不同的介质、工况,使成本与性能达到效果。

蝶阀采用精密的J形弹性密封圈和三偏心多层次金属硬密封结构,被广泛用于介质温度≤425℃的治金、电力、石油化工、以及给排水和市政建设等工业管道上,作调节流量和载断流体使用。焊接蝶阀分为铸钢焊接蝶阀,不锈钢焊接蝶阀,铬钼钢焊接蝶阀,焊接蝶阀采用三偏心结构,阀座与碟板密封面均采用不同硬度和不锈钢制作,具有良好的耐腐蚀性,使用寿命长,本阀可具有双向密封功能,产品符合国家GB/T13927-92阀门压力试验标准。接一下看看焊接蝶阀维护使用及安装说明
调节蝶阀适用于流量调节。由于蝶阀在管路中的压力损失比较大,还应考虑关闭时蝶板承受管道介质压力的坚固性。此外,还必须考虑在高温下弹性阀座材料所承受工作温度的限制。 蝶阀的结构长度和总体高度较小,开启和关闭速度快,且具有良好的流体控制特性,蝶阀的结构原制作大口径阀门。当要求蝶阀作控制流量使用时,*重要的是正确选择蝶阀的尺寸和类型,使之能恰当地、有效地工作。

调节蝶阀适用于要求达到完全密封、气体试验泄漏为零、寿命要求较高、工作温度在-10度~150度的淡水、污水、海水、盐水、蒸汽、天然气、食品、药品、油品和各种酸碱及其他管路上。
软密封偏心蝶阀适用于通风除尘管路的双向启闭及调节,广泛用于冶金、轻工、电力、石油化工系统的煤气管道及水道等。
金属对金属线密封双偏心蝶阀适用于城市供热、供气、供水等煤气、油品、酸碱等管路,作为调节和节流装置。
2、安装时须仔细核对卡箍连接型号是否一致,卡箍与该阀连接处应安装专用密封圈,使该阀与管道连接密封可靠。
3、该阀安装完成通入压力介质时,转动手柄90°检查内外密封,如无渗漏现象,即可投入正常使用。
4、使用过程中如发现蝶阀关闭时,内部仍有渗漏现象,须更换密封圈,重新正确安装后再投入使用。
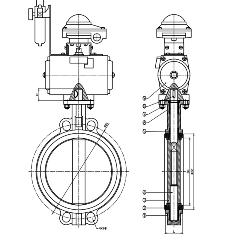
5、该蝶阀一般用于接通及断开介质,也可以用于调节流量,但不要将该阀安装于要求严格调节介质流量大小的系统中。GT双作用开关型气动对夹式衬胶蝶阀其主要特点为:
1、小巧轻便,容易拆装及维修,并可在任意位置安装。
2、结构简单、紧凑,操作扭矩小,90°回转开启迅速。
3、流量特性趋直线,调节性能好。
4、蝶板与阀杆的连接采用无销钉结构,克服了有可能的内泄漏点。
5、蝶板外圆采用球面造型,提高了密封性能及延长了阀门的使用寿命,带压启闭5万次以上仍保持零泄漏。
6、密封件可更换,且密封可靠达到双向密封。
7、蝶板可根据用户要求喷涂覆层,如尼龙或聚四氟类。
8、该阀可设计成法兰连接和对夹连接。
9、驱动方式可选择手动、电动或气动。同类产品还有:电动软密封蝶阀 气动软密封蝶阀 手动软密封蝶阀 对夹式软密封蝶阀
GT双作用开关型气动对夹式衬胶蝶阀尺寸
公称通径(DN)
L
D
D1
Z-Φd
H
H0
A
B
50
43
165
125
4-18
63
315
180
65
65
46
185
145
4-18
70
330
180
65
80
46
200
160
8-18
83
390
245
72
100
52
220
180
8-18
105
431
245
72
125
56
250
210
8-18
115
455
245
72
150
56
285
240
8-22
137
626
355
93
200
60
340
295
8-22
164
720
350
93
250
68
395
350
12-22
206
800
550
350
300
78
445
400
12-22
230
860
600
350
350
78
505
460
16-22
248
883
600
350
400
102
565
515
16-26
289
972
600
350
450
114
615
565
20-26
320
1043
750
380
500
127
670
620
20-26
343
1098
750
380
600
154
780
725
20-30
413
1236
750
380
700
165
895
840
24-30
478
1431
750
380
800
190
1015
950
24-33
525
1488
750
1、法兰蝶阀安装前检查气动蝶阀各部分部件无缺失,型号无误,检查阀体内无杂物,电磁阀和消音器内无阻塞。
2、将阀门和汽缸均置于关闭状态。
3、将汽缸撞到阀门上,(安装方向与阀体平行或垂直都可以),再看螺丝孔是否对正,不会有太大偏差,如有少许偏差,将气缸体转动一点就可以了,然后将螺丝紧固。
4、安装完毕后,对气动蝶阀进行调试(正常情况下供气压力为0.4~0.6MPa),调试运行时须手动操作电磁阀启闭(将电磁阀线圈失电后手动操作方可有效),观察气动蝶阀的启闭情况。如果在调试运行过程中发现阀门在启闭过程初始时有些吃力,之后正常,则需要将气缸行程调小(把气缸两端行程调节螺丝同时往里调一点,调整时需将阀门运行到开位置,然后将气源关掉再调),直至阀门启闭动作顺滑且关闭无泄漏。还需要注意的是,可调型消音器可以调节阀门的启闭速度,但不可调得过小,否则可能引起阀门不动作。
5、得发在安装前应保持干燥,不可露天存放。
6、安装蝶阀前要检查管道,确保管道内无焊渣等异物。
7、蝶阀阀体手动启闭阻力适中,蝶阀扭矩与所选执行器扭矩匹配。
8、蝶阀连接用法兰规格正确,管道对夹法兰与蝶阀法兰标准相符。建议使用蝶阀专用法兰,不得使用平焊法兰。
9、确认法兰焊接无误,蝶阀安装完毕后不得再焊接法兰,以免烫伤橡胶件。
10、装好的管道法兰要进行对中,并与放入的蝶阀进行对中。
11、装上所有的法兰螺栓,并用手拧紧,将确认蝶阀与法兰已然对中,然后小心的启闭蝶阀,确保启闭灵活。
12、将阀门完全开启,用扳手按照对角线次序将螺栓拧紧,无需垫圈,切勿将螺栓拧的过紧,以防造成阀圈的严重变形,启闭扭矩过大。


订货须知:
一、产品名称与型号口径是否带附件以便我们的为您正确选型使用压力使用介质的温度。
二、若已经由设计单位选定公司的放料阀型号,请型号直接向我司销售部订购。
三、当使用的场合非常重要或环境比较复杂时,请您尽量提供设计图纸和详细参数,由我们的阀门公司专家为您审核把关。如有疑问:请:我们一定会尽心尽力为您提供优质的服务。
-
联系方式
- 联系人:申弘阀门
- 电 话:021-59260058
- 手 机:15901754341
- 传 真:86-021-31662735
- 邮 箱:494522509@qq.com
- 邮 编:201718
- 地 址:上海市青浦区金泽工业园区
- 网 址: https://bengye.cn.goepe.com/
http://www.021-fm.com
-
产品搜索






