-
申弘气动法兰式金属硬密封蝶阀D643H
详细信息| 询价留言D643H气动法兰式金属硬密封蝶阀产品说明
气动硬密封蝶阀的主要优点,结构简单,体积小重量轻,造价低,气动碟阀该特点尤其显著,安装在高空暗道,经过二位五通电磁阀控制操作方便,也可调节流量介质。流体阻力较小,中大口径的气动碟阀全开时有效流通面积较大,启闭迅速省力,碟扳旋转90角度即可完成启闭,由于转轴两侧碟板手介质作用力接近相等,而产生的转矩方向相反,因而启闭力矩较小,低压下可实现良好的密封,碟阀密封材料有丁橡胶、氟橡胶,食用橡胶,衬四氟故密封性能良好,其中硬密封碟阀为软硬层叠式金属片具有金属硬密封和弹性密封的重优点,无论在低温情况下均具有优良的密封性能。上海申弘阀门有限公司主营阀门有:减压阀(气体减压阀,可调式减压阀,水减压阀
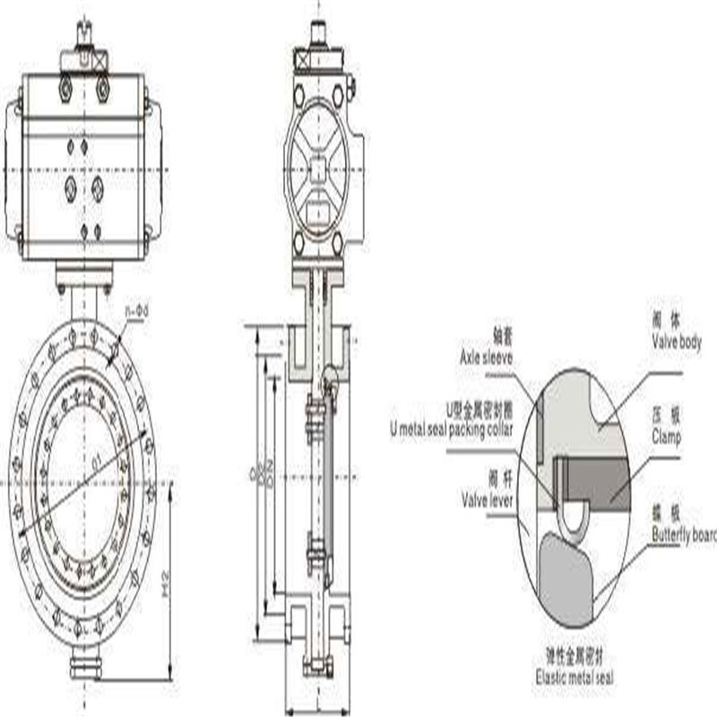
蝶阀采用精密的J形弹性密封圈和三偏心多层次金属硬密封结构,被广泛用于介质温度≤425℃的治金、电力、石油化工、以及给排水和市政建设等工业管道上,作调节流量和载断流体使用。焊接蝶阀分为铸钢焊接蝶阀,不锈钢焊接蝶阀,铬钼钢焊接蝶阀,焊接蝶阀采用三偏心结构,阀座与碟板密封面均采用不同硬度和不锈钢制作,具有良好的耐腐蚀性,使用寿命长,本阀可具有双向密封功能,产品符合国家GB/T13927-92阀门压力试验标准。接一下看看焊接蝶阀维护使用及安装说明适用于要求达到完全密封、气体试验泄漏为零、寿命要求较高、工作温度在-10度~150度的淡水、污水、海水、盐水、蒸汽、天然气、食品、药品、油品和各种酸碱及其他管路上。

软密封偏心蝶阀适用于通风除尘管路的双向启闭及调节,广泛用于冶金、轻工、电力、石油化工系统的煤气管道及水道等。金属对金属线密封双偏心蝶阀适用于城市供热、供气、供水等煤气、油品、酸碱等管路,作为调节和节流装置。
2、安装时须仔细核对卡箍连接型号是否一致,卡箍与该阀连接处应安装专用密封圈,使该阀与管道连接密封可靠。
3、该阀安装完成通入压力介质时,转动手柄90°检查内外密封,如无渗漏现象,即可投入正常使用。
4、使用过程中如发现蝶阀关闭时,内部仍有渗漏现象,须更换密封圈,重新正确安装后再投入使用。
5、该蝶阀一般用于接通及断开介质,也可以用于调节流量,但不要将该阀安装于要求严格调节介质流量大小的系统中。D643H气动法兰式金属硬密封蝶阀工作原理
气动硬密封蝶阀结构工作原理适用环境分析气动硬密封蝶阀的蝶板安装于管道的直径方向。在蝶阀阀体圆柱形通道内,圆盘形蝶板绕着轴线旋转,旋转角度为0°~90°之间,旋转到90°时,阀门则牌全开状态。气动硬密封蝶阀结构简单、体积小、重量轻,只由少数几个零件组成。而且只需旋转90°即可快速启闭,操作简单,同时该电动阀门具有良好的流体控制特性。蝶阀处于完全开启位置时,蝶板厚度是介质流经阀体时唯一的阻力,因此通过该阀门所产生的压力降很小,故具有较好的流量控制特性。蝶阀有弹密封和金属的密封两种密封型式。弹性密封阀门,密封圈可以镶嵌在阀体上或附在蝶板周边。如果要求蝶阀作为流量控制使用,主要的是正确选择阀门的尺寸和类型。蝶阀的结构原理尤其适合制作大口径阀门。蝶阀不仅在石油、煤气、化工、水处理等一般工业上得到广泛应用,而且还应用于热电站的冷却水系统。同类产品还有手动硬密封蝶阀,电动硬密封蝶阀。

D643H气动法兰式金属硬密封蝶阀执行机构
采用新型系列DA/SR型气动执行器,有双作用式和单作用式(弹簧复位),齿轮传动,安全可靠;大口径阀门采用系列AW型气动执行器拔叉式传动,结构合理,输出扭矩大,有双作用式和单作用式
1、齿轮式双活塞,输出力矩大,体积小。
2、气缸选用铝金材料,重量轻、外形美观。
3、可在顶部、底部安装手动操作机构。
4、齿条式连接可调节开启角度、额定流量。
5、执行器可选带电讯号反馈指示及各类附件以实现自动化操作。
6、IS05211标准连接为产品的安装更换提供了方便。
7、两端调的节螺钉可使标准产品在0°和90°有±4°的可调范围。确保与阀门的同步精度。D643H气动法兰式金属硬密封蝶阀附件选项
根据不同控制和要求可选择下列附件:
切断型附件:单电控电磁阀、双电控电磁阀、限位开关回讯器。
调节型附件:电气定位器、气动定位器、电气转换器。
气源处理附件:空气过滤减压阀、气源处理三联件。

D643H气动法兰式金属硬密封蝶阀主要技术参数
公称通径DN(mm) 50-1200 公称压力PN(MPa) 1.0 1.6 2.5 公称压力
(MPa)强度试验 1.5 2.4 3.75 密封试验 1.1 1.76 2.75 材料\材料代号 C P R 主要零件 阀体 WCB ZG1Cr18Ni9Ti ZG0Cr18Ni12Mo2Ti 蝶板 WCB ZG1Cr18Ni9Ti ZG0Cr18Ni12Mo2Ti 阀杆 2Cr13 1Cr18Ni9Ti 0Cr18Ni12Mo2Ti 密封圈 不锈钢 填料 聚四氟乙烯、柔性石墨 适用工况 适用介质 水、蒸汽、油品 硝酸类 醋酸类 适用温度 -40℃~200℃ 执行器 型号 GT或AW系列 气源压力 0.3-0.7MPa 执行标准 设计制造 结构长度 法兰尺寸 压力温度 试验检验 GBT/12238 GB12221 GB9113 GB9131 GB13927 D643H气动法兰式金属硬密封蝶阀外形尺寸
Dt 3 43H - 6 10 C.P.R.V系列法兰式弹性金属硬密封蝶阀 6 9 公称通径 长度 标准值 外形尺寸 (参考值) 连接尺寸 (标准值) 重量 (kg) L H Dd343H Dd643H Dd943H PN0.6MPa PN1.0MPa 毫米 英寸 短 长 H1 A1 B1 H2 A2 B2 H3 A3 B3 D D1 Z-d D D1 Z-d 50 2 108 150 112 350 180 200 625 245 72 530 250 255 140 110 4-14 165 125 4-18 17 65 21/2 112 170 115 370 180 200 625 245 72 530 250 255 160 130 4-14 185 145 4-18 20 80 3 114 180 120 380 180 200 645 245 72 565 250 255 190 150 4-18 200 160 8-18 23 100 4 127 190 138 420 180 200 675 355 92 600 250 255 210 170 4-18 220 180 8-18 25 125 5 140 200 164 460 180 200 715 355 92 640 250 255 240 200 8-18 250 210 8-18 40 150 6 140 210 175 555 270 280 800 355 92 705 300 315 265 225 8-18 285 240 8-22 47 200 8 152 230 200 760 400 425 850 250 170 775 300 315 320 280 8-18 340 295 8-22 60 250 10 165 250 243 830 400 425 925 250 170 945 300 315 375 335 12-18 395 350 12-22 95 300 12 178 270 250 895 450 560 1035 450 220 1070 300 315 400 395 12-22 445 400 12-22 124 350 14 190 290 280 950 450 560 1070 450 220 1140 300 315 490 445 12-22 505 460 16-22 181 400 16 216 310 305 1190 535 580 1190 450 220 1210 300 315 540 495 16-22 565 515 16-26 260 450 18 222 330 350 1255 535 580 1250 650 280 1335 575 714 595 550 16-22 615 565 20-26 338 500 20 229 350 380 1305 535 580 1290 650 280 1415 575 714 645 600 20-22 670 620 20-26 360 600 24 267 390 445 1340 570 660 1455 850 380 1605 656 810 755 705 20-26 780 725 20-30 540 700 28 292 430 480 1520 750 550 1585 850 380 1844 656 810 860 810 24-26 895 840 24-30 580 800 32 318 470 530 1710 750 550 1700 1250 380 2040 656 810 975 920 24-30 1015 950 24-33 845 900 36 330 510 580 1810 750 550 1965 1250 380 2255 785 863 1075 1020 24-30 1115 1050 28-33 1050 1000 40 410 550 650 1960 900 750 2015 1250 380 2380 785 863 1175 1120 28-30 1230 1160 28-36 1500 1200 48 470 630 760 2250 1000 925 2250 1250 380 2640 785 863 1405 1340 32-33 1455 1380 32-39 2000 1400 56 530 710 850 2435 1000 925 2886 1630 1560 36-36 1675 1590 36-42 3000 1600 64 600 790 1030 2780 1000 925 3156 1830 1760 40-36 1915 1820 40-48 4700 1800 72 670 870 1230 3020 1100 980 3421 2045 1970 44-39 2115 2020 44-48 6500 2000 80 760 950 1350 3270 1100 980 3685 2265 2180 48-42 2325 2230 48-48 8700 结构比较短小,占用空间小,安装的时候先用对夹式蝶阀专用法兰将其固定,然后将固定好的对夹式法兰放入管道两端法兰中间,用螺栓穿过对夹式蝶阀专用法兰和管道法兰将其固定。

具体安装步骤流程如下:
1、将对夹式蝶阀放置于预安装的两片对夹蝶阀专用法兰之间,注意将法兰螺栓孔与蝶阀阀体圆孔对齐。
2、将螺栓和螺母插入法兰孔将阀体与法兰连接,校正一下法里面的平整度,但注意不要把螺栓螺母拧的过紧。
3、将法兰焊接在管道上,这一步要采用点焊的方式。
4、先把对夹式蝶阀取下移出。
5、再将两片法兰完全焊在管道上,完成固定。
6、等法兰与管道的焊接处冷却之后,再讲对夹式蝶阀安装进去。此时注意要将蝶板打开一些。
7、再一次对蝶阀的安装位置做一个校正,拧紧螺栓,但要注意不要拧的过紧。
8、将蝶阀蝶板完全打开,保证蝶阀的蝶板可以自由启闭,能自由开闭。
9、再一次将螺栓交叉,均衡的拧紧;
10、以上步骤完成,再一次对蝶阀的启闭做一个测试,确保阀门可以自由的开关。
法兰式蝶阀安装方法
法兰蝶阀自带法兰,安装时候无需再专门配备法兰片,直接将阀体上的法兰与管道法兰用螺栓连接起来即可。但法兰蝶阀安装时要注意几点:
1.在安装时,蝶阀阀体法兰与管道上法兰之间的端面要平行,不能出现歪斜的情况,否则可能会因为螺栓拧不紧造成法兰连接处泄漏。
2.法兰蝶阀在管道上安装时候要在管道两端法兰与阀体法兰之间加入垫片,但不能用双垫片。
3.紧螺栓时要对称进行,两端法兰连接各个螺栓拧紧力要均匀且一致。
4.在安装时,要先安装蝶阀上定位孔的螺栓,将蝶阀位置对中固定,另外,在紧固法兰螺栓时,要对称交替拧紧,不要依次单独紧固螺栓。
相比对夹蝶阀,法兰蝶阀的密封性能更好,更适合做大口径阀门。但是使用成本和价格也会更高。法兰蝶阀的结构更长,占用的管道安装空间更大。

法兰蝶阀安装方法:
1、法兰蝶阀安装前检查气动蝶阀各部分部件无缺失,型号无误,检查阀体内无杂物,电磁阀和消音器内无阻塞。
2、将阀门和汽缸均置于关闭状态。
3、将汽缸撞到阀门上,(安装方向与阀体平行或垂直都可以),再看螺丝孔是否对正,不会有太大偏差,如有少许偏差,将气缸体转动一点就可以了,然后将螺丝紧固。
4、安装完毕后,对气动蝶阀进行调试(正常情况下供气压力为0.4~0.6MPa),调试运行时须手动操作电磁阀启闭(将电磁阀线圈失电后手动操作方可有效),观察气动蝶阀的启闭情况。如果在调试运行过程中发现阀门在启闭过程初始时有些吃力,之后正常,则需要将气缸行程调小(把气缸两端行程调节螺丝同时往里调一点,调整时需将阀门运行到开位置,然后将气源关掉再调),直至阀门启闭动作顺滑且关闭无泄漏。还需要注意的是,可调型消音器可以调节阀门的启闭速度,但不可调得过小,否则可能引起阀门不动作。
5、得发在安装前应保持干燥,不可露天存放。
6、安装蝶阀前要检查管道,确保管道内无焊渣等异物。
7、蝶阀阀体手动启闭阻力适中,蝶阀扭矩与所选执行器扭矩匹配。
8、蝶阀连接用法兰规格正确,管道对夹法兰与蝶阀法兰标准相符。建议使用蝶阀专用法兰,不得使用平焊法兰。
9、确认法兰焊接无误,蝶阀安装完毕后不得再焊接法兰,以免烫伤橡胶件。
10、装好的管道法兰要进行对中,并与放入的蝶阀进行对中。
11、装上所有的法兰螺栓,并用手拧紧,将确认蝶阀与法兰已然对中,然后小心的启闭蝶阀,确保启闭灵活。
12、将阀门完全开启,用扳手按照对角线次序将螺栓拧紧,无需垫圈,切勿将螺栓拧的过紧,以防造成阀圈的严重变形,启闭扭矩过大。

订货须知:
一、产品名称与型号口径是否带附件以便我们的为您正确选型使用压力使用介质的温度。
二、若已经由设计单位选定公司的放料阀型号,请型号直接向我司销售部订购。
三、当使用的场合非常重要或环境比较复杂时,请您尽量提供设计图纸和详细参数,由我们的阀门公司专家为您审核把关。如有疑问:请:我们一定会尽心尽力为您提供优质的服务。
-
联系方式
- 联系人:申弘阀门
- 电 话:021-59260058
- 手 机:15901754341
- 传 真:86-021-31662735
- 邮 箱:494522509@qq.com
- 邮 编:201718
- 地 址:上海市青浦区金泽工业园区
- 网 址: https://bengye.cn.goepe.com/
http://www.021-fm.com
-
产品搜索






