-
申弘气动非密闭型通风法兰式蝶阀TD641W
详细信息| 询价留言【产品名称:气动通风蝶阀 风道蝶阀 通风系统蝶阀 电动通风蝶阀 气动通风调节蝶阀】
【产品型号:D641W】
TD641W气动非密闭型通风法兰式蝶阀产品简介:
D641气动通风蝶阀采用与阀体相同材料加工成密封圈,阀门适用温度随阀体选材而定,公称压力≤0.6MPa,气动蝶阀一般适用于工业、冶金、环保等管道作通风调节介质流量之用。气动通风蝶阀主要特点是设计新颖、合理、结构独特,重量轻,启闭迅速。操作力矩小,操作方便,省力灵活。阀门采用适应的材料以满足低、中、高不同介质温度及腐蚀性介质。通风系统的风道阀门依其作用不同可分为风道密闭阀、风道调节阀、风道止回阀。风道密闭阀的作用是在管道中隔断或切断气流。隔断气流时要求阀门内泄露为零,切断气流时则允许有一定的泄漏量。风道调节阀的作用是在通风系统中起平衡流量调节作用,例如维持个系统之间的压力、各厂房内的温度和湿度等,为了达到此目的我们需要根据起流量特性对风道调节阀进行控制。通风蝶阀为风道密闭阀,近年来随着工农业的发展而应用较多。为此,我厂工程技术人员开发设计了的不同规格的系列蝶阀供用户选择。

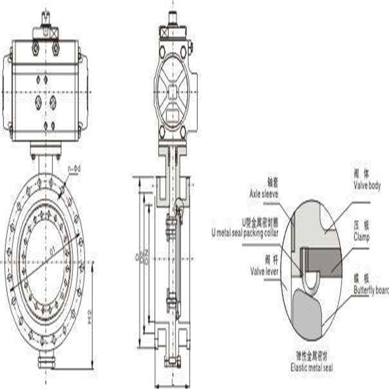
蝶阀采用精密的J形弹性密封圈和三偏心多层次金属硬密封结构,被广泛用于介质温度≤425℃的治金、电力、石油化工、以及给排水和市政建设等工业管道上,作调节流量和载断流体使用。焊接蝶阀分为铸钢焊接蝶阀,不锈钢焊接蝶阀,铬钼钢焊接蝶阀,焊接蝶阀采用三偏心结构,阀座与碟板密封面均采用不同硬度和不锈钢制作,具有良好的耐腐蚀性,使用寿命长,本阀可具有双向密封功能,产品符合国家GB/T13927-92阀门压力试验标准。接一下看看焊接蝶阀维护使用及安装说明
软密封偏心蝶阀适用于通风除尘管路的双向启闭及调节,广泛用于冶金、轻工、电力、石油化工系统的煤气管道及水道等。
金属对金属线密封双偏心蝶阀适用于城市供热、供气、供水等煤气、油品、酸碱等管路,作为调节和节流装置。
2、安装时须仔细核对卡箍连接型号是否一致,卡箍与该阀连接处应安装专用密封圈,使该阀与管道连接密封可靠。
3、该阀安装完成通入压力介质时,转动手柄90°检查内外密封,如无渗漏现象,即可投入正常使用。
4、使用过程中如发现蝶阀关闭时,内部仍有渗漏现象,须更换密封圈,重新正确安装后再投入使用。
5、该蝶阀一般用于接通及断开介质,也可以用于调节流量,但不要将该阀安装于要求严格调节介质流量大小的系统中。

TD641W气动非密闭型通风法兰式蝶阀英语说明
The air channel valve of a ventilating system covers air channel closing valve air channel adiusting valve and air channel check valve which are of different actions The action of the air channel closing valve comes at cutting offor isolating the airfIow inside of the Pipeline with the inte rnalleak of the valve required to be ze ro at isoIating the airflow while a certain leakage allowed at cutting off the airfIow The air channel adiusting valve acts at flow balance adiusting in the ventilating system,such as to keep the Pressure between the svstems and the temperature and humidifv inside of the factorv house,and,to qet this Purpose,the valve needs to be controlledupon the flowproperty The ventilating butterfly valve is to be the air channel closing valve and much more applied along with the development of both indusfry and agriculture in the recent years The refore the technicians in this Co have designed and developed series butterfly valves in different specifications for users to select.TD641W气动非密闭型通风法兰式蝶阀气动头选型
采用GT或AT系列气动执行器,有双作用式和单作用式(弹簧复位),齿轮传动,安全可靠;大口径阀门采用AW气动执行器拔叉式传动,结构合理,输出扭矩大,有双作用式和单作用式。
1、齿轮式双活塞,输出力矩大,体积小。
2、GT/AT气动执行器选用铝合金材料,重量轻、外形美观。
3、可在顶部、底部安装手动操作机构。
4、齿条式连接可调节开启角度、额定流量。
5、GT/AT气动执行器可选带电讯号反馈指示及各类附件以实现自动化操作。
6、IS05211标准连接为产品的安装更换提供了方便。
7、两端调的节螺钉可使标准产品在0°和90°有±4°的可调范围。确保与阀门的同步精度。TD641W气动非密闭型通风法兰式蝶阀工作原理:
气动通风蝶阀是一种非密闭型蝶阀,它分为开关型和调节型。气源0.5-0.7Mpa通过气动驱动装置带动阀轴、经转动销使蝶板随阀轴一起作90℃范围内旋转,可以实现全开和全闭的动作。很容易快速开启和关闭。配HQG型或AW型角行程气动双作用和单作用执行机构和蝶阀组成,它与气动单元组合仪表配合使用。表有结构简单、口径大、重量轻、操作方便等优点。适用介质,煤气、空气、天然气、蒸汽、含尘气体、烟道气,具有结构简单,流通能力大,调节精度高等特点。可广泛应用于环保、冶金、化纤、教学设备、轻工、制药、造纸等工业自动控制,实现远距离控制或就地控制;减轻了职工的劳动强度也节约了成本。
TD641W气动通风蝶阀产品特点:
★本阀可配备各种驱动装置,如手动装置、推杆装置等。
☆本阀阀芯可做成双门或百叶式,以满足不同用户的要求。
◆采用钢板焊接制造,结构尺寸短,体积小,重量轻,安装方便。
◇本阀驱动力矩小,启闭灵活,操作方便可靠。
■本阀代体上设置密封挡圈,密封无可见间隙,泄漏率小。
□蝶板与阀体间的膨胀间隙长,能有效防止因热胀冷缩造成的卡死现象。
TD641W气动非密闭型通风法兰式蝶阀主要参数
公称压力(MPa)
0.05MPa
介质温度
-30℃~-350℃
强度试验
0.1MPa
适用介质
冷热风、烟气
介质流速
25m/s
泄漏率
3%
TD641W气动通风蝶阀主要零件材料
零件名称
阀体
阀板
阀轴
材料
碳钢
碳钢
碳钢、不锈钢
TD641W气动通风蝶阀主要外形连接尺寸
DN
D
D1
L
L1
L2
n-Фd
b
300
405
370
120
716
220
8-12
10
350
455
420
140
786
240
8-14
10
400
505
470
140
924
270
12-18
10
450
570
530
160
999
295
12-18
10
500
620
580
160
1079
325
12-18
10
600
720
680
180
1140
380
16-18
12
700
820
780
180
1240
430
16-18
12
800
920
880
200
1350
490
16-18
12
900
1040
990
200
1450
540
16-18
14
1000
1140
1090
220
1550
590
20-18
14
1100
1240
1190
220
1800
640
20-18
14
1200
1340
1290
240
1900
690
20-18
14
1300
1440
1390
240
2020
760
20-18
16
1400
1540
1490
260
2120
810
24-18
16
1500
1640
1590
260
2220
860
24-18
16
1600
1740
1690
280
2390
980
24-18
16
1700
1840
1790
280
2590
1030
28-22
16
1800
1940
1890
300
2709
1096
28-22
16
1900
2040
1990
300
2826
1146
32-22
16
2000
2150
2090
320
2926
1196
32-26
16
2200
2360
2300
340
3126
1296
36-26
16
2400
2560
2500
360
3326
1396
36-26
18
2600
2760
2700
380
3526
1496
40-26
18
2800
2960
2900
400
3726
1596
40-26
18
3000
3190
3110
400
4098
1698
44-30
18
3200
3390
3310
440
4338
1798
44-30
20
3400
3590
3510
440
4578
1898
48-30
20
3600
3790
3710
480
4780
1998
48-30
20
3800
4000
3910
480
5000
2098
52-30
22
4000
4210
4120
520
5200
2210
52-30
22
结构比较短小,占用空间小,安装的时候先用对夹式蝶阀专用法兰将其固定,然后将固定好的对夹式法兰放入管道两端法兰中间,用螺栓穿过对夹式蝶阀专用法兰和管道法兰将其固定。
具体安装步骤流程如下:
1、将对夹式蝶阀放置于预安装的两片对夹蝶阀专用法兰之间,注意将法兰螺栓孔与蝶阀阀体圆孔对齐。
2、将螺栓和螺母插入法兰孔将阀体与法兰连接,校正一下法里面的平整度,但注意不要把螺栓螺母拧的过紧。
3、将法兰焊接在管道上,这一步要采用点焊的方式。
4、先把对夹式蝶阀取下移出。
5、再将两片法兰完全焊在管道上,完成固定。
6、等法兰与管道的焊接处冷却之后,再讲对夹式蝶阀安装进去。此时注意要将蝶板打开一些。
7、再一次对蝶阀的安装位置做一个校正,拧紧螺栓,但要注意不要拧的过紧。
8、将蝶阀蝶板完全打开,保证蝶阀的蝶板可以自由启闭,能自由开闭。
9、再一次将螺栓交叉,均衡的拧紧;
10、以上步骤完成,再一次对蝶阀的启闭做一个测试,确保阀门可以自由的开关。
法兰式蝶阀安装方法
法兰蝶阀自带法兰,安装时候无需再专门配备法兰片,直接将阀体上的法兰与管道法兰用螺栓连接起来即可。但法兰蝶阀安装时要注意几点:
1.在安装时,蝶阀阀体法兰与管道上法兰之间的端面要平行,不能出现歪斜的情况,否则可能会因为螺栓拧不紧造成法兰连接处泄漏。
2.法兰蝶阀在管道上安装时候要在管道两端法兰与阀体法兰之间加入垫片,但不能用双垫片。
3.紧螺栓时要对称进行,两端法兰连接各个螺栓拧紧力要均匀且一致。
4.在安装时,要先安装蝶阀上定位孔的螺栓,将蝶阀位置对中固定,另外,在紧固法兰螺栓时,要对称交替拧紧,不要依次单独紧固螺栓。
相比对夹蝶阀,法兰蝶阀的密封性能更好,更适合做大口径阀门。但是使用成本和价格也会更高。法兰蝶阀的结构更长,占用的管道安装空间更大。

法兰蝶阀安装方法:
1、法兰蝶阀安装前检查气动蝶阀各部分部件无缺失,型号无误,检查阀体内无杂物,电磁阀和消音器内无阻塞。
2、将阀门和汽缸均置于关闭状态。
3、将汽缸撞到阀门上,(安装方向与阀体平行或垂直都可以),再看螺丝孔是否对正,不会有太大偏差,如有少许偏差,将气缸体转动一点就可以了,然后将螺丝紧固。
4、安装完毕后,对气动蝶阀进行调试(正常情况下供气压力为0.4~0.6MPa),调试运行时须手动操作电磁阀启闭(将电磁阀线圈失电后手动操作方可有效),观察气动蝶阀的启闭情况。如果在调试运行过程中发现阀门在启闭过程初始时有些吃力,之后正常,则需要将气缸行程调小(把气缸两端行程调节螺丝同时往里调一点,调整时需将阀门运行到开位置,然后将气源关掉再调),直至阀门启闭动作顺滑且关闭无泄漏。还需要注意的是,可调型消音器可以调节阀门的启闭速度,但不可调得过小,否则可能引起阀门不动作。
5、得发在安装前应保持干燥,不可露天存放。
6、安装蝶阀前要检查管道,确保管道内无焊渣等异物。
7、蝶阀阀体手动启闭阻力适中,蝶阀扭矩与所选执行器扭矩匹配。
8、蝶阀连接用法兰规格正确,管道对夹法兰与蝶阀法兰标准相符。建议使用蝶阀专用法兰,不得使用平焊法兰。
9、确认法兰焊接无误,蝶阀安装完毕后不得再焊接法兰,以免烫伤橡胶件。
10、装好的管道法兰要进行对中,并与放入的蝶阀进行对中。
11、装上所有的法兰螺栓,并用手拧紧,将确认蝶阀与法兰已然对中,然后小心的启闭蝶阀,确保启闭灵活。
12、将阀门完全开启,用扳手按照对角线次序将螺栓拧紧,无需垫圈,切勿将螺栓拧的过紧,以防造成阀圈的严重变形,启闭扭矩过大。

订货须知:
一、产品名称与型号口径是否带附件以便我们的为您正确选型使用压力使用介质的温度。
二、若已经由设计单位选定公司的放料阀型号,请型号直接向我司销售部订购。
三、当使用的场合非常重要或环境比较复杂时,请您尽量提供设计图纸和详细参数,由我们的阀门公司专家为您审核把关。如有疑问:请:我们一定会尽心尽力为您提供优质的服务 -
联系方式
- 联系人:申弘阀门
- 电 话:021-59260058
- 手 机:15901754341
- 传 真:86-021-31662735
- 邮 箱:494522509@qq.com
- 邮 编:201718
- 地 址:上海市青浦区金泽工业园区
- 网 址: https://bengye.cn.goepe.com/
http://www.021-fm.com
-
产品搜索







