-
申弘活塞式双作用气动开关型法兰式蝶阀AW
详细信息| 询价留言AW活塞式双作用气动开关型法兰式蝶阀产品概述
弹性密封阀门,密封圈可以镶嵌在阀体上或附在蝶板周边。上海申弘阀门有限公司主营阀门有:减压阀(气体减压阀,可调式减压阀,水减压阀采用金属密封的阀门一般比弹性密封的阀门寿命长,但很难做到完全密封。金属密封能适应较高的工作温度,弹性密封则具有受温度限制的缺陷。气动蝶阀采用一个“U”型不锈钢密封圈,蝶阀处于完全开启位置时,蝶板厚度是介质流经阀体时唯一的阻力,因此通过该阀门所产生的压力降很小,故具有较好的流量控制特性。蝶阀有弹密封和金属的密封两种密封型式。

蝶阀采用精密的J形弹性密封圈和三偏心多层次金属硬密封结构,被广泛用于介质温度≤425℃的治金、电力、石油化工、以及给排水和市政建设等工业管道上,作调节流量和载断流体使用。焊接蝶阀分为铸钢焊接蝶阀,不锈钢焊接蝶阀,铬钼钢焊接蝶阀,焊接蝶阀采用三偏心结构,阀座与碟板密封面均采用不同硬度和不锈钢制作,具有良好的耐腐蚀性,使用寿命长,本阀可具有双向密封功能,产品符合国家GB/T13927-92阀门压力试验标准。接一下看看焊接蝶阀维护使用及安装说明
电动调节蝶阀适用于要求达到完全密封、气体试验泄漏为零、寿命要求较高、工作温度在-10度~150度的淡水、污水、海水、盐水、蒸汽、天然气、食品、药品、油品和各种酸碱及其他管路上。
软密封偏心蝶阀适用于通风除尘管路的双向启闭及调节,广泛用于冶金、轻工、电力、石油化工系统的煤气管道及水道等。
金属对金属线密封双偏心蝶阀适用于城市供热、供气、供水等煤气、油品、酸碱等管路,作为调节和节流装置。
2、安装时须仔细核对卡箍连接型号是否一致,卡箍与该阀连接处应安装专用密封圈,使该阀与管道连接密封可靠。
3、该阀安装完成通入压力介质时,转动手柄90°检查内外密封,如无渗漏现象,即可投入正常使用。
4、使用过程中如发现蝶阀关闭时,内部仍有渗漏现象,须更换密封圈,重新正确安装后再投入使用。
5、该蝶阀一般用于接通及断开介质,也可以用于调节流量,但不要将该阀安装于要求严格调节介质流量大小的系统中。

AW活塞式双作用气动开关型法兰式蝶阀工作原理
气动阀门定位器是按力平衡原理设计工作的,其工作原理方框见上图所示,它是按力平衡原理设计和工作的。如图上图所示当通入波纹管的信号压力增加时,使杠杆2绕支点转动,档板靠近喷嘴,喷嘴背压经放大器放大后,送入薄膜执行机构气室,使阀杆向下移动,并带动反馈杆(摆杆)绕支点转动,连接在同一轴上的反馈凸轮(偏心凸轮)也跟着作逆时针方向转动,通过滚轮使杠杆1绕支点转动,并将反馈弹簧拉伸、弹簧对杠杆2的拉力与信号压力作用在波纹管上的力达到力矩平衡时仪表达到平衡状态。此时,一定的信号压力就与一定的阀门位置相对应。
气动开关蝶阀适用于温度≤120℃或≤150℃,公称压力≤1.6MPa给排水、污水、食品、供暖、燃气、船舶、水电、冶金、能源系统以及轻纺等行业,特别适用于泄露量要求较高、有腐蚀性的场合,作调节流量和截流介质。

AW活塞式双作用气动开关型法兰式蝶阀主要特点1、小巧轻便,容易拆装及维修,并可在任意位置安装。
2、结构简单、紧凑,操作扭矩小,90°回转开启迅速。
3、流量特性为直线,调节性能好。
4、蝶板与阀杆的连接采用无销钉结构,克服了有可能的内泄漏点。
5、蝶板外圆采用球面造型,提高了密封性能及延长了阀门的使用寿命,带压启闭5万次以上仍保持零泄漏。
6、密封件可更换,且密封可靠达到双向密封。
7、蝶板可根据用户要求喷涂覆层,如尼龙或聚四氟类。
8、气动开关蝶阀可设计成法兰连接和对夹连接。D643H气动开关蝶阀AW气动执行器1、AW气动执行器分为双作用式和单作用式(弹簧复位),两个分体气缸,容易制造大尺寸缸体。满足各种大型旋转类阀门的需求。
2、输出扭矩大,动作灵活平稳;缸体内壁和活塞轴镀硬铬,具有很好的抗磨性;所有滑动部件之间配有无油润滑轴和导向环以降低摩擦系数,延长使用寿命,AW气动执行器的U型曲线特性输出扭矩更适用于大口径球阀、蝶阀。
3、回转角度:双作用式=90°,单作用式=90°从两端可调节角度±5°
4、工作环境温度:-20~90℃。
5、气源:过滤、干燥或加润滑油的洁净空气,*小气压0.4MPa,*大气压1.0MPa。
D643H气动开关蝶阀执行器及附件的功能和用途
双作用式:对阀门的开启和关闭的两位式控制。
单作用(弹簧复位)式:对电路气路切断或发生故障时,能利用弹簧因压缩而积蓄的能量对阀门实现开启或关闭。
单控电磁阀:对气源进行换向,供电时阀门打开或关闭,断电时阀门关闭或打开(可提供防爆型)。
双控电磁阀:对气源进行换向,一个线圈得电时阀门打开,另一个线圈得电时阀门关闭。具有 记忆功能(可提供防爆型)。
限位开关回讯器:远距离传送阀门的开关位置信号的装置(可提供防爆型)。
电气定位器:根据电流信号(标准4~20mA)的大小对阀门的介质流量调节控制(可提供防爆型。)
气动定位器:根据气压信号(标准0.2~1MPa)的大小对阀门的介质流量调节控制。
电气转换气:将电流信号转换成气压信号,与气动定位器配套使用(可提供防爆型)。
气源处理三联件:包括空气减压阀、过滤器、油雾器。对气源稳压、清洁,并能对执行器运动部件进行润滑作用。
手动操作机构:自动控制在不正常情况下可以实现手动启闭阀门。其中,蜗轮式手动操作机构适用于双作用执行机构,手柄螺杆式手动操作机构适用于配小口径常开或常闭式阀门,液压式手动操作机构适用于配大口径、大扭矩的阀门。相比于一般的蝶阀,气动开关蝶阀不仅有蝶阀组件,还需要有一个气动执行器来发挥作用。配合行程限位开关、及气源等,即可以实现开关操作。在结构材料上,气动蝶阀也与一般的蝶阀有所不同,其多采用层次金属硬密封结构,或者是四氟软密封结构。如此一来,气动蝶阀大多就具备了结构紧凑,体积小,密封性好等优点,并且在不同管道和运行环境下还体现了适应性强的特点。D643H气动开关蝶阀操作原理
实际上,随着当前各类流体物质供应需求的增多,蝶阀工程应用的越来越广,应用量的越来越大,气动蝶阀在诸多类型的蝶阀当中,其优越性已越来越明显,以下就概括介绍气动蝶阀的几大优点:
1、体积小,维修和安装都比较方便。这是由气动蝶阀的特殊结构决定的。
2、气动蝶阀的流阻系数都比较小,这就使得其所作用的流量特性基本趋于直线,这一特点带来的显著好处就是流体管道内减少了滞留杂物的可能。
3、气动蝶阀的蝶板多采用球面造型,这不仅有利于提高阀门的密封性能,更易于延长阀门的使用寿命。在实际应用中,即使带压启闭几万次,气动蝶阀仍然可以保持零泄漏的高密封性能。

AW活塞式双作用气动开关型法兰式蝶阀特点
1、该蝶阀结构简单、紧凑、重量轻、易于安装和拆卸、维修方便;
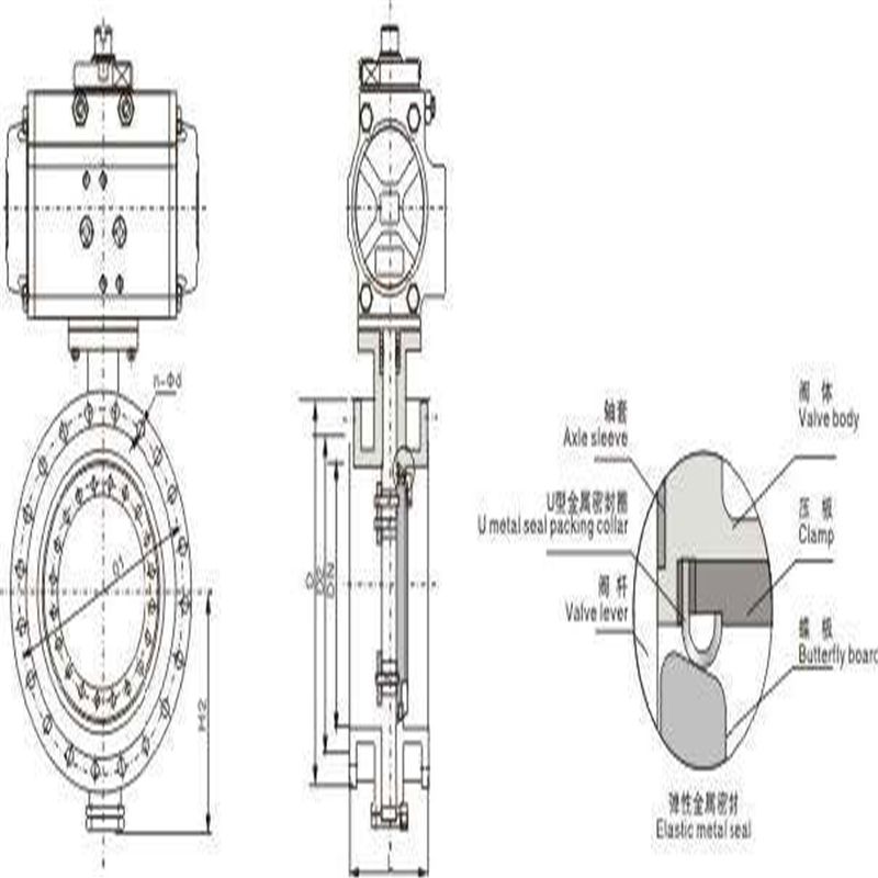
2、本蝶阀采用不锈钢“U”型密封圈,具有一定的弹性无论在高温、低温的情况下,它与蝶板均具有优良的密封性;
3、本蝶阀的三维偏心距,经过严格的计算,“U”型密封圈与蝶板几乎无磨擦,使用寿命长,并具有越关越紧的功能;
4、蝶板密封面采用堆焊钴基硬质合金,密封面耐磨损,使用寿命长;
5、本蝶阀结构独特,“开关”仅需转动阀杆90°即可完成。操作灵活、方便、省力、不受介质压力的高低影响,密封性能可靠;
6、耐高温、耐低温、耐腐蚀性。三、采用标准
设计标准 :GB/T12238-1989
法兰连接尺寸:
GB/T9113.1-2000;GB/T9113.2-2000
GB/T9115.1-2000;GB/T9115.2-2000
结构长度:GB/T12221-1989
压力试验:GB/T13927-1992;JB/T9092-1999气动硬密封蝶阀 执行机构
采用新型系列GT型气动执行器,有双作用式和单作用式(弹簧复位),齿轮传动,安全可靠;大口径阀门采用系列AW型气动执行器拔叉式传动,结构合理,输出扭矩大,有双作用式和单作用式
1、齿轮式双活塞,输出力矩大,体积小。
2、气缸选用铝金材料,重量轻、外形美观。
3、可在顶部、底部安装手动操作机构。
4、齿条式连接可调节开启角度、额定流量。
5、执行器可选带电讯号反馈指示及各类附件以实现自动化操作。
6、IS05211标准连接为产品的安装更换提供了方便。
7、两端调的节螺钉可使标准产品在0°和90°有±4°的可调范围。确保与阀门的同步精度。D643H气动开关蝶阀附件选项
根据不同控制和要求可选择下列附件:
切断型附件:单电控电磁阀、双电控电磁阀、限位开关回讯器。
调节型附件:电气定位器、气动定位器、电气转换器。
气源处理附件:空气过滤减压阀、气源处理三联件。

三、AW活塞式双作用气动开关型法兰式蝶阀主要技术参数
公称通经DN(mm)
50~2000
公称药理PN(MPa)
0.6
1.0
1.6
2.5
密封试验(MPa)
0.66
1.1
1.76
2.75
强度试验(MPa)
0.9
1.5
2.4
3.75
适用温度
碳钢:-29℃~425℃不锈钢:-40℃~650℃
适用介质
水、空气、天然气、油品及弱腐蚀性流体
泄漏率
符合GB/T13927-92标准
驱动方式
蜗轮传动、电动、气动、液动
四、AW活塞式双作用气动开关型法兰式蝶阀主要零部件材料
零件名称
材料
阀体
WCB、合金钢、不锈钢、QT450-10
蝶板
WCB、合金钢、不锈钢、QT450-10
阀轴
2Cr13不锈钢、合金钢
密封圈
不锈钢圈
填料
柔性石墨
五、D643H气动开关蝶阀采用标准
制造标准
JB/T8527-97
法兰标准
GB9113-2000
结构长度标准
GB12221-89
检验标准
GB/T13927-92
六、D643H-10/16/25/气动硬密封蝶阀主要外形连接尺寸(单位:mm)
公称通经(DN)
主要尺寸
法兰尺寸和螺栓规格
1.0MPa
1.6MPa
2.5MPa
L
H1
H
D
D1
n-Фd
D
D1
n-Фd
D
D1
n-Фd
50
108
350
112
165
125
4-18
165
125
4-18
165
125
4-18
65
112
370
115
185
145
4-18
185
145
4-18
185
145
8-18
80
114
380
120
200
160
4-18
200
160
8-18
200
160
8-18
100
127
420
138
220
180
8-18
220
180
8-18
235
190
8-22
125
140
460
164
250
210
8-18
250
210
8-18
270
220
8-26
150
140
555
175
285
240
8-22
285
240
8-22
300
250
8-26
200
152
760
200
340
295
8-22
340
295
12-22
360
310
12-26
250
165
830
243
395
350
12-22
405
355
12-26
425
370
12-30
300
178
895
250
445
400
12-22
460
410
12-26
485
430
16-30
350
190
950
280
505
460
16-22
520
470
12-26
555
490
16-33
400
216
1190
305
565
515
16-26
580
525
16-26
620
550
16-36
450
222
1255
350
615
565
20-26
640
585
16-30
670
600
20-36
500
229
1305
380
670
620
20-26
715
650
20-30
730
660
20-36
600
267
1340
445
780
725
20-30
840
770
20-33
845
770
20-39
700
292
1520
480
895
840
24-30
910
840
24-36
960
875
24-42
800
318
1710
530
1015
950
24-33
1025
950
24-39
1085
990
24-48
900
330
1810
580
1115
1050
28-33
1125
1050
28-39
1185
1090
28-48
1000
410
1960
650
1230
1160
28-36
1255
1170
28-42
1320
1210
28-56
1200
470
2250
760
1455
1380
32-39
1485
1390
32-48
1530
1420
32-56
结构比较短小,占用空间小,安装的时候先用对夹式蝶阀专用法兰将其固定,然后将固定好的对夹式法兰放入管道两端法兰中间,用螺栓穿过对夹式蝶阀专用法兰和管道法兰将其固定。

AW活塞式双作用气动开关型法兰式蝶阀具体安装步骤流程如下:
1、将对夹式蝶阀放置于预安装的两片对夹蝶阀专用法兰之间,注意将法兰螺栓孔与蝶阀阀体圆孔对齐。
2、将螺栓和螺母插入法兰孔将阀体与法兰连接,校正一下法里面的平整度,但注意不要把螺栓螺母拧的过紧。
3、将法兰焊接在管道上,这一步要采用点焊的方式。
4、先把对夹式蝶阀取下移出。
5、再将两片法兰完全焊在管道上,完成固定。
6、等法兰与管道的焊接处冷却之后,再讲对夹式蝶阀安装进去。此时注意要将蝶板打开一些。
7、再一次对蝶阀的安装位置做一个校正,拧紧螺栓,但要注意不要拧的过紧。
8、将蝶阀蝶板完全打开,保证蝶阀的蝶板可以自由启闭,能自由开闭。
9、再一次将螺栓交叉,均衡的拧紧;
10、以上步骤完成,再一次对蝶阀的启闭做一个测试,确保阀门可以自由的开关。
法兰式蝶阀安装方法
法兰蝶阀自带法兰,安装时候无需再专门配备法兰片,直接将阀体上的法兰与管道法兰用螺栓连接起来即可。但法兰蝶阀安装时要注意几点:
1.在安装时,蝶阀阀体法兰与管道上法兰之间的端面要平行,不能出现歪斜的情况,否则可能会因为螺栓拧不紧造成法兰连接处泄漏。
2.法兰蝶阀在管道上安装时候要在管道两端法兰与阀体法兰之间加入垫片,但不能用双垫片。
3.紧螺栓时要对称进行,两端法兰连接各个螺栓拧紧力要均匀且一致。
4.在安装时,要先安装蝶阀上定位孔的螺栓,将蝶阀位置对中固定,另外,在紧固法兰螺栓时,要对称交替拧紧,不要依次单独紧固螺栓。
相比对夹蝶阀,法兰蝶阀的密封性能更好,更适合做大口径阀门。但是使用成本和价格也会更高。法兰蝶阀的结构更长,占用的管道安装空间更大。

法兰蝶阀安装方法:
1、法兰蝶阀安装前检查气动蝶阀各部分部件无缺失,型号无误,检查阀体内无杂物,电磁阀和消音器内无阻塞。
2、将阀门和汽缸均置于关闭状态。
3、将汽缸撞到阀门上,(安装方向与阀体平行或垂直都可以),再看螺丝孔是否对正,不会有太大偏差,如有少许偏差,将气缸体转动一点就可以了,然后将螺丝紧固。
4、安装完毕后,对气动蝶阀进行调试(正常情况下供气压力为0.4~0.6MPa),调试运行时须手动操作电磁阀启闭(将电磁阀线圈失电后手动操作方可有效),观察气动蝶阀的启闭情况。如果在调试运行过程中发现阀门在启闭过程初始时有些吃力,之后正常,则需要将气缸行程调小(把气缸两端行程调节螺丝同时往里调一点,调整时需将阀门运行到开位置,然后将气源关掉再调),直至阀门启闭动作顺滑且关闭无泄漏。还需要注意的是,可调型消音器可以调节阀门的启闭速度,但不可调得过小,否则可能引起阀门不动作。
5、得发在安装前应保持干燥,不可露天存放。
6、安装蝶阀前要检查管道,确保管道内无焊渣等异物。
7、蝶阀阀体手动启闭阻力适中,蝶阀扭矩与所选执行器扭矩匹配。
8、蝶阀连接用法兰规格正确,管道对夹法兰与蝶阀法兰标准相符。建议使用蝶阀专用法兰,不得使用平焊法兰。
9、确认法兰焊接无误,蝶阀安装完毕后不得再焊接法兰,以免烫伤橡胶件。
10、装好的管道法兰要进行对中,并与放入的蝶阀进行对中。
11、装上所有的法兰螺栓,并用手拧紧,将确认蝶阀与法兰已然对中,然后小心的启闭蝶阀,确保启闭灵活。
12、将阀门完全开启,用扳手按照对角线次序将螺栓拧紧,无需垫圈,切勿将螺栓拧的过紧,以防造成阀圈的严重变形,启闭扭矩过大。

订货须知:
一、产品名称与型号口径是否带附件以便我们的为您正确选型使用压力使用介质的温度。
二、若已经由设计单位选定公司的放料阀型号,请型号直接向我司销售部订购。
三、当使用的场合非常重要或环境比较复杂时,请您尽量提供设计图纸和详细参数,由我们的阀门公司专家为您审核把关。如有疑问:请:我们一定会尽心尽力为您提供优质的服务。
-
联系方式
- 联系人:申弘阀门
- 电 话:021-59260058
- 手 机:15901754341
- 传 真:86-021-31662735
- 邮 箱:494522509@qq.com
- 邮 编:201718
- 地 址:上海市青浦区金泽工业园区
- 网 址: https://bengye.cn.goepe.com/
http://www.021-fm.com
-
产品搜索





