-
申弘镍铝青铜蝶阀C95800
详细信息| 询价留言C95800镍铝青铜蝶阀对夹硬密封蝶阀 电动对夹硬密封蝶阀 气动对夹硬密封蝶阀 硬密封蝶阀 上海申弘阀门有限公司主营阀门有:减压阀(气体减压阀,可调式减压阀,水减压阀
【C95800镍铝青铜耐海水腐蚀对夹式硬密封蝶阀产品用途】
C95800镍铝青铜蝶阀可以根据客户要求美标,德标、国标、化工部等标准蝶阀其主要阀体、蝶板材质为C95800镍铝青铜蝶阀,阀杆采用蒙乃尔monel K400,蝶板密封为PTFE或者RPTFE,主要适用于海水等具有腐蚀的介质除了C95800蝶阀材质镍铝青铜蝶阀之外,上海申弘阀门还可以生产常见的铸钢,不锈钢,双相钢,低温钢,高温钢等蝶阀蝶阀是用圆形蝶板作启闭件并随阀杆转动来开启、关闭和调节流体通道的一种阀门。蝶阀的蝶板安装于管道的直径方向。在蝶阀阀体圆柱形通道内,圆盘形蝶板绕着轴线旋转,旋转角度为0°~90°之间,旋转到90°时,阀门则牌全开状态。蝶阀又叫翻板阀,是一种结构简单的调节阀,同时也可用于低压管道介质的开关控制。

蝶阀(英文:butterflyvalve)是指关闭件(阀瓣或蝶板)为圆盘,围绕阀轴旋转来达到开启与关闭的一种阀,在管道上主要起切断和节流用。蝶阀启闭件是一个圆盘形的蝶板,在阀体内绕其自身的轴线旋转,从而达到启闭或调节的目的。蝶阀全开到全关通常是小于90°,蝶阀和蝶杆本身没有自锁能力,为了蝶板的定位,要在阀杆上加装蜗轮减速器。采用蜗轮减速器,不仅可以使蝶板具有自锁能力,使蝶板停止在任意位置上,还能改善阀门的操作性能。、工业专用蝶阀的特点能耐高温,适用压力范围也较高,阀门公称通径大,阀体采用碳钢制造,阀板的密封圈采用金属环代替橡胶环。大型高温蝶阀采用钢板焊接制造,主要用于高温介质的烟风道和煤气管道。
蝶阀采用三偏心结构,根据客户需要可生产软密封或者多层次结构的硬密封结构蝶阀的发展历史:
30年代,美国发明了蝶阀,50年代传入日本,到60年代才在日本普遍采用,而在我国推广则是70年代后的事了。目前世界上一般在DN300毫米以上蝶阀已逐渐代替了闸阀。蝶阀与闸阀相比有开闭时间短,操作力矩小,安装空间小和重量轻。以DN1000为例,蝶阀约2T,而闸阀约3.5T,且蝶阀易与各种驱动装置组合,有良好的耐久性和可靠性。橡胶密封蝶阀缺点是作节流使用时,由于使用不当会产生气蚀,使橡胶座剥落、损伤等情况发生。为此,现在国际上又开发金属密封蝶阀,气蚀区减小,近几年我国也开发了金属密封蝶阀,在日本近年来还开发耐气蚀、低振动、低噪声的梳齿形蝶阀。一般密封座的寿命在正常情况下,橡胶15年-20年,金属的80年-90年。但如何正确选用则要根据工况要求。

C95800镍铝青铜耐海水腐蚀对夹式硬密封蝶阀的使用过程:
目前,蝶阀作为一种用来实现管路系统通断及流量控制的部件,已在石油、化工、冶金、水电等许多领域中得到极为广泛地应用。在已公知的蝶阀技术中,其密封形式多采用密封结构,密封材料为橡胶、聚四氟乙烯等。由于结构特征的限制,不适应耐高温、高压及耐腐蚀、抗磨损等行业。
现有一种比较先进的蝶阀是三偏心金属硬密封蝶阀,阀体和阀座为连体构件,阀座密封表面层堆焊耐温、耐蚀合金材料。多层软叠式密封圈固定在阀板上,这种蝶阀与传统蝶阀相比具有耐高温,操作轻便,启闭无磨擦,关闭时随着传动机构的力矩增大来补偿密封,提高了蝶阀的密封性能及延长使用寿命的优点。

【C95800镍铝青铜耐海水腐蚀对夹式硬密封蝶阀产品特点】
1、对夹式硬密封蝶阀采用三偏心密封结构,阀座与蝶板几乎无磨损,具有越观越紧的密封功能
2、密封圈选用不锈钢制作,具有金属硬密封和弹性密封的双重优点,无论在低温和高温的情况下,均具有优良的密封性能,具有耐腐蚀,使用寿命长等特点
3、蝶板密封面采用堆焊钴基硬质合金,密封面耐磨损,使用寿命长
4、大规格蝶板采用绗架结构,强度高,过流面积大,流阻小
5、对夹式硬密封蝶阀具有双向密封功能,安装时不受介质流向的限制,也不受空间位置的影响,可在任何方向安装
6、驱动装置可以多工位(旋转90°或180°)安装,便于用户使用
C95800镍铝青铜蝶阀主要技术参数
公称通经DN(mm) 50~2000 公称药理PN(MPa) 0.6 1.0 1.6 2.5 密封试验(MPa) 0.66 1.1 1.76 2.75 强度试验(MPa) 0.9 1.5 2.4 3.75 适用温度 碳钢:-29℃~425℃ 不锈钢:-40℃~650℃ 适用介质 水、空气、天然气、油品及弱腐蚀性流体 泄漏率 符合GB/T13927-92标准 驱动方式 蜗轮传动、电动、气动、液动 C95800镍铝青铜耐海水腐蚀对夹式硬密封蝶阀主要零部件材料
国际/欧标
美标
描述
Cu
铜
Al
铝
Si
硅
Zn
锌
Pb
铅
Fe
铁
Ni
镍
Mn
锰
Sn
锡
Co
钴
CuAl8
C61000
铝青铜
余量
6.0-8.5
0.1 max
0.2 max
0.02 max
0.5 max
--
1.0
max
--
--
CuAl8Fe3
C61400
铝青铜
余量
6.0-8.0
--
0.2 max
0.01 max
1.5-3.0
--
--
--
--
CuAl10Fe3
C62300
铝青铜
余量
8.5-10.0
0.25 max
--
--
2.0-4.0
1.0 max
0.5 max
0.60
max
--
CuAl11Fe3
C62400
铝青铜
余量
10-11.5
0.25 max
--
--
2.0-4.5
--
0.3 max
0.2
max
--
CuAl10Ni5Fe4
C63000
镍铝青铜
余量
8.5-11.0
--
0.3 max
--
2.0-5.0
4.0-6.0
1.5 max
0.2
max
--
CuAl10Ni1.5Fe4
C95400
镍铝青铜
余量
10.0-11.5
--
--
--
3.0-5.0
1.5
max
0.5 max
--
--
CuAl13Fe4Mn
C95900
特种铝青铜
余量
12.0-13.5
--
--
--
3.0-5.0
0-0.5
0-1.5
--
--
--
JZY375
高硬耐磨合金
余量
14.0-16.0
--
--
--
4.5-6.5
--
0-3.3
--
0-2.5
零件名称 材料 阀体 WCB、合金钢、不锈钢、QT450-10 蝶板 WCB、合金钢、不锈钢、QT450-10 阀轴 2Cr13不锈钢、合金钢 密封圈 不锈钢圈 填料 柔性石墨 C95800镍铝青铜蝶阀采用标准
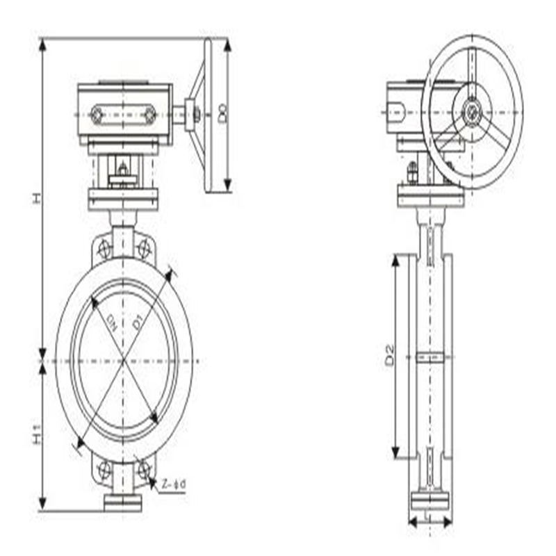
制造标准 JB/T 8527-97 法兰标准 GB9113-2000 结构长度标准 GB12221-89 检验标准 GB/T 13927-92 C95800镍铝青铜蝶阀主要外形和连接尺寸
H 6 ■D373 - (C、I、P、R) F 10 公称通径 DN 结构长度 (标准值) 外形尺寸(参考值) 法兰尺寸和螺栓孔尺寸(标准值) 参考 重量 0.6MPa 1.0MPa 毫米 mm 英寸 inch L H H1 A1 B1 D1 Z-d D1 Z-d (Kg) 50 2 43 112 350 180 200 110 4-18 125 4-18 11 65 2/21 46 115 370 180 200 130 4-18 145 4-18 12 80 3 49 120 380 180 200 150 8-18 160 8-18 14 100 4 56 138 420 180 200 170 8-18 180 8-18 16 125 5 64 164 460 180 200 200 8-18 210 8-18 26 150 6 70 175 555 270 280 225 8-18 240 8-22 28 200 8 71 208 605 270 280 280 12-18 295 8-22 44 250 10 76 243 680 270 280 335 12-18 350 12-22 68 300 12 83 283 800 380 420 395 12-22 400 12-22 85 350 14 92 310 835 380 420 445 16-22 460 16-22 121 400 16 102 340 915 450 470 495 16-22 515 16-22 140 450 18 114 380 960 480 490 550 20-22 565 20-26 190 500 20 127 410 1020 480 490 600 20-26 620 20-26 260 600 24 154 470 1225 480 490 705 24-26 725 20-30 380 700 28 165 550 1355 640 660 810 24-30 840 24-30 450 800 32 190 640 1470 640 660 920 24-30 950 24-33 650 900 36 203 710 1545 750 860 1020 24-30 1050 28-33 830 1000 40 216 770 1795 850 900 1120 28-30 1160 28-36 1050 1200 48 254 890 1965 850 900 1340 32-33 1380 32-39 1400
■ 用户注意:表中H1尺寸均可根据用户需要加长(长杆碟阀),如需特殊材料定货时提出。

■ C95800镍铝青铜蝶阀主要外形和连接尺寸H 16 ■D373 - (C、I、P、R) F 25 公称通径 DN 结构长度 (标准值) 外形尺寸(参考值) 法兰尺寸和螺栓孔尺寸(标准值) 参考重量 0.6MPa 1.0MPa 毫米 mm 英寸 inch L H H1 A1 B1 D1 Z-d D1 Z-d (Kg) 50 2 43 112 350 180 200 125 4-14 125 4-18 12 65 21/2 46 115 370 180 200 145 4-14 145 8-18 13 80 3 49 120 380 180 200 160 8-18 160 8-18 15 100 4 56 138 420 180 200 180 8-18 190 8-22 17 125 5 64 164 460 18 200 210 8-18 220 8-26 27 150 6 70 175 555 270 280 240 8-22 250 8-26 29 200 8 71 208 605 270 280 295 12-22 310 12-26 45 250 10 76 243 680 270 280 355 12-26 370 12-30 69 300 12 83 283 825 380 420 410 12-26 430 16-30 86 350 14 92 310 900 380 420 470 16-26 490 16-33 122 400 16 102 340 980 450 470 525 16-30 550 16-36 141 450 18 114 380 1030 480 490 585 20-30 600 20-36 191 500 20 127 410 1105 480 490 650 20-33 660 20-36 260 600 24 154 470 1310 480 490 7 70 20-36 770 20-39 380 700 28 165 550 1435 640 660 840 34-36 875 24-42 450 800 32 190 640 1605 640 660 950 34-39 990 24-48 650 900 36 203 710 1745 750 860 1050 34-39 1090 28-48 830 1000 40 216 770 1885 850 900 1170 28-42 1210 28-56 1050 1200 48 254 890 2105 850 900 1390 32-48 1420 32-56 1400
■ 用户注意:表中H1尺寸均可根据用户需要加长(长杆碟阀),如需特殊材料定货时提出。
■ C95800镍铝青铜蝶阀 主要外形和连接尺寸
■ D373 H - 40 (C、I、P、R)公称通径 DN 结构长度 (标准值) 外形尺寸(参考值) 法兰尺寸和螺栓孔尺寸(标准值) PN40MPa 毫米 mm 英寸 inch L H H1 A1 B1 D1 Z-d 50 2 43 112 350 180 200 125 4-18 65 21/2 46 115 370 270 280 145 8-18 80 3 49 120 380 270 280 160 8-18 100 4 56 138 420 270 280 190 8-22 125 5 64 164 460 380 420 220 8-26 150 6 70 175 555 380 420 250 8-26 200 8 71 208 605 450 470 320 12-30 250 10 76 243 680 450 470 385 12-33 300 12 83 283 825 450 470 450 16-33 350 14 92 310 900 480 490 510 16-36 400 16 102 340 980 480 490 585 16-39 450 18 114 380 1030 640 660 610 20-39 500 20 127 410 1105 640 660 670 20-42
■ 用户注意:表中H1尺寸均可根据用户需要加长(长杆碟阀),如需特殊材料定货时提出。蝶阀安装方法:
1、法兰蝶阀安装前检查气动蝶阀各部分部件无缺失,型号无误,检查阀体内无杂物,电磁阀和消音器内无阻塞。
2、将阀门和汽缸均置于关闭状态。
3、将汽缸撞到阀门上,(安装方向与阀体平行或垂直都可以),再看螺丝孔是否对正,不会有太大偏差,如有少许偏差,将气缸体转动一点就可以了,然后将螺丝紧固。
4、安装完毕后,对气动蝶阀进行调试(正常情况下供气压力为0.4~0.6MPa),调试运行时须手动操作电磁阀启闭(将电磁阀线圈失电后手动操作方可有效),观察气动蝶阀的启闭情况。如果在调试运行过程中发现阀门在启闭过程初始时有些吃力,之后正常,则需要将气缸行程调小(把气缸两端行程调节螺丝同时往里调一点,调整时需将阀门运行到开位置,然后将气源关掉再调),直至阀门启闭动作顺滑且关闭无泄漏。还需要注意的是,可调型消音器可以调节阀门的启闭速度,但不可调得过小,否则可能引起阀门不动作。
5、得发在安装前应保持干燥,不可露天存放。
6、安装蝶阀前要检查管道,确保管道内无焊渣等异物。
7、蝶阀阀体手动启闭阻力适中,蝶阀扭矩与所选执行器扭矩匹配。
8、蝶阀连接用法兰规格正确,管道对夹法兰与蝶阀法兰标准相符。建议使用蝶阀专用法兰,不得使用平焊法兰。
9、确认法兰焊接无误,蝶阀安装完毕后不得再焊接法兰,以免烫伤橡胶件。
10、装好的管道法兰要进行对中,并与放入的蝶阀进行对中。
11、装上所有的法兰螺栓,并用手拧紧,将确认蝶阀与法兰已然对中,然后小心的启闭蝶阀,确保启闭灵活。
12、将阀门完全开启,用扳手按照对角线次序将螺栓拧紧,无需垫圈,切勿将螺栓拧的过紧,以防造成阀圈的严重变形,启闭扭矩过大。

订货须知:
一、产品名称与型号口径是否带附件以便我们的为您正确选型使用压力使用介质的温度。
二、若已经由设计单位选定公司的放料阀型号,请型号直接向我司销售部订购。
三、当使用的场合非常重要或环境比较复杂时,请您尽量提供设计图纸和详细参数,由我们的阀门公司专家为您审核把关。如有疑问:请:我们一定会尽心尽力为您提供优质的服务。 -
联系方式
- 联系人:申弘阀门
- 电 话:021-59260058
- 手 机:15901754341
- 传 真:86-021-31662735
- 邮 箱:494522509@qq.com
- 邮 编:201718
- 地 址:上海市青浦区金泽工业园区
- 网 址: https://bengye.cn.goepe.com/
http://www.021-fm.com
-
产品搜索





