-
申弘手动对夹式硬密封蝶阀D73H
详细信息| 询价留言D73H手动对夹式硬密封蝶阀产品用途
D73H、D73Y 型对夹式硬密封蝶阀采用精密的J形弹性密封圈和三偏心多层次金属硬密封结构,被广泛用于介质温度≤425℃的治金、电力、石油化工、以及给排水和市政建设等工业管道上,作调节流量和载断流体使用。对夹式蝶阀的几何形状保证阀瓣密封只是在关闭位置时才与阀体阀座接触,不会产生磨擦或磨损,并且产生一种扭矩使得弹性密封具有足够的“焊接”性能,确保密封接触的均匀一致性。

关闭期间的扭距产生阀座力,并均匀一致的作用在整个圆周围,压缩力沿着周长均匀作用,使得阀门能够实现双向紧密关闭,密封的弹性使得阀门阀体和阀瓣能够接触或阔张,避免了由于温度波动而产生堵塞的危险。所有操作能够自行调整对准。 上海申弘阀门有限公司主营阀门有:减压阀(气体减压阀,可调式减压阀,水减压阀D73H手动对夹式硬密封蝶阀三重偏心几何形状:
偏心1 阀轴位于阀座后面,使得密封能够完全紧密环绕接触整个阀座。
偏心2 阀轴中心线偏离管道和阀门中心线,着就免受阀开启和关闭的干扰。
偏心3 阀座锥体轴偏离阀轴中心线,这样可以在关闭和开启过程中消除磨擦作用,并且实现环绕整个阀座的均匀一致的压缩密封效果。
D73H手动对夹式硬密封蝶阀使用寿命更长的无磨擦密封:
(1) 作为标准配置,阀座采Cr13合金或钨络钴合金硬面。
(2) 密封垫采用螺旋盘绕不锈钢/石墨,用于实现零泄漏。
D73H手动对夹式硬密封蝶阀标准与规范
设计与制造
结构长度
压力 -温度等级
配管法兰
试验与检验
GB12238
JB/T8527GB12221
JB/T74、GB9131
JB/T74-90
GB9112-9131 HG20592-20596GB/T13927
D73H手动对夹式硬密封蝶阀材料及主要参数:
主要零件
材料阀体
WCB
ZG1Cr18Ni9Ti
CF8
CF3
ZG1Cr18Ni
12Mo2TiCF8M
CF3M
压圈
WCB
ZG1Cr18Ni9Ti
CF8(304)
CF3(304L)
ZG1Cr18Ni
12Mo2TiCF8M(316)
CF3M(316L)
蝶板
碳钢面堆焊
Cr13ZG1Cr18Ni9Ti
CF8(304)
CF3(304L)
ZG1Cr18Ni
12Mo2TiCF8M(316)
CF3M(316L)
阀杆
2Cr13
1Cr18Ni9Ti
0Cr19Ni9
00Cr19Ni11
1Cr18Ni
12Mo2Ti0Cr17Ni12Mo2
00Cr17Ni14Mo2
阀座
1Cr18Ni9Ti
0Cr19Ni9
00Cr19Ni11
00Cr19Ni11
0Cr17
Ni12Mo200Cr17
Ni14Mo00Cr17Ni14Mo2
适用工况
适用介质
水、蒸汽、油品等
硝酸等腐蚀性介质
强氧化性介质
醋酸等腐蚀性介质
尿素等腐蚀性介质
蜗轮传动蝶阀
在阀门类型代号D后加入“3”表示,示例:D373H-16C
气动蝶阀
在阀门类型代号D后加入“6”,示例:D673H-25 气压0.4~0.6MPa
电动蝶阀
在阀门类型代号D后加“9”表示,示例:D973H-16C
D73H手动对夹式硬密封蝶阀产品特点
1、对夹式硬密封蝶阀采用三偏心密封结构,阀座与蝶板几乎无磨损,具有越观越紧的密封功能
2、密封圈选用不锈钢制作,具有金属硬密封和弹性密封的双重优点,无论在低温和高温的情况下,均具有优良的密封性能,具有耐腐蚀,使用寿命长等特点
3、蝶板密封面采用堆焊钴基硬质合金,密封面耐磨损,使用寿命长
4、大规格蝶板采用绗架结构,强度高,过流面积大,流阻小
5、对夹式硬密封蝶阀具有双向密封功能,安装时不受介质流向的限制,也不受空间位置的影响,可在任何方向安装
6、驱动装置可以多工位(旋转90°或180°)安装,便于用户使用
D73H手动对夹式硬密封蝶阀性能参数
型号
D73H-10C~40
D73Y-10C~40D73H-10P~40
D73Y-10P~40工作压力(MPa)
1.0~4.0
适用温度(℃)
≤300
适用介质
水、油品、蒸汽等
材料
阀体、蝶板
铸钢
奥氏体不锈钢
阀杆
40Cr
奥氏体不锈钢
密封面配对材料
不锈钢/不锈钢
不锈钢/司太立
填料
柔性石墨
聚四氟乙烯
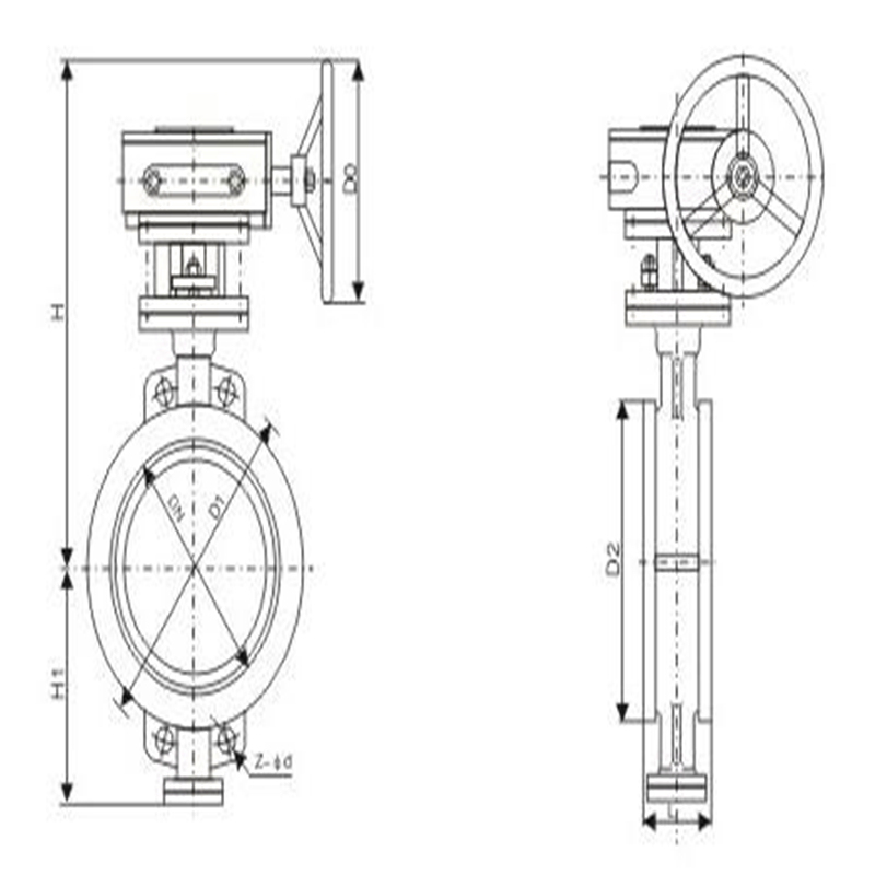
D73H手动对夹式硬密封蝶阀主要外形和连接尺寸
公称通径 结构长度 外形尺寸 连接长度 H D373H D373Y D673H D973H 0.6MPa 1.0MPa mm Inch L H1 A1 B1 H2 A2 B2 H3 A3 B3 D1 Z-d D1 Z-d 50 2 43 112 350 180 200 625 245 72 530 250 255 110 4-14 125 4-18 65 2? 46 115 370 180 200 625 245 72 530 250 255 130 4-14 145 4-18 80 3 49 120 380 180 200 645 245 72 565 250 255 150 4-18 160 8-18 100 4 56 138 420 180 200 675 355 92 600 250 255 170 4-18 180 8-18 125 5 64 164 460 180 200 715 355 92 640 250 255 200 8-18 210 8-18 150 6 70 175 555 270 280 800 355 92 705 300 315 225 8-18 240 8-22 200 8 71 208 605 270 280 850 250 170 775 300 315 280 8-18 295 8-22 250 10 76 243 680 270 280 925 250 170 945 300 315 335 12-18 350 12-22 300 12 83 283 800 380 420 1035 450 200 1070 300 315 395 12-22 400 12-22 350 14 92 310 835 380 420 1070 450 220 1140 300 315 445 12-22 560 16-22 400 16 102 340 915 450 470 1190 450 220 1210 300 315 495 16-22 515 16-26 450 18 114 380 960 480 490 1250 650 280 1335 575 714 550 16-22 565 20-26 500 20 127 410 1020 480 490 1290 650 280 1415 575 714 600 20-22 620 20-26 600 24 154 470 1225 480 490 1455 850 380 1605 656 810 705 20-26 725 20-30 700 28 165 550 1355 640 660 1585 850 380 1844 656 810 810 24-26 840 24-30 800 32 190 640 1470 640 660 1700 1250 380 2040 656 810 920 24-30 950 24-33 900 36 203 710 1545 750 860 1965 1250 380 2255 785 863 1020 24-30 1050 28-33 1000 40 216 770 1795 850 900 2015 1250 380 2380 785 863 1120 28-30 1160 28-36 1200 48 254 890 1965 850 900 2250 1250 380 2640 785 863 1340 32-33 D73H手动对夹式硬密封蝶阀保管、保养、安装和使用
5.1阀门应存放在干燥,通风的室内,阀门通道两端应堵塞。
5.2长期存放的阀门应定期检查,清除污物。应特别注意密封面的清洁,防密封面的损坏。
5.3安装前应仔细核对阀门标志是否与使用要求相符。
5.4安装前应检查阀门通道和密封面,如有污垢,应使用清洁布擦拭干净。
5.5安装前检查填料是否压紧,应确保填料的密封性,同时不应妨碍阀杆的转动。
5.6安装后系统或管路试压时,阀门必须处于全开位置。
5.7使用中应将球体全开或关闭,不应将球体部分开启做调节流量用。
5.8手动阀门在开启或关闭操作时,应使用手柄开、关,不得借用辅助杠杆或其它工具。
5.9阀门使用应定期检查,检查密封面有无磨损及垫片填料。若损坏失效,应及时修理或更换。制造厂对阀门投入使用一年内负责保修,但不超过发货期12个月。在保修期内,因产品质量原因均可免费修理或更换零件。
订货须知:
一、①D373Y手动对夹式硬密封蝶阀产品名称与型号②口径③是否带附件以便我们的为您正确选型④使用压力⑤使用介质的温度。
二、若已经由设计单位选定公司的型号,请D373H手动对夹式硬密封蝶阀型号直接向我司销售部订购。三、当使用的场合非常重要或环境比较复杂时,请您尽量提供设计图纸和详细参数,由我们的阀门公司专家为您审核把关。产品所属蝶阀选型,感谢您访问我们申弘阀门的网站如有任何疑问.您可以致电给我们,我们一定会尽心尽力为您提供优质的服务。如需要了解更多其它阀类产品的信息可以点击减压阀查看。
-
联系方式
- 联系人:申弘阀门
- 电 话:021-59260058
- 手 机:15901754341
- 传 真:86-021-31662735
- 邮 箱:494522509@qq.com
- 邮 编:201718
- 地 址:上海市青浦区金泽工业园区
- 网 址: https://bengye.cn.goepe.com/
http://www.021-fm.com
-
产品搜索








