-
申弘远程控制电动减压阀PLC
详细信息| 询价留言PLC远程控制电动减压阀 产品说明
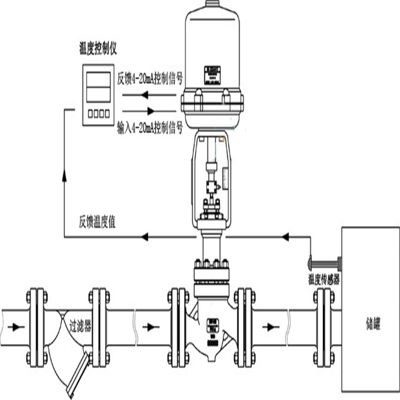
所述齿条上设置有多个孔,且所述壳体的边缘处设置有多个安装孔。供热中心提供的往往是高温高压的过热蒸汽。而且在高压干饱和蒸汽减压时,也会产生过热度。但在一般情况下,工业制程的热量传递过程使用的都是饱和蒸汽上海申弘阀门有限公司主营阀门有:减压阀(气体减压阀,可调式减压阀,水减压阀,蒸汽减压阀上海申弘阀门有限公司主营阀门有:减压阀(气体减压阀,可调式减压阀,水减压阀,蒸汽减压阀(过热蒸汽在冷凝释放蒸发焓之前必须先冷却到饱和温度,而与饱和蒸汽的蒸发焓相比,过热蒸汽冷却到饱和温度释放的热量很小。本实用新型涉及减压阀技术领域,具体为一种可远程控制自动调节减压阀,包括电动马达,所述电动马达的底部通过内六角锁紧螺丝与调压丝杆的内部螺纹固定,所述调节压丝杆的低端与上盖的上端插接配合,所述上盖的底部与母体的顶部插接配合,所述母体的右端固定安装有进气管组合,所述母体的左端固定安装有三通接头,所述三通接头的顶部固定安装有压力传感器,所述压力传感器的顶端与电动马达的顶端均通过连接线与远程控制器的表面连通。该可远程控制自动调节减压阀,将减压阀的调压丝杆与电动机构相连,对不锈钢减压器进行远程输出压力设定调节,使输出压力稳定输出,并可自动补偿,结构紧凑、可靠,减少人员的操作。

以上所述,仅为本实用新型较佳的具体实施方式;但本实用新型的保护范围并不局限于此。任何熟悉本技术领域的技术人员在本实用新型揭露的技术范围内,根据本实用新型的技术方案及其改进构思加以等同替换或改变,都应涵盖在本实用新型的保护范围内。使整套装置长度大大缩短。结构更加紧凑,减少占地面积,利于现场安装布置。减温减压阀采用双阀座结构,不平衡力小、调节范围广、动作平稳,不会出现卡死现象,并采用直行程执行机构,去除了传统的杠杆铰链机构,减少了空行程环节,进一步提高了调节系统的灵敏度及精确度.减温系统根据减温水压差的不同,采用不同形式的给水调节阀,既能减小阀门的泄漏量,又能合理分配给水系统上的压差。同一口径,不同的流量系数CV值可供选择,使温度调节系统调节灵敏度及精确度大大提高。
本实用新型涉及减压阀技术领域,具体涉及一种带定位装置的电动减压阀装置。阀前压力5公斤,阀后压力3公斤,当阀后压力由于泄露,或者介质的使用而稍微下降的时候,阀门打开,阀后压力上升直到3公斤,这时阀门关闭,所以减压阀就是通过不断的开闭来保证阀后的压力维持在3bar,所以这2公斤的压力哪里也没去,因为阀后压力3公斤的时候,阀门一直是关闭的减压阀是采用控制阀体内的启闭件的开度来调节介质的流量,将介质的压力降低,同时借助阀后压力的作用调节启闭件的开度,使阀后压力保持在一定范围内,并在阀体内或阀后喷入冷却水,将介质的温度降低,这种阀门称为减压减温阀。该阀的特点,是在进口压力不断变化的情况下,保持出口听压力和温度值在一定的范围内。减压阀是气动调节阀的一个必备配件,主要作用是将气源的压力减压并稳定到一个定值,以便于调节阀能够获得稳定的气源动力用于调节控制。本实用新型涉及减压阀技术领域,具体为一种可远程控制自动调节减压阀。
背景技术:
随着自动化技术领域的飞跃性发展,气动技术、机械技术与电控技术的相结合也越来越紧密,传统概念上的气动元件往往局限于单立的气动执行元件或控制元件。目前市场上常见的不锈钢减压阀即为机械控制阀,通过机械调节方式将进口压力减至某一需要的压力进行输出,并依靠气体介质本身的能量使出口压力自动保持稳定。然而许多使用环境的需求是不断变化的,要求的输出压力也要根据需求变化,在变化过程中需要人为在现场进行调节设定,从而增加了人员的劳动强度,提高生产成本等。
PLC远程控制电动减压阀基本性能
(1)调压范围:
调压范围是指减压阀输出压力P2的可以调整控制的范围,在这个可调范围内要求达到规定的精度。调压范围主要与调压弹簧的刚度有关。
(2)压力特性:
压力特性是指流量g为定值时,因输入压力波动而引起输出压力波动的特性。输出压力波动越小,减压阀的特性越好。输出压力必须低于输入压力—定值才基本上不随输入压力变化而变化。
(3)流量特性:
流量特性是指输入压力—定时,输出压力随输出流量g的变化而变化的持性。当流量g发生变化时,输出压力的变化越小越好。一般输出压力越低,它随输出流量的变化波动就越小。可以提供完整的减温减压系统。该系统主要由减压系统、减温系统和自动控制系统构成。

PLC远程控制电动减压阀标准配件表:
可选配件表:减温水序号
名 称
描 述
数 量
1
截止阀
压力控制阀前截止阀
1
2
过滤器
压力控制阀前过滤器
1
3
控制阀
压力控制阀
1
4
截止阀
压力控制阀后截止阀
1
5
减温器
喷射型减温器或文丘里型减温器
1
6
安全阀
安全阀
1
7
截止阀
减温减压系统出口截止阀
1
8
截止阀
减温水控制阀前截止阀
1
9
过滤器
减温水过滤器
1
10
截止阀
减温水控制阀旁通截止阀
1
11
控制阀
减温水控制阀
1
12
截止阀
减温水控制阀后截止阀
1
13
止回阀
减温水止回阀
1
14
自控柜
减温减压系统控制柜
1
15
压力传感器
减温减压系统进口,出口压力传感器
2
16
温度传感器
减温减压系统进口,出口温度传感器
2
17
压力表
减温减压系统进口,出口压力表
2
18
压力表
减温水进口压力表
1
l 减温水可以使用锅炉补给水,软化水、冷凝水等,但应注意不推荐使用未经处理的水,因为未经处理的水可导致减温器等设备积垢。
l 减温液的温度应尽可能高,以期更易蒸发。
l 减温液的压力应适当大于减温器内压力,否则将无法喷出。随着需要的流量增大,相应的减温液与蒸汽压差也越大。具体数值:
Ø SD系列喷射型减温器:减温水压力≥蒸汽压力+0.8 MPa
Ø VD系列文丘里型减温器:减温水压力≥蒸汽压力+0.1 MPa

二、PLC远程控制电动减压阀技术参数和性能指标:
公称压力(Mpa) 1.6 2.5 4.0 6.4 10.0 16.0 壳体试验压力(Mpa) 2.4 3.75 6.0 9.6 15.0 24 密封试验压力(Mpa) 1.76 2.75 4.4 7.04 11.0 17.6 zui高进口压力(Mpa) 1.6 2.5 4.0 6.4 10.0 16.0 出口压力范围(Mpa) *减压比0.6 渗漏量 0.5%QMax 温量-压力等级 ANSI B16.34 三、主要零件材料:
零件名称 零件材料 阀体 阀盖 底盖 WCB 阀座 304 阀瓣 2Cr13 阀杆 2Cr13 垫片 柔性石墨/1Cr18Ni9 导向套 2Cr13 填料 柔性石墨 螺栓 35CrMoA 螺母 45 四、流量系数(Cv):
五、PLC远程控制电动减压阀外形尺寸:DN 50 65 80 100 125 150 200 250 300 350 400 500 Cv 15 20 35 60 70 110 150 230 420 540 710 1020
(PN1.6-4.0):公称通径DN 外 形 尺 寸 L L1 H Hl 50 300 150 880 190 65 340 170 890 205 80 380 190 910 215 100 400 215 950 240 125 430 225 990 275 150 450 230 1090 320 200 500 260 1160 340 250 550 285 1230 370 300 750 395 1370 460 350 850 445 1450 530 400 950 550 1570 660 500 1130 680 1780 800 六、外形尺寸:
(PN6.4-16.0):
公称通径DN 外 形 尺 寸 L L1 H Hl 50 300 150 880 200 65 340 170 890 215 80 380 190 910 225 100 400 215 950 250 125 430 225 990 285 150 450 230 1090 330 200 500 260 1160 355 250 550 285 1230 390 300 750 395 1370 480 350 850 445 1450 550 400 950 550 1570 700 500 1130 680 1780 820 七、PLC远程控制电动减压阀电动执行器选配及性能指标:
公称通径 50 65 80 100 125 150 200 250 300 350 400 500 配执行机构型号 ZKZ-310BC ZKZ-410BC/ZKZ-510BC ZKZ-510BC ZKZ-610BC/ B+Z250/F1800 行程 25 30 50/30 50 60 100 推力(N) 4000 6400/1600 16000 2500 全行程时间(S) 20 32 37 62 输入信号 4-20mA DC 供电电源 220V 50Hz 380V 50Hz 基本误差(%) ≤±2.5 基本误差(%) ≤±1.5 基本误差(%) ≤3 l 输入参数
1. 一次侧蒸汽压力P1、温度T1
2. 减温水的给水压力Pb及温度Tb
l 输出参数
1. 二次侧蒸汽压力P2、温度T2
2. 出口蒸汽流量,变化范围在20%-100%的范围内调节效果比较理想。
注:出口蒸汽压力P2应不低于饱和温度所对应的压力值,即T2应不低于P2对应的饱和温度值。
l 流量计算
减温水的流量可根据如下公式计算:
Qs×(Hs-Ho)=Qw×(Ho-Hw)
Qw= Qs×(Hs-Ho)/(Ho-Hw)
Qs 减温前蒸汽流量 Kg/h
Qw 减温水流量 Kg/h
Hs 减温前蒸汽焓值 KJ/Kg
Hw 减温水焓值 KJ/Kg
Ho 减温后蒸汽焓值 KJ/Kg
一体(套筒)式减温减压装置减温管选型
减温管的选型可依据一下几个步骤:
1、 根据上文提到的方法计算出减温水流量;
2、 计算出减温器出口蒸汽流量(进入减温器的蒸汽量加上减温水量);
3、 根据*终需要的蒸汽状态从蒸汽表查询出口蒸汽比容;
4、 使用下面的选型图确定减温器口径。
举例
假设参数:蒸汽流量9t/h,进口压力2.0MPa,进口温度300℃;出口压力1.5MPa,出口温度210℃;减温水压力2.3MPa,减温水温度90℃。
1. 确定型号。
此产品没有对流量调节比等参数做要求,所以可选用SD系列喷射型减温器(如果有其他要求,请参见前面的型号特性阐述,综合选型)。
2. 确定材质、压力等级
进口参数为2.0MPa,300℃,根据阀门设计手册及我们产品性能的要求,可选用碳钢、PN4.0MPa产品。
3. 确定口径
依据前面介绍的减温水流量的计算方法。查表得进、出口参数如下:本实用新型的目的在于提供一种可远程控制自动调节减压阀,以解决上述背景技术中提出的问题。

PLC远程控制电动减压阀为实现上述目的,本实用新型提供如下技术方案:
一种可远程控制自动调节减压阀,包括电动马达,所述电动马达的底部通过内六角锁紧螺丝与调压丝杆的内部螺纹固定,所述调节压丝杆的低端与上盖的上端插接配合,所述上盖的底部与母体的顶部插接配合,所述母体的右端固定安装有进气管组合,所述母体的左端固定安装有三通接头,所述三通接头的顶部固定安装有压力传感器,所述压力传感器的顶端与电动马达的顶端均通过连接线与远程控制器的表面连通。

订货须知:
一、①产品名称与型号②口径③是否带附件以便我们的为您正确选型④的使用压力⑤的使用介质的温度。
二、若已经由设计单位选定公司的型号,请按型号直接向我司销售部订购。三、当使用的场合非常重要或环境比较复杂时,请您尽量提供设计图纸和详细参数,由我们的阀门公司专家为您审核把关。如有疑问:请:我们一定会尽心尽力为您提供优质的服务。提供全面、*的“阀门系统解决方案",也十分愿意帮助用户解决生产中所遇到的难题。
-
联系方式
- 联系人:申弘阀门
- 电 话:021-59260058
- 手 机:15901754341
- 传 真:86-021-31662735
- 邮 箱:494522509@qq.com
- 邮 编:201718
- 地 址:上海市青浦区金泽工业园区
- 网 址: https://bengye.cn.goepe.com/
http://www.021-fm.com
-
产品搜索








