-
申弘电动伸缩软密封法兰式蝶阀SD941J
详细信息| 询价留言伸缩蝶阀 气动伸缩蝶阀 电动伸缩蝶阀 手动伸缩蝶阀 蜗轮传动法兰式伸缩蝶阀
【SD941J电动伸缩软密封法兰式蝶阀】产品介绍
伸缩蝶阀的蝶板安装于管道的直径方向。在蝶阀阀体圆柱形通道内,圆盘形蝶板绕着轴线旋转,旋转角度为0°~90°之间,旋转到90°时,阀门则牌全开状态。 此阀一般水平安装。 新型高寿命不锈钢蝶阀的特点以及蝶阀在使用过程中存在问题 目前 ,伸缩蝶阀作为一种用来实现管路系统通断及流量控制的部件,已在石油、化工、冶金、水电等许多领域中得到极为广泛地应用。在已公知的蝶阀技术中,其密封形式多采用密封结构,密封材料为橡胶、聚四氟乙烯等。由于结构特征的限制,不适应耐高温、高压及耐腐蚀、抗磨损等行业。缩蝶阀的蝶板安装于管道的直径方向。在蝶阀阀体圆柱形通道内,圆盘形蝶板绕着轴线旋转,旋转角度为0°~90°之间,旋转到90°时,阀门则牌全开状态。伸缩蝶阀适用于温度≤80℃,公称压力≤1.6MPa的食品、医药、化工、石油、电力、轻纺、造纸等给排水、气体管道上作调节流量和截流介质的作用,具有补偿管道热胀冷缩的功能。其主要特点如下:设计新颖、合理、结构独特、重量轻、操作方便、启闭迅速;伸缩蝶阀除了能作调节和截流作用、补偿管道温差所产生的热胀冷缩功能外,还能为安装更换、维修阀门提供方便。密封部位可调节更换、密封性能可靠等特点。

法兰式伸缩蝶阀密封形式 硬密封型 传动形式 气动 结构形式 垂直板式 主体材料 WCB 适用温度 250(℃) 压力范围 1.6(Mpa) 适用介质 水,蒸汽 公称通径 50-1000(mm) 材质 铸钢 连接形式 法兰 产品别名 气动法兰式伸缩蝶阀 适用范围 应用于国防、科研、航天、电子、机械、冶金、石油,化工,能源、环保、生物医药、制冷、食品等各种领域 产品型号 SD643H
本蝶阀适用温度≤80℃,用于石油、化工食品医药轻纺、造纸、电力、给排水、气体管路上,作调节流量和截流介质的作用,具有补偿管道热胀冷缩的功能。蝶阀硬密封是指密封副的两侧均是金属材料或较硬的其它材料的被称为"硬密封"。这种密封的密封性能较差,但耐高温,抗磨损,机械性能好。而软密封是指密封副的两侧一侧是金属材料,另一侧是有弹性的非金属材料的被称为"软密封"。这种密封的密封性能较好,但不耐高温,易磨损,机械性较差。
软密封座采用具有一定强度、硬度和耐温性能的非金属材料制作,密封性能好,可以作到零泄漏,但寿命和对温度的适应性比较差。硬密封采用金属制作,密封性能相对比较差,尽管有制造商宣称可以作到零泄漏。软密封对一部分有腐蚀性的物料是不能满足工艺要求的,硬密封可以解决!这两种密封可以相互补充的,就密封性而言软密封相对较好,但是现在硬密封的密封性也能够满足相应的要求。软密封的优点是密封性能好,缺点是容易老化、磨损、使用寿命短。硬密封使用寿命长,但是密封性相对比软密封差。

SD941J电动伸缩软密封法兰式蝶阀其结构上的区别主要有以下几点:
1、结构上的区别:软密封蝶阀多为中线型硬密封多为单偏心、双偏心、三偏心蝶阀
2、耐温:软密封用于常温环境。硬密封可用于低温、常温、高温等环境
3、压力:软密封低压-常压,硬密封还可以使用于中高压等工况气动软密封蝶阀
4、密封性能:软密封和三偏心硬密封蝶阀密封性能比较好,三偏心蝶阀在高压高温环境下可以保持良好的密封。
鉴于以上特点,硬密封蝶阀作为一种用来实现管路系统通断及流量控制的部件,已在石油、化工、冶金、水电等许多领域中得到极为广泛地应用。软密封蝶阀适用于通风除尘管路的双向启闭及调节,水处理、轻工、石油、化工等行业。硬密封蝶阀多用于供热、供气、及煤气、油品、酸碱等环境。
This butterfly valve,with the suitable temperatu re as=80℃,is used for the pipeline of petroleum,chemical,food,medicine,ight&textile,paper-makin9,water supply and drainage,gas for the flow adjustment and medium cut-off and holds the function to compensate heat-expansion cold-contraction of the pipeline
SD941J电动伸缩软密封蝶阀特点Characteristic
1、设计新颖、合理、结构独特、重量轻、操作方便、起闭迅速。
2、本伸缩蝶阀既能起到调节流量和截流作用,又能补偿管道温差,所产生的热胀冷缩功能,同时也便于安装和拆卸,为一阀多用产品。
1 Brand-new and reasonable design,unique structure,light weight,easy operation,quick open-close.
2 This telescopic butterfly valve can act as flow adjustment and cut-off and also compensate the heat-expansion cold-contraction of the pipeline caused due to temperature difference and is conveniently mountable and removable,as an one-valve muIti-purposes product
SD941J电动伸缩软密封蝶阀安装注意事项Precautions in installation
1、本蝶阀安装前必须清洗内腔杂物。
2、本阀可有一定范围内伸缩,安装前必须松开伸缩部位的密封垫压盖,然后待本阀门与管道所需要的长度后,再锁紧伸缩密封压盖。
1 Clear out the impurities inside of the internal cavity before to install this butterfly valve.
2 This valve is stretchable in a certain range and,before installation,the sealing pad of the stretching part shall be loosened and,then,whlength is set for both valve and pipeline,tightened.
设计标准:GB/T12238-1989
法兰连接尺寸:GB/T9113.1-2000;GB/T9113.2-2000
GB/T9115.1-2000;GB/T9115.2-2000
压力试验:GB/T13927-1992;JB/T9092-1999SD941J电动伸缩软密封法兰式蝶阀伸缩蝶阀应用范围:
伸缩蝶阀作为一种用来实现管路系统通断及流量控制的部件,已在石油、化工、冶金、水电等许多领域中得到极为广泛地应用。三偏心金属硬密封伸缩蝶阀的阀体和阀座为连体构件,阀座密封表面层堆焊耐温、耐蚀合金材料。多层软叠式密封圈固定在阀板上,这种蝶阀与传统蝶阀相比具有耐高温,操作轻便,启闭无磨擦,关闭时随着传动机构的力矩增大来补偿密封,提高了蝶阀的密封性能及延长使用寿命的优点,适用于耐高温、高压及耐腐蚀、抗磨损等行业。同类产品还有气动伸缩蝶阀,电动伸缩蝶阀。
SD941J电动伸缩软密封蝶阀结构特点:
1、设计新颖、合理,结构独特,重量轻,操作方便,启闭快速;
2、伸缩蝶阀除了能作调节和截流作用,补偿管道温差产生的热胀冷缩功能外,还能为安装更换、维修阀门提供方便;
3、密封部位可调节更换,密封性能可靠.SD341X蜗轮传动法兰式伸缩蝶阀标准规范:
设计制造标准:GB/T 12238-2008、JB/T 8527-1997
结构长度标准:GB/T 12221-2005
连接法兰标准:GB/T 9113
压力温度等级:GB/T 12224-2005
试验检验标准:GB/T 13927-2008SD941J电动伸缩软密封法兰式蝶阀主要技术参数
公称通经DN(mm)
50~2000
50~1600
公称药理PN(MPa)
0.6
1.0
1.6
密封试验(MPa)
0.66
1.1
1.76
强度试验(MPa)
0.9
1.5
2.4
适用温度
软密封
X:-40℃~90℃;XF:-20℃~200℃
硬密封
碳钢:-29℃~425℃ 不锈钢-40℃~650℃
适用介质 水、空气、天然气、油品及弱腐蚀性流体
泄漏率 符合GB/T13927-92标准
驱动方式 蜗轮传动、电动、气动、液动
SD941J电动伸缩软密封蝶阀主要零部件材料
零件名称
材料
阀体
WCB、QT450-10、不锈钢
蝶板
WCB、QT450-10、不锈钢
阀轴
2Cr13不锈钢
密封圈
橡胶
填料
柔性石墨
DS341H-6/10/16C、P、R法兰式伸缩蝶阀主要外形连接尺寸单位:mm
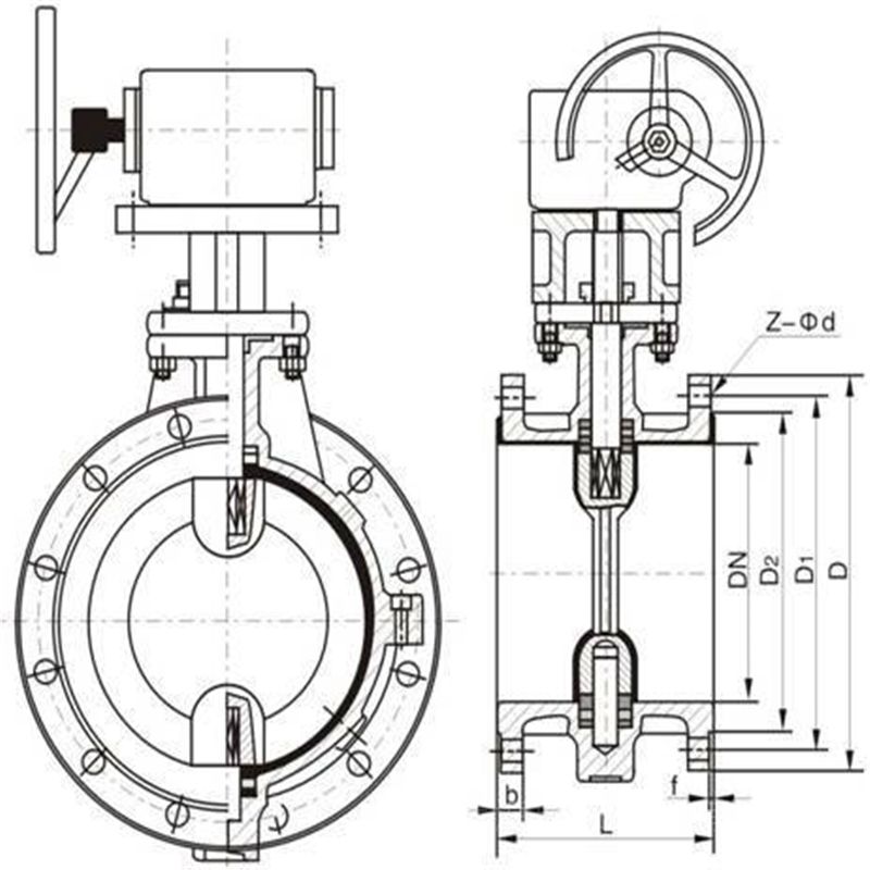
SD941J电动伸缩软密封蝶阀法兰连接尺寸和主要外形尺寸Flange size and main dimensions
公称通径DN L L2 L1 D D Z-d H1 H2 50 158 168 178 165 125 4-19 80 155 60 164 174 185 185 145 4-19 80 155 80 168 178 200 200 160 8-19 97 173 100 181 193 220 220 180 8-19 110 220 125 196 203 250 250 210 8-19 125 255 150 198 213 285 285 240 8-23 143 258 200 213 228 340 340 295 8-23 170 310 250 230 242 395 395 350 12-23 200 355 300 241 258 445 445 400 12-23 225 380 350 256 278 505 505 460 16-23 253 422 400 287 312 565 565 515 16-28 281 486 450 295 325 615 615 565 20-28 308 497 500 310 330 670 670 620 20-28 335 560 600 343 364 780 780 725 20-31 390 715 700 394 414 895 895 840 24-31 483 782 800 405 428 1015 1015 950 24-34 543 882 900 410 435 1115 1115 1050 28-34 606 925 1000 530 560 1230 1230 1160 28-37 655 1000 1200 570 602 1455 1455 1380 32-40 778 1087 1400 630 665 1675 1375 1590 36-43 912 1350 1600 720 730 1915 1915 1820 40-49 1032 1475 1800 800 845 2112 2115 200 44-49 1154 1670 2000 910 1010 2325 2325 2230 48-49 1295 1780 SD941J电动伸缩软密封蝶阀外形尺寸
规格
D
D1
D2
Lmax
Lmin
H1
H2
N-Фd
100
220
180
156
216
174
110
170
8-Ф18
125
250
210
184
232
186
123
182
8-Ф18
150
285
240
211
239
194
140
210
8-Ф22
200
340
295
266
264
214
170
238
8-Ф22
250
395
350
319
296
235
195
270
12-Ф22
300
445
400
370
300
250
222
300
12-Ф22
350
505
460
429
320
270
252
330
16-Ф22
400
565
515
480
332
282
285
368
16-Ф26
450
615
565
530
355
305
310
402
20-Ф26
500
670
620
582
365
315
337
438
20-Ф30
600
780
725
682
420
340
393
490
24-Ф30
700
895
840
794
446
396
450
558
24-Ф33
800
1015
950
901
476
426
515
625
28-Ф33
900
1115
1050
1001
506
456
560
685
28-Ф33
1000
1230
1160
1112
516
466
610
750
28-Ф36
1200
1455
1380
1328
560
510
725
880
32-Ф39
1400
1675
1590
1530
590
540
840
987
36-Ф42
1600
1915
1820
1750
630
585
960
1158
40-Ф48
1800
2115
2020
1950
680
630
1060
1258
44-Ф48
2000
2325
2230
2150
730
680
1165
1365
48-Ф48
SD941J电动伸缩软密封蝶阀类型:CH系列特点:
1.功能强劲:智能型、调节型、开关式。
2.体积小巧:体积仅相当于同类产品的35%左右。
3.使用方便:采用单相电源,接线简单;采用***的球型凸出结构,使观察更方便;免加油免点检、防水防锈、任意角度安装。
4.保护装置有双重限位、过热保护、过载保护。全行程时间15秒、30秒、45秒、60秒。及带手动功能。
5.智能数控:内置模块采用先进计算机单片及智能控制软件直接接收计算机或工业仪表等输出的标准信号(4-20mA DC /1-5VDC)实现阀门开度的智能控制和精确定位。
也可选用3810系列或NA系列电子式角行程执行机构.亦可选用PSQ系列或DYR系列。≥DN 200口径阀门一般采用380VAC电动执行器。国内品牌如瑞基,澳托克,扬州电力,天二通,兰陵等;国外品牌有英国罗托克、法国伯纳德、德国瓯玛、德国西博思(西门子)等。SD941J电动伸缩软密封蝶阀装使用注意事项
1、伸缩蝶阀在安装前必须平放,切勿随意磕碰。
2、伸缩蝶阀出厂时结构长度为***小长度,安装时,拉至安装长度(即设计长度)。
3、当管道间长度超过伸缩阀安装长度时,请调整管道间隔,切勿强行拉伸缩阀,以免损坏伸缩阀。
4、伸缩蝶阀可在任意安装,做温度补偿用时,在管道安装完成后,需沿管道轴线方向两端加支架,防止伸缩阀 伸缩管拉出(见图1),支架的支承力按下列公式计算,运行时严禁将支架卸掉。法兰蝶阀安装方法:
1、法兰蝶阀安装前检查气动蝶阀各部分部件无缺失,型号无误,检查阀体内无杂物,电磁阀和消音器内无阻塞。
2、将阀门和汽缸均置于关闭状态。
3、将汽缸撞到阀门上,(安装方向与阀体平行或垂直都可以),再看螺丝孔是否对正,不会有太大偏差,如有少许偏差,将气缸体转动一点就可以了,然后将螺丝紧固。
4、安装完毕后,对气动蝶阀进行调试(正常情况下供气压力为0.4~0.6MPa),调试运行时须手动操作电磁阀启闭(将电磁阀线圈失电后手动操作方可有效),观察气动蝶阀的启闭情况。如果在调试运行过程中发现阀门在启闭过程初始时有些吃力,之后正常,则需要将气缸行程调小(把气缸两端行程调节螺丝同时往里调一点,调整时需将阀门运行到开位置,然后将气源关掉再调),直至阀门启闭动作顺滑且关闭无泄漏。还需要注意的是,可调型消音器可以调节阀门的启闭速度,但不可调得过小,否则可能引起阀门不动作。
5、得发在安装前应保持干燥,不可露天存放。
6、安装蝶阀前要检查管道,确保管道内无焊渣等异物。
7、蝶阀阀体手动启闭阻力适中,蝶阀扭矩与所选执行器扭矩匹配。
8、蝶阀连接用法兰规格正确,管道对夹法兰与蝶阀法兰标准相符。建议使用蝶阀专用法兰,不得使用平焊法兰。
9、确认法兰焊接无误,蝶阀安装完毕后不得再焊接法兰,以免烫伤橡胶件。
10、装好的管道法兰要进行对中,并与放入的蝶阀进行对中。
11、装上所有的法兰螺栓,并用手拧紧,将确认蝶阀与法兰已然对中,然后小心的启闭蝶阀,确保启闭灵活。
12、将阀门完全开启,用扳手按照对角线次序将螺栓拧紧,无需垫圈,切勿将螺栓拧的过紧,以防造成阀圈的严重变形,启闭扭矩过大。

订货须知:
一、产品名称与型号口径是否带附件以便我们的为您正确选型使用压力使用介质的温度。
二、若已经由设计单位选定公司的放料阀型号,请型号直接向我司销售部订购。
三、当使用的场合非常重要或环境比较复杂时,请您尽量提供设计图纸和详细参数,由我们的阀门公司专家为您审核把关。如有疑问:请:我们一定会尽心尽力为您提供优质的服务。 -
联系方式
- 联系人:申弘阀门
- 电 话:021-59260058
- 手 机:15901754341
- 传 真:86-021-31662735
- 邮 箱:494522509@qq.com
- 邮 编:201718
- 地 址:上海市青浦区金泽工业园区
- 网 址: https://bengye.cn.goepe.com/
http://www.021-fm.com
-
产品搜索







