-
申弘自动喷水来灭火系统对夹式信号蝶阀XD371X
详细信息| 询价留言【XD371X自动喷水来灭火系统对夹式信号蝶阀 产品用途】
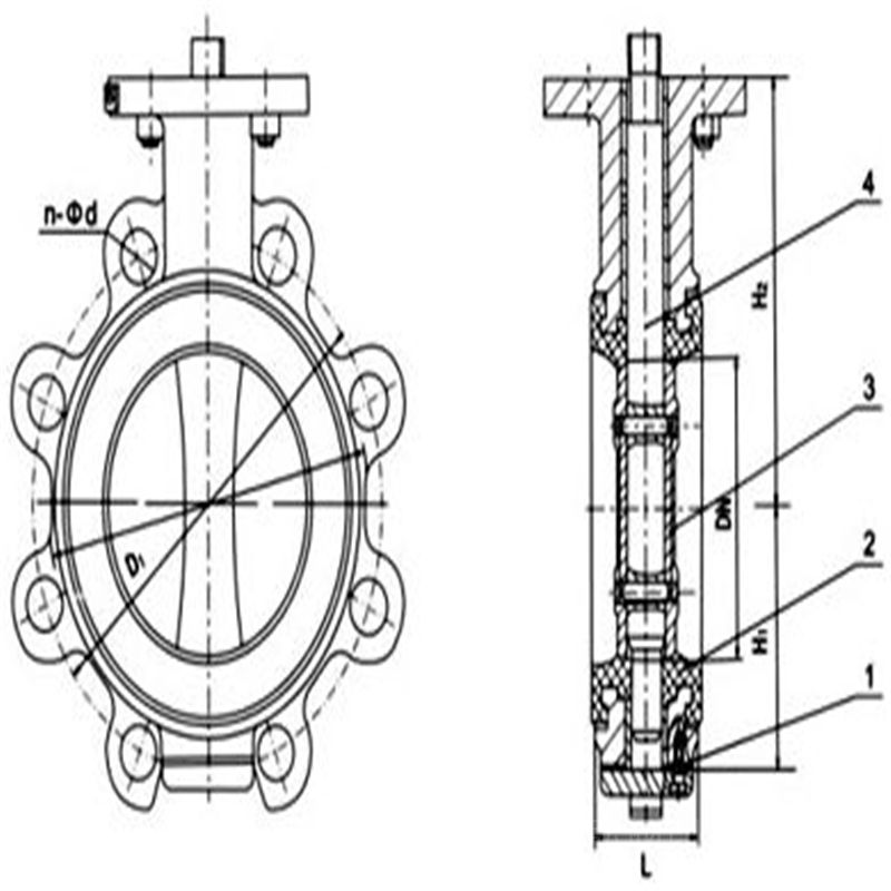
XD371X-10、XD371X-16 型对夹式信号蝶阀适用于消防系统中控制阀门,要求常开的场合,当阀门开或关到指定位置时,阀门上的信号装置便可发出信号送至消防检测中心可以显示出蝶阀开启或关闭,以防止阀门误关闭而影响自动喷水灭火功能。信号蝶阀(即监控阀)是消防工程中ZS系列自动喷水来灭火系统的控制阀,是一种蜗轮传动对夹带有启闭信号装置的蝶阀,具有显示灭水装置水源启闭功能,该阀具有密封性能好、开闭灵活、启闭显示位置准确、可靠、防潮等特点。上海申弘阀门有限公司主营阀门有:减压阀(组合式减压阀,可调式减压阀,自力式减压阀

用户对采购地阀门做抽样或全部检验是十分必要的,对产品的质量做抽检是:一是对产品的质量把关,二是减少安装后阀门不必要的维修和更新,一次安装成功率高。但是用户在抽检时对硬密封蝶阀的测试上,有些没注意的地方,造成对法么你的质量产生,怀疑或以不合格拒收。原因出在哪里呢?压环上的螺丝根据口径大小分别有 4 个、6 个、8 个和 12 个,其螺栓直径*大不超过 M10。这几个螺丝主要是固定弹性阀座之用,不能承受全部的介质压力,当阀门安装在管道靠外法兰螺栓压紧作用后,才能承受全部的介质力量。因结构上的原因,造成检测操作有差别验收时出现泄漏,用户以不合格为由通知厂家是常有的事,经过沟通后产品都能顺利过关,而且使用中也没有问题。所以,在此说下应注意的事项,为用户更好了解和使用弹性硬密封蝶阀作下交流。
测试弹性硬密封蝶阀时,将压环这一侧面向上平放在此平面上放置一个和法兰外园、阀门通经大小基本相同的压板,如果用试压机测试,压爪要压在这个压板上,使压力均匀分布在阀体一侧的压环上。如果是用盲板进行测试,一般对夹式弹性硬密封蝶阀都是用二片法兰对夹夹紧的进行测试,法兰式弹性硬密封蝶阀有时,用户为了方便只在下面用一片法兰与阀门螺栓固定,这时,阀体上面的压环上的固定螺丝就要承受介质的全部压力,前面已说到了这点,这几个螺丝是不能承受全部介质的压力的,所以用盲板测试时阀门不泄漏,同时也和实际使用的状态基本相同。
以上几点在安装过程中常遇到的问题,如果了解我们的阀门结构,就会给你带来安装上的方便,并且能正确的使用弹性硬密封蝶阀。【产品特点】
1、带有启闭信号装置
2、可显示灭水装置水源启闭功能
【执行标准】
设计标准 GB12238、API609、JIS B2064;
结构长度 GB/T15188.2
法兰标准 GB4216、GB9113、GB9115
试验标准 GB/T13927、JB/T9092
【XD371X对夹式信号蝶阀产品型号】
材质 型号
法兰式
XD341X
对夹式
XD371X
【 XD371X自动喷水来灭火系统对夹式信号蝶阀性能参数】
型号
XD371X-10
XD371X-16
工作压力(MPa)
1.0
1.6
适用温度(℃)
≤65
适用介质
水等
材料
阀体
铸铁
蝶板
球墨铸铁(表面尼龙覆层)
阀杆
铬不锈钢
阀座
丁橡胶
填料
O形橡胶圈

XD371X自动喷水来灭火系统对夹式信号蝶阀主要外形和连接尺寸XD71X-10 通径(mm) L D K n-Фd H H1 W W1 50 43 165 125 4-Ф18 80 320 266 90 65 46 185 145 4-Ф18 89 330 266 90 80 46 200 160 8-Ф18 95 340 266 90 100 52 220 180 8-Ф18 114 360 266 90 125 56 250 210 8-Ф18 127 380 266 90 150 56 285 240 8-Ф22 139 390 266 90 200 60 340 295 8-Ф22 175 525 125 90 250 68 395 350 12-Ф22 203 555 125 90 300 78 445 400 12-Ф22 242 610 190 90 蝶阀安装方法:
1、法兰蝶阀安装前检查气动蝶阀各部分部件无缺失,型号无误,检查阀体内无杂物,电磁阀和消音器内无阻塞。
2、将阀门和汽缸均置于关闭状态。
3、将汽缸撞到阀门上,(安装方向与阀体平行或垂直都可以),再看螺丝孔是否对正,不会有太大偏差,如有少许偏差,将气缸体转动一点就可以了,然后将螺丝紧固。
4、安装完毕后,对气动蝶阀进行调试(正常情况下供气压力为0.4~0.6MPa),调试运行时须手动操作电磁阀启闭(将电磁阀线圈失电后手动操作方可有效),观察气动蝶阀的启闭情况。如果在调试运行过程中发现阀门在启闭过程初始时有些吃力,之后正常,则需要将气缸行程调小(把气缸两端行程调节螺丝同时往里调一点,调整时需将阀门运行到开位置,然后将气源关掉再调),直至阀门启闭动作顺滑且关闭无泄漏。还需要注意的是,可调型消音器可以调节阀门的启闭速度,但不可调得过小,否则可能引起阀门不动作。
5、得发在安装前应保持干燥,不可露天存放。
6、安装蝶阀前要检查管道,确保管道内无焊渣等异物。
7、蝶阀阀体手动启闭阻力适中,蝶阀扭矩与所选执行器扭矩匹配。
8、蝶阀连接用法兰规格正确,管道对夹法兰与蝶阀法兰标准相符。建议使用蝶阀专用法兰,不得使用平焊法兰。
9、确认法兰焊接无误,蝶阀安装完毕后不得再焊接法兰,以免烫伤橡胶件。
10、装好的管道法兰要进行对中,并与放入的蝶阀进行对中。
11、装上所有的法兰螺栓,并用手拧紧,将确认蝶阀与法兰已然对中,然后小心的启闭蝶阀,确保启闭灵活。
12、将阀门完全开启,用扳手按照对角线次序将螺栓拧紧,无需垫圈,切勿将螺栓拧的过紧,以防造成阀圈的严重变形,启闭扭矩过大。

订货须知:
一、产品名称与型号口径是否带附件以便我们的为您正确选型使用压力使用介质的温度。
二、若已经由设计单位选定公司的放料阀型号,请型号直接向我司销售部订购。
三、当使用的场合非常重要或环境比较复杂时,请您尽量提供设计图纸和详细参数,由我们的阀门公司专家为您审核把关。如有疑问:请:我们一定会尽心尽力为您提供优质的服务。
-
联系方式
- 联系人:申弘阀门
- 电 话:021-59260058
- 手 机:15901754341
- 传 真:86-021-31662735
- 邮 箱:494522509@qq.com
- 邮 编:201718
- 地 址:上海市青浦区金泽工业园区
- 网 址: https://bengye.cn.goepe.com/
http://www.021-fm.com
-
产品搜索





