-
申弘带定位器智能调节型气动全衬氟对夹式蝶阀D671F46
详细信息| 询价留言D671F46带定位器智能调节型气动全衬氟对夹式蝶阀概述
D671F46型气动对夹衬四氟蝶阀的型号变种有D671F型密封衬四氟、D671F4型全衬四氟、D671F46全衬聚全氟乙丙烯三种。该气动蝶阀是由中线衬氟蝶阀、气动执行机构、定位器、限位开关、电磁阀、过滤减压阀等元件组合而成的成套自动控制阀门。D671F气动衬氟蝶阀的壳体与阀板可选:灰铸铁、球墨铸铁、碳钢、不锈钢四种材料;内衬材料可选:F4、F46、PFA等含氟材料。

D671F46气动衬氟蝶阀作用
适用于温度≤150℃的各种强腐蚀、弱腐蚀或洁净度有一定要求工况,在食品、医药、化工、石油、电力、轻纺、造纸等给排水、气体管道上作调节流量和截流介质的作用。气动衬氟蝶阀采用带有球形密封表面的衬聚四氟乙烯包衬蝶板,该阀门操作轻便,严密的密封性能,超长的使用寿命;可作快速切断或调节流量之用。适用于要求可靠密封和良好调节特性的场合。阀体采用分体式,阀轴两端的密封由蝶板与阀座 之间的旋转基面加氟橡胶来控制;保证阀轴不与腔内流体介质接触。广泛适用于各种不同类型工业管道中液体和气体(包括蒸 气)的输送,有严重腐蚀性介质的使用场合,如:硫酸、氢氟酸、磷酸、强碱等具有强腐蚀性的介质。
D671F46带定位器智能调节型气动全衬氟对夹式蝶阀结构特点
1、设计新颖、合理、结构独特,重量轻,启闭迅速。
2、操力矩小,操作方便,省力灵巧。
3、可以任何位置安装,维修方便。
4、密封件可以更换,密封性能可靠达到双向密封零泄漏。
5、密封材料耐老化、耐腐蚀,使用寿命长等特点。D671F46带定位器智能调节型气动全衬氟对夹式蝶阀采用标准
设计标准:GB/T2238-1989
法兰连接尺寸:GB/T9113.1-2000;GB/T9115.1-2000;JB78
结构长度:GB/T12221-1989
压力试验:GB/T13927-1992;JB/T9092-1999D671F46带定位器气动衬氟蝶阀执行机构采用新型系列GT型气动执行器,有双作用式和单作用式(弹簧复位),齿轮传动,安全可靠;大口径阀门采用系列AW型气动执行器拔叉式传动,结构合理,输出扭矩大,有双作用式和单作用式。

气动不锈钢衬氟蝶阀 气动四氟软密封中线蝶阀所配套气动执行器及气动附件功能和用途(可选):
1,双作用执行器:控制阀门的开启和关闭。
2,单作用执行器(弹簧复位):在电路、气路切断或者有故障时,自动关闭阀门。
3,单控电磁阀:供电时阀门打开或者关闭,断电时阀门关闭或者打开(可提供防爆型)。
4,双控电磁阀:一个线圈通电时阀门打开,另一个线圈通电时候阀门关闭,有记忆功能(可提供防爆型)。
5 限位开关回信器:远距离传送阀门开和关位置信号(可提供防爆型)。
6,电气定位器:根据电流信号(4-20mA)的大小对阀门的介质流量调节控制(可提供防爆型)。
7,气动定位器:根据气压信号(标准0.02-0.1MPa)的大小对阀门的介质流量调节控制。
8,电气转换器:将电流信号转换成气压信号,与气动定位器配套使用(可提供防爆型)。
9,气源处理三联件:包括空气减压阀、过滤器、油雾器、对气源稳定、清洁、运动部件起润滑作用。
10,手动操作:自动控制在不正常情况下可以手动操作阀门的启闭。
D671F气动不锈钢衬氟蝶阀 气动四氟软密封中线蝶阀主要参数:
阀门型号:D671X/F/N,D641X/F/N等。
主体材质: 铸铁,球墨铸铁,铸钢/碳钢WCB,不锈钢CF8等。
蝶板材质:球墨阀板,304阀板,尼龙板,衬胶板,衬氟板,2507阀板,1.4529阀板,C276阀板等
阀座密封:橡胶,三元乙丙,尼龙,F4/F46氟塑料等
尺寸范围: DN40-DN800(11/2";-32";)。
压力范围: PN10/PN16/150LB。
适用温度:-29℃≤t≤150℃。
适用介质:水、油品及腐蚀性介质等。
设计标准:国标GB,美标ANSI等

驱动
压缩空气5~7bar(可带手轮)
公称通经
50~600mm
公称压力
1.0~1.6MPa
适用温度
PTFE:-30~+150℃
PA:-30~+100℃
连接方式
对夹
阀结构
A型、LT型
阀体材质
304、316、碳钢、铸铁
阀板材质
304、316、碳钢、铸铁
阀座/衬里
PTFE(F4)、FEP(F46)
适用介质
强酸、强碱、强氧化剂等
可选附件
限位开关、定位器、电磁阀、减压阀
D671F46带定位器智能调节型气动全衬氟对夹式蝶阀气动执行器
1、齿轮式双活塞,输出力矩大,体积小。
2、气缸选用铝金材料,重量轻、外形美观。
3、可在顶部、底部安装手动操作机构。
4、齿条式连接可调节开启角度、额定流量。
5、执行器可选带电讯号反馈指示及各类附件以实现自动化操作。
6、IS05211标准连接为产品的安装更换提供了方便。
7、两端调的节螺钉可使标准产品在0°和90°有±4°的可调范围。确保与阀门的同步精度。同类产品还有气动软密封蝶阀,电动软密封蝶阀,气动衬氟蝶阀,电动衬氟蝶阀。
D671F46带定位器智能调节型气动全衬氟对夹式蝶阀附件的选项
根据不同控制和要求可选择下列附件:
切断型附件:单电控电磁阀、双电控电磁阀、限位开关回讯器。
调节型附件:电气定位器、气动定位器、电气转换器。
气源处理附件:空气过滤减压阀、气源处理三联件。
手动机构:HVSD手操机构回讯器:也叫限位开关(APL310),远程反馈开关信号(防爆APL410)
电磁阀:双作用选二位五通、单作用选二位三通(防爆) PLVD5/2
三联件:可对气源稳压、过滤、气缸加润滑油 YT-200
手轮机构:转动手轮机构,可实现手动开、关阀
电气定位器:输入4~20mA信号,实现阀门调节功能
备注: 气缸参数请另参考所选配的气动执行器资料
本体和开度传感器可以分离安装,已安装维护,抗震性能强,可在高温场合使用。
产品外部装有液晶屏(LCD),因此可以在现场直接确认定位器的状态。
通过HART通讯,可以获得阀门和定位器的各种情报。
可添加阀位输出模块,反馈阀门的开度。
可任意设定线性,快开,等百分比等流量特性。

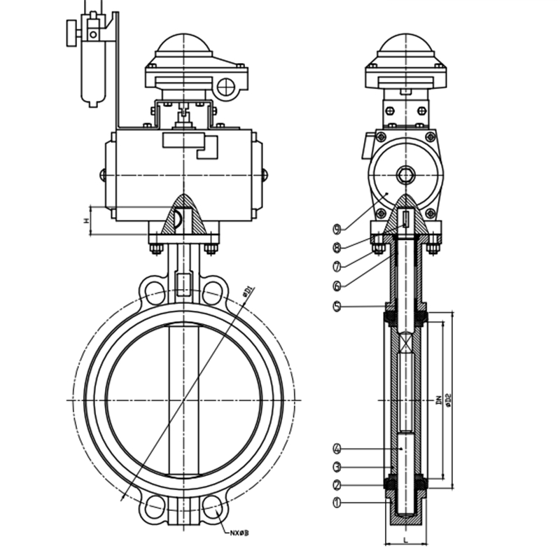
D671F46带定位器智能调节型气动全衬氟对夹式蝶阀主要技术参数
零件名称 材料 阀体
球墨铸钢、铸钢、合金钢、不锈钢
蝶板
灰铸铁、球墨铸钢、铸钢、不锈钢及特殊材料
密封圈
各种橡胶、聚四氟
阀杆
2Cr13、不锈钢
填料
O型圈、柔性石墨O
D671F46气动衬氟蝶阀密封材料的选用
材料品种 氯丁橡胶 丁晴橡胶 乙丙橡胶 聚四氟乙烯 硅橡胶 氟橡胶 天然橡胶 尼 英语简称 CR
NBR
EPDM
PTFE
SI
VITON
NR
PA
型号代号 X或J
XA或JA
XB或JB
F或XC、JC
XD或JD
XE或JE
X1
N
耐*高温度 82℃
93℃
150℃
232℃
250℃
204℃
85℃
93℃
耐*低温度 -40℃
-40℃
-40℃
-268℃
-70℃
-23℃
-20℃
-73℃
工作温度 0~+80℃
-20~+82℃
-40~+125℃
-30~+150℃
-70~+150℃
-23~+150℃
-20~+85℃
-30~+93℃
D671F46带定位器智能调节型气动全衬氟对夹式蝶阀主要外形尺寸与连接尺寸( mm )
公称通径
标准值
参考值
DN (mm)
NPS (inch)
L
D
D1
D2
f
b
Z-φd
D0
H
W(kg)
ANSI 150Lb
50
2
43
152
120.5
92
2
16
4-φ19
200
150
5
65
21/2
46
178
139.5
105
2
18
4-φ19
250
160
7
80
3
46
190
152.5
127
2
19
4-φ19
250
170
10
100
4
52
229
190.5
157
2
24
8-φ19
300
185
14
125
5
56
254
216
186
2
24
8-22
300
210
22
150
6
56
279
241.5
216
2
26
8-φ22
200
230
32
200
8
64
343
298.5
270
2
29
8-φ22
240
285
66
250
10
71
406
362
324
2
31
12-φ25
240
325
80
300
12
81
483
432
381
2
32
12-φ25
280
360
94
350
14
92
533
476
413
2
35
12-φ29
280
430
125
400
16
102
597
540
470
2
37
16-φ29
320
475
150
450
18
114
635
578
533
2
40
16-φ32
320
525
172
500
20
127
699
635
584
2
43
20-φ23
360
565
225
600
24
154
813
749.5
692
2
48
20-φ25
360
630
290
750
30
165
887
846
813
2
45
44-φ23
400
675
330
900
36
200
1057
1009.7
972
2
53
44-φ26
400
805
405
1050
42
251
1226
1171.4
1130
2
59
48-φ29
500
995
480
1200
48
276
1392
1335
1289
2
65
44-φ32
500
1170
695
5.1阀门应存放在干燥,通风的室内,阀门通道两端应堵塞。
5.2长期存放的阀门应定期检查,清除污物。应特别注意密封面的清洁,防密封面的损坏。
5.3安装前应仔细核对阀门标志是否与使用要求相符。
5.4安装前应检查阀门通道和密封面,如有污垢,应使用清洁布擦拭干净。
5.5安装前检查填料是否压紧,应确保填料的密封性,同时不应妨碍阀杆的转动。
5.6安装后系统或管路试压时,阀门必须处于全开位置。
5.7使用中应将球体全开或关闭,不应将球体部分开启做调节流量用。
5.8手动阀门在开启或关闭操作时,应使用手柄开、关,不得借用辅助杠杆或其它工具。
5.9阀门使用应定期检查,检查密封面有无磨损及垫片填料。若损坏失效,应及时修理或更换。
5.10电动、气动阀门的传动装置,其保管、保养、安装和使用,请见“阀门气动装置使用说明书”。
结构比较短小,占用空间小,安装的时候先用对夹式蝶阀专用法兰将其固定,然后将固定好的对夹式法兰放入管道两端法兰中间,用螺栓穿过对夹式蝶阀专用法兰和管道法兰将其固定。
D671F46带定位器智能调节型气动全衬氟对夹式蝶阀具体安装步骤流程如下:
1、将对夹式蝶阀放置于预安装的两片对夹蝶阀专用法兰之间,注意将法兰螺栓孔与蝶阀阀体圆孔对齐。
2、将螺栓和螺母插入法兰孔将阀体与法兰连接,校正一下法里面的平整度,但注意不要把螺栓螺母拧的过紧。
3、将法兰焊接在管道上,这一步要采用点焊的方式。
4、先把对夹式蝶阀取下移出。
5、再将两片法兰完全焊在管道上,完成固定。
6、等法兰与管道的焊接处冷却之后,再讲对夹式蝶阀安装进去。此时注意要将蝶板打开一些。
7、再一次对蝶阀的安装位置做一个校正,拧紧螺栓,但要注意不要拧的过紧。
8、将蝶阀蝶板完全打开,保证蝶阀的蝶板可以自由启闭,能自由开闭。
9、再一次将螺栓交叉,均衡的拧紧;
10、以上步骤完成,再一次对蝶阀的启闭做一个测试,确保阀门可以自由的开关。
法兰式蝶阀安装方法
法兰蝶阀自带法兰,安装时候无需再专门配备法兰片,直接将阀体上的法兰与管道法兰用螺栓连接起来即可。但法兰蝶阀安装时要注意几点:
1.在安装时,蝶阀阀体法兰与管道上法兰之间的端面要平行,不能出现歪斜的情况,否则可能会因为螺栓拧不紧造成法兰连接处泄漏。
2.法兰蝶阀在管道上安装时候要在管道两端法兰与阀体法兰之间加入垫片,但不能用双垫片。
3.紧螺栓时要对称进行,两端法兰连接各个螺栓拧紧力要均匀且一致。
4.在安装时,要先安装蝶阀上定位孔的螺栓,将蝶阀位置对中固定,另外,在紧固法兰螺栓时,要对称交替拧紧,不要依次单独紧固螺栓。
相比对夹蝶阀,法兰蝶阀的密封性能更好,更适合做大口径阀门。但是使用成本和价格也会更高。法兰蝶阀的结构更长,占用的管道安装空间更大。
法兰蝶阀安装方法:
1、法兰蝶阀安装前检查气动蝶阀各部分部件无缺失,型号无误,检查阀体内无杂物,电磁阀和消音器内无阻塞。
2、将阀门和汽缸均置于关闭状态。
3、将汽缸撞到阀门上,(安装方向与阀体平行或垂直都可以),再看螺丝孔是否对正,不会有太大偏差,如有少许偏差,将气缸体转动一点就可以了,然后将螺丝紧固。
4、安装完毕后,对气动蝶阀进行调试(正常情况下供气压力为0.4~0.6MPa),调试运行时须手动操作电磁阀启闭(将电磁阀线圈失电后手动操作方可有效),观察气动蝶阀的启闭情况。如果在调试运行过程中发现阀门在启闭过程初始时有些吃力,之后正常,则需要将气缸行程调小(把气缸两端行程调节螺丝同时往里调一点,调整时需将阀门运行到开位置,然后将气源关掉再调),直至阀门启闭动作顺滑且关闭无泄漏。还需要注意的是,可调型消音器可以调节阀门的启闭速度,但不可调得过小,否则可能引起阀门不动作。
5、得发在安装前应保持干燥,不可露天存放。
6、安装蝶阀前要检查管道,确保管道内无焊渣等异物。
7、蝶阀阀体手动启闭阻力适中,蝶阀扭矩与所选执行器扭矩匹配。
8、蝶阀连接用法兰规格正确,管道对夹法兰与蝶阀法兰标准相符。建议使用蝶阀专用法兰,不得使用平焊法兰。
9、确认法兰焊接无误,蝶阀安装完毕后不得再焊接法兰,以免烫伤橡胶件。
10、装好的管道法兰要进行对中,并与放入的蝶阀进行对中。
11、装上所有的法兰螺栓,并用手拧紧,将确认蝶阀与法兰已然对中,然后小心的启闭蝶阀,确保启闭灵活。
12、将阀门完全开启,用扳手按照对角线次序将螺栓拧紧,无需垫圈,切勿将螺栓拧的过紧,以防造成阀圈的严重变形,启闭扭矩过大。

订货须知:
一、产品名称与型号口径是否带附件以便我们的为您正确选型使用压力使用介质的温度。
二、若已经由设计单位选定公司的放料阀型号,请型号直接向我司销售部订购。
三、当使用的场合非常重要或环境比较复杂时,请您尽量提供设计图纸和详细参数,由我们的阀门公司专家为您审核把关。如有疑问:请:我们一定会尽心尽力为您提供优质的服务。 -
联系方式
- 联系人:申弘阀门
- 电 话:021-59260058
- 手 机:15901754341
- 传 真:86-021-31662735
- 邮 箱:494522509@qq.com
- 邮 编:201718
- 地 址:上海市青浦区金泽工业园区
- 网 址: https://bengye.cn.goepe.com/
http://www.021-fm.com
-
产品搜索






