-
申弘定位器控制气动蝶阀D641X
详细信息| 询价留言气动法兰式软密封蝶阀 气动法兰式衬胶蝶阀 电动法兰式软密封蝶阀 法兰式软密封蝶阀
一、D641X带定位器智能调节型气动衬胶法兰式蝶阀概述
气动法兰式软密封蝶阀由橡胶密封蝶阀和碳钢或不锈钢阀板、阀杆构成。适用于温度≤120℃如轻纺、造纸、食品、医药、化工、石油、电力、等给排水、气体管道上作调节流量和截流介质的作用.气动蝶阀是由气动蝶阀和定位器组成,阀门定位器是气动蝶阀的主要附件,与气动蝶阀配套使用。阀门定位器是一个起比例放大作用的调节器。阀门定位器和调节阀组成一个阀门行程调节系统。这个系统的主要组成部分是一个气容元件和一个滞后元件。阀门定位器按其结构形式和工作原理,可以分为气动阀门定位器、电气阀门定位器及智能式阀门定位器。
随着我国基本建设的发展,国家大型项目投入建设实施,使电力、石油、化工、城市供、排水系统等阀门的数量越来越多,尤其是蝶阀的用量很大。我国生产金属硬密封蝶阀,从密封结构上可分为二大类,一是弹性硬密封结构,二是多层次硬密封蝶阀。弹性硬密封蝶阀生产口径一般在 DN500 以下,大口径多采用的是多层次结构。DN500 以下的蝶阀用量*大,所以用户在使用时遇到的问题也就多,在此,就常出现的问题归纳总结,并指导正确安装和使用

其中,气动阀门定位器接受气动调节器的输出信号,然后产生和调节器输出信号成比例的气压信号,用以控制气动调节阀。按工作原理,分为位移平衡式和力矩平衡式。电气阀门定位器输出信号为DC4-20mA的直流电信号,控制执行机构动作。它能够起到电器转换器和气动阀门定位器的作用。同事根据执行机构的位移行程进行反馈,使阀门的位置能够按调节器输出的控制型号进行正确定位。气动蝶阀用的就是这种。电气阀门定位器。执行机构位置的给定值与实际值的比较是在微处理器的中进行的。微处理器根据控制极限偏差,输出一个电控命令给压电阀。压电阀把这一指令转换为气动定位增量。如果控制极限偏差很大,则压电阀输出连续信号,如果极限偏差很小,则没有定位脉冲输出,如果极限偏差大小适中,则输出脉冲序列。同类产品还有电动法兰式软密封蝶阀。
D641X带定位器智能调节型气动衬胶法兰式蝶阀其主要特点为:
1、设计新颖、合理、结构独特,重量轻,启闭迅速。
2、操力矩小,操作方便,省力灵巧。
3、可以任何位置安装,维修方便。
4、密封件可以更换,密封性能可靠达到双向密封零泄漏。
5、密封材料耐老化、耐腐蚀,使用寿命长等特点。D641X带定位器智能调节型气动衬胶法兰式蝶阀采用标准
☆设计标准:GB/T2238-1989
☆法兰连接尺寸:GB/T9113.1-2000;GB/T9115.1-2000;JB78
☆结构长度:GB/T12221-1989
☆压力试验:GB/T13927-1992;JB/T9092-1999

D641X带定位器智能调节型气动衬胶法兰式蝶阀执行机构
采用新型系列GT型气动执行器,有双作用式和单作用式(弹簧复位),齿轮传动,安全可靠;大口径阀门采用系列AW型气动执行器拔叉式传动,结构合理,输出扭矩大,有双作用式和单作用式。1、齿轮式双活塞,输出力矩大,体积小。
2、气缸选用铝金材料,重量轻、外形美观。
3、可在顶部、底部安装手动操作机构。
4、齿条式连接可调节开启角度、额定流量。
5、执行器可选带电讯号反馈指示及各类附件以实现自动化操作。
6、IS05211标准连接为产品的安装更换提供了方便。
7、两端调的节螺钉可使标准产品在0°和90°有±4°的可调范围。确保与阀门的同步精度。
四、D641X气动带定位器衬胶蝶阀附件的选项
根据不同控制和要求可选择下列附件:
☆切断型附件:单电控电磁阀、双电控电磁阀、限位开关回讯器。
☆调节型附件:电气定位器、气动定位器、电气转换器。
☆气源处理附件:空气过滤减压阀、气源处理三联件。
☆手动机构:HVSD手操机构

五、D641X带定位器智能调节型气动衬胶法兰式蝶阀主要技术参数
公称通径
DN(mm)
50~1200
公称压力
PN(MPa)
0.6
1.0
1.6
试验压力
强度试验
0.9
1.5
2.4
密封试验
0.66
1.1
1.76
气密封试验
0.6
0.6
0.6
适用介质
空气、水、污水、蒸气、煤气、油品等。
驱动形式
手动、蜗杆蜗轮传动、气传动、电传动。
六、D641X气动带定位器衬胶蝶阀主要零件的材质零件名称
材料
阀体
球墨铸钢、铸钢、合金钢、不锈钢
蝶板
灰铸铁、球墨铸钢、铸钢、不锈钢及特殊材料
密封圈
各种橡胶、聚四氟
阀杆
2Cr13、不锈钢
填料
O型圈、柔性石墨O
七、D641X气动带定位器衬胶蝶阀密封材料选用和适用温度
材料品种
氯丁橡胶
丁晴橡胶
乙丙橡胶
聚四氟乙烯
硅橡胶
氟橡胶
天然橡胶
尼龙
英语简称
CR
NBR
EPDM
PTFE
SI
VITON
NR
PA
型号代号
X或J
XA或JA
XB或JB
F或XC、JC
XD或JD
XE或JE
X1
N
耐*高温度
82℃
93℃
150℃
232℃
250℃
204℃
85℃
93℃
耐温度
-40℃
-40℃
-40℃
-268℃
-70℃
-23℃
-20℃
-73℃
适用工作温度
0~+80℃
-20~+82℃
-40~+125℃
-30~+150℃
-70~+150℃
-23~+150℃
-20~+85℃
-30~+93℃
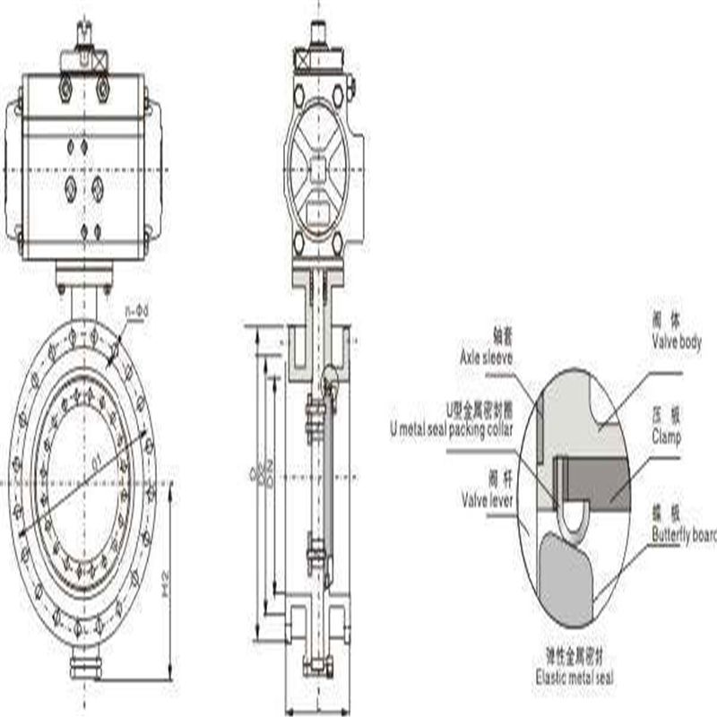
八、D641X气动带定位器衬胶蝶阀外形图片
九,D641X带定位器智能调节型气动衬胶法兰式蝶阀主要外形连接尺寸
DN 主要外形连接尺寸 法兰尺寸和螺栓孔尺寸 L H H0 A B 0.6MPa 1.0MPa 1.6MPa D D1 D2 n-d D D1 D2 n-d D D1 D2 n-d 50 108 82.5 338 180 65 140 110 88 4-14 185 125 99 4-18 165 125 99 4-18 65 112 92.5 358 180 65 160 130 108 4-14 185 145 118 4-18 185 145 118 4-18 80 114 100 413 245 72 190 150 124 4-18 200 160 132 8-18 200 160 132 8-18 100 127 110 428 240 72 210 170 144 4-18 220 180 156 8-18 220 180 156 8-18 125 140 125 444 240 72 240 20 174 8-18 250 210 184 8-18 250 210 184 8-18 150 140 142.5 553 350 93 265 225 199 8-18 285 240 211 8-22 285 240 211 8-22 200 152 170 678 350 93 320 280 254 8-18 340 295 266 8-22 340 295 266 12-22 250 165 192.5 742 550 350 375 335 309 12-18 395 350 319 12-22 405 355 319 12-26 300 178 222.5 803 600 350 440 395 363 12-22 445 400 370 12-22 460 410 370 12-26 350 190 252.5 866 600 350 490 445 413 12-22 505 460 429 16-22 520 470 429 16-26 400 216 282.5 940 600 350 540 495 463 16-22 565 515 480 16-26 580 525 480 16-30 450 222 307.5 995 750 380 595 550 518 16-22 615 565 530 20-26 640 585 548 20-30 500 229 335 1058 750 380 645 600 568 20-22 670 620 582 20-26 715 650 609 20-33 600 267 390 1163 750 380 755 705 667 20-26 780 725 682 20-30 840 770 720 20-36 700 292 447.5 1283 750 380 860 810 772 24-26 895 840 794 24-30 910 840 794 24-36 800 318 507.5 1398 750 380 975 920 878 24-30 1015 950 901 24-33 1025 950 901 24-39 900 330 557.5 1498 1250 380 1075 1020 978 24-30 1115 1050 1001 28-33 1125 1050 1001 28-39 1000 410 615 1608 1500 580 1175 1120 1078 28-30 1230 1160 1112 28-36 1255 1170 1112 28-42 1200 470 727.5 1876 1500 580 1405 1340 1295 32-33 1455 1380 1328 32-39 1485 1390 1328 32- 十,D641X气动带定位器衬胶蝶阀保养
1、气动蝶阀在使用过程中,应经常保持清洁,传动螺纹必须定期润滑,发现故障时,应立即停止使用,查明原因清除故障。
2、填料压盖的螺栓应均匀地拧紧,不应压成歪状态,以免碰伤阻碍阀杆运动或造成泄漏。
3、安装时,可将阀门按连接方式直接装置在管路上。一般情况下,可安装在管路任意位置上,但需便于操作的检修,注意截止阀介质流向应是纵阀瓣下面往上流,升降式止回阀只能水平安装。
4、气动蝶阀使用时,只作全开或全闭,不允许做调节流量用,以免密封面受冲蚀,加速磨损。闸阀和上螺纹截止阀内有倒密封装置,手轮旋至*上位置拧紧,即可阻止介质从填料处泄漏。
5、气动蝶阀开、关时应用手轮,请勿借助杠杆或其它工具,以免损坏阀件。手轮顺时针旋转为关闭,反之为开启。
6、安装前,必须仔细核对本阀标志的压力,通径是否符合使用要求,消除运输过程所造成的缺陷,并消除阀件的污垢。
7、长期存放的阀门,应作定期检查,对外露的加工表面须保持清洁,清除污垢,存放时球阀应两端堵塞并处于开启状态,气动蝶阀,通道的两端应堵塞并处于关闭状态,整齐地存放在室内通风干燥的地方,严禁堆置或露天存放。
订货须知:
一、①D641X气动法兰式软密封蝶阀产品名称与型号②口径③是否带附件以便我们的为您正确选型④使用压力⑤使用介质的温度。
二、若已经由设计单位选定公司的气动法兰式衬胶蝶阀型号,请型号直接向我司销售部订购。三、当使用的场合非常重要或环境比较复杂时,请您尽量提供设计图纸和详细参数,由我们的阀门公司专家为您审核把关。产品所属蝶阀选型,感谢您访问我们申弘阀门的网站如有任何疑问.您可以致电给我们,我们一定会尽心尽力为您提供优质的服务。如需要了解更多其它减压阀类产品的信息可以点击减压阀查看。
-
联系方式
- 联系人:申弘阀门
- 电 话:021-59260058
- 手 机:15901754341
- 传 真:86-021-31662735
- 邮 箱:494522509@qq.com
- 邮 编:201718
- 地 址:上海市青浦区金泽工业园区
- 网 址: https://bengye.cn.goepe.com/
http://www.021-fm.com
-
产品搜索








