-
SH铬钼钢球阀WC6
详细信息| 询价留言WC6铬钼钢球阀产品说明
高温度能耐到590°硬度系数是60-65°铬钼钢高温球阀的结构设计为双座单面密封硬密封球阀。密封材质为硬质合金。本厂采用单面密封的结构:一面用石墨密封,另一面采用弹簧把阀座和球向对面顶,这样设计使该阀门启闭力轻,而且密封性能也很好。所以该产品的好处有:耐磨,耐高温,开关轻,使用寿命长。WC6高温硬密封球阀是一种耐高温,耐磨的高温球阀。密封材质选用硬质合金,球面是喷焊的。这样的硬度系数比较高。阀座与阀体之间用石墨密封,所以温度能耐到590°。WC6铬钼钢高温球阀的好处是:密封性能好,耐高温,耐磨,启闭轻松,使用寿命长。

WC6铬钼钢球阀结构优点:
1.流体阻力小,全通径的球阀基本没有流阻。
2.结构简单、体积小、重量轻。
3.紧密可靠。它有两个密封面,而且目前球阀的密封面材料广泛使用各种塑料,密封性好,能实现完全密封。在真空系统中也已广泛使用。
4.操作方便,开闭迅速,从全开到全关只要旋转90°,便于远距离的控制。
5.维修方便,球阀结构简单,密封圈一般都是活动的,拆卸更换都比较方便。
6.在全开或全闭时,球体和阀座的密封面与介质隔离,介质通过时,不会引起阀门密封面的侵蚀。
7.适用范围广,通径从小到几毫米,大到几米,从高真空*压力都可应用。
8.由于球阀在启闭过程中有擦拭性,所以可用于带悬浮固体颗粒的介质中

WC6铬钼钢球阀零部件材质表:
主要零件
阀体
A105
LF2
F304
F304L
F316
F316L
F51
球体、阀杆
420
LF2
F304
F304L
F316
F316L
F51
密封圈
特种硬化材料
填料、垫圈
柔性石墨环柔性石墨缠绕垫
适用工况
适用介质
高温的或含有颗粒等介质
适用温度
-28-400℃-28-500℃
应用规范
设计制造接
GB12237-89API6DJPI7S-48
法兰迟寸接
JB79-59、GB9113、HG20592-97ANSI B16.5JIS B2212-2214
结构长度接
GB12221-89ANSI B16.10JIS B2002
检验试验接
GB/T13927-89JB/T9092-99API598API598
法兰技术规范
设计依据
国标系列
美标系列
设计标准
GB/T12237
AP16D
ANSIB16.34
法兰连接结构长度
GB/T12221
AP16D
ANSIB16.10
结构长度(焊接)
GB/T15188.1
AP16D
ANSIB16.10
连接法兰
GB/T9113
JB/T79
Hg20592ANSIB16.5、B16.47
对焊端
GB/T12224
ASNIB16.25
试验和检验
GB/T9092
AP16D
AP1598
法兰试验压力
压力等级
试验压力(MPa)
公称压力(PN)
磅级(Class)
壳体试验
密封试验
1.0
-
1.5
1.1
1.6
-
2.5
1.76
2.5
-
3.8
2.75
4.0
-
6.0
4.4
6.4
-
9.6
7.04
-
15
3.0
2.2
-
300
7.6
5.6
-
600
15.0
11.0
-
10K
2.4
1.5
-
20K
5.8
4.0
公称通径DN
15
20
25
32
40
50
65
80
100
125
150
200
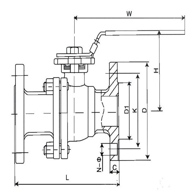
L
130
140
150
165
180
200
220
250
280
320
360
400
H
59
63
75
85
95
107
140
152
178
252
272
342
W
130
130
160
180
230
230
400
400
650
1050
1050
1410
Wt(┧)
2.5
3
5
6
7
10
15
19
33
58
93
160
☆PN2.5MPa法兰球阀连接尺寸及重量
公称通径DN
15
20
25
32
40
50
65
80
100
125
150
200
L
130
140
150
165
180
200
220
250
320
400
400
550
H
59
63
75
97
107
142
152
178
252
272
342
345
W
130
130
160
230
230
400
400
700
1100
1100
1500
1500
Wt(Kg)
PN4.0MP法兰球阀主要连接尺寸及重量
公称通径DN
15
20
25
32
40
50
65
80
100
125
150
200
L
130
140
150
180
200
220
250
280
320
400
400
550
H
59
63
75
97
107
142
152
178
252
272
342
345
W
130
130
160
230
230
400
400
700
1000
1100
1500
1800
Wt(Kg)
PN6.4MPa法兰球阀主要连接尺寸及重量
公称通径DN
15
20
25
32
40
50
65
80
100
125
150
200
L
165
190
216
229
241
292
330
356
432
408
559
660
H
59
63
75
97
107
142
152
178
252
272
305
398
W
130
130
160
230
230
400
400
700
1000
1100
1500
1800
Wt(Kg)

将阀体在两阀座部位沿与阀门通道轴线相垂直的截面分为三部分,整台阀门沿阀杆中心轴左右对称,高温锻钢球阀在管道上主要用于切断、分配和改变介质流动方向。它的大枢轴结构保证在高压下准确的球体中心位置,保证了阀门良好的操作性能。

WC6铬钼钢球阀安装方式
a:取掉法兰端两边的保护盖,在阀完全打开的状态下进行冲洗清洁。
b:安装前应按规定的信号(电动或气动)进行整机测试(防止因运输产生振动影响使用性能),合格后方可上线安装(接线按电动执行机构线路图)。
C:准备与管道连接前,须冲洗和清除干净管道中残存的杂质(这些物质可能会损坏阀座和球)。
d:在安装期间,请不要用阀的执行机构部分作为起重的吊装点,以避免损坏执行机构及附件。
e:本类阀应安装在管道的水平方向或垂直方向。
f:安装点附近的管道不可有低垂或者承受外力的现象,可以用管道支架或者支撑物来消除管线的偏离。
g:与管道连接后,请用规定的扭矩交叉锁紧法兰连接螺栓。

订货须知:
一、①产品名称与型号②口径③是否带附件以便我们的为您正确选型④使用压力⑤使用介质的温度。
二、若已经由设计单位选定公司的型号,请型号直接向我司销售部订购。三、当使用的场合非常重要或环境比较复杂时,请您尽量提供设计图纸和详细参数,由我们的阀门公司专家为您审核把关。产品所属球阀选型,感谢您访问我们申弘阀门的网站如有任何疑问.您可以致电给我们,我们一定会尽心尽力为您提供优质的服务。如需要了解更多其它阀类产品的信息可以点击减压阀查看。
-
联系方式
- 联系人:申弘阀门
- 电 话:021-59260058
- 手 机:15901754341
- 传 真:86-021-31662735
- 邮 箱:494522509@qq.com
- 邮 编:201718
- 地 址:上海市青浦区金泽工业园区
- 网 址: https://bengye.cn.goepe.com/
http://www.021-fm.com
-
产品搜索






