-
申弘中小型水电站组合式减压阀ZJY46T
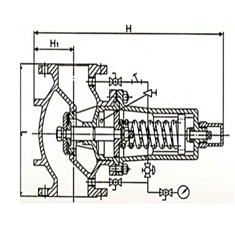
详细信息| 询价留言ZJY46T中小型水电站组合式减压阀 产品说明
该阀主要由主阀、控制导阀、过滤器、针阀、球阀及旁通管道节流部位等组成。适用于温度小于80℃的水及非腐蚀性液体(汽油、煤油)和气体等需要降低到一定范围的设备和管路系统上,通过调节将进口压力降低至某一需要的出口压力值。上海申弘阀门有限公司主营阀门有:减压阀(气体减压阀,可调式减压阀,水用减压阀,蒸汽减压阀当进口压力或流量发生变化时,靠介质本身的能量可自动保持出口压力在一定的范围内。上海申弘阀门有限公司主营阀门有:减压阀(组合式减压阀,可调式减压阀,自力式减压阀
减压阀是一种将出口压力调节到低于进口压力的控制阀。用于减低系统中某一分支液压油路的压力,以满足液压设备执行元件的需要,常见于各种液压控制系统、夹紧系统、辅助系统及润滑系统中。

减压阀按调节要求的不同,减压阀分为定值减压阀、定比减压阀和定差减压阀。定压减压阀用于控制出口压力为定值,使液压系统中某一部分得到较供油压力低的稳定压力;定比减压阀用来控制它的进、出口压力保持调定不变的比例;定差减压阀则用来控制进、出口压力差为定值。

ZJY46T中小型水电站组合式减压阀的基本性能
(1) 减压阀调压范围:它是指减压阀输出压力P2的可调范围,在此范围内要求达到规定的精度。调压范围主要与调压弹簧的刚度有关。
(2) 减压阀压力特性:它是指流量g为定值时,因输入压力波动而引起输出压力波动的特性。输出压力波动越小,减压阀的特性越好。输出压力必须低于输入压力—定值才基本上不随输入压力变化而变化。
(3) 减压阀流量特性:它是指输入压力—定时,输出压力随输出流量g的变化而变化的持性。当流量g发生变化时,输出压力的变化越小越好。一般输出压力越低,它随输出流量的变化波动就越小。
三、 Y46T组合式减压阀的选用
根据使用要求选定减压阀的类型和调压精度,再根据所需*大输出流量选择其通径。决定阀的气源压力时,应使其大于*高输出压力0.1MPa。减压阀一般安装在分水滤气器之后,油雾器或定值器之前,并注意不要将其进、出口接反;阀不用时应把旋钮放松,以免膜片经常受压变形而影响其性能。一种利用水压进行自我调节的减压阀稳压阀,在进口压力和流量产生变化的时候保持出口的压力和流量稳定。其完全实现自力控制,调试简单,运行可当管道流量为0的时候,减压阀进入全关闭状态,阀后压力保持低压(可减静压) 如图所示:当P1变化时减压阀的出口首先表现为P2±△P2通过反馈系统出口管传到控制阀,使Pt=Pk±△P2;从而L发生相应变化,导致±△Pe的变化,经压力导管导致Pk的相应变化,Pt与Pk达到新的平衡,主阀的过流面积H相应变化,因此,P1变化,而通过H的流量不变。P2始终是原整定的低压值。当流量变化时,减压阀自我调节工作原理也如同上。
【主要技术参数】
型号 公称通径 公称压力 强度试验压力 *大进口压力 出口压力分段 SFY46T-16SFY46T-16C 65-250 1.6 2.4 1.6 0.08-0.2 0.2-0.5 0.5-1.2 300-400 0.08-0.2 0.2-0.5 0.5-1.0 SFY46T-25 65-250 2.5 3.75 2.5 0.2-0.5 05-1.2 300-400 0.2-0.5 0.5-1.0 【ZJY46T中小型水电站组合式减压阀主要零件材料】
零件名称 材质 阀体、阀盖 铸铁、碳钢、球铁 阀杆、活塞、阀瓣 不锈钢 阀座 铜 过滤器、球阀、针阀、控制导阀 弹簧 硅锰钢 密封垫 丁橡胶 公称通径DN 外 形 尺 寸 L H Hl 15 160 225 90 20 160 265 98 25 180 265 110 32 200 265 110 40 220 320 125 50 250 320 125 65 280 325 130 80 310 385 160 100 350 385 170 125 400 430 200 150 450 430 210 200 500 560 240 250 650 690 290 300 800 800 335 350 850 880 375 400 900 980 405 450 900 1100 455 500 950 1130 465 一、①产品名称与型号②口径③是否带附件以便我们的为您正确选型④的使用压力⑤的使用介质的温度。
二、若已经由设计单位选定公司的型号,请按型号直接向我司销售部订购。三、当使用的场合非常重要或环境比较复杂时,请您尽量提供设计图纸和详细参数,由我们的阀门公司专家为您审核把关。如有疑问:请:我们一定会尽心尽力为您提供优质的服务。提供全面、*的“阀门系统解决方案",也十分愿意帮助用户解决生产中所遇到的难题。
-
联系方式
- 联系人:申弘阀门
- 电 话:021-59260058
- 手 机:15901754341
- 传 真:86-021-31662735
- 邮 箱:494522509@qq.com
- 邮 编:201718
- 地 址:上海市青浦区金泽工业园区
- 网 址: https://bengye.cn.goepe.com/
http://www.021-fm.com
-
产品搜索






