-
申弘气动对夹式硬密封蝶阀D673H
详细信息| 询价留言D673H气动对夹式硬密封蝶阀说明
阀板与阀座的密封面为斜圆锥结构,在阀板斜圆锥表面堆焊耐温、耐蚀合金材料;固定在调节环压板之间的弹簧与压板上调节螺栓装配一起的结构。采用一个“U”型不锈钢密封圈,该精密的弹性密封圈与经过抛光的蝶板三维偏心接触。解决了传统偏心蝶阀在启闭0°~10°瞬间密封面仍处于滑动接触摩擦的弊病,实现蝶板在开启瞬间密封面即分离,关闭接触即密封的效果,达到延长使用寿命、密封性能*的目的。因此被广泛地应用到介质温度≤550℃的冶金、电力、石油、化工、空气、煤气、可燃气体以及给排水等腐蚀性介质的管道上,是调节流量和截断流体的装置。

控制和调节压缩空气流量的元件称为流量控制阀。改变和控制气流流动方向的元件称为方向控制阀。 除上述三类控制阀外,还有能实现一定逻辑功能的逻辑元件,包括元件内部无可动部件的射流元件和有可动部件的气动逻辑元件。在结构原理上,逻辑元件基本上和方向控制阀相同,仅仅是体积和通径较小,一般用来实现信号的逻辑运算功能。近年来,随着气动元件的小型化以及PLC控制在气动系统中的大量应用,气动逻辑元件的应用范围正在逐渐减小。
从控制方式来分,气动控制可分为断续控制和连续控制两类。在断续控制系统中,通常要用压力控制阀、流量控制阀和方向控制阀来实现程序动作;连续控制系统中,除了要用压力、流量控制阀外,还要采用伺服、比例控制阀等,以便对系统进行连续控制。D673H气动对夹式硬密封蝶阀特点
1、该蝶阀结构简单、紧凑、重量轻、易于安装和拆卸、维修方便;
2、本蝶阀采用不锈钢“U”型密封圈,具有一定的弹性无论在高温、低温的情况下,它与蝶板均具有优良的密封性;
3、本蝶阀的三维偏心距,经过严格的计算,“U”型密封圈与蝶板几乎无磨擦,使用寿命长,并具有越关越紧的功能;
4、蝶板密封面采用堆焊钴基硬质合金,密封面耐磨损,使用寿命长;
5、本蝶阀结构独特,“开关”仅需转动阀杆90°即可完成。操作灵活、方便、省力、不受介质压力的高低影响,密封性能可靠;
6、耐高温、耐低温、耐腐蚀性。

D673H气动对夹式硬密封蝶阀采用标准
☆设计标准 :GB/T12238-1989
☆法兰连接尺寸:
☆GB/T9113.1-2000;GB/T9113.2-2000
☆GB/T9115.1-2000;GB/T9115.2-2000
☆结构长度:GB/T12221-1989
☆压力试验:GB/T13927-1992;JB/T9092-1999D673H气动对夹式硬密封蝶阀执行机构
采用新型系列GT型气动执行器,有双作用式和单作用式(弹簧复位),齿轮传动,安全可靠;大口径阀门采用系列AW型气动执行器拔叉式传动,结构合理,输出扭矩大,有双作用式和单作用式。

气动蝶阀的粉料系统,还有其他需要考虑到因素,如:不能让物料从上面放到小车里时直接冲到阀门的阀板上(这种冲击力也会使阀门不能关闭严密),且物料的静压力也需不超过气动蝶阀的设计承压力,等等。控制阀与普通手动阀门的区别就在于,不能把它做为一个孤立的元件来看待,而必须把它做为整个自控系统的一部分来考虑,控制阀使用中的许多问题,并不是选型和配置的问题,而是因为用户对控制阀的认识不足致使控制阀未能与控制系统调试、配合好。只要认识到问题关键所在,对阀门正确选型,并且在系统调试阶段把控制阀调试好,一定可以大大减少故障率,使自控系统长期稳定的运行。同类产品还有气动硬密封蝶阀,手动硬密封蝶阀,电动硬密封蝶阀。1、齿轮式双活塞,输出力矩大,体积小。
2、气缸选用铝金材料,重量轻、外形美观。
3、可在顶部、底部安装手动操作机构。
4、齿条式连接可调节开启角度、额定流量。
5、执行器可选带电讯号反馈指示及各类附件以实现自动化操作。
6、IS05211标准连接为产品的安装更换提供了方便。
7、两端调的节螺钉可使标准产品在0°和90°有±4°的可调范围。确保与阀门的同步精度。
D673H气动对夹式硬密封蝶阀附件的选项
根据不同控制和要求可选择下列附件:
☆切断型附件:单电控电磁阀、双电控电磁阀、限位开关回讯器。
☆调节型附件:电气定位器、气动定位器、电气转换器。
☆气源处理附件:空气过滤减压阀、气源处理三联件。
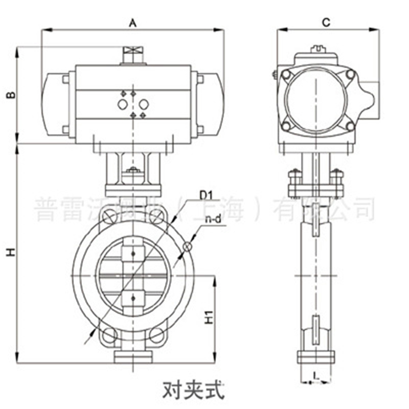
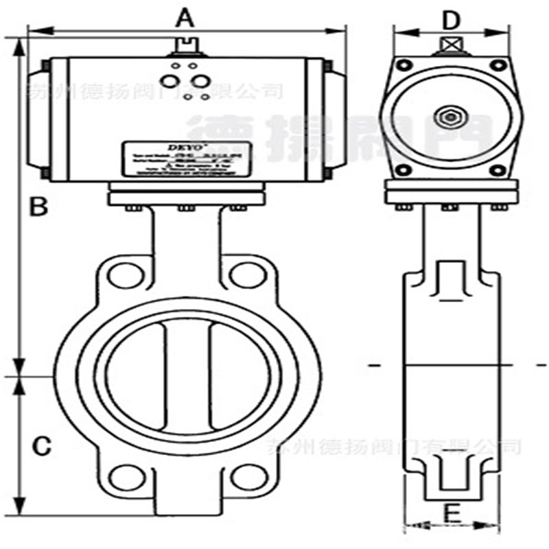
☆手动机构:HVSD手操机构五、D673H气动对夹式硬密封蝶阀主要外形连接尺寸
公称通经(DN) 主要尺寸 法兰尺寸和螺栓规格 1.0MPa 1.6MPa L H H1 D1 4-Ф-M D1 4-Ф-M 50 43 625 112 125 Ф18 125 Ф18 65 46 625 115 145 Ф18 145 Ф18 80 49 645 120 160 Ф18 160 Ф18 100 56 675 138 180 Ф18 180 Ф18 125 64 715 164 210 Ф18 210 Ф18 150 70 800 175 240 Ф23 240 Ф23 200 71 850 208 295 M20 295 M20 250 76 925 243 350 M20 355 M24 300 83 1035 283 400 M20 410 M24 350 92 1070 310 460 M20 470 M24 400 102 1190 340 515 M24 525 M27 450 114 1250 380 565 M24 585 M27 500 127 1290 410 620 M24 650 M30 600 154 1455 470 725 M27 770 M33 700 165 1585 550 840 M27 840 M33 800 190 1700 640 950 M30 950 M36 900 203 1965 710 1050 M30 1050 M36 1000 216 2015 770 1160 M33 1170 M39 1200 254 2250 890 1380 M36 1390 M45 5.1阀门应存放在干燥,通风的室内,阀门通道两端应堵塞。
5.2长期存放的阀门应定期检查,清除污物。应特别注意密封面的清洁,防密封面的损坏。
5.3安装前应仔细核对阀门标志是否与使用要求相符。
5.4安装前应检查阀门通道和密封面,如有污垢,应使用清洁布擦拭干净。
5.5安装前检查填料是否压紧,应确保填料的密封性,同时不应妨碍阀杆的转动。
5.6安装后系统或管路试压时,阀门必须处于全开位置。
5.7使用中应将阀体全开或关闭,不应将球体部分开启做调节流量用。
5.8手动阀门在开启或关闭操作时,应使用手柄开、关,不得借用辅助杠杆或其它工具。
5.9阀门使用应定期检查,检查密封面有无磨损及垫片填料。若损坏失效,应及时修理或更换。
5.10气动阀门的传动装置,其保管、保养、安装和使用,请见“阀门气动装置使用说明书”。

订货须知:
一、①产品名称与型号②口径③是否带附件以便我们的为您正确选型④的使用压力⑤的使用介质的温度。
二、若已经由设计单位选定公司的型号,请按型号直接向我司销售部订购。三、当使用的场合非常重要或环境比较复杂时,请您尽量提供设计图纸和详细参数,由我们的阀门公司专家为您审核把关。如有疑问:请:我们一定会尽心尽力为您提供优质的服务。提供全面“阀门系统解决方案",也十分愿意帮助用户解决生产中所遇到的难题。
-
联系方式
- 联系人:申弘阀门
- 电 话:021-59260058
- 手 机:15901754341
- 传 真:86-021-31662735
- 邮 箱:494522509@qq.com
- 邮 编:201718
- 地 址:上海市青浦区金泽工业园区
- 网 址: https://bengye.cn.goepe.com/
http://www.021-fm.com
-
产品搜索







