-
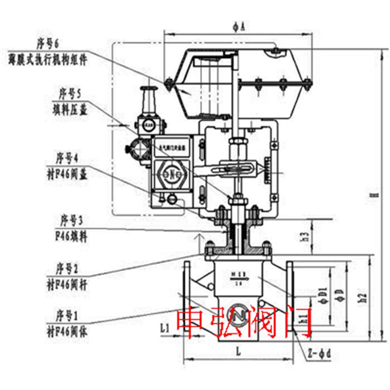
申弘带定位器气动高压截止阀J641W
详细信息| 询价留言带定位器气动高压截止阀J641W 气动高压截止阀 带定位器高压截止阀 带定位器气动截止阀
J641H带定位器调节气动截止阀简介是在气动执行器上添加了定位器、二位五通电磁阀配套使用,当需要对介质流量调节控制时,可在定位器上的4~20mA等弱电信号例中进行流量的调节。由于调节型阀门,阀杆处于中间阶段,对于流动阻力会产生影响,阀杆处在长时间浸泡介质状态对一些高压、腐蚀性流体介质时应当选择不锈钢或较好的材质,避免照成阀杆扭曲或腐蚀想象。气动阀门在气压不足时,气动就无法进行有效的开关控制,如要求较高的工程或危险系统中应当添加手动附件。

截止阀是一种常用的截断阀,主要用来接通或截断管路中的介质。截止阀适用的压力、温度范围很大、小口径的管道。气动截止阀采用双作用气缸,利用上腔进气或者下腔进气来远距离控制阀门,操作方便、灵活。气缸使用介质:压缩空气,氮气。结构简单、制造和维护方便;工作行程小,启闭时间短;关闭体(阀瓣)与阀座密封面采用锥面密封,关闭力小,耐冲刷,密封可靠。阀座可为更换式阀座,可任意组合与关闭件密封面材料的配对,以满足工况要求,延长使用寿命,控制和调节压缩空气流量的元件称为流量控制阀。改变和控制气流流动方向的元件称为方向控制阀。
除上述三类控制阀外,还有能实现一定逻辑功能的逻辑元件,包括元件内部无可动部件的射流元件和有可动部件的气动逻辑元件。在结构原理上,逻辑元件基本上和方向控制阀相同,仅仅是体积和通径较小,一般用来实现信号的逻辑运算功能。近年来,随着气动元件的小型化以及PLC控制在气动系统中的大量应用,气动逻辑元件的应用范围正在逐渐减小。 从控制方式来分,气动控制可分为断续控制和连续控制两类。在断续控制系统中,通常要用压力控制阀、流量控制阀和方向控制阀来实现程序动作;连续控制系统中,除了要用压力、流量控制阀外,还要采用伺服、比例控制阀等,以便对系统进行连续控制。

气动阀门定位器是引进国外*新技术。由我厂研制成功的新产品。其技术性能均达到国外同类产品水平。它与气动调节阀、气动球阀、气动蝶阀等配套使用,将电动调节器的直流电流信号转换成气压力,控制阀门动作,同时根据阀门的位移或转角进行反馈,从而构成闭环控制回路,用以提高阀门的控制精度。克服真料函与阀杆的摩擦力。克服介质压差对阀门不平衡力,提高阀门动作速度。可实现分程控制(段幅信号),可改变阀的作用方式,可控制非标准操作压力各类型气动执行机构。
气动截止阀工作原理:使用压缩空气作为动力源的阀门大部分采用远程控制,由主控室手动或自动触发动作指令,使进、排气电磁阀动作,向执行机构内供、排压缩空气。压缩空气作用在活塞或隔膜上,克服阀门动作的摩擦力和阀杆上的弹簧弹力,从而压下(对于失气开阀门)或提起(对于失气关阀门)阀杆,带动阀芯上下动作,使阀门打开或关闭。在阀门失气,驱动头内无压缩空气时,阀门会按照系统的要求处于全开或全关的安全位置。电厂用仪用压缩空气,供气压力一般为4~9bar,在进入到阀门之前,首先通过过滤器将压缩空气过滤、净化,然后通过减压阀减压,入口压力表的读数不超过4bar。压力调整是能通过调节安装在减压阀顶部的调节螺钉来实现的,调节前要先拧松保护盖。*为常见和应用*广泛的气动截止阀门四种类型是:手轮的失气关闭阀门、手轮的失气开启阀门、无手轮的失气关闭阀门、无手轮的失气开启阀门。
气动截止阀门广泛用于常规电厂及核电站的重要系统中,在大亚湾核电站、岭核电站的每个机组各装备有气动截止阀。对于现场用气动阀,为了防止气源失去时,自动不可操作,都设有手动操作机构。在正常运行时,手动机构被锁定在不影响阀门正常动作的安全位置(习惯称之为“中性点”),以便在主控室或操作室远程控制。在紧急情况下,即气动回路故障,气源失去或其它原因引起的气动伺服机动作而带来的远程操作失效,可由操作人员使用手动机构将阀门从安全位置反向打开或关闭,达到控制阀门开关的目的,也可以根据系统需要将阀门固定在所需的开关位置。

J641H带定位器调节气动截止阀特 点
1、适用范围广:本定位器的放大器既适用于单作用型执行器,也适用于双作用执行器。
2、气动功率大,动作速度快,力平衡采用多回路,不易振荡,动作性能稳定。
3、本定位器具有正反作用的作用方式,可简单方便地调换安装校正。
4、一般定位器的恒节流孔经常会阻塞不通,导致定位器不正常工作的现象很多,而本定位器设计制造的恒节流孔机构,通针可以动作,方便疏解通孔,保持工作气路畅通无阻。
5、具有良好的复合防爆功能:由于线圈部件与接线盒采用可靠的防爆结构,各机构设计成组件化,所以该产品具有良好的复合防爆功能,它同时具备本质安全型“i”(ExdⅡCT6),隔爆型“d”(ExdⅡBT6)。
6、本定位器的外壳防护等级为IP65。
7、结构紧凑,精密可靠。本产品零部件精密压铸,外型及内部结构工艺精致。各机构经优化组合设计,整体结构紧凑,采用不锈钢紧固件和先进的喷涂工艺处理、生产制造标志永久性等,具备了良好的防腐性能。
8、调校简单,安装方便:本定位器不需打开外壳亦可实现调整零点,行程范围调节方便,范围宽度大。定位器表壳(罩盖)用两只不锈钢螺钉紧固,安装打开可靠方便,表壳(罩盖)螺钉无散乱脱落和咬死现象。在定位器底面设有安装用的螺孔和根据要求附配过渡联接的安装板,从而可以适用于各种气动执行机构的方便地安装。

J641H带定位器调节气动截止阀输入信号:4-20mA.DC(标准型、常规产品)
4-12mA.DC、12-20mA.DC)0-10mA.DC(变型产品)
(0-5mA.DC、5-10mA.DC)
输出压力: 0.02-0.7MPa
耗 气 量:5NL/min单作用(供气0.14MPa)
15NL/min双作用(供气0.4MPa)
输出特性: 线性,等百分比,非线性
气源压力: 0.14-0.7MPa
额定行程: 0-(10-100)mm。
基本误差: ±1%(单作用);±1.5%(双作用)
回 差: 1%(单作用);1.5%(双作用)
死 区: 0.2%( 单作用);0.4%(双作用)
环境温度: -35℃~ +60℃
相对湿度: ≤90%
防爆型式: 隔爆型d(ExdⅡBT6);本质安全型(ExiaⅡCT6)
输入阻抗: 4~20mA.DC/250Ω±5%(20℃时)
气源接口: Rc1/4(标准型)
电源接口: G1/2(标准型)
外壳材料: 铝合金,喷塑工艺处理
外型尺寸: 192(长)×218(宽)×75(高)mm
重 量: 1.7KgJ641H带定位器调节气动截止阀主要优点:
结构简单,制造与维修都比较方便;
密封面不易磨损、擦伤,密封性较好,寿命较长;
启闭时阀瓣行程较小,启闭时间较短,阀门高度较小。J641H带定位器调节气动截止阀基本设计
设计制造:API602/API6D
结构长度:ANSI B16.10
法兰端尺寸:ANSI B16.5(RF)
对焊端尺寸:ANSI B16.25
承插端尺寸:ANSI B16.11
阀门的检验和试验:API598气动阀门附件:
气动阀门三联件包括气过滤器、减压阀和油雾器,因工况的要求气动阀门还可以在执行器上配备相关附件,定位器、比例阀、限位开关、行程开关、二位五通电磁阀、变速箱、传感器、手动附件等。气动截止阀气动头工作原理
气动头的执行机构和调节机构是统一的整体,其执行机构有薄膜式、活塞式和齿轮齿条式。活塞式行程长,适用于要求有较大推力的场合;而薄膜式行程较小,只能直接带动阀杆。由于齿轮齿条式气动执行机构有结构简单,输出推力大,动作平稳可靠,并且安全防爆等优点,在发电厂、化工,炼油等对安全要求较高的生产过程中有广泛的应用。当压缩空气从A管咀进入气动执行器时,气体推动双活塞向两端(缸盖端)直线运动,活塞上的齿条带动旋转轴上的齿轮逆时针方向转动90C,阀门即被打开。此时气动执行阀两端的气体随B官咀排出。反之,当压缩空气从B官咀进入气动执行器的两端时,气体推动双塞向中间直线运动,活塞上的齿条带动旋转轴上的齿轮顺时针方向转动90C,阀门即被关闭。此时气动执行器中间的气体随A管咀排出。以上为标准型的传动原理。根据用户需求,气动执行器可装置成与标准型相反的传动原理,即选准轴顺时针方向转动为开启阀门,逆时针方向转动为关闭阀门。单作用(弹簧复位型)气动执行器A管咀为进气口,B管咀为排气孔(B管咀应安装消声器)。A管咀进气为开启阀门,断气时靠弹簧力关闭阀门。
气动头特点
紧凑的双活塞齿条式结构,啮合精确,效率高,输出扭矩恒定。
铝制缸体、活塞及端盖,与同规格结构的执行器相比重量*轻。
缸体为挤压铝合金,经硬质阳极氧化处理,内表面质地坚硬,强度,硬度高。采用低摩擦材料制成的滑动轴承,避免了金属间的相互直接接触,摩擦系数低,转动灵活,使用寿命长。
气动执行器与阀门连接符合ISO5211标准
气源孔符合 NAMUR 标准。
气动执行器底部轴装配孔(符合ISO5211标准)成双四方形,便于带方杆的阀线性或45°转角安装。
输出轴的顶部和顶部的孔符合 NAMUR 标准。
两端的调整螺钉可调整阀门的开启角度。
相同规格的有双作用式、单作用式(弹簧复位)。
可根据阀门需要选择方向,顺时针或逆时针旋转。
根据用户需要安装电磁阀、定位器(开度指示)、回信器、各种限位开关及手动操作装置。上海申弘阀门有限公司主营阀门有:

J641H带定位器调节气动截止阀主要零件材料及主要用途
阀体
阀盖
阀瓣
密封圈
阀杆
填料
适用介质
适用温度
(≤℃)WCB
WCB+D507MO
D577
2Crl3
柔性石墨
水、油品、蒸汽
425
ZGlCrl8Ni9Ti
0Crl8Ni9Ti
Stellite12Stellite6
lCrl8Ni9Ti
PTFE
类
200
ZGlCrl8Ni2Mo2Ti
CF8M
Stellite12lCrl8Ni2Mo2Ti
lCrl8Ni2Mo2Ti
PTFE
类、
200
ZG00Crl7Nil4M02
CF3M
Stellite12Stel1ite6
316L
PTFE
类、
尿素、甲铵液200
ZGlCr5MO
ZGlCr5MO
Stellite12Stel1ite6
25Cr2Mo1VA
柔性石墨
水、油品、蒸汽
550
应用规范设计与制造
GB/T12235
连接端尺寸
结构长度
GB/T12221
法兰尺寸
JB/T79
检验与试验
JB/T9092
材 料
碳钢
GB/T12229
不锈钢
GB/T12230
合金钢
Q/ZB66
标 志
GB/T12220
供 货
JB/T7928

结构特点
1、选材考究,符合国内、外相关标准,结构合理,造型美观。
2、阀瓣、阀座密封面采用铁基合金堆焊或司太立(Stellite)钴基硬质合金堆焊而成,耐磨、耐高温、耐腐蚀、抗擦伤性能好,使用寿命长。
4、阀杆经调质及表面氮化处理,有良好的抗腐蚀性和抗擦伤性。
5、可采用各种配管法兰标准及法兰密封面型式,满足各种工程需要及用户要求。
6、阀体材料品种齐全,填料、垫片可根据实际工况或用户要求合理选配,能适用于各种压力、温度及介质工况。
7、倒密封采用螺纹连接密封座或本体堆焊奥氏体不锈钢而成,密封可靠,更换填料可在不停机情况下进行,方便快捷,不影响系统运行。气动截止阀主要外形尺寸、连接尺寸及质量上海申弘阀门有限公司主营阀门有
公称压力
PN(MPa)公称通径
DN(mm)标准值
参考值
L
D
D1
n2
D6
b
f
f1
Z-φd
L1
H
1.6
50
230
160
125
100
16
3
4-φ18
185
645
65
290
180
145
120
18
3
4-φ18
232
690
80
310
195
160
135
20
3
8-φ18
232
715
100
350
215
180
155
20
3
8-φ18
232
770
125
400
254
210
185
22
3
8-φ18
283
780
150
480
280
240
210
24
3
8-φ23
283
810
200
600
335
295
265
26
3
12-φ23
283
967
250
622
405
355
320
30
3
12-φ25
283
1143
300
698
460
410
375
30
4
12-φ25
283
1292
2.5
50
230
160
125
100
20
3
4-φ18
185
645
65
290
180
145
120
22
3
8-φ18
232
690
80
310
195
160
135
22
3
8-φ18
232
715
100
350
230
190
160
24
3
8-φ23
232
770
125
400
270
220
188
28
3
8-φ25
283
780
150
480
300
250
218
30
3
8-φ25
283
810
200
600
360
310
278
34
3
12-φ25
283
967
250
622
425
370
332
36
3
12-φ30
283
1143
300
698
485
430
390
40
4
16-φ30
283
1292
4.0
50
230
160
125
100
88
20
3
4
4-φ18
185
645
65
290
180
145
120
110
22
3
4
8-φ18
232
690
80
310
195
160
135
121
22
3
4
8-φ18
232
715
100
350
230
190
160
150
24
3
4.5
8-φ23
232
770
125
400
270
220
188
176
28
3
4.5
8-φ25
283
782
150
480
300
250
218
204
30
3
4.5
8-φ25
283
875
200
600
375
320
282
260
38
3
4.5
12-φ30
283
1160
J641H带定位器调节气动截止阀保管、安装、使用和维护注意事项:
1、本阀应存放在干燥的仓库内,阀的通路两端必须用盖板堵塞。
2、如长期存放时应作定期检查,更换防锈油,并消除表面上的污垢和铁锈。
3、安装前必须仔细核对本阀的标志是否符合使用要求,核对后进行消除污垢、泥沙的铁锈等。
4、本阀可安装于管路中任何方位上,但应考虑检修和操作的方便。
5、必须使介质向和本使用说明书结构说明中第(5)条相符。
6、阀在安前应对截止阀阀进行密封性能试验;阀在安装前还应进 行三次以上的空载启闭试验,阀的阀芯开关应灵活,各种轴件不应有卡阻现象。
7、安装完毕要进行密封试验及气动操作试验。
5、本阀开启时应达到*高位置。
6、使用过程中应经常保持清洁,螺纹部分必须定期润滑。
7、发现故障时应立即停止使用,查明原因并消除之。
8、阀在使用过程中,应定期(18个月)在气缸内壁加注少量润滑油。
9、阀在使用期问,应视其动频繁程度进行定期检查和维护。

订货须知:
一、①产品名称与型号②口径③是否带附件以便我们的为您正确选型④的使用压力⑤的使用介质的温度。
二、若已经由设计单位选定公司的型号,请按型号直接向我司销售部订购。三、当使用的场合非常重要或环境比较复杂时,请您尽量提供设计图纸和详细参数,由我们的阀门公司专家为您审核把关。如有疑问:请:我们一定会尽心尽力为您提供优质的服务。提供全面“阀门系统解决方案",也十分愿意帮助用户解决生产中所遇到的难题。
-
联系方式
- 联系人:申弘阀门
- 电 话:021-59260058
- 手 机:15901754341
- 传 真:86-021-31662735
- 邮 箱:494522509@qq.com
- 邮 编:201718
- 地 址:上海市青浦区金泽工业园区
- 网 址: https://bengye.cn.goepe.com/
http://www.021-fm.com
-
产品搜索





