-
申弘中线型对夹消防水信号蝶阀BWSC​BWSC
详细信息| 询价留言中线型对夹信号蝶阀的工作原理 中线型对夹信号蝶阀 中线型信号蝶阀
BWSC中线型对夹消防水信号蝶阀概述及特点
BWSC中线型对夹信号蝶阀是引进国外先进技术而自行开发的中线型蝶阀,它具有结构简单,密封可靠,开启轻便、寿命长、维护方便等优点。故被广泛地应用于给排水、建筑消防等系统各种管道上,尤其在消防管路中。本信号阀可明白无误的显示出阀门开关状态,具有直观、清晰、可靠的反映出消防系统中的工作状态,所以广泛、大量的适用于消防系统中。

控制和调节压缩空气流量的元件称为流量控制阀。改变和控制气流流动方向的元件称为方向控制阀。 除上述三类控制阀外,还有能实现一定逻辑功能的逻辑元件,包括元件内部无可动部件的射流元件和有可动部件的气动逻辑元件。在结构原理上,逻辑元件基本上和方向控制阀相同,仅仅是体积和通径较小,一般用来实现信号的逻辑运算功能。近年来,随着气动元件的小型化以及PLC控制在气动系统中的大量应用,气动逻辑元件的应用范围正在逐渐减小。 从控制方式来分,气动控制可分为断续控制和连续控制两类。在断续控制系统中,通常要用压力控制阀、流量控制阀和方向控制阀来实现程序动作;连续控制系统中,除了要用压力、流量控制阀外,还要采用伺服、比例控制阀等,以便对系统进行连续控制。为了改善调节阀的静态特性和动态特性,则要配用定位器;为了使工作动力气源保持干净和压力稳定,则必须配带空气过滤减压阀;另外,为了实现所示的“常见控制阀安全失效模式”等功能特性和要求则也需相应的控制附件来达到相应的控制。上海申弘阀门有限公司主营阀门有:减压阀(组合式减压阀,可调式减压阀,自力式减压阀

中线型对夹信号蝶阀的工作原理
1、信号蝶阀由蜗轮蜗杆传动装置驱动转轴及蝶板旋转实现启闭和控制流量。
2、旋转蜗轮蜗杆传动装置手轮,使蝶板达到启闭及调节流量的目的,手轮顺时针方向旋转为阀门关闭。
3、蜗轮蜗杆传动装置箱体内设置微动开关有两种形式:
a、在传动装置箱体内设有开向、关向两个微动开关,分别在阀门全开和关闭时动作,接通控制室“阀开”“阀关”指示灯源,使之准确显示阀门开关状态。
b、在传动装置箱体内设关向微动开关(蝶板全关位置为0°),当蝶板由0°~40°位置时微动开关支作,输出阀门关闭信号,40°~90°位置时另一对常闭可输出阀门打开信号。可调整压触微动开关的凸轮,显示蝶板所处的不同位置。
BWSC中线型对夹消防水信号蝶阀使用调整及接线方法
1、打开电器开关箱罩,根据电器控制要求把电缆的芯线接到相应的端子,并密封好电缆进口,同时把电缆固定,以防止外力牵动时损坏电缆接线。
2、当阀门在“全关”位置时,顺时针转动下面的关向凸轮,是凸轮刚好触动微动开关(可以听到咔哒声),然后旋紧凸轮上的螺钉固定凸轮。
3、当阀门在“全开”位置时,逆时针转动上面的开向凸轮,用与上述相同的方法调整好开向凸轮。
4、调整限位螺钉,当阀门在“全关”或“全开”位置时,不应使限位螺钉刚好顶在蜗轮的限位平面,而应留有一定的间隙,然后旋紧限位螺钉上的锁紧螺母。
5、盖上电器开关箱罩,当阀门在“全关”位置时,使开度指示器的指针指向刻度盘上的“0”刻度,并旋紧螺钉固定指针。
XD371X信号蝶阀使用注意事项
1、本蝶阀可以安装在空间任意位置管路上。
2、蝶阀的安装位置应保证使用、维修和更换的方便。
3、本蝶阀安装时可以不考虑管路介质流动的方向,即允许双向流动。
4、蝶阀安装前应存放在室内干燥处,阀板微开4°~5°。
5、蝶阀安装前应进行以下工作:
a、仔细核对使用情况是否与本蝶阀性能规范相符合。
b、清洁内腔和密封面,不允许有污物附着,未清洁前勿启闭蝶板。
c、检查传动装置是否与蝶阀上法兰连接可靠。
6、蝶阀在管路夹紧时,注意连接力是否均匀可靠。
7、蝶阀安装后,进行管路强度试压时,阀板必须处于开启位置。
8、蝶阀安装后,应定期检查,其检查的主要项目如下:
a、蝶阀阀座及O型密封圈是否损伤。
b、阀板密封面的密封性能。
c、蝶阀检修装配后,启闭旋转时不得有卡阻现象。
d、蝶阀检修装配后,应按要求进行密封性能试验。
f、每次检修后,应将情况详细记录以备查考。信号阀的要求 (1)信号阀应具有输出“通”、“断”电信号装置,且在信号阀入口压力恒定为0.35MPa时,信号阀由全开到关闭的过程中,输出“通”信号(阀开启)的触点转换为输出“断”信号(阀关闭)时,此转换点流量应大于等于全开流量的80%,过此点后阀一直输出“断”信号(阀关闭)。全开流量为信号阀在人口压力恒定为0.35MPa时,信号阀全部打开测得的流量值。
(2)信号阀按标准规定进行过载能力试验, 其电器元件不得出现过热烧毁、坑点、触点粘合等现象。
(3)信号阀按标准规定进行耐电压能力测试,在规定的试验电压下,其所有活动部件和静止部件(包括外壳) 之间应耐电压60s士5s不被击穿。
(4)信号阀按标准规定进行绝缘电阻测试,在下列部件之间的绝缘电阻应大于2MΩ。
(a) 触电断开时,同级进线与出线之间;
(b)各带电部件与金属支架(包括外壳)之间。
(5)信号阀按标准规定进行接触电阻测试,开关的每对闭合触点之间的接触电阻应小于0.01Ω。

BWSC中线型对夹消防水信号蝶阀施工、安装要点
(1)阀门的连接方式应与管道连接方式相一致。
(2)设置在介质单向流动管道上的阀门,阀体上的箭头方向应与管道水流方向一致。
(3)阀门水平安装时,阀盖、阀杆应朝上;垂直安装时,阀盖、阀杆应朝外。
(4)阀门应设支架,阀门重量不应附加在管道上。
主要技术参数
公称通径 公称压力 工作温度 密封试验 强度试验 适用介质 DN50~400mm 1.0/1.6/2.5MPa -10℃~-80℃ 1.1倍公称压力 1.5倍公称压力 水、油、气 
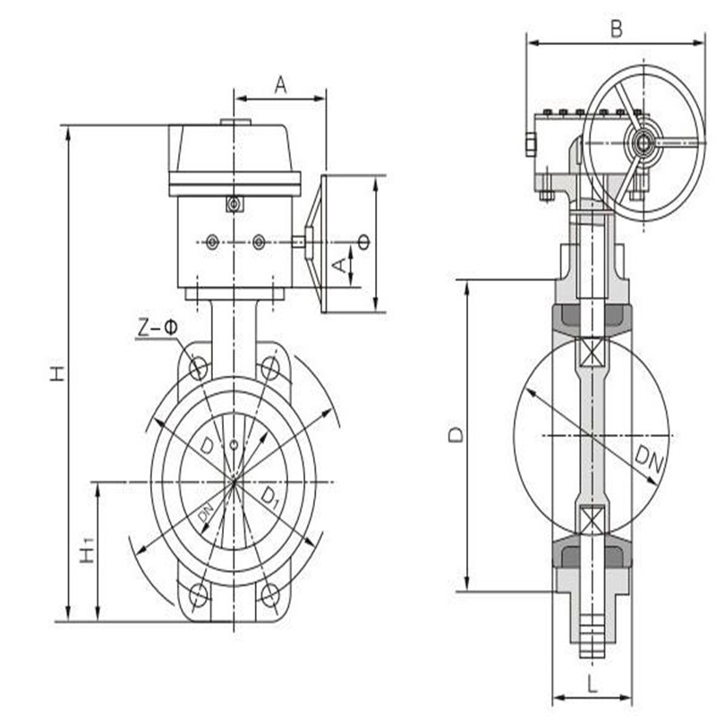
BWSC中线型对夹信号蝶阀主要零件材料序号 零件名称 材质 序号 零件名称 材质 1 阀体 球铁、铸钢 7 密封圈 NBR。EPDM 2 阀轴 SUS410/SUS316 8 圆垫片 SUS316/黄铜 3 蝶板 球铁喷塑、不锈钢 9 对开环 SUS316/黄铜 4 阀座 EPDM,PTEE 10 挡圈 弹簧钢 5 衬套 青铜,聚四氟乙烯 BWSC中线型对夹信号蝶阀连接尺寸
蝶阀安装方法:
1、法兰蝶阀安装前检查气动蝶阀各部分部件无缺失,型号无误,检查阀体内无杂物,电磁阀和消音器内无阻塞。
2、将阀门和汽缸均置于关闭状态。
3、将汽缸撞到阀门上,(安装方向与阀体平行或垂直都可以),再看螺丝孔是否对正,不会有太大偏差,如有少许偏差,将气缸体转动一点就可以了,然后将螺丝紧固。
4、安装完毕后,对气动蝶阀进行调试(正常情况下供气压力为0.4~0.6MPa),调试运行时须手动操作电磁阀启闭(将电磁阀线圈失电后手动操作方可有效),观察气动蝶阀的启闭情况。如果在调试运行过程中发现阀门在启闭过程初始时有些吃力,之后正常,则需要将气缸行程调小(把气缸两端行程调节螺丝同时往里调一点,调整时需将阀门运行到开位置,然后将气源关掉再调),直至阀门启闭动作顺滑且关闭无泄漏。还需要注意的是,可调型消音器可以调节阀门的启闭速度,但不可调得过小,否则可能引起阀门不动作。
5、得发在安装前应保持干燥,不可露天存放。
6、安装蝶阀前要检查管道,确保管道内无焊渣等异物。
7、蝶阀阀体手动启闭阻力适中,蝶阀扭矩与所选执行器扭矩匹配。
8、蝶阀连接用法兰规格正确,管道对夹法兰与蝶阀法兰标准相符。建议使用蝶阀专用法兰,不得使用平焊法兰。
9、确认法兰焊接无误,蝶阀安装完毕后不得再焊接法兰,以免烫伤橡胶件。
10、装好的管道法兰要进行对中,并与放入的蝶阀进行对中。
11、装上所有的法兰螺栓,并用手拧紧,将确认蝶阀与法兰已然对中,然后小心的启闭蝶阀,确保启闭灵活。
12、将阀门完全开启,用扳手按照对角线次序将螺栓拧紧,无需垫圈,切勿将螺栓拧的过紧,以防造成阀圈的严重变形,启闭扭矩过大。

订货须知:
一、产品名称与型号口径是否带附件以便我们的为您正确选型使用压力使用介质的温度。
二、若已经由设计单位选定公司的放料阀型号,请型号直接向我司销售部订购。
三、当使用的场合非常重要或环境比较复杂时,请您尽量提供设计图纸和详细参数,由我们的阀门公司专家为您审核把关。如有疑问:请:我们一定会尽心尽力为您提供优质的服务。
-
联系方式
- 联系人:申弘阀门
- 电 话:021-59260058
- 手 机:15901754341
- 传 真:86-021-31662735
- 邮 箱:494522509@qq.com
- 邮 编:201718
- 地 址:上海市青浦区金泽工业园区
- 网 址: https://bengye.cn.goepe.com/
http://www.021-fm.com
-
产品搜索





