-
SUS304不锈钢水封式截止阀申弘
详细信息| 询价留言SUS304气动不锈钢水封式截止阀安装 不锈钢水封式截止阀安装 不锈钢水封式截止阀 水封式截止阀 304不锈钢截止阀 SUS304气动不锈钢水封式截止阀
SUS304不锈钢水封式截止阀产品说明
水封截止阀适用于公称压力PN2.5~6.4MPa,工作温度0~450℃的火力电站回水冷凝系统及石油、化工要求与大气隔离的系统管道上,切断或接通管路中的介质阀门定位器配套使用,可实现比例调节,与二位五通电磁阀及控制箱配套使用,可实现开关控制.球阀阀蕊设计成带有特殊形状的缺口,具有精确的截流物性和控制功能,适用于各种控制场合,具有额定流量系数大,可调比例大,密封性能优越,结构紧凑,体积小,可竖卧安装等优点.适用气体,液体,固体颗粒状介质的控制.由于阀蕊和阀座之间是无间隙回转,所以具有很大的剪切力及自洁性能,尤其适用于含有纤维性或有微小固体颗粒的悬浊液及固体颗粒的控制.因此本产品被广泛用于石油、化工、电力、造纸、冶金等行业。气动控制阀的由双作用定位器输出的气源信号压力分别输入执行机构活塞左、右二气室,由于输入活塞左、右二气室的气源压力不同,形成压差,推动活塞作直线运动。通过齿轮、齿条传动,将活塞的直线运动转换成执行机构主轴的旋转运动,直至左、右气室压力平衡,运动停止。

在执行机构作旋转运动的同时带动阀杆、阀芯作旋转运动,改变阀芯、阀座间的流通面积,达到调节目的。气动控制阀的由单作用定位器输出的气信号压力输入到执行机构无弹簧一侧的气室中,气信号压力作用在活塞上形成的推力和弹簧力之间差值的作用下,气缸活塞作直线运动,通过齿轮,齿条传动。直至气信号压力形成的推力与弹簧力平衡,运动停止。在执行机构主轴作旋转运动的同时带动阀杆、阀芯作旋转运动,从而改变阀芯、阀座之间的流通面积,达到调节目的。上海申弘阀门有限公司主营阀门有
SUS304不锈钢水封式截止阀产品特点
1、产品按国家标准GB12235设计制造,结构新颖,选材合理,造形美观。连接端有法兰和焊接,可根据用户不同要求配接
2、填料函设计成水密封结构,接入0.6~1.6Mpa的水填料,摩擦力小,密封好,能全系统与大气隔离,保证良好的气密性
3、阀杆经调质和表面氮化处理,有良好的搞腐蚀性和抗擦伤性
4、结构紧凑,操作灵活,检修方便,使用寿命长
5、倒密封采用不锈钢螺纹连接密封座或本体堆焊奥氏体不锈钢而成,倒密封可靠。填料更换和维修可在不停机情况下进行,方便快捷不影响系统运行。
SUS304不锈钢水封式截止阀执行标准
设计与制造:JB/T3595
结构长度:GB/T15188.1
压力温度等级:GB/T3595
SUS304不锈钢水封式截止阀主要零件材料及主要用途
阀体
阀盖
阀瓣
阀座
阀杆
填料
适用介质
适用温度
(≤℃)WCB
25+D507MO
25+D577
2Crl3
柔性石墨
水、油品、蒸汽
425
A105
2Crl3+
Stellite122Crl3+
Stellite62Crl3
柔性石墨
水、油品、蒸汽
450
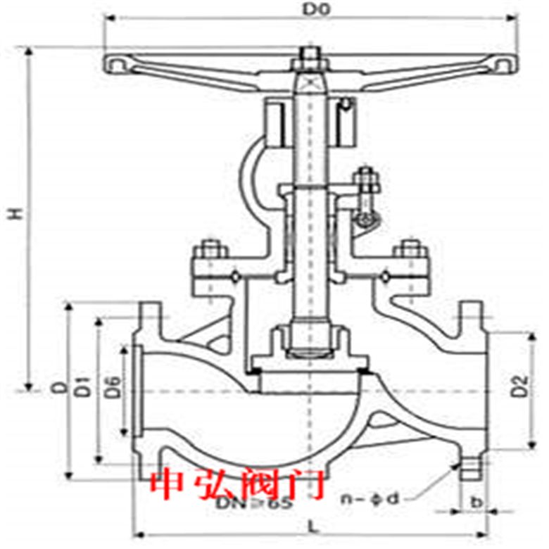
SUS304不锈钢水封式截止阀主要外形尺寸、连接尺寸及质量DSJ4lH、DSJ41Y PN2.5、4.0公称压力
PN(MPa)公称通径
DN(mm)标准值
参考值
L
D
D1
D2
D6
b
f
n
Z-φd
DO
H
质量(kg)
2.5
10
130
90
60
40
16
2
4-φ14
120
272
6
15
130
95
65
45
16
2
4-φ14
120
272
6
20
150
105
75
55
16
2
4-φ14
120
280
6
25
160
115
85
65
16
2
4-φ14
160
332
10
32
180
135
100
78
18
2
4-φ18
160
342
l1
40
200
145
110
85
18
3
4-φ18
200
395
17
50
230
160
125
100
20
3
4-φ18
240
43l
24
65
290
180
145
120
22
3
4-φ18
280
457
33
80
310
195
160
135
22
3
8-φ18
320
505
47
100
350
230
190
160
24
3
8-φ23
360
549
62
125
400
270
220
188
28
3
8-φ25
400
62l
96
150
480
300
250
218
30
3
8-φ25
500
703
128
200
600
360
310
278
34
3
12-φ25
650
828
168
4.0
10
130
90
60
40
35
16
2
4
4-φ14
120
272
6
15
130
95
65
45
40
16
2
4
4-φ14
120
272
6
20
150
105
75
55
5l
16
2
4
4-φ14
120
280
6
25
160
115
85
65
58
16
2
4
4-φ14
160
332
10
32
180
135
100
78
66
18
2
4
4-φ18
160
342
11
40
200
145
110
85
76
18
3
4
4-φ18
200
395
17
50
230
160
125
100
88
20
3
4
4-φ18
240
43l
24
65
290
180
145
120
110
22
3
4
4-φ18
280
457
33
80
310
195
160
135
121
22
3
4
8-φ18
320
505
47
100
350
230
190
160
150
24
3
4.5
8-φ23
360
549
62
125
400
270
220
188
176
28
3
4.5
8-φ25
400
621
96
150
480
300
250
218
204
30
3
4.5
8-φ25
500
703
128
200
600
360
310
278
260
34
3
4.5
12-φ25
650
828
168

主要外形尺寸、连接尺寸及质量DS/J61Y.H-PN2.5、4.0 焊接水封截止阀公称压力
PN(MPa)公称通径
DN(mm)标准值
参考值
L
D1
D2
DO
H
质量(kg)
2.5
10
130
10
18
120
272
5
15
130
12
22
120
272
6
20
150
19
30
120
280
6
25
160
27
36
160
332
8
32
180
3l
42
160
342
10
40
200
39
48
200
395
16
50
230
5l
61
240
43l
23
65
290
67
76
280
457
32
80
310
80
92
320
505
43
100
350
99
112
360
549
58
125
400
12l
136
400
62l
94
150
480
145
162
480
705
119
200
600
206
224
650
828
165
4.0
10
130
10
18
120
272
5
15
130
12
22
120
272
6
20
150
19
30
120
280
7
25
160
27
36
160
332
8
32
180
31
42
160
342
10
40
200
39
48
200
395
16
50
230
51
6l
240
43l
23
65
290
70
80
280
457
33
80
310
80
92
320
505
46
100
350
99
112
360
549
61
125
400
12l
136
400
621
95
150
480
145
162
480
705
126
200
600
203
224
650
828
138
1、手轮、手柄操作的法兰截止阀可安装在管道的任何位置上。
2、手轮、手柄及伟动机构,不允许作起吊用。
3、介质的流向应与阀体所示箭头方向一致。
4、法兰截止阀属于强制密封式阀门,所以在阀门关闭时,必须向阀瓣施加压力,以强制密封面不泄漏。当介质由阀瓣下方进入阀六时,操作力所需要克服的阻力,是阀杆和填料的磨擦力与由介质的压力所产生的推力,关阀门的力比开阀门的力大,所以阀杆的直径要大,否则会发生阀杆顶弯的故障。近年来,从自密封的阀门出现后,法兰截止阀的介质流向就改由阀瓣上方进入阀腔,这时在介质压力作用下,关阀门的力小,而开阀门的力大,阀杆的直径可以相应地减少。同时,在介质作用下,这种形式的阀门也较严密。我国阀门“三化给”曾规定,法兰截止阀的流向,一律采用自上而下。
5、法兰截止阀结构简单,可通过阀杆既旋转又升降的原理,达到阀门的开启或截断,并确保阀门的密封和上密封功能。由于该结构特殊的运动原理,也造成对阀门上密封副间受力极为不利的后果(形成既有密封副间必须的垂直压力,又有密封副间相对滑移的摩擦)。实践证明,阀门的上密封往往只启闭几次,就因为密封副间的擦伤而引起泄漏。擦伤轻微的需拆开修复,擦伤严重的均因损坏而报废,这样的后果不但增加了企业的制造成本,而且影响阀门的性能。为解决此类问题对阀门上密封的结构和材料做了试验和改进。

法兰截止阀开启过程
1在关闭位置,法兰截止阀阀体受阀杆的机械施压作用,紧压在阀座上。
2当逆时针转动手轮时,阀杆则反向运动,其底部角形平面使球体脱开阀座。
3阀杆继续提升,并与阀杆螺旋槽内的导销相互作用,使球体开始无摩擦地旋转。
4直至到全开位置,阀杆提升到极限位置,球体旋转到全开位置。
订货须知:
一、①产品名称与型号②口径③是否带附件以便我们的为您正确选型④的使用压力⑤的使用介质的温度。
二、若已经由设计单位选定公司的型号,请按型号直接向我司销售部订购。三、当使用的场合非常重要或环境比较复杂时,请您尽量提供设计图纸和详细参数,由我们的阀门公司专家为您审核把关。如有疑问:请:我们一定会尽心尽力为您提供优质的服务。提供全面“阀门系统解决方案",也十分愿意帮助用户解决生产中所遇到的难题。
-
联系方式
- 联系人:申弘阀门
- 电 话:021-59260058
- 手 机:15901754341
- 传 真:86-021-31662735
- 邮 箱:494522509@qq.com
- 邮 编:201718
- 地 址:上海市青浦区金泽工业园区
- 网 址: https://bengye.cn.goepe.com/
http://www.021-fm.com
-
产品搜索






