-
J44H手动高压角式截止阀申弘
详细信息| 询价留言高压角式手动截止阀J44H特点 高压角式手动截止阀J44H 高压角式截止阀 角式截止阀 高压角式法兰截止阀
J44H手动高压角式截止阀产品说明
【截止阀】也叫截门,是使用*广泛的一种阀门!它之所以广受欢迎,是由于①开闭过程中密封面之间摩擦力小。②比较耐用。③开启高度不大。④制造容易。⑤维修方便。⑥不仅适用于中低压,也适用于高压。

【高压角式截止阀】的闭合原理是,依靠阀杠压力,使阀瓣密封面与阀座密封面紧密贴合,阻止介质流通。截止阀只许介质单向流动,安装时有方向性。截止阀的结构 长度大于闸阀,同时流体阻力大,长期运行时,密封可靠性不强。结构比闸阀简单,制造与维修都较方便。密封面不易磨损及擦伤,密封性好,启闭时阀瓣与阀体密封面之间无相对滑动,因而磨损与擦伤均不严重,密封性能好,使用寿命长。启闭时,阀瓣行程小,因而手动截止阀高度比闸阀小,但结构长度比闸阀长。启闭力矩大、启闭较费力,启闭时间校长。流体阻力大,因阀体内介质通道较曲折,流体阻力大,动力消耗大。介质流动方向 公称压力PN≤16MPa时,一般采用顺流,介质从阀瓣下方向上流;公称压力PN≥20MPa时,一般采用逆流,介质从阀瓣上方向下流.以增加密封件能。使用时手动截止阀介质只能单方向流动,不能改变流动方向。

J44H手动高压角式截止阀特点:
锻钢截止阀有三种阀盖设计形式。种是螺栓式阀盖,按这种设计形式设计的阀门,其阀体与阀盖用螺栓螺母连接,缠绕式垫片(316夹柔性石墨制造)密封。客户有特殊要求时也可采用金属环连接。第二种设计形式是焊接式阀盖,按这种设计形式的阀门,其阀体与阀盖用螺纹连接,全焊密封。客户有特殊要求时也可采用全焊接连接。第三种是压力自紧式阀盖,按这种设计形式设计的阀门,其阀体与阀盖用螺纹连接,内压自密封环密。上海申弘阀门有限公司主营阀门有:截止阀,电动截止阀

高压角式手动截止阀J44H 零部件材料与工况:序号 零件名称 CStoASTM AStoASTM SS toASTM TypeAl05 TypeAl82F22 TypeAl82 F304 TypeAl82 F316(L) l 阀体 A105 A182F22 A182 F304(L) A182 F316fLl 2 阀瓣 A276420 A276 304 A276 304fLl A276 316fLl 3 阀杆 A182 F6 A182 F304 A182 F304(L) A182 F316fLl 4 密封座 A105 A182F304 A1 82 F304(L1 A182 F316fLl 5 密封环 A182 F304L A182 F316fLl 6 阀盖 A105 A182F22 A182F 304fL) A182 F 316fLl 7 圆柱销 A276 420 8 垫圈 A105 A182 F22 A182 F304(L) A182 F316(L) 9 提升螺母 A1942H A194 4 A194 8 A194 8M 10 填料 柔性石墨 SS+PTFE 11 填料压套 A276 420 A182 F304 12 填料压板 A216 WCB A35l CF8 13 活节螺栓 A19387 A193816 A19388 A19388M
14 螺母 A194 2H A194 4 A194 8 A194 8M
l5 阀杆螺母 A276—410 l6 手轮 A197 l7 铭牌 SS 18 螺母 A194 2H A194 4 A194 8 A194 8M
适用介质 水、蒸汽、油品等 水、蒸汽、油品等 硝酸、醋酸等 适用温度 -29℃~425℃ -29℃~550℃ -29℃~180℃ J44H手动高压角式截止阀应用:
J44Y、J44H、J47Y、J47H高压角式截止阀适用压力:1.6Mpa-32Mpa。
高压角式手动截止阀J44H性能与规范:
公称压力 16 32 Mpa 壳体试验 24 48 密封试验 17.6 35.2 气密封试验 0.5-0.7 适用介质 C P R 水、油品、氯化氢 氮氢混合气 碱液、液氨、氯化氢 适用温度(℃) ≤425
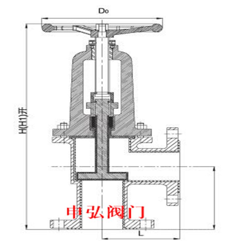
法兰截止阀的安装与维护 1、手轮、手柄操作的法兰截止阀可安装在管道的任何位置上。型号
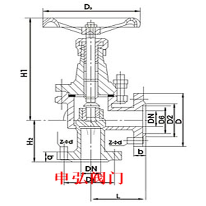
DN
L
D
D1
M
D2
Dn
Dn'
b
Z-φd
L0
H
H1
重量(kg)
AJ44H-320
AL44H-3203
60
70
42
M14×1.5
10
3
-
15
3-16
100
71
77
1.25
6
60
70
42
M14×1.5
10
6
-
15
3-16
150
80
94
1.25
J44Y-160
L44Y-16010
90
95
60
M24×2
10
10
10
20
3-18
200
260
275
5.7
15
105
95
60
M24×2
16
15
16
20
3-18
200
268
288
6.2
J44Y-320
L44Y-32010
90
95
60
M24×2
10
10
10
20
3-18
200
260
275
5.7
15
105
105
68
M33×2
17
15
17
20
3-18
200
268
288
6.8
型号
DN
L
D
D1
M
D2
Dn
Dn'
b
Z-φd
L0
H
H1
重量(kg)
J44Y-160
L44Y-16025
120
105
68
M33×2
28
23
23
20
3-18
300
225
245
9.1
32
135
115
80
M42×2
37
29
29
22
4-18
300
222
248
11
40
165
165
115
M52×2
47
39
39
28
6-26
350
265
300
20
50
190
165
115
M64×3
59
50
50
32
6-26
400
303
345
30
J44Y-320
L44Y-16025
120
115
80
M42×2
35
23
23
22
4-18
300
225
245
10.8
32
132
135
95
M48×2
41
29
29
25
4-22
300
222
248
13.5
40
165
165
115
M64×3
58
39
42
32
6-26
350
265
300
23
50
190
200
145
M80×3
70
50
53
40
6-29
400
303
345
39.2
GL44H-160
GL44Y-16065
215
200
145
M80×3
73
60
65
40
6-29
710
430
490
81
80
260
225
170
M100××3
93
75
80
50
6-33
810
520
600
138
100
290
260
195
M125×4
115
95
99
60
6-36
850
595
685
223
GL44H-320
GL44Y-32065
215
225
170
M100×3
90
60
68
50
6-33
710
430
490
93
80
260
260
195
M125×4
112
75
85
60
6-36
810
520
600
158
100
290
300
235
M155×4
130
95
103
75
8-39
850
595
285
228
2、手轮、手柄及伟动机构,不允许作起吊用。
3、介质的流向应与阀体所示箭头方向一致。
4、法兰截止阀属于强制密封式阀门,所以在阀门关闭时,必须向阀瓣施加压力,以强制密封面不泄漏。当介质由阀瓣下方进入阀六时,操作力所需要克服的阻力,是阀杆和填料的磨擦力与由介质的压力所产生的推力,关阀门的力比开阀门的力大,所以阀杆的直径要大,否则会发生阀杆顶弯的故障。近年来,从自密封的阀门出现后,法兰截止阀的介质流向就改由阀瓣上方进入阀腔,这时在介质压力作用下,关阀门的力小,而开阀门的力大,阀杆的直径可以相应地减少。同时,在介质作用下,这种形式的阀门也较严密。我国阀门“三化给”曾规定,法兰截止阀的流向,一律采用自上而下。
5、法兰截止阀结构简单,可通过阀杆既旋转又升降的原理,达到阀门的开启或截断,并确保阀门的密封和上密封功能。由于该结构特殊的运动原理,也造成对阀门上密封副间受力极为不利的后果(形成既有密封副间必须的垂直压力,又有密封副间相对滑移的摩擦)。实践证明,阀门的上密封往往只启闭几次,就因为密封副间的擦伤而引起泄漏。擦伤轻微的需拆开修复,擦伤严重的均因损坏而报废,这样的后果不但增加了企业的制造成本,而且影响阀门的性能。为解决此类问题对阀门上密封的结构和材料做了试验和改进。 法兰截止阀开启过程
1在关闭位置,法兰截止阀阀体受阀杆的机械施压作用,紧压在阀座上。
2当逆时针转动手轮时,阀杆则反向运动,其底部角形平面使球体脱开阀座。
3阀杆继续提升,并与阀杆螺旋槽内的导销相互作用,使球体开始无摩擦地旋转。
4直至到全开位置,阀杆提升到极限位置,球体旋转到全开位置。订货须知:
一、①产品名称与型号②口径③是否带附件以便我们的为您正确选型④的使用压力⑤的使用介质的温度。
二、若已经由设计单位选定公司的型号,请按型号直接向我司销售部订购。三、当使用的场合非常重要或环境比较复杂时,请您尽量提供设计图纸和详细参数,由我们的阀门公司专家为您审核把关。如有疑问:请:我们一定会尽心尽力为您提供优质的服务。提供全面“阀门系统解决方案",也十分愿意帮助用户解决生产中所遇到的难题。
-
联系方式
- 联系人:申弘阀门
- 电 话:021-59260058
- 手 机:15901754341
- 传 真:86-021-31662735
- 邮 箱:494522509@qq.com
- 邮 编:201718
- 地 址:上海市青浦区金泽工业园区
- 网 址: https://bengye.cn.goepe.com/
http://www.021-fm.com
-
产品搜索







