-
SAF2507特超级双相锻压法兰截止阀申弘
详细信息| 询价留言SAF2507特超级双相锻压法兰截止阀 特超级双相锻压法兰截止阀 双相锻压法兰截止阀 特超级双相锻压截止阀
SAF2507特超级双相锻压法兰截止阀 产品说明
锻件双相不锈钢截止阀所具有的优良的性能是由其材料的性能和阀门本身的结构特点所决定的,因此,我们先了解一下双相钢材料的特点:所谓“双相不锈钢”是在其固溶组织中铁素体相和奥氏体相大约各占一半.一般少量相也不低于30%。双相不锈钢由于在其组织中存在铁素体和奥氏体.因此它具备铁素体不锈钢所具有的较高强度、耐氯化物应力腐蚀性能和奥氏体不锈钢所具有的优良韧性和焊接性能的优点。为研究超级双相不锈钢00Cr32Ni7Mo3.5N(SAF3207)的高温热塑性,对3207钢进行热拉伸实验并分析断口形貌。结果表明,提高加热温度至1300℃、应变速率到0.1s-1时,能使断面收缩率达82.7%,随着温度从1000℃上升至1300℃,热塑性依次增大,断裂方式从脆性断裂转变至韧性断裂。00Cr25Ni7Mo4N(SAF2507)双相不锈钢相比,3207钢的热塑性低于2507钢,3207钢的开轧温度为1300℃,其终轧温度必须高于1150℃。而2507钢的开轧温度为1250℃,终轧温度高于1000℃。使用Thermo-Calc软件计算双相钢的平衡相图,对双相钢进行了不同温度热处理以观察其高温组织的演变规律,并结合铁素体测量结果分析了钢的热塑性与温度的关系。阀门中腔采用压力自紧式密封结构,内腔压力越高密封性能越好。支管两端为对焊连接,适应不同的接管要求。阀瓣、阀座的密封面采用stellite 司太立钴基硬质合金堆焊而成,耐磨、耐高温,抗擦伤性能好、使用寿命长。阀盖填料函尝试合理,填料加缓蚀剂,密封可靠,开关平稳。阀门具有上密封结构,保证阀门开启运行时阀杆处不会外漏。电动截止阀的开启和关闭由电动装置来控制,电动装置分别配有专用电机、减速器、转矩控制机构,现场操作机构,手动、电动切换机构。除就地操作外,还可进行远距离操作。

特点:
1)屈服强度比普通奥氏体不锈钢高一倍多,且具有成型需要的足够的塑韧性。采用双相不锈钢制造储罐或压力容器的壁厚要比常用的奥氏体减少30-50%,有利于降低成本。
2)具有优异的耐应力腐蚀破裂的能力,即使是含合金量*低的双相不锈钢也有比奥氏体不锈钢更高的耐应力腐蚀破裂的能力,尤其在含氯离子的环境中。应力腐蚀是普通奥氏体不锈钢难以解决的突出问题。
3)在许多介质中应用*普遍的2205双相不锈钢的耐腐蚀性优于普通的 316L奥氏体不锈钢,而超级双相不锈钢具有极高的耐腐蚀性,再一些介质中,如醋酸,甲酸等甚至可以取代高合金奥氏体不锈钢,乃至耐蚀合金。
4)具有良好的耐局部腐蚀性能,与合金含量相当的奥氏体不锈钢相比,它的耐磨损腐蚀和疲劳腐蚀性能都优于奥氏体不锈钢。
5)比奥氏体不锈钢的线膨胀系数低,和碳钢接近,适合与碳钢连接,具有重要的工程意义,如生产复合板或衬里等。
6)不论在动载或静载条件下,比奥氏体不锈钢具有更高的能量吸收能力,这对结构件应付突发事故如冲撞,爆炸等,双相不锈钢优势明显,有实际应用价值。

上海申弘阀门有限公司主营阀门有:是指关闭件(阀瓣)沿阀座中心线移动的阀门。根据阀瓣的这种移动形式,阀座通口的变化是与阀瓣行程成正比例关系。由于锻钢截止阀的阀杆开启或关闭行程相对较短,而且具有非常可靠的切断功能,又由于阀座通口的变化与阀瓣的行程成正比例关系,非常适合于对流量的调节。因此,锻钢截止阀非常适合作为切断或调节以及节流使用。 锻钢阀门简单说是用于锻打的钢制阀门,锻钢是指采用锻造方法而生产出来的各种锻材和锻件。锻钢件阀门的质量比铸钢件高,能承受大的冲击力作用,塑性、韧性和其他方面的力学性能也都比铸钢件高,所以凡是一些重要的机器零件都应当采用锻钢件,锻钢一般用于高压管道。具有组织细密,适用于高压工况的特点。
锻造是锻压的两大组成部分之一,机械中负载高、工作条件严峻的重要零件,多采用锻件,形状较简单的可用轧制的焊接件,型材板材除外。通过锻造能消除金属材料的焊合孔洞和铸态疏松。
正确地选择锻造比对提高产品质量、降低成本有很大关系。锻造材料主要是有碳素钢,不锈钢和合金钢。锻造比是指金属在变形前的横断面积与变形后的模断面积之比。材料的原始状态有铸锭、棒料、液态金属和金属粉末等。
锻件的机械性能一般优于同样材料的铸件,锻造是通过锻压机械对金属毛坯施加压力,使金属坯料产生塑性变形以获得具有一定形状和尺寸且机械性能较好的加工方法。

SAF2507特超级双相锻压法兰截止阀锻钢阀门结构工艺:
阀体的质量和性能直接影响到阀门运行的寿命及其安全性。因此,在阀门工作环境恶劣或对其安全性要求较高的情况下,应采用锻造阀体。对于DN50以下的闸阀、截止阀、止回阀等,国内大部分采用了整体锻造成形后焊接两端法兰的工艺,也有厂家连通法兰一起锻造成型。而对于2寸以上大口径的阀体,由于缺乏锻造成形所需要的重型多向锻造设备,要实现国产化的大型整体锻造件还有一定的难度。所以,许多厂家从国外进口大型阀体锻件,或者与外国一些企业合作研制使用锻焊阀体件。S上海申弘阀门有限公司就介绍一种采用剪一挤成形新技术,利用其节能省力的优点,通过对阀体成形工艺的试验研究,得出大型锻钢阀阀体剪一挤成形工艺参数。
剪一挤成形过程是以剪切变形为主的金属塑性加工过程。该成形工艺的基本力学特点是能使挤压力大帽度降低。从而也地降低了成形过程所需设备的吨位。图l为枝叉类零件剪一挤成形的原理筒图。图中虚线为剪一挤成形过程中剪切变形带位置。除了在虚线附近发生大的剪切变形外。整个毛坯其余部分仅发生较小的其他方式的变形。在冲头的作用下。两条剪切带中间部分的金属以近似平移的方式流向模具凹腔, 形成枝叉。对于图2所示两个枝叉的截止阀阀体。则是先剪一挤成形上枝叉然后成形下枝叉,两个枝叉成形可以在冲头一次行程下完成。

SAF2507特超级双相锻压法兰截止阀J41H锻钢法兰端截止阀150Lb~600Lb标准材质明细表
序号
零件名称
CS to ASTM
AS to ASTM
SS to ASTM
Type A105
Type F22
Type F304(L)
Type F316(L)
1
阀体
A105
A182 F22
A182 F304(L)
A182 F316(L)
2
垫片
Corrugated SS+graphite
SS+PTFE
3
螺栓
A193 B7
A193 B16
A193 B8
A193 B8M
4
圆柱销
A276 420
A276 304
5
填料压套
A276 410
A182 F304(L)
A182 F316(L)
6
活节螺栓
A193 B7
A193 B16
A193 B8
A193 B8M
7
螺母
A194 2H
A194 4
A194 8
A194 8M
8
阀杆螺母
A276 410
9
螺母
A194 2H
A194 4
A194 8
A194 8M
10
铭牌
SS
11
手轮
A197
12
填料压板
A216 WCB
A351 CF8
13
填料
Flexible Graphite
PTFE
14
阀盖
A105
A276 304
A182 F304(L)
A182 F316(L)
15
阀杆
A182 F6
A182 F304
A182 F304(L)
A182 F316(L)
16
阀瓣
A276 420
A276 304
A276 304(L)
A276 316(L)
适用介质
水、蒸汽、油品等
水、蒸汽、油品等
硝酸、醋酸等
适用温度
-29℃~425℃
-29℃~550℃
-29℃~180℃
注意:客户需求的其他材质也可采用。密封面料配对由客户指定内件代号决定。
CS=碳钢;AS=合金钢;SS=不锈钢;

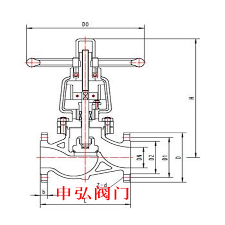
SAF2507特超级双相锻压法兰截止阀尺寸(mm)和重量(kg)
截止阀的安装是有一定要求的,是要按照指示的方向去安装,如果安装反了,则可能会出现问题。下面我们来看下,截止阀的安装有什么要求?NPS
1/2"
3/4"
1"
11/4"
11/2"
2"
L(RF)
L1(BW)150Lb
108
117
127
140
165
203
300Lb
152
178
203
216
229
267
600Lb
165
190
216
229
241
292
H(开)
150Lb~300Lb
166
171
207
240
258
330
600Lb
171
207
240
258
330
380
W
100
100
125
160
160
180
重量
150Lb
RF
4.5
6.9
9.8
13.5
19.5
28.0
BW
2.3
3.6
7.8
8.2
12.0
15.0
300Lb
RF
4.8
7.7
11.0
16.8
21.2
32.6
BW
2.8
4.0
8.5
9.2
12.6
16.8
600Lb
RF
5.6
7.8
12.5
17.0
23.5
38.8
BW
3.4
4.7
9.2
10.5
13.3
18.9
1、方向性。
截止阀是具有一定方向性的,严格按照正确的方向安装。一般它的阀体上有一个方向箭头标识,我们需要按照不同流体流动的方向和箭头方向基本一致就可以安装了。如果没有箭头标识,可以直接按照“低进高出”的原则要求,进行方向判定。如果阀体无法提供直观判定进出口高低,可以看阀门两端接口,用手摸一下,往上走的则是出口,直通的则是进口。这个方向性很重要,不要装反。
2、手柄和手轮式的截止阀无安装位置要求。
阀门手柄和手轮式截止阀时,不需要有意水平或垂直安装,也不需要阀门手柄的定位,只要操作方便,位置合适,即可安装。
3、截止阀阀杆提升要有空间。
根据截止阀的开启和关闭原理,其阀杆在开启状态下是伸长的,在关闭状态下是缩短的。因此,在安装时,需要注意的是,不仅要在阀杆处预留操作空间,还要考虑阀杆的垂直升降空间,以防止阀门的正常启闭。
这是截止阀的一些需要安装技术要求,其中存在争议比较大的,也容易出现安装方向性的问题,有些朋友会问,如果截止阀方向安装错误会怎么样?这个问题确实有一定的影响。下面我们来看下,截止阀方向安装错误会导致什么后果。
1、关闭后难以打开。
根据截止阀的结构,我们可以看到阀体的内部通道为扁平的s型,而阀瓣位于s型的中间,将两个通道分为两个,阀瓣在关闭时被迫靠在阀座上密封。这只是流体的下部带有压力,所以更容易打开,如果反过来,上部带有压力,这个压力会给阀瓣带来紧张的压力,打开时间就更难了。
2、可能会影响阀门的密封性。
同样根据截止阀的结构,我们可以明显看出截止阀的主要密封处在上部,如果自上向下企业流动,当关闭阀门的时候,也就是上半部分一直都是处于承压状态,一旦阀门之间存在一定密封不严的状况,就是在关闭阀门工作状态,还是会向外泄露。而相反的方向,则就没有解决这个问题顾虑。
3、进入阀门的污垢会影响使用。
相信朋友们都知道我们管路输送一些流体,根据截止阀的结构,如果是自上而下流出阀门的,由于阀瓣的的因素,泥沙、污垢很可能会聚集在阀瓣上部,甚至是阀杆上以及整个上部腔体内,由于阀瓣和阀杆是上下移动的,如此这些附着物会阻碍阀瓣的上下移动,甚至不能正常开关阀门。订货须知:
一、①产品名称与型号②口径③是否带附件以便我们的为您正确选型④的使用压力⑤的使用介质的温度。
二、若已经由设计单位选定公司的型号,请按型号直接向我司销售部订购。三、当使用的场合非常重要或环境比较复杂时,请您尽量提供设计图纸和详细参数,由我们的阀门公司专家为您审核把关。如有疑问:请:我们一定会尽心尽力为您提供优质的服务。提供全面“阀门系统解决方案",也十分愿意帮助用户解决生产中所遇到的难题。
-
联系方式
- 联系人:申弘阀门
- 电 话:021-59260058
- 手 机:15901754341
- 传 真:86-021-31662735
- 邮 箱:494522509@qq.com
- 邮 编:201718
- 地 址:上海市青浦区金泽工业园区
- 网 址: https://bengye.cn.goepe.com/
http://www.021-fm.com
-
产品搜索








